| 1. Кинематический расчет привода
1.1 Выбор электродвигателя
1.1.1 Потребляемая мощность привода (мощность на выходе)

1.1.2 Общий КПД привода
h
общ
=
h
2
зуб.
×
h
оп.
×
h
2
муфты
,
где h
зуб.
– КПД зубчатой передачи;
h
оп.
– КПД опор приводного вала;
h
муфты
– КПД муфты.
h
муфты
= 0,98;
h
зуб.
= 0,97;
h
оп.
= 0,99;
h
общ
= 0,972
×
0,99
×
0,982
= 0,895.
1.1.3 Требуемая мощность электродвигателя

1.1.4 Частота вращения приводного вала
, где шаг цепи транспортера, z
– число зубьев звездочки,
1.1.5 Частота вращения вала электродвигателя
n
э.тр
=
n
в
×
u
,
где u
=
u
быстр
×
u
тих
;
Из табл.1.2[Глава 1](уч. П.Ф. Дунаев, О.П. Леликов) выбраны передаточные отношения тихоходной и быстроходной передачи:
u
тих
= (2,5..5,6);
u
быстр
=3,15..5
n
э.тр
=
n
в
×
u
быстр
×
u
тих
= 36,544
×
(2,5..5,6)
×
(3,15..5)= 287,8..1023,2 об/мин.
Исходя из мощности, ориентировочных значений частот вращения, используя табл.24.9 (уч. П.Ф. Дунаев, О.П. Леликов) выбран тип электродвигателя:
АИР 112МВ6/950 (
)
1.2 Определение частот вращения и вращающих моментов на валах
1.2.1 Уточнение передаточных чисел привода
- общее передаточное число привода.
T.к. в схеме привода отсутствует ременная и цепная передачи, то передаточное число редуктора: 
Передаточные числа быстроходной и тихоходной ступеней по соотношениям из табл.1.3 [Глава 1](уч. П.Ф. Дунаев, О.П. Леликов) равны:


1.2.2 Определение частот вращения на валах привода
Частота вращения
вала колеса тихоходной ступени
Частота вращения
вала шестерни тихоходной ступени (вала колеса быстроходной
ступени)
Частота вращения
вала шестерни быстроходной ступени
1.2.3 Определение вращающих моментов на валах привода
Вращающий момент
на приводном валу
Вращающий момент
на валу колеса тихоходной ступени редуктора
Вращающий момент
на валу шестерни тихоходной ступени (на валу колеса быстроходной ступени) редуктора

Вращающий момент
на валу шестерни быстроходной ступени редуктора

2. Расчет зубчатых передач
2.1 Проектный расчет
2.1.1 Межосевое расстояние
Предварительное значение межосевого расстояния:

где - вращающий момент на шестерне(наибольший из длительно действующих),
Забиваем Сайты В ТОП КУВАЛДОЙ - Уникальные возможности от SeoHammer
Каждая ссылка анализируется по трем пакетам оценки: SEO, Трафик и SMM.
SeoHammer делает продвижение сайта прозрачным и простым занятием.
Ссылки, вечные ссылки, статьи, упоминания, пресс-релизы - используйте по максимуму потенциал SeoHammer для продвижения вашего сайта.
Что умеет делать SeoHammer
— Продвижение в один клик, интеллектуальный подбор запросов, покупка самых лучших ссылок с высокой степенью качества у лучших бирж ссылок.
— Регулярная проверка качества ссылок по более чем 100 показателям и ежедневный пересчет показателей качества проекта.
— Все известные форматы ссылок: арендные ссылки, вечные ссылки, публикации (упоминания, мнения, отзывы, статьи, пресс-релизы).
— SeoHammer покажет, где рост или падение, а также запросы, на которые нужно обратить внимание.
SeoHammer еще предоставляет технологию Буст, она ускоряет продвижение в десятки раз,
а первые результаты появляются уже в течение первых 7 дней.
Зарегистрироваться и Начать продвижение
u
– передаточное число,
K
– коэффициент, зависящий от поверхности твердости и зубьев шестерни и колеса соответственно:
Твердость Н
………. 

Коэффициент K
……. 10 8 6
Окружная скорость:
.
Уточнение предварительно найденного значения межосевого расстояния:

где - для косозубых колес,
- коэффициент ширины.
Коэффициент нагрузки в расчетах на контактную прочность:
,
где - коэффициент, учитывающий внутреннюю динамику нагружения,
- коэффициент, учитывающий неравномерность распределения нагрузки по длине контактных линий.
Коэффициент ,
где - коэффициент, учитывающий приработку зубьев.
- коэффициент неравномерности распределения нагрузки в начальный период приработки, он зависит от коэффициента .
Значение коэффициента .
Коэффициент ,
где - коэффициент, учитывающий распределение нагрузки между зубьями.
Значение коэффициента для косозубых передач ,
где - степень точности,
А=0,15
для зубчатых колес с твердостью и ,
А=0,25
при и или и .
2.1.2 Предварительные основные размеры колеса
Делительный диаметр: .
Ширина: .
2.1.3 Модуль передачи
Максимально допустимый модуль определяется из условия неподрезания зубьев у основания:

Минимальное значение модуля определяют из условия прочности:

где - для косозубых передач.
Коэффициент нагрузки при расчете по напряжениям изгиба:
,
где - коэффициент, учитывающий внутреннюю динамику нагружения,
- коэффициент, учитывающий неравномерность распределения напряжений у основания зубьев по ширине зубчатого венца:
,
- коэффициент, учитывающий влияние погрешностей изготовления шестерни и колеса на распределение нагрузки между зубьями, .
2.1.4 Суммарное число зубьев и угол наклона
Минимальный угол наклона зубьев косозубых колес: .
Суммарное число зубьев: .
Действительное значение угла наклона зуба: ,
для косозубых колес .
2.1.5 Число зубьев шестерни и колеса
Число зубьев шестерни: ,
для косозубых колес 
Коэффициент смещения: , .
Число зубьев колеса: .
2.1.6 Фактическое передаточное число
.
2.1.7 Диаметры колес
Делительные диаметры:
шестерни…………………………………. 
колеса……………………………………... 
Диаметры окружностей вершин и впадин зубьев колес:




где и - коэффициенты смещения у шестерни и колеса,
- коэффициент воспринимаемого смещения,
- делительное межосевое расстояние.
2.2 Проверочный расчет
2.2.1 Проверка зубьев колес по контактным напряжениям
Расчетное значение контактного напряжения

где - для косозубых передач.
2.2.2 Силы в зацеплении
Окружная сила: 
радиальная сила: 
осевая сила: 
Сервис онлайн-записи на собственном Telegram-боте
Попробуйте сервис онлайн-записи VisitTime на основе вашего собственного Telegram-бота:
— Разгрузит мастера, специалиста или компанию;
— Позволит гибко управлять расписанием и загрузкой;
— Разошлет оповещения о новых услугах или акциях;
— Позволит принять оплату на карту/кошелек/счет;
— Позволит записываться на групповые и персональные посещения;
— Поможет получить от клиента отзывы о визите к вам;
— Включает в себя сервис чаевых.
Для новых пользователей первый месяц бесплатно.
Зарегистрироваться в сервисе
2.2.3 Проверка зубьев колес по напряжениям изгиба
Расчетное напряжение изгиба:
в зубьях колеса 
в зубьях шестерни
где - коэффициент, учитывающий форму зуба и концентрацию напряжений, в зависимости от приведенного числа ,
- коэффициент, учитывающий угол наклона зуба в косозубой передаче:
,
- коэффициент, учитывающий перекрытие зубьев, для косозубых передач .
2.2.4 Проверочный расчет на прочность зубьев при действии пиковой нагрузки
Коэффициент перегрузки:
,
где - пиковый момент,
- максимальный из длительно действующих (номинальный) момент.
Для предотвращения остаточных деформаций или хрупкого разрушения поверхностного слоя контактное напряжение не должно превышать допускаемое напряжение :
,
где - контактное напряжение при действии номинального момента Т.
Допускаемое напряжение принимают при:
улучшении или сквозной закалке….…. ;
цементации или контурной ТВЧ……... ;
азотировании…………………………... .
Для предотвращения остаточных деформаций и хрупкого разрушения зубьев напряжение изгиба при действии пикового момента не должно превышать допускаемое :
,
где - напряжение изгиба, вычисленное при расчетах на сопротивление усталости.
Допускаемое напряжение вычисляется в зависимости от вида термической обработки и возможной частоты приложения пиковой нагрузки:
,
где - предел выносливости при изгибе,
- максимально возможное значение коэффициента долговечности ( для сталей с объемной термообработкой: нормализация, улучшение, объемная закалка; для сталей с поверхностной обработкой: закалка ТВЧ, цементация, азотирование),
- коэффициент влияния частоты приложения пиковой нагрузки (в случае единичных перегрузок - большие значения для объемной термообработки; при многократном действие перегрузок ),
- коэффициент запаса прочности (обычно ).
2.3 Анализ результатов расчета на ЭВМ
Расчет зубчатых передач на ЭВМ проводился в 2 этапа.
По результатам первого этапа расчета зубчатых передач на ЭВМ были построены графики (см. приложение), отражающие распределение общего передаточного числа между быстроходной и тихоходной ступенями редуктора , а также способа термообработки зубчатых колес на основные качественные показатели: массу зубчатых колес, массу редуктора, суммарное межосевое расстояние , диаметр впадин зубьев быстроходной шестерни, диаметры и вершин зубьев колес быстроходной и тихоходной ступеней.
Поиск варианта с наименьшей массой привода предусматривал выполнение следующих конструктивных ограничений:
· диаметр шестерни быстроходной ступени удовлетворял условию
,
где , - вращающий момент на валу.
, 
· при смазывании зацеплений погружением в масляную ванну зубчатых колес обеих ступеней разность наименьшая при выполнении условия 
Был выбран вариант № 5, на основании чего был проведен второй этап расчета зубчатых передач на ЭВМ и получены все расчетные параметры, требуемые для выпуска чертежей, а также силы в зацеплении, необходимые для расчета и выбора подшипников.
3. Эскизное проектирование
3.1 Проектные расчеты валов
Крутящий момент в поперечных сечениях валов
Быстроходного TБ
= 43,1 H×м
Промежуточного Tпр
= 222,5 H×м
Тихоходного TT
= 1077,3 H×м
Предварительные значения диаметров различных участков стальных валов редуктора:
Для быстроходного:



Для промежуточного:




Для тихоходного:


.
Зазор ,
где


Расстояние между дном корпуса и поверхностью колес , т.е. 
Расстояние между торцевыми поверхностями колес принимаем 
3.2 Выбор типа и схемы установки подшипников
Выбираем роликовые конические радиально-упорные однорядные подшипники повышенной грузоподъемности легкой серии:
для быстроходного вала: Подшипник
206 ГОСТ 8338-75;
для промежуточного: Подшипник
206 ГОСТ 8338-75;
для тихоходного: Подшипник
212 ГОСТ 8338-75;
Схема установки подшипников «враспор».
4. Конструирование зубчатых колес
4.1
Параметры зубчатого колеса быстроходной ступени
Материал колеса Сталь 40Х (твердость поверхности зубьев 285НВ).
Из проектного расчета: ширина зубчатого венца ;
модуль зацепления (нормальный) ;
Диаметр посадочного отверстия .
Длина ступицы колеса .
Диаметр ступицы .
Ширина торцов зубчатого венца
.
Фаски на торцах зубчатого венца
,
выполняют фаски под углом 
Толщина диска , где 

принимаем .
Для свободной выемки из штампа принимаем значение штамповочных уклонов и радиусов закруглений .
4.2
Параметры зубчатого колеса тихоходной ступени
Материал колеса Сталь 40Х (твердость поверхности зубьев 285НВ).
Из проектного расчета: ширина зубчатого венца ;
модуль зацепления (нормальный) ;
Диаметр посадочного отверстия .
Длина ступицы колеса .
Диаметр ступицы .
Ширина торцов зубчатого венца
.
Фаски на торцах зубчатого венца
,
выполняют фаски под углом 
Толщина диска , где 

принимаем .
Для свободной выемки из штампа принимаем значение штамповочных уклонов и радиусов закруглений .
5. Расчет соединений
5.1 Соединения с натягом
5.1.1 Соединение зубчатое колесо быстроходной ступени - вал.
Материал вала - Сталь 45.
Вращающий момент с колеса на вал будет передаваться с помощью соединения с натягом.
Подбор посадки с натягом.
Исходные данные:
- вращающий момент на колесе - ;
- диаметр соединения - , т.к. вал сплошной, то ;
- условный наружный диаметр ступицы колеса - ;
- длина сопряжения - ;
1.) Среднее контактное давление
,
где K
– коэффициент запаса сцепления, в нашем случае на конце выходного вала установлена муфта ;
f
– коэффициент сцепления (трения), при сборке запрессовкой и для материалов пары сталь-сталь ;
;
2.) Деформация деталей
,
где коэффициенты жесткости:
;
;
– модули упругости, для стали ;
коэффициенты Пуассона, для стали 
;
;
.
3.) Поправка на обмятие микронеровностей
,
где средние арифметические отклонения профиля поверхностей, из
табл.22.2(уч. П.Ф. Дунаев, О.П. Леликов): ;
.
4.) Поправка на температурную деформацию
,
где средняя объемная температура соответственно обода центра и венца колеса, в
нашем случае ;
температурный коэффициент, для стали  ;
.
5.) Минимальный натяг
.
6.) Максимальный натяг
.
Здесь максимальная деформация, где максимальное давление,
допускаемое прочностью колеса или вала, меньшее из двух:
или
(для сплошного вала ( )),
Здесь предел текучести колеса и вала, в нашем случае ,
;
,
,
, ,
.
7.) Выбор посадки.
По значениям и выбираем из табл.6.3[Глава 6](уч. П.Ф. Дунаев, О.П.
Леликов) посадку, удовлетворяющую условиям
– .
8.) Сила запрессовки
,
где – давление от натяга 
выбранной посадки;
коэффициент сцепления (терния) при запрессовке, в нашем случае для материалов пары сталь-сталь ;
.
9.) Температура нагрева охватывающей детали
,
где зазор, в зависимости от диаметра ,
.
Чтобы не происходило структурных изменений в материале необходимо чтобы , для стали .
В нашем случает натяг для соединения зубчатого колеса быстроходной ступени и вала не подходит, поэтому используем для передачи вращающего момента призматическую шпонку.
5.1.2 Соединение зубчатое колесо тихоходной ступени - вал
Материал вала - Сталь 45.
Вращающий момент с колеса на вал будет передаваться с помощью соединения с натягом.
Подбор посадки с натягом.
Исходные данные:
- вращающий момент на колесе - ;
- диаметр соединения - , т.к. вал сплошной, то ;
- условный наружный диаметр ступицы колеса - ;
- длина сопряжения - ;
10.) Среднее контактное давление
,
где K
– коэффициент запаса сцепления, в нашем случае на конце выходного вала установлена муфта ;
f
– коэффициент сцепления (трения), при сборке запрессовкой и для материалов пары сталь-сталь ;
;
11.) Деформация деталей
,
где коэффициенты жесткости:
;
;
– модули упругости, для стали ;
коэффициенты Пуассона, для стали 
;
;
.
12.) Поправка на обмятие микронеровностей
,
где средние арифметические отклонения профиля поверхностей, из
табл.22.2(уч. П.Ф. Дунаев, О.П. Леликов): ;
.
13.) Поправка на температурную деформацию
,
где средняя объемная температура соответственно обода центра и венца колеса, в
нашем случае ;
температурный коэффициент, для стали  ;
.
14.) Минимальный натяг
.
15.) Максимальный натяг
.
Здесь максимальная деформация, где максимальное давление, допускаемое прочностью колеса или вала, меньшее из двух:
или (для сплошного вала ( )),
Здесь предел текучести колеса и вала, в нашем случае
,
;
,
,
, ,
.
16.) Выбор посадки.
По значениям и выбираем из табл.6.3[Глава 6](уч. П.Ф. Дунаев, О.П. Леликов) посадку, удовлетворяющую условиям
– .
17.) Сила запрессовки
,
где – давление от натяга выбранной посадки;
коэффициент сцепления (терния) при запрессовке, в нашем случае для материалов пары сталь-сталь ;
.
18.) Температура нагрева охватывающей детали
,
где зазор, в зависимости от диаметра ,
.
Чтобы не происходило структурных изменений в материале необходимо чтобы , для
стали .
5.2 Шпоночный соединения
5.2.1 Соединение зубчатое колесо быстроходной ступени - вал
Материал вала - Сталь 45.
Вращающий момент с колеса на вал будет передаваться с помощью призматической шпонки
ГОСТ23360-78, колесо и вал соединяются посадкой с натягом Н7/
r
6.
Линейные размеры шпонки:

Напряжение смятия на боковых рабочих гранях шпонки или паза в ступице и на валу:
,
где - глубина врезания шпонки в ступицу;
- вращающий момент на промежуточном валу.
.
Условие прочности:
,
где - допускаемое напряжение смятия;
–
посадочный диаметр;
- предел текучести;
- коэффициент запаса при частых пусках и остановках;

условие прочности выполняется.
5.2.2 Соединение вал-шестерня быстроходной ступени – полумуфта
Материал вала - Сталь 45.
Вращающий момент с колеса на вал будет передаваться с помощью призматической шпонки
ГОСТ23360-78, вал и полумуфта соединяются посадкой с натягом Н7/
k
6.
Линейные размеры шпонки:

Напряжение смятия на боковых рабочих гранях шпонки или паза в ступице и на валу:
,
где - глубина врезания шпонки в ступицу;
- вращающий момент на быстроходном валу.
.
Условие прочности:
,
где - допускаемое напряжение смятия;
–
посадочный диаметр;
- предел текучести;
- коэффициент запаса при частых пусках и остановках;
.
условие прочности выполняется.
5.2.3 Соединение вал тихоходной ступени – полумуфта
Материал вала - Сталь 45.
Вращающий момент с колеса на вал будет передаваться с помощью призматической шпонки
ГОСТ23360-78, вал и полумуфта соединяются посадкой с натягом Н7/
k
6.
Линейные размеры шпонки:

Напряжение смятия на боковых рабочих гранях шпонки или паза в ступице и на валу:
,
где - глубина врезания шпонки в ступицу;
- вращающий момент на тихоходном валу.
.
Условие прочности:
,
где - допускаемое напряжение смятия;
–
посадочный диаметр;
- предел текучести;
- коэффициент запаса при частых пусках и остановках;
.
Условие прочности не выполняется призматическая шпонка для соединения вала тихоходной ступени и полумуфты не подходит, поэтому используем для передачи вращающего момента соединение прямобочными шлицами.
5.2.4 Соединение тяговая звездочка – приводной вал
Материал вала - Сталь 45.
Вращающий момент с колеса на вал будет передаваться с помощью призматической шпонки
ГОСТ23360-78, вал и полумуфта соединяются посадкой с натягом Н7/
k
6.
Линейные размеры шпонки:

Напряжение смятия на боковых рабочих гранях шпонки или паза в ступице и на валу:
,
где - глубина врезания шпонки в ступицу;
-
максимальный вращающий момент на приводном валу.
.
Условие прочности:
,
где - допускаемое напряжение смятия;
–
посадочный диаметр;
- предел текучести;
- коэффициент запаса при частых пусках и остановках;
.
условие прочности выполняется.
5.3 Шлицевые соединения
5.3.1 Соединение Вал тихоходной ступени – полумуфта
Материал вала - Сталь 45.
Вращающий момент с колеса на вал будет передаваться с помощью соединения прямобочными шлицами ГОСТ1139-80 с центрированием по внутреннему диаметру d
.
Линейные размеры шлицев:
Средняя серия; 
Напряжение смятия на боковых рабочих гранях шлицев в ступице и на валу:
,
где - коэффициент, учитывающий неравномерность распределения нагрузки между парами шлицев из-за ошибок изготовления по шагу, принимаем ;
- вращающий момент на валу;
- средний диаметр соединения;
- рабочая высота шлицев;
- длина соединения.
.
Условие прочности:
,
где - допускаемое напряжение смятия;
- предел текучести;
- коэффициент запаса при частых пусках и остановках;
.
условие прочности выполняется.
5.3.2
Соединение приводной вал - полумуфта
Материал вала - Сталь 45.
Вращающий момент с колеса на вал будет передаваться с помощью соединения прямобочными шлицами ГОСТ1139-80 с центрированием по внутреннему диаметру d
.
Линейные размеры шлицев:
Средняя серия; 
Напряжение смятия на боковых рабочих гранях шлицев в ступице и на валу:
,
где - коэффициент, учитывающий неравномерность распределения нагрузки между парами шлицев из-за ошибок изготовления по шагу, принимаем ;
-
максимальный момент на приводном валу;
- средний диаметр соединения;
- рабочая высота шлицев;
- длина соединения.
.
Условие прочности:
,
где - допускаемое напряжение смятия;
- предел текучести;
- коэффициент запаса при частых пусках и остановках;
.
условие прочности выполняется.
6. Расчет подшипников
При расчете подшипников силы, действующие в зацеплении, взяты из результатов второго этапа проектного расчета зубчатых передач на ЭВМ.
6.1 Расчет подшипников на быстроходном валу
Исходные данные:
- частота вращения вала - ;
- делительный диаметр шестерни быстроходной ступени - ;
- осевая сила, действующая на шестерню - ;
- радиальная сила, действующая на шестерню - ;
- окружная сила, действующая на шестерню - ;
- расстояние между торцами для наружных колец подшипников - ;
- линейные размеры - , ;
- параметры выбранного подшипника:
Подшипник
206 ГОСТ 8338-75
Размеры:
Грузоподъемность:






6.1.1 Радиальные реакции опор

Расстояние между точками приложения радиальных реакций при установке радиально-упорных подшипников по схеме «враспор»:
,
где - смещение точки приложения радиальной реакции от торца подшипника, для шариковых радиальных однорядных подшипников:

,
.
6.1.1.1 От сил в зацеплении
- в плоскости YOZ:
; ;
.
; ;

Проверка:
-
реакции найдены правильно.
- в плоскости XOZ:
; ;
.
; ;

Проверка:
-
реакции найдены правильно.
Суммарные реакции опор:
;

6.1.1.2 От действия муфты

Согласно ГОСТ Р 50891-96 значение радиальной консольной силы для входного вала редуктора:
,
где - момент на входном валу.
, принимаем максимальное значение консольной силы .
Реакции от силы :
; ;
.
; ;

Проверка:
- реакции найдены правильно.
6.1.1.3 Для расчета подшипников
;
.
Внешняя осевая сила, действующая на вал: .
6.1.2 Эквивалентные нагрузки
Для типового режима нагружения II коэффициент эквивалентности .
;
;
.
6.1.3 Эквивалентная динамическая радиальная нагрузка
Для радиальных шарикоподшипников из условия равновесия вала следует: , . Дальнейшие расчеты выполняем для более нагруженного подшипника опоры 2
.
Отношение
,
где .
В соответствии с табл.7.3 [Глава 7](уч. П.Ф. Дунаев, О.П. Леликов) имеем: .
Коэффициент осевого нагружения согласно табл.7.2 [Глава 7](уч. П.Ф. Дунаев, О.П. Леликов):
.
Отношение , что меньше ( при вращении внутреннего кольца). Окончательно принимаем согласно табл.7.2 [Глава 7] (уч. .Ф. Дунаев, О.П. Леликов): , .
Принимаем согласно табл.7.6 [Глава 7](уч. П.Ф. Дунаев, О.П. Леликов) ; .
Эквивалентная динамическая радиальная нагрузка:
.
6.1.4 Расчетный ресурс подшипника
Расчетный скорректированный ресурс подшипника при (вероятность безотказной работы 90%), (обычные условия применения), (шариковый подшипник):

6.2 Расчет подшипников на промежуточном валу
Исходные даные:
- частота вращения вала - ;
- делительный диаметр шестерни тихоходной ступени - ;
- делительный диаметр колеса быстроходной ступени - ;
- осевая сила, действующая на шестерню - ;
- радиальная сила, действующая на шестерню - ;
- окружная сила, действующая на шестерню - ;
- осевая сила, действующая на колесо - ;
- радиальная сила, действующая на колесо - ;
- окружная сила, действующая на колесо - ;
- расстояние между торцами для наружных колец подшипников - ;
- линейные размеры - , ;
- параметры выбранного подшипника:
Подшипник
206 ГОСТ 8338-75
Размеры:
Грузоподъемность:






6.2.1 Радиальные реакции опор
Расстояние между точками приложения радиальных реакций при установке радиально-упорных подшипников по схеме «враспор»:
,

где - смещение точки приложения радиальной реакции от торца подшипника, для шариковых радиальных однорядных подшипников:
,
.
6.2.1.1 От сил в зацеплении
- в плоскости YOZ:
; ;

; ;

Проверка: - реакции найдены правильно.
- в плоскости XOZ:
; ;
.
; ;

Проверка: - реакции найдены правильно.
Суммарные реакции опор:
;
.
6.2.1.2 Для расчета подшипников
;
.
Внешняя осевая сила, действующая на вал: .
6.2.2 Эквивалентные нагрузки
Для типового режима нагружения II коэффициент эквивалентности .
;
;
.
6.2.3 Эквивалентная динамическая радиальная нагрузка
Для радиальных шарикоподшипников из условия равновесия вала следует: , . Дальнейшие расчеты выполняем для более нагруженного подшипника опоры 2
.
Отношение ,
где .
В соответствии с табл.7.3 [Глава 7](уч. П.Ф. Дунаев, О.П. Леликов) имеем: .
Коэффициент осевого нагружения согласно табл.7.2 [Глава 7](уч. П.Ф. Дунаев, О.П. Леликов):
.
Отношение , что меньше ( при вращении внутреннего кольца). Окончательно принимаем согласно табл.7.2 [Глава 7] (уч. .Ф. Дунаев, О.П. Леликов): , .
Принимаем согласно табл.7.6 [Глава 7](уч. П.Ф. Дунаев, О.П. Леликов) ; .
Эквивалентная динамическая радиальная нагрузка:
.
6.2.4 Расчетный ресурс подшипника
Расчетный скорректированный ресурс подшипника при (вероятность безотказной работы 90%), (обычные условия применения), (шариковый подшипник):

6.3 Расчет подшипников на тихоходном валу
Исходные данные:
- частота вращения вала - ;
- делительный диаметр шестерни быстроходной ступени - ;
- осевая сила, действующая на колесо - ;
- радиальная сила, действующая на колесо - ;
- окружная сила, действующая на колесо - ;
- расстояние между торцами для наружных колец подшипников - ;
- линейные размеры - , ;
- параметры выбранного подшипника:
Подшипник
212 ГОСТ 8338-75
Размеры:
Грузоподъемность:






6.3.1 Радиальные реакции опор
Расстояние между точками приложения радиальных реакций при установке радиально-упорных подшипников по схеме «враспор»:
,
где - смещение точки приложения радиальной реакции от торца подшипника, для шариковых радиальных однорядных подшипников:
,
.

6.3.1.1 От сил в зацеплении
- в плоскости YOZ:
;
;
 ; ;

Проверка: - реакции найдены правильно.
- в плоскости XOZ:
; ;
.
; ;

Проверка: - реакции найдены правильно.
Суммарные реакции опор:
;
.
6.3.1.2 От действия муфты
Согласно ГОСТ Р 50891-96 значение радиальной консольной силы для выходного вала редуктора:
,
где - момент на входном валу.
.
Реакции от силы :

; ;

; ;

Проверка: - реакции найдены правильно.
6.3.1.3 Для расчета подшипников
;
.
Внешняя осевая сила, действующая на вал: .
6.3.2 Эквивалентные нагрузки
Для типового режима нагружения II коэффициент эквивалентности .
;
;
.
6.3.3 Эквивалентная динамическая радиальная нагрузка
Для радиальных шарикоподшипников из условия равновесия вала следует: , . Дальнейшие расчеты выполняем для более нагруженного подшипника опоры 1
.
Отношение ,
где .
В соответствии с табл.7.3 [Глава 7](уч. П.Ф. Дунаев, О.П. Леликов) имеем: .
Коэффициент осевого нагружения согласно табл.7.2 [Глава 7](уч. П.Ф. Дунаев, О.П. Леликов):
.
Отношение , что меньше ( при вращении внутреннего кольца). Окончательно принимаем согласно табл.7.2 [Глава 7] (уч. .Ф. Дунаев, О.П. Леликов): , .
Принимаем согласно табл.7.6 [Глава 7](уч. П.Ф. Дунаев, О.П. Леликов) ; .
Эквивалентная динамическая радиальная нагрузка:
.
6.3.4 Расчетный ресурс подшипника
Расчетный скорректированный ресурс подшипника при (вероятность безотказной работы 90%), (обычные условия применения), (шариковый подшипник):

Расчетный ресурс выбранного нами подшипника для промежуточного вала значительно меньше требуемого ресурса!
С целью уменьшения номенклатуры, установим и рассчитаем ресурс роликовых конических радиально-упорных подшипников для всех валов.
6.4 Расчет подшипников на быстроходном валу
Исходные данные:
- частота вращения вала - ;
- делительный диаметр шестерни быстроходной ступени - ;
- осевая сила, действующая на шестерню - ;
- радиальная сила, действующая на шестерню - ;
- окружная сила, действующая на шестерню - ;
- расстояние между торцами для наружных колец подшипников - ;
- линейные размеры - , ;
- параметры выбранного подшипника:
Подшипник
7206А ГОСТ 27365-87
Размеры:
Грузоподъемность:


Расчетные параметры:





6.4.1 Радиальные реакции опор

Расстояние между точками приложения радиальных реакций при установке радиально-упорных подшипников по схеме «враспор»:
,
где - смещение точки приложения радиальной реакции от торца подшипника, для роликовых конических радиально-упорных однорядных подшипников:
,
;
;
 ;
6.4.1.1 От сил в зацеплении
- в плоскости YOZ:
; ;
.
; ;

Проверка: - реакции найдены правильно.
в плоскости XOZ:
; ;
.
; ;

Проверка: - реакции найдены правильно.
Суммарные реакции опор:
;

6.4.1.2 От действия муфты:
Согласно ГОСТ Р 50891-96 значение радиальной консольной силы для входного вала редуктора:

,
где - момент на входном валу.
, принимаем максимальное значение консольной силы .
Реакции от силы :
; ;
.
; ;

Проверка: - реакции найдены правильно.
6.4.1.3 Для расчета подшипников
;
.
Внешняя осевая сила, действующая на вал: .
6.4.2 Эквивалентные нагрузки
Для типового режима нагружения II коэффициент эквивалентности .
;
;
.
6.4.3 Эквивалентная динамическая радиальная нагрузка
Минимально необходимые для нормальной работы радиально-упорных подшипников осевые силы:
;
.
Находим осевые силы нагружающие подшипники. Так как и , то по табл.7.4 [Глава 7](уч. П.Ф. Дунаев, О.П. Леликов):
;
.
Отношение , что меньше ( при вращении внутреннего кольца). Тогда для опоры 1
: , .
Отношение , что больше ( при вращении внутреннего кольца). Тогда для опоры 2
: , .
Принимаем согласно табл.7.6 [Глава 7](уч. П.Ф. Дунаев, О.П. Леликов) ; .
Эквивалентная динамическая радиальная нагрузка в опорах 1
и 2
:
;

6.4.4 Расчетный ресурс подшипника
Для подшипника более нагруженной опоры 2
вычисляем расчетный скорректированный ресурс подшипника при (вероятность безотказной работы 90%), (обычные условия применения), (роликовый подшипник):

6.5 Расчет подшипников на промежуточном валу
Исходные данные:
- частота вращения вала - ;
- делительный диаметр шестерни тихоходной ступени - ;
- делительный диаметр колеса быстроходной ступени - ;
- осевая сила, действующая на шестерню - ;
- радиальная сила, действующая на шестерню - ;
- окружная сила, действующая на шестерню - ;
- осевая сила, действующая на колесо - ;
- радиальная сила, действующая на колесо - ;
- окружная сила, действующая на колесо - ;
- расстояние между торцами для наружных колец подшипников - ;
- линейные размеры - , ;
- параметры выбранного подшипника:
Подшипник
7206А ГОСТ 27365-87
Размеры:
Грузоподъемность:


Расчетные параметры:





6.5.1 Радиальные реакции опор

Расстояние между точками приложения радиальных реакций при установке радиально-упорных подшипников по схеме «враспор»:
,
где - смещение точки приложения радиальной реакции от торца подшипника, для роликовых конических радиально-упорных однорядных подшипников:
,
;
;
 ;
6.5.1.1 От сил в зацеплении:
- в плоскости YOZ:
; ;
 ; ;

Проверка: - реакции найдены правильно.
- в плоскости XOZ:
; ;
.
; ;

Проверка: - реакции найдены правильно.
Суммарные реакции опор:
;
.
6.5.1.3 Для расчета подшипников
;
.
Внешняя осевая сила, действующая на вал: .
6.5.2 Эквивалентные нагрузки
Для типового режима нагружения II коэффициент эквивалентности .
;
;
.
6.5.3 Эквивалентная динамическая радиальная нагрузка
Минимально необходимые для нормальной работы радиально-упорных подшипников осевые силы:
;
.
Находим осевые силы нагружающие подшипники. Так как и , то по табл.7.4 [Глава 7](уч. П.Ф. Дунаев, О.П. Леликов):
;
.
Отношение , что меньше ( при вращении внутреннего кольца). Тогда для опоры 1
: , .
Отношение , что меньше ( при вращении внутреннего кольца). Тогда для опоры 2
: , .
Принимаем согласно табл.7.6 [Глава 7](уч. П.Ф. Дунаев, О.П. Леликов) ; .
Эквивалентная динамическая радиальная нагрузка в опорах 1
и 2
:
;

6.5.4 Расчетный ресурс подшипника
Для подшипника более нагруженной опоры 2
вычисляем расчетный скорректированный ресурс подшипника при (вероятность безотказной работы 90%), (обычные условия применения), (роликовый подшипник):

6.6 Расчет подшипников на тихоходном валу
Исходные данные:
- частота вращения вала - ;
- делительный диаметр шестерни быстроходной ступени - ;
- осевая сила, действующая на колесо - ;
- радиальная сила, действующая на колесо - ;
- окружная сила, действующая на колесо - ;
- расстояние между торцами для наружных колец подшипников - ;
- линейные размеры - , ;
- параметры выбранного подшипника:
Подшипник
7212А ГОСТ 27365-87
Размеры:
Грузоподъемность:


Расчетные параметры:





6.6.1 Радиальные реакции опор
Расстояние между точками приложения радиальных реакций при установке радиально-упорных подшипников по схеме «враспор»:
,

где - смещение точки приложения радиальной реакции от торца подшипника, для роликовых конических радиально-упорных однорядных подшипников:
,
;
 ;
;
6.6.1.1 От сил в зацеплении
- в плоскости YOZ:
;
;

; ;

Проверка: - реакции найдены правильно.
- в плоскости XOZ:
; ;
.
; ;

Проверка: - реакции найдены правильно.
Суммарные реакции опор:
;
.
6.6.1.2 От действия муфты
Согласно ГОСТ Р 50891-96 значение радиальной консольной силы для выходного вала редуктора:
,
где - момент на входном валу.
.

Реакции от силы :
; ;

; ;

Проверка: - реакции найдены правильно.
6.6.1.3 Для расчета подшипников
;
.
Внешняя осевая сила, действующая на вал: .
6.6.2 Эквивалентные нагрузки
Для типового режима нагружения II коэффициент эквивалентности .
;
;
.
6.6.3 Эквивалентная динамическая радиальная нагрузка
Минимально необходимые для нормальной работы радиально-упорных подшипников осевые силы:
;
.
Находим осевые силы нагружающие подшипники. Так как и , то по табл.7.4 [Глава 7](уч. П.Ф. Дунаев, О.П. Леликов):
;
.
Отношение , что меньше ( при вращении внутреннего кольца). Тогда для опоры 1
: , .
Отношение , что больше ( при вращении внутреннего кольца). Тогда для опоры 2
: , .
Принимаем согласно табл.7.6 [Глава 7](уч. П.Ф. Дунаев, О.П. Леликов) ; .
Эквивалентная динамическая радиальная нагрузка в опорах 1
и 2
:
;

6.6.4 Расчетный ресурс подшипника
Для подшипника более нагруженной опоры 1
вычисляем расчетный скорректированный ресурс подшипника при (вероятность безотказной работы 90%), (обычные условия применения), (роликовый подшипник):

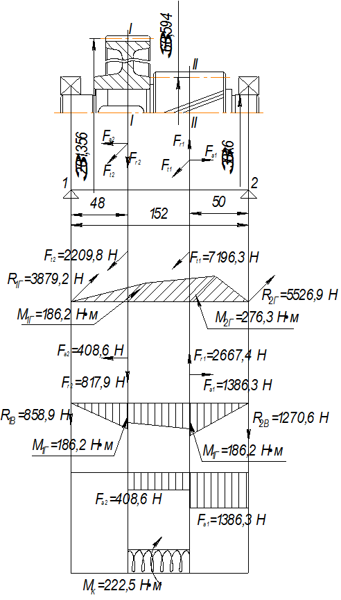
6.7 Расчет подшипников на приводном валу
Исходные данные:
- частота вращения вала - ;
- окружная сила, действующая на 2 звездочки - ;
- линейные размеры - , ;
- параметры выбранного подшипника:
Подшипник
1212 ГОСТ 28428-90
Размеры:
Грузоподъемность:


Расчетные параметры:

: 
:

6.7.1 Радиальные реакции опор
Расстояние между точками приложения радиальных реакций .
На каждую звездочку будет действовать максимальная окружная сила
.

Радиальная сила действующая на звездочки:
.
6.7.1.1 От сил в зацеплении
- в плоскости YOZ:
;
;
.
; ;

Проверка: - реакции найдены правильно.
- в плоскости XOZ:
; ;
.
; ;

Проверка: - реакции найдены правильно.
Суммарные реакции опор:
;
.
6.7.1.2 От действия муфты
Радиальная сила на валу от упругой муфты:
,
где - радиальное смещение валов.
- радиальная жесткость упругой муфты при радиальном смещении валов, здесь - номинальный вращающий момент муфты по каталогу.
.
Реакции от силы :

; ;

; ;

Проверка: - реакции найдены правильно.
6.7.1.3 Для расчета подшипников
более нагружена опора 1
.
6.7.3 Эквивалентная динамическая радиальная нагрузка
При отсутствии осевых сил , что меньше ( при вращении внутреннего кольца). Тогда , .
Принимаем согласно табл.7.6 [Глава 7](уч. П.Ф. Дунаев, О.П. Леликов) ; .
Эквивалентная динамическая радиальная нагрузка в опорах 1
и 2
:
;
Для типового режима нагружения II коэффициент эквивалентности .
.
6.7.4 Расчетный ресурс подшипника
Для подшипника более нагруженной опоры 1
вычисляем расчетный скорректированный ресурс подшипника при (вероятность безотказной работы 90%), (обычные условия применения), (роликовый подшипник):

7. Конструирование корпусных деталей и крышек подшипников
7.1 Конструирование крышек подшипников
Материал крышек – СЧ15.
Были выбраны привертные крышки.
Т.к. подшипники на быстроходном и промежуточном валу одинаковые, крышки будут также одинаковыми, что способствует уменьшению номенклатуры.
7.1.1 Крышки подшипников быстроходного и промежуточного валов
Определяющим при конструировании крышки является диаметр отверстия в корпусе под подшипник.
Согласно рекомендациям по выбору толщины стенки, диаметра и числа винтов крепления крышки к корпусу в зависимости от :
.
Размеры других конструктивных элементов крышки:

Принимаем 
Чтобы поверхности фланца крышки и торца корпуса сопрягались по плоскости, на цилиндрической центрирующей поверхности перед торцом фланца делается канавка шириной , согласно табл.7.10 [Глава 7](уч. П.Ф. Дунаев, О.П. Леликов). Крышку базируют по торцу фланца, поэтому поясок с центрирующей цилиндрической поверхностью делается небольшим, чтобы он не мешал установке крышки по торцу корпуса: .
7.1.1 Крышки подшипников тихоходного вала
Определяющим при конструировании крышки является диаметр отверстия в корпусе под подшипник.
Согласно рекомендациям по выбору толщины стенки, диаметра и числа винтов крепления крышки к корпусу в зависимости от :
.
Размеры других конструктивных элементов крышки:

Принимаем 
Чтобы поверхности фланца крышки и торца корпуса сопрягались по плоскости, на цилиндрической центрирующей поверхности перед торцом фланца делается канавка шириной , согласно табл.7.10 [Глава 7](уч. П.Ф. Дунаев, О.П. Леликов). Крышку базируют по торцу фланца, поэтому поясок с центрирующей цилиндрической поверхностью делается небольшим, чтобы он не мешал установке крышки по торцу корпуса: .
7.2 Конструирование корпуса и крышки редуктора
7.2.1 Общие рекомендации
Материал корпуса – СЧ15.
Толщина стенок для чугунных отливок в зависимости от приведенного габарита N
корпуса:
…………………………. 0,40 0,6 1,0 1,5 2,0
……………………….. 7 8 10 12 14
Здесь , где L
, B
и H
–
длина, ширина и высота корпуса, м.
Приблизительно: ; ; .
Толщина стенки, отвечающая требованиям технологии литья, необходимой прочности и жесткости корпуса:
,
где – вращающий момент на выходном (тихоходном) валу.
.
Принимаем толщину стенки .
Радиусы дуг, сопрягающих плоские стенки: ; .
Толщина внутренних ребер 
Обрабатываемые поверхности выполняются в виде платиков, высота которых .
7.2.2 Конструктивное оформление внутреннего контура редуктора
Из центра тихоходного вала проводится тонкой линией дуга окружности радиусом: , где - наружный диаметр зубчатого колеса, - зазор .
Из центра быстроходного вала проводится дуга радиусом , в качестве которого принимается большее из двух:
или ,
где - наружный диаметр шестерни,
- диаметр отверстия в корпусе для опоры быстроходного вала.
или 
.
Толщина стенки крышки редуктора , принимаем .
Расстояние между дном корпуса и поверхностью колеса .
Для соединения корпуса и крышки по всему контуру плоскости разъема редуктора выполняются специальные фланцы. На коротких боковых сторонах фланцы располагаются внутрь от стенки корпуса. Размеры конструктивных элементов:
;
;
;
.
На продольных длинных сторонах редуктора фланцы корпуса располагают внутрь от стенки корпуса, а фланцы крышки – снаружи.
7.2.3 Конструктивное оформление приливов для подшипниковых гнезд
Диаметр прилива для привертной крышки принимается:
,
где - диметр фланца крышки подшипника.
Для быстроходного и промежуточного валов: ; .
Для тихоходного вала: ; .
7.2.4 Крепление крышки редуктора к корпусу
Для крепления крышки с корпусом используются винты с цилиндрической головкой с шестигранным углублением «под ключ».
Размеры конструктивных элементов:

Диаметр винтов крепления крышки принимается в зависимости от вращающего момента ( ) на выходном валу редуктора:

Принимаем 

7.2.5 Фиксирование крышки относительно корпуса
Необходимая точность фиксирования достигается штифтами, которые располагаются на наибольшем расстоянии друг от друга.
Диаметр штифтов: , где - диаметр крепежного винта
, принимаем .
Поверхности сопряжения корпуса и крышки для плотного их прилегания шабрят и шлифуют. При сборке узла эти поверхности для лучшего уплотнения покрывают тонким слоем герметика. Прокладки в полость разъема не ставят вследствие вызываемых ими искажения формы посадочных отверстий под подшипники и смещения осей отверстий с плоскости разъема.
7.2.6 Конструктивное оформление опорной части корпуса
Опорная поверхность корпуса выполняется в виде нескольких небольших платиков, расположенных в местах установки болтов.
Диаметр винта крепления редуктора к раме: , где - диаметр винта крепления крышки и корпуса редуктора , принимаем . Т.к. межосевое расстояние , то число винтов .
Место крепления корпуса к раме оформляется в виде ниш, расположенных по углам корпуса, высота ниши:
.
7.2.7 Оформление сливных отверстий
Прилив сливного отверстия в корпусе выступает над необрабатываемой поверхностью на высоту .
Отверстие для выпуска масла закрывается пробкой с конической резьбой .
Размеры пробки: 
Для наблюдения за уровнем масла в корпусе установлена такая же пробка с конической резьбой .
7.2.8 Оформление проушин
Для подъема и транспортирования крышки корпуса и редуктора в сборе применяются проушины.
Размеры проушин:
;

7.2.9 Оформление крышки люка
Для залива масла в редуктор, контроля правильности зацепления и для внешнего осмотра деталей сделан люк.
Крышка люка сделана из листа толщиной методом «штамповка».
Размеры люка:
,
принимаем ;
, , ;
высота прилива: ;
диаметр винтов крепления крышки люка: , принимаем .
Для того чтобы внутрь корпуса извне не засасывалась пыль, под крышку поставлена уплотняющая прокладка из технической резины марки МБС толщиной 2 мм
, привулканизированная к крышке.
7.3 Конструирование корпусов и крышек опор приводного вала
Два корпуса типа 1, исполнение 1, : Корпус
ШМ 110 ГОСТ 13218.1-80
.
Три низкие торцевые крышки с манжетным уплотнением и одна глухая диаметром , : Крышка МН ГОСТ 13219.6-81.
8. Расчет валов на статическую прочность и сопротивление усталости
Материал всех валов – Сталь 45, .
8.1 Быстроходный вал
8.1.1 Расчет валов на статическую прочность

Самым опасным сечением будет сечение I
-
I
.
Моменты сопротивления при изгибе, при кручении и площадь
Для сплошного круглого сечения:

 .
Для сечения со шпоночным пазом:


Нормальные и касательные напряжения:
; ,
где - суммарный изгибающий момент, здесь - коэффициент перегрузки;
- крутящий момент, - осевая сила.
Напряжения сечении:
;
.
Частные коэффициенты прочности по нормальным и касательным напряжениям:
.
Общий коэффициент запаса прочности по пределу текучести при совместном действии нормальных и касательных напряжений:

8.2 Промежуточный вал

Самым опасным сечением будет сечение II
-
II
.
Моменты сопротивления при изгибе, при кручении и площадь
Для сплошного круглого сечения:


Нормальные и касательные напряжения:
; ,
где - суммарный изгибающий момент, здесь - коэффициент перегрузки;
- крутящий момент, - осевая сила.
тогда напряжения в этом сечении:
;
.
Частные коэффициенты прочности по нормальным и касательным напряжениям:
.
Общий коэффициент запаса прочности по пределу текучести при совместном действии нормальных и касательных напряжений:

8.3 Тихоходный вал

Самым опасным сечением будет сечение I
-
I
.
Моменты сопротивления при изгибе, при кручении и площадь
Для сплошного круглого сечения:

.
Нормальные и касательные напряжения:
; ,
где - суммарный изгибающий момент, здесь - коэффициент перегрузки;
- крутящий момент, - осевая сила.
тогда напряжения в этом сечении:
;
.
Частные коэффициенты прочности по нормальным и касательным напряжениям:
.
Общий коэффициент запаса прочности по пределу текучести при совместном действии нормальных и касательных напряжений:

9. Выбор смазочных материалов и системы смазывания
Для смазывания передач широко применяют картерную систему. В корпус редуктора заливают масло так, чтобы венцы колес были в него погружены. Колеса при вращении увлекают масло, разбрызгивая его внутри корпуса. Масло попадает на внутренние стенки корпуса, откуда стекает в нижнюю его часть. Внутри корпуса образуется взвесь частиц масла в воздухе, которая покрывает поверхность расположенных внутри корпуса деталей. В нашем случае необходимо, чтобы в масляную ванну были погружены зубчатые колеса обеих передач.
Допустимый уровень погружения колеса быстроходной ступени в масляную ванну:

Допустимый уровень погружения колеса тихоходной ступени в масляную ванну:

Погружаем колесо тихоходной ступени на 64 мм, тогда соответственно колесо быстроходной ступени погрузится в масло на 14,5 мм.
Требуемый объем масла будет равен примерно равен л. Принцип назначения сорта масла следующий: чем выше окружная скорость колеса, тем меньше должна быть вязкость масла и чем выше контактные давления в зацеплении, тем большей вязкостью должно обладать масло. Поэтому требуемую вязкость масла определяют в зависимости от контактного напряжения и окружной скорости колес. Контактные напряжения быстроходной ступени sНБ
= 552,9 МПа.
,
где а=120мм
- межосевое расстояние быстроходной ступени ступени;
u
=5,211
– передаточное число ступени;
n
=950
– число оборотов.
.
При t
=40
o
C
, определяем кинематическую вязкость К=34мм2
/с
. По кинематической вязкости назначаем масло И-Г-А-32.
Для смазывания упругой муфты используется ПСМ Литол-24, такой же материал используется для смазки подшипников приводного вала.
10. Расчет муфт
Для соединения входного вала редуктора с волом электродвигателя назначаем компенсирующую зубчатую муфту с неметаллической обоймой ГОСТ 5006-83.
Для соединения выходного вала редуктора с валом электродвигателя используем упруго-предохранительную муфту со стальными стержнями и с разрушающимся элементом.
10.1 Подбор и проверочный расчет упругой муфты
Вращающий момент нагружающий муфту в приводе:
,
где К
- коэффициент режима работы.
При спокойной работе и небольших разгоняемых массах .
Принимаем , тогда .
Муфта будет с переменной жесткостью.
При проектировании муфты принимаем:
. Принимаем .
Диаметр самой муфты .
Принимаем .
, S – расстояние от средней плоскости муфты до точки начала контакта стержня с полумуфтой при отсутствии нагрузки. Принимаем .
- длина стержня.
Диаметр стержней:
,
где Е
– модуль упругости стали, Е=2,15.
105
МПа
;
, где а
- расстояние от средней плоскости муфты до точки начала контакта стержня с полумуфтой при передаче нагрузки. Т.к. муфта с переменной жесткостью, то ;
- угол относительного поворота полумуфт.
Выбираем материал стержней – 65С2ВА,
допускаемое напряжение которой .
.
Из ряда номинальных линейных размеров выбираем диаметр стержней .
Число стержней:
,
принимаем .
Радиус кривизны гнезда в осевом сечении:
.
10.2 Расчет и конструирование предохранительной муфты
При расчете предохранительной муфты во избежание случайных выключений за расчетный вращающий момент принимаем: .
Диаметр штифта(предохранительного элемента):
,
где z
– количество штифтов, принимаем z
=2
;
k – коэффициент неравномерности распределения нагрузок на штифт, при z
=2
k
=1,2
;
- диаметр окружности расположения штифтов;
- предел прочности штифта на срез, здесь - предел прочности материала штифта на растяжение.
Выбираем материал штифта – Сталь 45, тогда а .
, принимаем .
В момент срабатывания (при перегрузке) штифт разрушается, и предохранительная муфта разъединяет кинематическую цепь.
Список использованных источников
- М.Н. Иванов. Детали машин. М.: «Машиностроение», 1991.
- П.Ф. Дунаев, О.П.Леликов – Конструирование узлов и деталей машин. М.: «Высшая школа», 1985.
- Д.Н. Решетов – Детали машин. Атлас конструкций в двух частях. М.: «Машиностроение», 1992.
- Тибанов В.П., Варламова Л.П. Методические указания к выполнению домашнего задания по разделу «Cоединения». М., МГТУ им. Н.Э. Баумана, 1999.
|