| Содержание
1. Выбор электродвигателя и силовой расчет привода
2. Расчет закрытой цилиндрической зубчатой передачи
3. Прочный расчет валов
4. Предварительный выбор подшипников
5. Уточненный расчет валов на статическую прочность
6. Подбор подшипников и их проверка на долговечность
7. Определение размеров корпуса редуктора
8. Конструирование зубчатого колеса
9. Определение размеров крышек подшипников
10. Расчет шпонок. Проверочный расчет шпонок
11. Выбор смазки зубчатого зацепления и подшипников
Вывод
1. Выбор электродвигателя и силовой расчет привода
Р2 =4.6 квт , частота вращении ведомого вала п2
=135 об∕мин
Выбор электродвигателя
общий КПД привода:
ήобщ. = ή рп ∙ ή (1)
ή рп - кпд решенной передачи
ή-кпд зубчатой передачи редуктора с учетом потерь в подшипников
Принимаем:
ή рп = 0.95
ή= 0.97
ήобщ. = 0.95 ∙ 0.97 = 0.92
Требуется мощность электродвигателя:
Рэ = р2 ∕ ήобщ. = 4.6 ∕ 0.92 = 5 кВт (2)
Ориентированная частота вращения требуемого электродвигателя nэ принимаем U =4 – передаточное число зубчатой передачи редуктора, Uр.п =3 – передаточное число решенной передачи
Общее передаточное число привода:
Uобщ. = Uр.п ∙ U = 3 ∙ 4 =12 (3)
nэ = n2 ∙ Uобщ. = 135 ∙ 12 = 1620 об∕ мин (4)
По полученным значениям Рэ и nэ, выбираем электродвигатель. Принимаем электродвигатель с синхронной частотой вращения nс =1500 об∕ мин, тип двигателя 4АМ║2МА643,мощность Р= 5,5 кВт синхронная частота вращения n= 1445 об∕ мин
Киниматический расчет
Уточняем общее передаточное число привода
Uобщ. = n ∕ n2 ∙ 1445 ∕135 = 10.7 (5)
Производим разбивку U′общ. по ступеням, стандартное значения передаточного числа решенной передачи
Uр.п = U′общ. ∕ U = 10.7 ∕ 4 = 2.67 (6)
Частота вращения и угловые скорости вала:
вал электродвигателя
n= 1445 об∕ мин
ω = П ∙ n ∕30 = П ∙ 1445 ∕30 = 151.2 рад ∕с (7)
ведущий вал редуктора:
n1 = n ∕ Uр.п = 1445 ∕ 2.67 = 541.2 об∕ мин (8)
ω 1 = ω ∕ Uр.п = 151.2 ∕ 2.67 = 56.74 рад ∕с
Забиваем Сайты В ТОП КУВАЛДОЙ - Уникальные возможности от SeoHammer
Каждая ссылка анализируется по трем пакетам оценки: SEO, Трафик и SMM.
SeoHammer делает продвижение сайта прозрачным и простым занятием.
Ссылки, вечные ссылки, статьи, упоминания, пресс-релизы - используйте по максимуму потенциал SeoHammer для продвижения вашего сайта.
Что умеет делать SeoHammer
— Продвижение в один клик, интеллектуальный подбор запросов, покупка самых лучших ссылок с высокой степенью качества у лучших бирж ссылок.
— Регулярная проверка качества ссылок по более чем 100 показателям и ежедневный пересчет показателей качества проекта.
— Все известные форматы ссылок: арендные ссылки, вечные ссылки, публикации (упоминания, мнения, отзывы, статьи, пресс-релизы).
— SeoHammer покажет, где рост или падение, а также запросы, на которые нужно обратить внимание.
SeoHammer еще предоставляет технологию Буст, она ускоряет продвижение в десятки раз,
а первые результаты появляются уже в течение первых 7 дней.
Зарегистрироваться и Начать продвижение
ведомый вал редуктора:
n2 = n1 ∕ 4 = 541.2 ∕ 4 = 135 об∕ мин
ω 2 = ω 1 ∕ 4 = 56.74 ∕ 4 = 14.2 рад ∕с
Силовой расчет
Вращение момента на валу привода
вал электродвигателя:
М = Рэ ∕ ω = 5 ∙ 10³ ∕ 151.2 = 33 км (9)
Ведущий вал редуктора
М1 = М ∙ Uр.п ∙ ή рп = 33 ∙ 2.67 ∙ 0.95 = 83.7 км (10)
Ведомый вал редуктора
М2 = М1 ∙ U ∙ ή = 83.7 ∙ 4 ∙ 0.97 = 325 км
| вал
|
Частота вращения n1 оборотов в минуту
|
Углов скорость U1 рад ∕с
|
Вращающий момент М, Км
|
| электродвигатель
|
1620 об∕ мин
|
151.2 рад ∕с
|
33 Км
|
| ведущей
|
541.2 об∕ мин
|
56.74 рад ∕с
|
83.7 Км
|
| ведомый
|
135 об∕ мин
|
14.2 рад ∕с
|
325 Км
|
2. Расчет закрытой цилиндрической зубчатой передачи
Материалы зубчатых колес.
Сталь 45 с термообработкой – улучшенная. Выбираем 269…302 НВ; т = 650 Н ∕мн²
диаметре (предполагаемом) D ≤ 80 мм
для колеса твердость 235…262 НВ2 ; т = 540 Н ∕мн²
при предполагаемой ширине заготовки колес S ≤ 80 мм
Выбираем среднее значение твердости:
Твердость шестерни – 280 кв1;
Твердость колеса – 250 кв2
При этом НВ1 – НВ2 = 280 – 250 = 30 ( условие соблюдает)
Допускаемые контактные напряжения для материала шестерни и колеса
[ п] = ( п ∕ [Sп]) ∙кп (11)
по = 2 Нв + 70 (12)
[Sп] = 1.1
кп = 1
[ п]1 = ((2 Нв 70) [Sп]) ∙ кп = ((2 ∙ 280 + 70) : 1.1) ∙ 1 = 573 к ∕мм² (13)
Для надежности при расчете прямозубых цилиндрических передач за величину [ п] принимают меньшее значение из допускаемых [ п]1 и [ п]2
Принимаем [ п] = [ п2] = 518 к ∕мм²
Допускаемые напряжения изгиба по формуле:
[ п] = ( fo ∕ [Sf]) ∙кfc ∙кfl (14)
где fo = 1.8 Нв
[Sf] = 1.75
кfc = 1/1,8nB1; kfl =1/_1,8·280
[ fa]1= [Sf] · Kfl ∙Kfc = 1,75 =288 Н ∕мм²
[ fa]2= 1,8·250/
1,75 ·1 ·1 = 257 Н ∕мм²
Расчетные коэффициенты. Принимаем 4а=0,4 как для симметрично расположенных колес, и коэффициент Кив=1, как для прирабатывающих колёс (твердость колёс меньше 350 нв , нагрузка постоянная).
Мешаевы расстояние передачи
 
по стандарту принимаем аn=160мм.
Ширина зубчатого венца колеса: в2=ψa·am=0,4·160=64 мм
Шестерни: в1≈1,12·в2=1,12·64=71,7мм
Принимаем стандартное значение по таблице: В2=63мм; В1=71мм
Модуль зубьев по формуле:
m = _6,8М2(W+1)/4·aw·b2[Gк]2 = 6,8·325·2·10³·5/4·160·63·257 = 1,07 мм
принимаем стандартное значение m=2 мм
Сервис онлайн-записи на собственном Telegram-боте
Попробуйте сервис онлайн-записи VisitTime на основе вашего собственного Telegram-бота:
— Разгрузит мастера, специалиста или компанию;
— Позволит гибко управлять расписанием и загрузкой;
— Разошлет оповещения о новых услугах или акциях;
— Позволит принять оплату на карту/кошелек/счет;
— Позволит записываться на групповые и персональные посещения;
— Поможет получить от клиента отзывы о визите к вам;
— Включает в себя сервис чаевых.
Для новых пользователей первый месяц бесплатно.
Зарегистрироваться в сервисе
Суммарное число зубьев:
Е = 2a ω /м = 2·160/2 = 160 (17)
число зубьев шестерни
1 = Е/(4+1) = 160 : 5 = 32
2 = Е - 1 (18)
= 160-32 = 128
Фактическое передаточное число:
Иф = 2/ 1 = 128/32 = 4
- что соответствует заданному (номинальному значению)
Основные геометрические размеры передачи:
Делительные диаметры
d1 = m · 1 = 2 ·32 = 64 (19)
d2= m · 2 = 2·128 = 256
уточняем межосейное расстояние:
an = (d1 + d2)/2 = (64+256)/2 = 160мм (20)
Диаметр окружностей верхних зубьев шестерни и колеса:
da1 = d1+2м = 41+2 · 2 = 52
da2 = d2+2м =192+2 · 2 = 196
Пригодность заготовки шестерни Д и ширина S:
Д = da1 + 6мм = 52+6=58мм
Д=58мм< 80 мм
S=b2+4мм=63+4=67<80 мм
Условие пригодное заготовок выполняются последовательно, требуется механические характеристики м.б. получены при термообработке.
Выбранная сталь 45 не требует применений.
Окружная скорость зубчатых колес и степень тонкости
υ = п · n1 · d1/60 = 3.14 · 472.2 · 10³ · 63/60 = 1.6 м/с (21)
Для уменьшения динамической нагрузки применяем 8 степень точности (по таблице)
Силы в зацеплении i окружная сила
Ft = 2м2/d2 = 2
·
325
·
10³ /
256 = 2539H (22)
Fr = Ft ctg аw = 2539,1 · tg20º = 2539,1 · 0.36 = 914 H (23)
Принимаем коэффициент динамической нагрузки Knυ=1.2 (по таблице)
Рассчитываем контактное напряжение.
n = 310/aw · n (24)
н = 310/160 · 4 = 0,48 = 0,48 879,6 = 422 н/мм
по условию
n² (0.8м · 1.1); [Gн] = (0.8 м · 1,1)518 = 414 и 570 н/мм²
Т.к. расчетное Gn=412 н/мм² находится в пределах допускаемых значений напряжений, то контактная прочность зубьев обеспечивается
Коэффициент формы зуба Јf :
для шестерни : 1 = 32; Јf1=3,78
для колеса: 2 =128; Јf2=3,6
сравнительная характеристика прочности зубьев на изгиб
Шестерни: [ n]1/ Јf1 = 288/3,78 = 76,2 н/мм²
колеса : [ n]2/ Јf2 = 257/3,6 = 71, 4 н/мм²
Прочность зубьев колеса оказалась менее прочности зубьев шестерни.
[ n]1/ Ј f1<[ n]1/Ј f2
- поэтому проверенный расчет передачи на изгиб надо выполнять по зубьям колеса.
Принимаем коэффициенты: К Fв=1 К Fυ=1,4
Расчетное напряжение изгиба в основании ношии зубьев колеса:
f2= Ј f2 · Pt/В2м k pв Kpv = 3.6 · 2539.1/63 · 2 · 1 · 1.4 = 101.6 н/мм²<
[ f]2=257 н/мм (25)
Прочность зубьев на изгиб обеспечивается.
3. Прочный расчет валов
Выбор материалов валов.
Для ведущего и ведомого вала выбираем ст.45 с термообработкой улучшения с механическими
Характеристиками НВ 240 т = 650 н/мм², в = 800 н/мм²
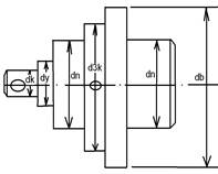
Ведущий вал.
Выбираем конструкцию вала

Определяем диаметр выходного конца вала по формуле
dк=
(26)
где диаметр dn диаметр пальцевого участка вала.
М1 (ИМ)- вращающий момент на ведущем валу редуктора.
[τк] 20…25 н/мм², допускаемое касательное напряжения .
dк = =25,6 мм
по стандарту принимаем dk = 26 мм
где dy - диаметр участка вала под уплотнением.
dy=26+4=30мм
dn=30+5=35мм
dw=35+5=40мм
Ведомый вал.
Выбираем конструкцию вала.

М2 = 325 мм
τ= 25
dk = = 40,1 мм
по стандартному выбираем
dy =42 мм
dy = 42+3=45 мм dn = 45+5=50 мм
dзк = 50+2=52 мм dб = 52+3=55 мм
4. Предварительный выбор подшипников
Предварительный выбор ведущего вала.
dn = 35 мм легкой серии №207
Д=72 мм
В1=17 мм
Предварительный выбор ведомого вала
dn = 50 мм легкой серии №210
Д=90 мм
В1=20мм
5. Уточненный расчет валов на статическую прочность
Ведущий вал.
Чертим расчетную схему вала.
Определяем расстояние между опорами и силами зацепления
l1 = l1′= x+y+b1/2+ b1/2 м (1) [3]
где х =10мм расстояние от стенки корпуса до шестерки:
b1=71 мм b1- ширина шестерни
B1 – это ширина подшипника
Ј – 20 мм расстояние от подшипника
l1 = l1′= 10+ 20+71/2+17/2 = 30+35,5+8,5 = 74мм = 0,074м
Определяем реакции опор в вертикальной плоскости
R ay = R ву = Fr
1/
2= 914/
2 = 457 Н (27)
Fn1 – рациональная нагрузка на материи R

Определяем реакцию опор в горизонтальной плоскости.
R ах = Rвх= Ft /2=2539.1/2 = 1269.6 Н
Определим изгиб момента в вертикальной плоскости и построим эпюру моментов
М ах= 0 М вх = 0
М сх = - R ау · l1= - 457 · 0.074 = - 33.82 Hм
Определим изгиб момента.
Мау = 0 Мву = 0
Мсу = -Rax · l1= -1269.6 · 0.074=m-33.82 Нм
Определяем крутящий момент.
Мк = М1 = 83,7 и.м
Определяем суммарный изгибающий момент в сечении.
Мкс = = = = =99,85 Hм (28)
Определим эквивалентный момент в сечении.
Мэ = = = = 130,2 Hм
Определим диаметр вала в опасном сечении.
dm = = = =29,6 мм (29)
Находим диаметры остальных участков вала исходя из dш
dn = dш
(-2...5)= 30-5 = 25 мм
dу = dn (-2,,,5) = 25-3 = 22 мм
dn = dу (-2...5) = 22-2 = 20 мм
.2. Ведомый вал.
l
2 =
l
2' =
x
+
y
+ в 2/2 +
В2/2 (30)
В2 =20 мм
в 2=
63 мм
l
2=
l
2'
=10+20 +63/2+20/2= 40+31.5 = 71.5 мм = 0.072м
Ray = 457 н
Rax = 1269,6 н

Мсх = - Ray · l
1 = -475 · 0,072 = - 32,9нм
Определим изгиб момента.
Мсу = Raх · l
1 = - 1269,6 · 0,072 = - 91,41 нм
Мк = М2 = 325 и.м
Мuc = = = 97,2 нм
Мэ = = = 339,3 нм
dyk = = 40,8
dn = dш –
(2…5) = 42 – 2 = 40 мм
dу = dn (- 2 …5) = 40 - 4 = 36 мм
dк = dу ( - 2 …5) = 36 – 4 = 32 мм
6. Подбор подшипников и их проверка на долговечность
Ведущий вал.
суммарная радиальная опора реакции:
Rra = Rrв = = = 1349,35 Кn (31)
Выбор типа подшипника.
Для опор валов цилиндрических колес при отсутствии осевой силы принимаем радиальные однорядные шарикоподшипники.
Проверяем возможность установки подшипника средней серии № 305
d = 25мм
Д
= 62мм
В = 17 мм
Сr = 22.5
Выбор коэффициентов в соответствии с условиями работы подшипников принимаем коэффициенты:
V = 1; Кб= 1.4 ; Кт = 1; а1 = 1; а23 =
0,7.
Определяем эквивалентную динамическую нагрузку.
Rэ∆ = Rэв = Rэ = V · R ra · Кб · Кт = 1 · 1349,35 · 1.4 · 1 = 1889.09 н = 1.89Кн
Базовая долговечность подшипника.
L10 = a1 · а23
· (
C
r/ Rэ) = 1 · 0,7 (22.5 : 1.89)³ = 1179.61 г
(32)
Базовая долговечность подшипника.
L10h
=
10³·
L
10/
60r1=10·179.61/
60·541.2 =36326.99 ч>
[L10h
]=10000ч-
долговечность обеспечена
Ведомый вал.
Суммарная радиальная опорная реакция: Rra = 1349.35 h
выбор типа подшипника для опор валов цилиндрических колес при отсутствии осевой силы принимаем радиальные однорядные шарикоподшипники.
Проверяем возможность установки подшипника легкой серии № 208
d = 40 мм В = 18 мм
Д
= 80 мм C = 32
6.2.3. Выбор коэффициентов в соответствии с условиями работы подшипников , принимаем коэффициенты:
V = 1; Кб = 1.4; Кт = 1; а1 = 1; а23 =
0,7.
Определяем эквивалентную динамическую нагрузку:
Rэа = Rэв = Rэ = V·Rra·Кб·Кт = 1· 1349.35 ·1.4 ·1 = 1889.09 n = 1.89 Kn (34)
Базовая долговечность подшипника.
L10 =1· 0.7 · (32/1.89)³ = 0.7 · 4826.81 = 3378.77 (ч)
Базовая долговечность подшипника
L10h
= 10³ · 3378.77/
60·135= 41713.09 (ч ) -
долговечность обеспечена
7. Определение размеров корпуса редуктора
Толщина степени основания корпуса
Sкп= ≥6 (35)
Sкр= =4,78 мм
Принимаем Sкорп = 6мм
Толщина степени основания корпуса.
Sкр = 0.9 Sкорп. > 6мм (36)
Sкр = 0.9· 6 = 5.4 мм
Принимаем Sкр = 6 мм
Толщина ребра в основании
Sреб = Sкорп = 6 мм
Толщина подъемного уха в основании:
Sу = 2.5 Sкр = 2.5 · 6 = 15 мм (37)
Диаметр стяжного болта
dб = ≥10 (38)
dб = = 6,87мм
Диаметр штифтов:
dшт = ( 0.7 ....0.8) dб = 0.8 ·10 = 8 мм (39)
Толщина фланга по разъему :
Sфл = 1.5· dб = 1.5 · 10 = 15 мм (40)
Диаметр фундаментального болта
dб = ≥ 1,2 (41)
dб = = 8.65мм
принимаем dф = 12 мм
Толщина лампы фундаментального болта:
Sф = 1.5 · dф = 1.5 · 12 = 18 мм (42)
Высота центров редуктора:
Н0 = ( 1 … 1.12 ) · aw = 1 · 160 = 160 мм (43)
Расстояние между торцом шестерни (вдоль оси) и выступающими элементами части корпуса :
Δ1 = 0.8 Sкорп (44)
Δ1 = 0.8 · 6 = 48 мм
Ширина пояса жесткости (фланца)
в
ф ≥ 1.5 dф
в
ф = 1.5 ∙ 12 = 18 мм
Расстояние между зубьями колеса в радиальном направлении и торцом фланга, днищем основания:
Δ2 = 1.2 · Sкорп = 1.2 · 6 = 7.2 мм
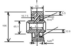
8. Конструирование зубчатого колеса
Выбираем конструкцию колеса.

Обод ( элемент колеса)
Диаметр : da = 196 мм
Толщина:
S = 2.2 · т
+ 0.05 в2 = 2.2 · 1.07 + 0.05 ·
63 = 5.5 мм (46)
Ширина: в2 =
63 мм
Ступица.
Диаметр внутренний: d = d3К =42мм
Диаметр наружный: dСТ = 1.55 · d = 1.55 · 42 = 65.1 мм (47)
Толщина: Sст = 0.3 · d = 0.3 · 42 = 12.6 мм
Длина: l
ст = 1.5 d = 1.5 · 42 = 63 мм (48)
Диск
Толщина:
С = 0.5 (S + S ст) = 0.25· в2 =
0.25 · 63 = 15.75мм (49)
Радиусы закругленный и уклон:
R = 6 J >7°
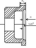
9. Определение размеров крышек подшипников
Выбираем конструкцию крышек подшипников.
Принимаем крышки врезанные с отверстиями и глухие:

Ведущий вал.
Д = 62 мм h
1
= 5 мм
Д0 = 67мм l
= 8 мм
Д3 = 52мм l
1 = 2 мм
h
= 14мм В = 10 мм
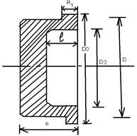
Ведомый вал.
Д = 80 мм h
1
= 5мм
Д0 = 85мм l
= 10мм
Д3 = 72мм l
1 = 2мм
h
= 16мм В = 10мм
10. Расчет шпонок. Проверочный расчет шпонок
Ведущий вал.
Для диаметра вала d = 20мм принимаем размеры сечения шпонки:
в
= 6мм t2 = 2.8 мм
h
=
6 мм l
ст = 36 мм t1 = 3.5мм
Расчет длины шпонки и рабочей длины:
l
ш
= (5…10) l
ст
l
ш =
36 -8 = 28 мм
l
р = l
ш
- в
= 28 – 6 = 22 мм (50)
Расчетное напряжение смятия:
см = 2М1/
D ( h – t1) l
р= < [G] см = 190 и/мм (51)
см = 2· 83.7 ·10³/
20(6 – 3.5 )· 22= 152.18 и/мм
Прочность на смятие обеспечивается.
Ведомый вал
Для диаметра вала d = 32 мм принимаем размеры сечения шпонки:
в
= 10мм t2 = 3.3 мм
h
= 8 мм l
ст = 42мм
t1 = 5мм
Расчет длины шпонки и рабочей длины:
l
ш
= 42 – 8 = 34мм
l
р = 34 – 10 = 24 мм
10.2.3. Расчет напряжения смятия:
см = 2М2/
D ( h – t1) l
р = < 190 и/мм
см = 2· 83.7 ·10³
/
32(8 – 5 )· 24= 72.66и/мм
Прочность на смятие обеспечена.
11. Выбор смазки зубчатого зацепления и подшипников
Смазывание зубчатого зацепления.
Для редукторов общего назначения применяют непрерывное смазывание жидким маслом катерным непрочным способом ( окупанием).
Этот способ применяют для зубчатых передач при окруженных скоростях от 0.3 до 12.5 м/с.
Выбор сорта масла зависит от назначения расчетного контактного напряжения в зубьях Gn и фактической скорости υ. Gn = 422.0 н/мм², υ = 1.6 м/с
В соответствии с полученными значениями выбираем сорта масла И-Г-А-68 Гост 17479 4-87
Смазывание подшипников.
При окруженных скоростях υ<2м/с
Полость подшипника, смазывается пластичным материалом и должна быть закрыта с внутренней стороны подшипникового узла внутренним уплотнением.
Размер внутренней полости корпуса под эластичный материал должны иметь глубину с каждой стороны подшипника примерно ¼ его ширины.
Смазочный материал набивают в подшипник вручную при снятой крышке подшипникового узла на несколько лет. Смену смазочного пластичного материала производят при ремонте.
Выбираем для смазки подшипниковый солидол жировой Гост 1033 – 79.
Вывод
В курсовом проекте был выполнен проектный расчет редуктора, сборочный чертеж вала, ведомого и зубчатого колеса.
|