Впровадження нової конструкції пружної муфти
Міністерство освіти і науки України
Житомирський державний технологічний університет
Кафедра менеджменту і маркетингу
Група МС–112м
Курсова робота з курсу
«Інноваційний менеджмент»
на тему
«ВПРОВАДЖЕННЯ НОВОЇ КОНСТРУКЦІЇ
ПРУЖНОЇ МУФТИ»
Житомир
ЗМІСТ
Вступ
Розділ 1. Теоретичні основи інноваційного менеджменту
1.1 Інноваційна стратегія, менеджмент інновацій, їх суть і взаємозв’язок
1.2 Державне регулювання інноваційної діяльності в економіці України
Розділ 2. Аналіз об’єкта дослідження
2.1 Аналіз конструкцій та застосування муфт в галузі машинобудування
2.2 Дослідження конкурентних позицій на ринку муфт з неметалевими пружними елементами
Розділ 3. Інноваційна пропозиція
3.1 Формування інноваційної стратегії впровадження нової конструкції пружної муфти
3.2 Економічна ефективність інноваційної діяльності при впровадженні нової конструкції пружної муфти
Висновки
Список використаної літератури
ВСТУП
На початку ХХІ століття процес створення та нагромадження нових знань привів до переходу до якісно нового стану: знання стали самостійною продуктивною силою. Сучасна “нова економіка” – це виробництво і використання нових знань, перетворення їх на повноцінний фактор виробництва, який відіграє провідну роль у системі факторів. Знання визначальним чином впливають не лише на сферу виробництва, але й на структуру та обсяги споживання. Переважна частина товарів, що споживаються мешканцями найбільш розвинених країн світу складається з видів, потреба в яких та вміння користування якими стали можливими лише завдяки найновітнішим досягненням науки і техніки. За таких умов важливість дослідження ринкової кон’юнктури, індивідуалізації підходів до споживача та продукту піднімається на значно вищий щабель.
В сучасному світі відбувається переоцінка основних цінностей. Від економічної спрямованості суспільство переходить до інноваційної, від нагромадження матеріального багатства як основи особистого добробуту – до нагромадження інформації як основи суспільного прогресу. Не так володіння матеріальними благами, як володіння інформацією та інтелектуальним потенціалом визначають місце людини в сучасному суспільстві. Інвестиції в людський капітал і формування на цій основі інтелектуального капіталу суспільства перетворюються на пріоритетний загальнонаціональний інтерес.
Забиваем Сайты В ТОП КУВАЛДОЙ - Уникальные возможности от SeoHammer
Каждая ссылка анализируется по трем пакетам оценки: SEO, Трафик и SMM.
SeoHammer делает продвижение сайта прозрачным и простым занятием.
Ссылки, вечные ссылки, статьи, упоминания, пресс-релизы - используйте по максимуму потенциал SeoHammer для продвижения вашего сайта.
Что умеет делать SeoHammer
— Продвижение в один клик, интеллектуальный подбор запросов, покупка самых лучших ссылок с высокой степенью качества у лучших бирж ссылок.
— Регулярная проверка качества ссылок по более чем 100 показателям и ежедневный пересчет показателей качества проекта.
— Все известные форматы ссылок: арендные ссылки, вечные ссылки, публикации (упоминания, мнения, отзывы, статьи, пресс-релизы).
— SeoHammer покажет, где рост или падение, а также запросы, на которые нужно обратить внимание.
SeoHammer еще предоставляет технологию Буст, она ускоряет продвижение в десятки раз,
а первые результаты появляются уже в течение первых 7 дней.
Зарегистрироваться и Начать продвижение
Інноваційний тип економічного розвитку дедалі більше стає тим фундаментом, який визначає економічну міць країни та її перспективи на світовому ринку. В свою чергу інноваційна діяльність є складним процесом трансформації новоотриманих ідей та знань в об’єкт економічних відносин.
Зрозуміло, що такий процес становить складну багаторівневу систему економічних відносин щодо “уречевлення” знань, якій властиві специфічні взаємозв’язки та закономірності. З огляду на значну, часом визначальну роль, яку інноваційні процеси відіграють в сучасній економіці, визначення та врахування цих особливостей є неодмінною умовою забезпечення ефективності економічної стратегії держави.
Необхідність активізації інноваційної діяльності в Україні очевидна. Перехід до інноваційного типу економічного зростання є для неї неодмінною умовою входження на рівних у світову економічну систему. А це передбачає цілеспрямовані зусилля держави для формування сприйнятливої до інновацій економічної системи, створення такого механізму економічної взаємодії суб'єктів господарювання, за якого б конкурентні переваги здобувалися лише завдяки активній інноваційній діяльності і ефективним інноваційним рішенням.
Таким чином, модернізація української економіки на засадах інноваційного розвитку має забезпечуватися комплексним застосуванням усіх доступних важелів економічної політики та запобіганням конфлікту між їхніми впливами та між вирішенням стратегічних та поточних завдань. За цих умов інноваційна стратегія як така, що за визначенням веде до підвищення рівня прибутковості національних підприємств, може стати реальним полем для багатогранної співпраці держави і бізнесу.
РОЗДІЛ 1
ТЕОРЕТИЧНІ ОСНОВИ ІННОВАЦІЙНОГО МЕНЕДЖМЕНТУ
1.1 Інноваційна стратегія, менеджмент інновацій, їх суть і взаємозв’язок
Діяльність кожної організації спрямована на задоволення потреб споживачів відповідного сегмента ринку. Незалежно від того, до якої галузі вона належить, яких споживачів обслуговує, поряд із нею на ринку функціонують інші підприємницькі структури, що займаються аналогічною діяльністю. Чим привабливіший з погляду доходів ринковий сегмент, тим щільніша на ньому конкуренція. Конкурентна боротьба між суб'єктами господарювання змушує їх дбати про ефективність своєї діяльності, що можливо лише за умов систематичних нововведень у виробничий процес з метою вдосконалення способу виготовлення продукції, і в саму продукцію для її модифікації, надання нових властивостей, поліпшення дизайну, експлуатаційних характеристик, що формує її вищу споживчу цінність і робить привабливішою для покупців. Отже, здатність суб'єктів господарювання створювати те, чого ще немає на ринку товарів і послуг, але потрібне споживачам, забезпечує умови їх тривалому існуванню і розвитку.
Сервис онлайн-записи на собственном Telegram-боте
Попробуйте сервис онлайн-записи VisitTime на основе вашего собственного Telegram-бота:
— Разгрузит мастера, специалиста или компанию;
— Позволит гибко управлять расписанием и загрузкой;
— Разошлет оповещения о новых услугах или акциях;
— Позволит принять оплату на карту/кошелек/счет;
— Позволит записываться на групповые и персональные посещения;
— Поможет получить от клиента отзывы о визите к вам;
— Включает в себя сервис чаевых.
Для новых пользователей первый месяц бесплатно.
Зарегистрироваться в сервисе
Складність і надзвичайно висока рухливість ринкових процесів, поява нових запитів і зміна позицій споживачів, масштабні технологічні зрушення, стрімкий розвиток інформаційних мереж, а отже, швидке поширення та отримання інформації, її доступність не тільки ускладнюють роботу підприємств, а й сприяють появі нових, часто несподіваних можливостей для бізнесу, що ґрунтуються на інноваційних баченнях.
Отже, за допомогою інновації організація здатна конкурувати на ринку, що потребує пильної уваги менеджерів усіх рівнів до формування системи управління новаціями.
Новація – це нові порядок, звичай, метод, продукт, які можуть бути використані у суспільному виробництві та споживанні.
Новація
(лат. novatio – оновлення, зміна) – продукт інтелектуальної діяльності людей, оформлений результат фундаментальних, прикладних чи експериментальних досліджень у будь-якій сфері людської діяльності, спрямований на підвищення її ефективності.
Новаціями є відкриття, винаходи, нові або вдосконалені процеси, структури, методики, стандарти, результати маркетингових досліджень тощо. Однак для усвідомлення цінності новації, а значить, доцільності її впровадження, необхідний певний час. Період між появою новації і її впровадженням називають інноваційним лагом.
Новація після прийняття до реалізації та розповсюдження набуває нової якості – стає інновацією. Отже, світова економічна думка інтерпретує інновацію як перетворення потенційного науково-технічного прогресу на реальний, утілений в нових продуктах і технологіях.
Інновація переводить виробничий організм у новий стан. Упровадження новацій відбувається цілеспрямовано, з метою поліпшення функціонування підприємства, тому можна стверджувати, що інновація є цільовою зміною підприємства як системи, завдяки якій створюється новий засіб для задоволення певної потреби людей.
Система менеджменту організацій, які використовують підприємницький, інноваційний підхід до свого функціонування і розвитку, покликана розв'язувати низку завдань, інколи суперечливих і навіть взаємовиключних:
· постійне оновлення асортименту продукції та послуг;
· оновлення і створення нових виробничих систем;
· нарощення ефективності виробничо-збутової діяльності, передусім шляхом підвищення продуктивності праці персоналу і зниження всіх видів витрат;
· розроблення і реалізація стратегії і тактики боротьби за лідерство на основі концентрації зусиль і ресурсів на найперспективніших напрямах розвитку техніки, технології, потреб, ніш і сегментів ринку;
· підпорядкування діяльності всіх підрозділів виробничих систем режиму складного відтворювального конвеєра нововведень;
· поєднання гнучкості та адаптивності дрібносерійного виробництва з високою ефективністю, низькими витратами і високою продуктивністю масового виробництва.
Розв'язання цих завдань забезпечується створенням динамічної і гнучкої системи управління, яка спирається на широке делегування повноважень тим рівням менеджменту, що можуть продукувати інноваційні ідеї і втілювати їх у життя. А координація усіх робіт із залучення інновацій у практику роботи підприємства чи їх створення власними силами здійснюється підсистемою інноваційним менеджментом.
Інноваційний менеджмент
(англ. management – управління) – підсистема загального менеджменту, метою якої є управління інноваційними процесами в організації.
Він покликаний забезпечувати реалізацію стратегічних цілей організації. Його завданням є ефективне управління процесом розроблення, упровадження, виробництва та комерціалізації інновації з узгодженням відповідних управлінських рішень із системою операційного (виробничого), маркетингового фінансового і кадрового менеджменту. Інноваційний менеджмент спрямований на формування в організації властивостей, необхідних для її функціонування і розвитку цілісності, адаптивності, синергізму.
Інноваційний менеджмент слід розглядати не лише як складову системи загального менеджменту організації, а і як одну з функціональних систем управління нею.
Інноваційний менеджмент як система
– сукупність економічних, мотиваційних, організаційних і правових засобів, методів і форм управління інноваційною діяльністю організації з метою оптимізації економічних результатів її господарської діяльності.
Теоретичною основою інноваційного менеджменту є економічна теорія, що вивчає закони та закономірності динамічних систем, і теорія загального менеджменту організацій, яка формує принципи, функції, форми й методи управління цілеспрямованою діяльністю людей у процесі реалізації цілей функціонування і розвитку організації.
Інноваційний менеджмент як система є сукупністю дій, які стосуються обґрунтування, прийняття, реалізації управлінських рішень щодо створення та впровадження новацій в організації і спрямовані на визначення стратегічних інноваційних цілей, адекватних загально-корпоративній стратегії; формування інноваційної стратегії та інноваційної політики; оптимізацію організаційно-структурних форм управління інноваціями; розроблення технології обґрунтування і прийняття інноваційних рішень; вибір методів впливу на поведінку учасників інноваційного процесу з метою формування взаємовигідних економічних відносин.
Стратегічне управління інноваціями
є складовою інноваційного менеджменту. Воно вирішує широкий спектр питань планування та реалізації інноваційних проектів і програм, які розраховані на якісні зміни в діяльності організації на ринку, виробництві або соціальній сфері підприємства (організації).
Поняття «стратегія» (грец. strategos – мистецтво перемагати) у сучасному розумінні – це сукупність усіх дій управлінського характеру, спрямованих на зміцнення позицій організації (підприємства, корпорації) і задоволення споживачів, які сприяють досягненню місії та цілей організації.
Стратегія – це комплексний план, що орієнтує організацію не на сьогодення, а на перспективу. Метою стратегії є забезпечення не стільки поточного успіху, скільки прискореного постійного розвитку організації в умовах конкуренції, лідерства на ринку.
Інноваційна стратегія
– один із засобів досягнення цілей організації, який відрізняється від інших засобів своєю новизною, передусім для даної організації, для галузі ринку, споживачів, країни в цілому.
Стратегія нововведень (інноваційна політика) передбачає об'єднання цілей технічної політики та політики капіталовкладень і спрямована на впровадження нових технологій і видів продукції, послуг. У цьому розумінні стратегічне управління інноваціями орієнтується на досягнення майбутніх результатів безпосередньо через інноваційний процес.
За своїм змістом інноваційна стратегія враховує основні базисні процеси в організації і в її зовнішньому середовищі, можливості зростання інноваційного потенціалу організації. Саме інноваційні стратегії є основою сучасного інноваційного менеджменту в умовах постійних змін навколишнього середовища.
В основі розробки інноваційної стратегії мають лежати стратегічні управлінські рішення, які:
· орієнтовані на майбутнє і на постійні зміни середовища;
· пов'язані з залученням значних матеріальних ресурсів, широким використанням інтелектуального потенціалу;
· характеризуються гнучкістю, здатністю адаптуватися до змін ринкових умов;
· ураховують неконтрольовані організацією зовнішні чинники.
Інноваційними стратегіями можуть бути: інноваційна діяльність організації, що спрямована на одержання нових продуктів, технологій і послуг; застосування нових методів НДДКР, виробництва, маркетингу й управління; перехід до нових організаційних структур; застосування нових видів ресурсів і нових підходів до використання традиційних ресурсів.
Відносно внутрішнього середовища інноваційні стратегії підрозділяються на кілька великих груп: продуктові (портфельні, підприємницькі, бізнес-стратегії, скеровані на створення і реалізацію нових виробів, технологій і послуг); функціональні (науково-технічні, виробничі, маркетингові, сервісні); ресурсні (фінансові, трудові інформаційні, матеріально-технічні); організаційно-управлінські (технології, структури, методи управління). Це спеціальні інноваційні стратегії.
Інноваційні стратегії є також однією зі складових економічної стратегії і з цього боку можуть розглядатися як набір правил, методів і засобів пошуку найкращих перспективних для організації напрямів розвитку науково-технічних досліджень, ресурсної політики для їх реалізації.
В основі розробки інноваційної стратегії лежать такі підходи:
· визначення пріоритетних напрямів інноваційної діяльності, виходячи з цілей і завдань базисних стратегій фірми;
· скорочення кількості рівнів в управлінні з метою прискорення процесу «дослідження – виробництво – збут»;
· максимальне скорочення строків розроблення інноваційних проектів і впровадження нововведень, використовуючи певні принципи організації роботи: паралельне та інтегральне вирішення інноваційних завдань.
Прийняття інноваційної стратегії здійснюється на вищому рівні керівництва організацією й управління службою НДДКР. Вище керівництво встановлює орієнтири для керівників служб НДДКР, які вони використовують для визначення локальних цілей і стратегій, приймають рішення відносно обсягу, інтенсивності роботи, характеру використання одержаних результатів. Виходячи з зазначеного, розрізняють такі групи стратегічних рішень:
· виділення асигнування;
· фундаментальні дослідження;
· оцінка результатів;
· відкриття;
· патенти;
· сфери та напрями досліджень;
· звіти про дослідження;
· товарний знак.
На середньому рівні управлінської ієрархії приймаються рішення щодо визначення конкретних цілей НДДКР, строків одержання результатів досліджень і розробок та їх реалізації з метою забезпечення швидкого виходу інновацій на ринок.
Обмежені ресурси і матеріально-технічна база мають використовуватись таким чином, щоб забезпечити максимальне зростання вартості капіталу. Зазвичай це пов'язано з вибором певної лінії поведінки з деякої кількості альтернатив. Для того щоб в умовах невизначеності вибрати її оптимальний варіант, необхідно мати комплекс правил для прийняття інноваційних рішень, які максимізують або мінімізують очікувані результати, а також ураховувати інфраструктурне забезпечення інноваційної стратегії.
Як свідчать теорія і практика, інноваційні стратегії через свої особливості є, з одного боку, ефективним управлінським інструментом, а з іншого – створюють низку проблем в управлінні організацією. Інноваційні стратегії:
· прискорюють постійний розвиток організації в умовах ринку;
· забезпечують переваги в конкуренції на основі лідерства в технології, якості продукції, послуг;
· визначають позицію на ринку, набір основних товарних ліній;
· сприяють лідерству в цінах;
· створюють основу для суспільного визнання фірми (організації).
З іншого боку, інноваційні стратегії створюють для проектного, корпоративного, інноваційного управління складні умови, серед них, зокрема:
· підвищений рівень невизначеності кінцевих результатів за строками, витратами, якістю й ефективністю, що потребує розвитку такої специфічної функції, як управління інноваційними ризиками;
· підвищення інвестиційних ризиків проектів і особливо довгострокових, що потребує пошуку більш ризикових інверторів;
· збільшення потоку змін в організації, реалізація будь-якої інноваційної стратегії пов'язана з неминучістю перебудови (реструктуризації) організації, оскільки зміна в системі будь-якого елементу веде до змін стану всіх інших.
Вирішення цих та інших проблем потребує від інноваційного менеджменту поєднання інтересів і узгодженості рішень стратегічного, науково-технічного, маркетингового, виробничого напрямів, що забезпечить координацію й ефективність дій.
Реальна практика розроблення інноваційних стратегій складна, бо за своєю сутністю будь-які стратегічні заходи, що їх проводять підприємства, як уже зазначалось, мають інноваційний характер, адже вони до певної міри ґрунтуються на нововведеннях. Управління інноваціями зачіпає як концептуально-підприємницькі, так і організаційно-процедурні аспекти стратегічного розвитку підприємства і, таким чином, реалізує свою функцію через підсистеми загального стратегічного управління.
1.2 Державне регулювання інноваційної діяльності в економіці України
Завданням кожної держави як суб'єкта управління соціально-економічним розвитком країни є формування економічної політики, яка відповідатиме загальнонаціональним стратегічним цілям та інтересам. Не є винятком і Україна, стратегічне завдання якої полягає в економічному зростанні та піднесенні добробуту народу через реалізацію інноваційної моделі розвитку. Однак для цього необхідно не лише декларувати бажання перейти до принципово нової моделі розвитку, заснованої на всебічному використанні людського інтелекту і результатів його роботи, втілених в інноваціях, а й передусім сформувати інституційне середовище, сприйнятливе до інноваційних процесів.
Державна інноваційна політика
– сукупність форм і методів діяльності держави, спрямованих на створення взаємопов'язаних механізмів інституційного, ресурсного забезпечення підтримки та розвитку інноваційної діяльності, на формування мотиваційних факторів активізації інноваційних процесів.
Головна мета державної інноваційної політики полягає у створенні соціально-економічних, організаційних і правових умов для ефективного відтворення, розвитку й використання науково-технічного потенціалу країни, забезпечення впровадження сучасних екологічно чистих, безпечних, енерго- та ресурсозберігаючих технологій, виробництва та реалізації нових видів конкурентоспроможної продукції. Дії і заходи держави у сфері регулювання інноваційних процесів мають бути виваженими, достатньо обґрунтованими, оскільки від цього залежить їх ефективність.
Негативні наслідки прояву кризових явищ в економіці України та їх переплетіння у сфері науки, освіти, техніки і технологічного розвитку зумовили суттєве гальмування інноваційних процесів. Бюджетне фінансування науково-технічної сфери рік за роком неухильно зменшується‚ залишається низьким рівень впровадження у виробництво результатів досліджень та розробок‚ наука поступово перестає бути суспільно визнаною пріоритетною сферою діяльності держави. Відбувається незворотна втрата інтелектуального потенціалу країни.
В Україні ще не склався дійовий механізм інвестування масштабних технологічних змін. Існуючі державні науково-технічні програми часто не забезпечують кінцевих результатів. Міністерства та відомства обтяжені соціальною необхідністю підтримки традиційних виробництв‚ не мають достатніх коштів для інноваційної трансформації своїх галузей. Недержавні комерційні структури ще не можуть здійснювати довгострокові проекти‚ які б забезпечували базові технологічні зміни. Іноземні інвестиції здебільшого спрямовані на підтримку традиційних для України виробництв‚ які мають експортну перспективу у короткостроковому періоді.
Основним недоліком здійснюваної інноваційної політики залишається її переважна спрямованість на управління “процесом”‚ а не “кінцевими результатами” технологічних змін. Треба створювати матеріально-технічне підґрунтя для системи стимулів та необхідних організаційно-технологічних умов ефективної роботи‚ хоча би‚ найкращої частини науково-технічного та виробничого потенціалу. Тому при вдосконаленні інноваційної політики є дуже важливим створювати стимулююче економіко-правове середовище саме тим суб`єктам циклу “наука–техніка–виробництво”‚ які забезпечують позитивні кінцеві результати своєї діяльності.
Державна інноваційна політика повинна стати найважливішою підоймою діяльності по виведенню економіки України з кризи і забезпечення її динамічного зростання. Головною метою такої політики є створення соціально-економічних, організаційних і правових умов для ефективного відтворення, розвитку й використання науково-технічного потенціалу країни, забезпечення впровадження сучасних екологічно чистих, безпечних, енерго- та ресурсозберігаючих технологій, виробництва та реалізації нових видів конкурентноздатної продукції.
Основними принципами державної інноваційної політики є:
· орієнтація на інноваційний шлях розвитку економіки України;
· визначення державних пріоритетів інноваційного розвитку;
· формування нормативно-правової бази у сфері інноваційної діяльності;
· створення умов для збереження, розвитку і використання вітчизняного науково-технічного та інноваційного потенціалу;
· забезпечення взаємодії науки, освіти, виробництва, фінансово-кредитної сфери у розвитку інноваційної діяльності;
· ефективне використання ринкових механізмів для сприяння інноваційній діяльності, підтримка підприємництва у науково-виробничій сфері;
· здійснення заходів на підтримку міжнародної науково-технологічної кооперації, трансферу технологій, захисту вітчизняної продукції на внутрішньому ринку та її просування на зовнішній ринок;
· фінансова підтримка, здійснення сприятливої кредитної, податкової і митної політики у сфері інноваційної діяльності;
· сприяння розвиткові інноваційної інфраструктури;
· інформаційне забезпечення суб’єктів інноваційної діяльності;
· підготовка кадрів у сфері інноваційної діяльності.
Держава здійснює активну інноваційну політику на підставі використання прямих та непрямих інструментів економічного впливу, а також шляхом створення стимулюючого законодавчого та інституційного середовища для всіх суб`єктів інноваційного процесу.
Держава є головним суб'єктом управління інноваційною діяльністю. Реалізуючи інноваційну модель розвитку, вона, як орган управління усіма економічними процесами в країні, визначає пріоритети науково-технічної діяльності і підтримує їх розвиток через систему фінансово-кредитних та податкових інструментів, формує організаційні механізми інформаційного і ресурсного забезпечення інноваційної діяльності, створює умови для зростання науково-технічного потенціалу країни. З цією метою розробляється законодавча база, яка визначає правові, економічні та організаційні умови науково-технічної й інноваційної діяльності, регулює відносини між суб'єктами науково-технічної та інноваційної діяльності, встановлює порядок і умови надання фінансової підтримки юридичним особам, що здійснюють науково-технічну та інноваційну діяльність. Будучи суб'єктом управління, держава визначає стратегічні і поточні завдання у сфері інноваційної діяльності, формуючи довгострокову і поточну інноваційну політику.
Дійовим засобом реалізації державної інноваційної політики має стати законодавче та нормативно-правове її забезпечення. Основою яких є Закони «Про інноваційну діяльність» та «Про пріоритетні напрями інноваційної діяльності в України».
Закон «Про інноваційну діяльність» визначає правові, економічні та організаційні засади державного регулювання інноваційної діяльності в Україні, встановлює форми стимулювання державою інноваційних процесів і спрямований на підтримку розвитку економіки України інноваційним шляхом.
Законодавство України у сфері інноваційної діяльності базується на Конституції України (254к/96-вр) і складається із законів України «Про інвестиційну діяльність» (1260-12), «Про наукову і науково-технічну діяльність (1977-12), «Про наукову і науково-технічну експертизу» (51/95-вр), «Про спеціальний режим інвестиційної та інноваційної діяльності технологічних фактів» та інших законодавчих актів, що регулюють суспільні відносини у цій сфері.
Державне регулювання інноваційної діяльності здійснюється шляхом:
· визначення і підтримки пріоритетних напрямів інноваційної діяльності державного, галузевого, регіонального і місцевого рівнів;
· формування і реалізації державних, галузевих, регіональних і місцевих інноваційних програм;
· створення нормативно-правової бази та економічних механізмів для підтримки і стимулювання інноваційної діяльності;
· захисту прав та інтересів суб’єктів інноваційної діяльності;
· фінансової підтримки виконання інноваційних проектів;
· стимулювання комерційних банків та інших фінансово-кредитних установ, що кредитують виконання інноваційних проектів;
· встановлення пільгового оподаткування суб’єктів інноваційної діяльності;
· підтримки функціонування і розвитку сучасної інноваційної інфраструктури.
Закон України «Про пріоритетні напрями інноваційної діяльності в Україні» визначає правові, економічні та організаційні засади формування та реалізації пріоритетних напрямів інноваційної діяльності в Україні. Метою Закону є створення правової бази для концентрації ресурсів держави на провідних напрямах науково-технологічного оновлення виробництва та сфери послуг у країні, забезпечення внутрішнього ринку конкурентною наукоємною продукцією та виходу з нею на світовий ринок. Визначенні цим Законом пріоритетні напрями інноваційної діяльності в Україні зобов’язують органи виконавчої влади України всіх рівнів створювати режим найбільшого сприяння виконанню робіт, спрямованих на реалізацію відповідних пріоритетних напрямів, та концентрації на них фінансово-економічних та інтелектуальних ресурсів.
Суб’єктами, які беруть участь в реалізації державної інноваційної політики, є:
· органи державного управління та підпорядковані їм структури;
· виробничі підприємства і підприємства в галузі послуг усіх форм власності;
· установи сфери науки і освіти;
· установи і господарчі суб’єкти, які функціонують на терені забезпечення зв`язку між наукою і економікою;
· суб’єкти інформаційної та комп’ютерної інфраструктури;
· фізичні особи, які беруть участь в будь-якій сфері інноваційної діяльності.
Світовий досвід проведення державної інноваційної політики виробив низку інструментів такої політики‚ серед яких найвідомішими є: пряме фінансування створення нової продукції та технології у рамках державних науково-технічних програм; надання позик‚ у тому числі безпроцентних; державні дотації; зниження ставок податків на прибуток; податковий кредит на приріст обсягів досліджень та розробок; виключення з прибутку‚ що оподатковується‚ поточних видатків на НДДКР; пільговий режим оподаткування видатків на НДДКР при міжфірмовій кооперації; звільнення (зменшення ставки) прибуткового податку з громадян; звільнення від певних відрахувань до бюджету; звільнення від сплати податку на прибуток та капітал власників акцій ризикових інноваційних фірм; пільгове кредитування; створення фондів для впровадження інновацій з урахуванням ризику; зниження державного мита для індивідуальних винахідників; відстрочка сплати мита чи повне звільнення від нього; прискорена амортизація та інші амортизаційні пільги; державне замовлення та закупівля продукції інноваційних фірм; прийняття пільг щодо джерел ризикового фінансування інновацій; доплата кваліфікованим науковим кадрам з державних коштів; створення спеціальних законів для ефективної роботи малого інноваційного бізнесу; створення необхідної інноваційної інфраструктури. В Україні необхідно застосовувати більшість з наведених інструментів державної інноваційної політики.
Регулюють інноваційну діяльність в Україні органи державної влади: законодавчої – через прийняття відповідних законів, виконавчої різних рівнів – через прийняття рішень про підтримку певних інноваційних проектів. Однак надання переваги у процесі державного регулювання інноваційної діяльності методам прямої дії криє у собі певні загрози. Практика показує, що на ефективність методів прямої дії суттєво впливають суб'єктивні чинники – упередженість осіб, що приймають рішення, їх недостатня компетентність у питаннях експертизи проектів, прихована зацікавленість та лобіювання вибору конкретного проекту тощо. Тому останнім часом у країні все частіше вдаються до непрямих методів підтримки інноваційної діяльності. Зокрема, фінансова підтримка інноваційних проектів не означає їх пряме державне фінансування без повернення вкладених коштів. Згідно із Законом України «Про інноваційну діяльність» суб'єктам інноваційної діяльності для виконання ними інноваційних проектів може бути надано фінансову підтримку на таких умовах:
· Повне безвідсоткове кредитування (на умовах інфляційної індексації) пріоритетних інноваційних проектів за рахунок коштів Державного бюджету України, коштів бюджету Автономної Республіки Крим і коштів місцевих бюджетів.
· Часткове (до 50%) безвідсоткове кредитування інноваційних проектів за рахунок коштів Державного бюджету України, коштів бюджету Автономної Республіки Крим та коштів місцевих бюджетів за умови залучення до фінансування проекту решти необхідних коштів виконавця проекту і (або) інших суб'єктів інноваційної діяльності.
· Повна або часткова компенсація (за рахунок коштів Державного бюджету України, коштів бюджету Автономної Республіки Крим та коштів місцевих бюджетів) відсотків, які сплатили суб'єкти інноваційної діяльності комерційним банкам та іншим фінансово-кредитним установам за кредитування інноваційних проектів.
· Надання державних гарантій комерційним банкам, які здійснюють кредитування пріоритетних інноваційних проектів.
· Майнове страхування реалізації інноваційних проектів у страховиків відповідно до Закону України «Про страхування».
Зазначені умови фінансування інноваційних проектів передбачають обов'язкове повернення отриманих коштів у бюджет чи установам, які їх надали, дещо зменшуючи завдяки участі держави плату за користування кредитом. Цим самим держава бере на себе лише незначну частину ризику, пов'язаного з реалізацією інновацій, що підвищує відповідальність суб'єктів інноваційної діяльності за обґрунтування і реалізацію інноваційних проектів.
Крім кредитних преференцій інноваційним проектам, в Україні підприємствам-інноваторам надаються певні податкові пільги:
· 50% податку на прибуток і 50% податку на додану вартість залишається у розпорядженні підприємства за умов, що виконання інноваційного проекту почнеться не пізніше, ніж через півтора року від дати його державної реєстрації. Ці кошти мають бути зараховані на спеціальний рахунок і використовуватись винятково на фінансування інноваційної діяльності. Якщо ці кошти не використані протягом терміну пільгового оподаткування і одного року після його закінчення, вони підлягають зарахуванню до Державного бюджету України. Однак пільгове оподаткування реалізується за умови, що суб'єкт інноваційної діяльності повідомляє у місячний строк відповідний орган Державної податкової адміністрації про початок реалізації інноваційного проекту і з усіх господарських операцій, пов'язаних з виконанням інноваційного проекту, веде окремий бухгалтерський облік;
· інноваційним підприємствам дозволяється прискорена амортизація основних фондів і встановлюється щорічна двадцятивідсоткова норма прискореної амортизації основних фондів третьої групи. При цьому амортизація основних фондів групи III здійснюється до досягнення їх балансової вартості нульового значення;
· інноваційні підприємства сплачують земельний податок за половинною ставкою від чинної ставки оподаткування;
· необхідні для виконання пріоритетного інноваційного проекту, який передбачає випуск інноваційного продукту і щодо якого прийнята постанова Кабінету Міністрів України про його особливу важливість, сировина, устаткування, обладнання, комплектуючі та інші товари (крім підакцизних товарів), яких не виробляють в Україні або виробляють, але вони не відповідають вимогам проекту, при ввезенні в Україну протягом терміну чинності свідоцтва про державну реєстрацію інноваційного проекту звільняються від сплати ввізного мита та податку на додану вартість. При цьому номенклатура та обсяги ввезення сировини, матеріалів, устаткування, обладнання, комплектуючих та інших товарів мають бути визначені в інноваційному проекті перед його державною реєстрацією.
Названі пільги стосуються інноваційних підприємств, у яких частка інноваційної продукції становить не менше 70% від загальної кількості продукції або ж тих, що реалізують інноваційні проекти, внесені у Державний реєстр інноваційних проектів. Це сприяє технологічному прориву, оскільки підтримку, як правило, надають базисним інноваціям, тобто вона має точковий характер. Однак більшість підприємств впроваджують інновації в процесі вдосконалення своєї діяльності, паралельно із виготовленням основної продукції, життєвий цикл якої ще триває. Як правило, нова продукція на початку свого життєвого циклу не може займати 70% від загального випуску, а в міру розгортання її виробництва у наступні роки вона перестає бути новою. Отже, під дію вказаних пільг не підпадає багато аспектів інноваційної діяльності суб'єктів господарювання, що свідчить про недостатню збалансованість методів державної підтримки інноваційної діяльності в Україні.
Важливою функцією держави у сфері управління інноваційною діяльністю є визначення результативності інноваційної політики загалом і конкретних заходів з підтримки інноваторів зокрема. Для цього здійснюється моніторинг інновацій, завдяки якому до органів державного управління надходить об'єктивна інформація про кількість підприємств, які здійснюють інноваційну діяльність, структуру сукупності впроваджуваних новацій, результативність їх впровадження.
Закон України «Про пріоритетні напрями інноваційної діяльності в Україні» серед інших заходів передбачає і здійснення моніторингу інноваційної діяльності шляхом систематизованого збору, оброблення і аналізу інформації про перебіг інноваційних процесів, практичні наслідки заходів держави щодо стимулювання і регулювання інноваційної діяльності в країні, результати реалізації пріоритетних напрямів інноваційної діяльності. Згідно з цим Законом усі міністерства і відомства України щорічно в першому кварталі подають до Кабінету Міністрів України звіти про заходи, які здійснювалися ними у минулому році в контексті реалізації стратегічних і середньострокових інноваційних пріоритетів, і досягнуті результати.
Отже, першочерговим завданням держави як суб'єкта управління інноваційною діяльністю є формування ефективної інноваційної політики, яка б забезпечила умови для реалізації інноваційної моделі розвитку. Це передбачає визначення пріоритетів економічної діяльності щодо створення та поширення інновацій, формування інституційного середовища, сприйнятливого до інноваційних процесів, створення нової моделі розвитку і використання людських ресурсів, що сприятиме переходу до нових товарно-продуктових і технологічних структур виробництва і забезпеченню конкурентоспроможності вітчизняних підприємств на внутрішньому і світовому ринках.
РОЗДІЛ 2
АНАЛІЗ ОБ’ЄКТА ДОСЛІДЖЕННЯ
2.1 Аналіз конструкцій та застосування муфт в галузі машинобудування
У сучасному машинобудуванні більшість машин складається зі збірних одиниць (вузлів) і механізмів. Для забезпечення кінематичного і силового зв'язку вали вузлів з'єднують муфтами.
Муфти приводів здійснюють з’єднання валів, кінці яких підходять один до одного щільно або розведені на невелику відстань, причому з’єднання повинно допускати передачу обертального моменту від одного вала до іншого. Вали у більшості випадків розташовані так, що геометрична вісь одного складає продовження геометричної осі другого вала. Рідше геометричні вісі валів розташовані під деяким кутом один до одного.
Необхідність застосування муфт викликана різноманітними обставинами: отриманням довгих валів, що виготовляються з окремих частин; компенсацією шкідливого впливу неспіввісності валів, пов’язаною з неточністю виготовлення або монтажу; наданням одному з валів деякої рухливості; зменшенням динамічних навантажень; вмиканням і вимиканням одного з валів при постійному обертанні другого та деякими іншими. Муфти застосовують також для з’єднання валів з зубчастими колесами, шківами пасових передач та іншими деталями. Основним призначенням муфт приводів – є передача обертального моменту.
Муфти приводів, що застосовуються в сучасному машинобудуванні, за призначенням, принципом дії та конструкцією надзвичайно численні та різноманітні. Різноманіття вимог, що ставляться до муфт, і різні умови їхньої роботи обумовили створення великої кількості конструкцій муфт, які класифікують за різними ознаками.
Передача обертального моменту в муфтах здійснюється:
· за допомогою механічного зв’язку між деталями муфти (глухі, зубчаті, втулочно-пальцеві, кулачкові, шарнірі муфти і т.д.);
· за рахунок сил тертя або магнітного притягання (фрикційні та електроіндукційні асинхронні муфти);
· в результаті сил інерції або індукційної взаємодії електромагнітних полів (гідромуфти та електроіндукційні асинхронні муфти).
За характером роботи розрізняють наступні види муфт:
1. Постійні з’єднувальні, які не допускають роз’єднання (розчеплення) валів в процесі роботи машини: жорсткі некомпенсуючі (глухі); жорсткі компенсуючі; жорсткі рухомі; пружні.
2. Зчіпні або керовані, які дозволяють зчіпляти або розчіпляти вали в процесі роботи та під час зупинки.
3. Самокеровані або автоматичні, що зчіпляють вали при зміні роботи машини.
4. Запобіжні - які роз’єднують вали, якщо навантаження або швидкість обертання приводу перевищує допустимі значення.
Параметри основних типів муфт регламентовані стандартами або нормалями заводів-виробників та проектних організацій.
Експлуатаційною характеристикою муфт є обертальний момент, який передається нею , та діаметр вала , на який насаджується муфта. Конкретний типорозмір муфти вибирається в залежності від умов експлуатації по таблицям згідно залежності:
,
де – розрахунковий обертальний момент; - коефіцієнт запасу, що вибирається в залежності від виду приводу; - номінальний обертальний момент на валу.
Далі детальніше розглянемо групу пружних муфт, до яких належить інноваційна пропозиція даної роботи.
Пружні муфти
служать для зменшення динамічних навантажень, що передаються з’єднуваними ними валами. Крім того, ці запобігають резонансним коливанням з’єднуваних валів та дозволяють дещо компенсувати неточності взаємного розташування валів.
Пружні муфти мають наступні властивості:
1. Здатність пом’якшувати поштовхи та удари. Кінетична енергія удару при цьому частково поглинається і переходить в тепло, частково акумулюється пружними елементами, перетворюючись на потенційну енергію деформації.
2. Пружні муфти можуть служити засобом захисту від резонансних крутильних коливань, що виникають в механізмі внаслідок нерівномірності обертання.
3. Пружні муфти допускають порівняно великі зміщення осей з’єднуваних валів. При цьому, завдяки деформації пружного елемента, вали та опори навантажуються порівняно малими силами та моментами.
Пружні муфти характеризуються:
· жорсткістю (або зворотною величиною – піддатливістю), що являє собою залежність відносного кута повороту напівмуфти від величини обертального моменту;
· демпфіруванням, тобто здатністю необоротно поглинати механічну енергію;
· енергоємність, що являє собою роботу пружної деформації муфти при дії деякого обертального моменту. Енергоємність є порівняльною характеристикою муфт і не може бути використана при динамічних розрахунках машин з пружною муфтою.
Розрізняють муфти постійної (лінійні) та змінної (нелінійні) жорсткості. Жорсткість муфти визначаться як похідна від обертального моменту по куту закручування
і є величиною змінною, залежною від . Характер цієї залежності визначається конструкцією муфт, а для муфт з неметалевими пружними елементами ще температурою та законом зміни навантаження в часі. Нелінійні муфти можуть мати жорстку або м’яку характеристику. В лінійній муфті обертальний момент пропорційний куту закручування. Жорсткість нелінійних муфт зазвичай зростає із збільшенням деформації, тому м’які при невеликих навантаженнях нелінійні муфти із збільшенням навантаження працюють більш жорстко (муфти з жорсткою характеристикою). Ця особливість нелінійних муфт є особливо корисною, коли навантаження в машині зростає пропорційно квадрату швидкості. Використання в цьому випадку лінійної муфти призводить до великого кута повороту напівмуфт на високих швидкостях або до зайвої жорсткості на низьких. При залежності моменту опору від швидкості обертання валу і роботі машини в дорезонансному режимі відношення робочої швидкості обертання до критичної в агрегаті з лінійною муфтою різко зростає із збільшенням навантаження. Запас стійкості падає. В нелінійній муфті із збільшенням навантаження зростає жорсткість і з тією ж тенденцією змінюється власна частота системи. Критична частота обертання агрегату із збільшенням навантаження суттєво зростає.
Нелінійні муфти мають перевагу при розгоні машини і особливо під час вибігу при її зупинці. При відсутності навантаження, що часто має місце при вибігу, критична частота обертання агрегату з нелінійною муфтою лежить близько до нуля. В цій області навряд чи можливі більші коливання, оскільки при їх виникненні відповідно змінюється критична частота обертання. В агрегаті з лінійною муфтою проходження області резонансу при вибігу займає значно більше часу і коливання можуть досягти значної величини. Якщо після вимкнення двигуна навантаження не скидається, резонансні коливання в агрегаті з нелінійною муфтою будуть менші за коливання в агрегаті з лінійною муфтою.
Жорсткість пружних муфт залежить від багатьох факторів, в тому числі і від якості виготовлення, і часто задається у вигляді графіків. При роботі пружних муфт завжди мають місце втрати енергії на тертя (зовнішнє та внутрішнє), що супроводжує деформацію її пружних елементів і їх переміщення відносно інших елементів.
При всьому різноманітті конструкцій пружних муфт їх можна поділити на дві основні групи в залежності від матеріалу пружних елементів: з неметалевими та з металевими пружними елементами. Основний матеріал неметалевих пружних елементів – гума, яка володіє наступними перевагами: високими еластичністю та здатністю демпфірування, а також електроізоляційною здатністю. Металеві пружні елементи муфт являють собою різноманітні стальні пружини або стальні пружинні стержні, пластини або пакети пластин.
Детальніше розглянемо муфти з неметалевими пружними елементами
, оскільки до цього виду належить інноваційна пропозиція даної роботи.
Пружні властивості гуми характеризують модулями пружності першого і другого роду, між якими в силу сталості об’єму гуми при деформуванні існує співвідношення . Міцність технічної гуми суттєво залежить від її складу. Міцність при вулканізації гуми до металу (при гарній її якості) близька до міцності самого металу.
Дамо характеристику кільком найпоширенішим представникам даного виду муфт.
Найбільш простою і поширеною серед муфт з неметалевими пружними елементами є муфта пружна втулочно-пальцева
(рис. 2.1.1.). Її розміри в залежності від номінального моменту нормалізовані ДСТУ 2128–93 (замість ГОСТ 21424–93). Вона складається з двох напівмуфт, насаджених на кінці з’єднуваних валів; стальних пальців, закріплених в одній з напівмуфт гайками з посадкою на конус; пружних гумових втулок. Дозволяється заміна пружних втулок набором кілець з цього ж матеріалу. Широке застосування в машинобудуванні цієї муфти, особливо у приводах електродвигунів, пояснюється такими її перевагами, як легкість виготовлення, простота пружних елементів, зручність їх заміни та надійність. Напівмуфти виготовляються з чавуну СЧ21, сталі 30 або стального лиття 35Л. Матеріал пальців – сталь 45. Розрахунок муфти складається з перевірочного розрахунку пружних елементів на зминання та перевірочного розрахунку пальців на згин.

Муфта пружна з зірочкою
(рис. 2.1.2.) складається з двох напівмуфт с двома чи трьома торцевими кулачками трапецеїдального перерізу кожна.

Рис. 2.1.2. Муфта пружна з зірочкою
Кулачки входять у відповідні западини проміжного між напівмуфтами пружного елементу - зірочки, виготовленої з гуми. Дана муфта є компактною та надійною в експлуатації. Матеріал напівмуфт - сталь Ст3. Такі муфти допускають більші кутові та радіальні зміщення, ніж втулочно-пальцеві. Відповідно вищою є демпфіруюча здатність. Поверхні зірочок перевіряють на зминання.
В машинобудуванні застосовують цілий ряд пружних муфт, у яких пружні гумові елементи працюють на кручення і на зсув. До таких муфт відносяться, наприклад, муфти з пружними оболонками. Муфта з тороподібною оболонкою (рис. 2.1.3.) складається з двох напівмуфт, пружної оболонки, яка по формі нагадає автомобільну шину, і двох кілець, які за допомогою гвинтів закріплюють оболонку на напівмуфтах. Розміри регламентуються ДСТУ 2124–93 (замість ГОСТ 20884–82). Навантажувальна здатність муфти залежить від конструкції та матеріалу оболонки і корду; наближену перевірку гумової оболонки можна виконати по напруженню кручення і по напруженню зсуву. Переваги муфти: здатність компенсувати значні неточності встановлення з’єднуваних валів, легкість складання, розбирання і заміни пружного елемента. Муфти з пружними оболонками мають перспективи широкого застосування у вітчизняному машинобудуванні.
Отже, муфти з неметалевими, переважно гумовими, пружними елементами отримали досить широке використання в сучасному машинобудуванні завдяки відносній простоті конструкції та дешевизні виготовлення, високим компенсаційним властивостям і гарній здатності демпфірування. Вони володіють також гарною електроізолюючою здатністю і т.д. Через низьку міцність гум і пластмас в порівнянні з металевими ці муфти застосовуються для передачі малих і середніх обертальних моментів. Довговічність гумових елементів нижче, ніж стальних. Гума поступово втрачає свої пружні властивості – старіє. Однак через значні переваги муфт з неметалевими пружними елементами розробка нових та удосконалення існуючих конструкцій муфт цього типу є досить перспективним напрямком.
2.2 Дослідження конкурентних позицій на ринку муфт з неметалевими пружними елементами
На сучасному етапі світового розвитку конкуренція як рушійна сила змушує виробників товарів постійно шукати нові шляхи підвищення їхньої якості, зниження ціни, підвищення якості сервісу. У зв'язку з дефіцитністю ресурсів постає нова проблема – економія ресурсів у споживачів товарів за рахунок спрощення їхньої конструкції й підвищення якості.
Передовий закордонний досвід свідчить, що якість, безперечно, є найбільш вагомою складовою конкурентоспроможності, але разом з тим, можливості реалізації продукції, крім якості, визначаються значним числом параметрів і умов, більшість з яких розповсюджується не тільки на товар, але і на підприємство, фірму і навіть країну.
У сучасній економіці головним напрямком фінансово-економічної і виробничо-збутової стратегії кожного торгового підприємства стає підвищення конкурентноздатності для закріплення його позицій на ринку з метою одержання максимального прибутку.
Конкурентноздатність товару
– вирішальний фактор його комерційного успіху на розвитому конкурентному ринку. Це багатоаспектне поняття, що означає відповідність товару умовам ринку, конкретним вимогам споживачів не тільки по своїм якісним, технічним, економічним, естетичним характеристиках, але і по комерційним і іншим умовам його реалізації (ціна, терміни постачання, канали збуту, сервіс, реклама). Більш того, важливою складовою частиною конкурентноздатності товару є рівень витрат споживача за час експлуатації.
Інакше кажучи, під конкурентноздатністю розуміється комплекс споживчих і вартісних характеристик товару, що визначають його успіх на ринку, тобто перевагу саме цього товару над іншими в умовах широкої пропозиції конкуруючих товарів аналогів. І оскільки за товарами стоять їхні виробники, то можна з повною підставою говорити про конкурентноздатність відповідних підприємств, об'єднань, фірм, так само як і країн, у яких вони базуються.
Будь-який товар, що знаходиться на ринку, фактично проходить там перевірку на ступінь задоволення суспільних потреб: кожен покупець купує той товар, що максимально задовольняє його особисті потреби, а вся сукупність покупців – той товар, що найбільше повно відповідає суспільним потребам, ніж конкуруючі з ним товари.
Тому конкурентноздатність (тобто можливість комерційно вигідного збуту на конкурентному ринку) товару можна визначити тільки порівнюючи товари конкурентів між собою. Іншими словами, конкурентноздатність – поняття відносне, чітко прив'язане до конкретного ринку і часу продажу. І оскільки в кожного покупця є свій індивідуальний критерій оцінки задоволення власних потреб, конкурентноздатність здобуває ще й індивідуальний відтінок.
За роки трансформації економіки машинобудівний комплекс країни зазнав тривалої руйнівної кризи, реформування відносин власності, структурних деформацій і вийшов на шлях адаптації до умов ринкової кон'юнктури та освоєння нових промислових ринків. Ці процеси супроводжувалися значними втратами виробничого і кадрового потенціалу, більше ніж двократним скороченням частки продукції машинобудування в промисловому виробництві, зниженням активності в інноваційно-інвестиційній діяльності тощо. Протягом останніх 5–6 років у машинобудуванні помітні певні позитивні тенденції, проте більшість продукції, що випускається вітчизняними заводами-виробниками, на жаль, не задовольняє вимог сучасного ринку, не є конкурентноздатною як за техніко-економічними, так і за естетичними показниками. Низька частка бюджетного фінансування науково-технічної сфери, недостатня платоспроможність підприємств щодо фінансування власних прикладних досліджень і розробок, різке зниження рівня творчої активності винахідників та реалізаторів, низька інноваційна спрямованість прямих іноземних інвестицій, висока енергоємність виробничих процесів, відсутність програми приватизації організаційних одиниць у сфері науки призвели до занепаду колишніх заводів-гігантів.
Зокрема, аналізуючи пропозицію муфт на українському ринку, виявилось, що переважна більшість підприємств не є безпосередніми товаровиробниками, а реалізують продукцію таких закордонних фірм як R+W, Vulkan, Continental Gummhwerke, Stromag (Німеччина), Paulstra (Франція), PSP Pohony (Чехія), Shinko (Японія) та ряду інших. Серед небагатьох підприємств, які випускають муфти самостійно можна назвати наприклад ТОВ "Придніпровський механічний завод", ВАТ "Малинський ливарно-механічний завод".
Тому для дослідження даного питання варто розглянути діяльність світових лідерів з виробництва пружних муфт.
1. VULKAN є міжнародною компанією, що працює в сфері трансмісійних технологій. Компанія була заснована в 1889 році і складається з чотирьох підрозділів – VULKAN Kupplungs und Getriebebau, VULKAN Lokring, KrampeHarex та SeaCom. Головний підрозділ підприємницької групи знаходиться в м. Херне в Німеччині. Міжнародна діяльність підтримується 15-ма філіями та 30-ма представництвами у 24-х країнах світу.
Щороку близько 8% прибутків від продажу продукції інвестується в науково-дослідницьку діяльність та розвиток. Інноваційна діяльність у поєднанні з постійним самовдосконаленням є основою успішного функціонування організації.
За роки існування компанії високо пружні муфти VULKAN здобули світову репутацію, яка поширюється й надалі. В головному підрозділі компанії виготовляються муфти для різноманітного застосування:
· в головних та допоміжних приводах кораблів, теплоходів, суден;
· в приводах генераторів;
· в приводах для промислового обладнання, залізнодорожного транспорту тощо.
Для таких цілей муфти виготовляються в широкому діапазоні обертальних моментів, що передаються ними, – від 0,1 до 2000 кНм. Вся номенклатура продукції компанії гарантовано відповідає найвищим стандартам якості.
2. Французька компанія Paulstra є світовим лідером з розробки і виготовлення пристроїв віброгасіння і має 65-річний досвід. До її продукції належать пружні муфти, пружні опори, підрамники двигунів, подушки, підвіски вихлопної системи, опори амортизаторів та ін. Вироби Paulstra знаходять широке застосування у легкій та важкій промисловості, а також в аерокосмічній, суднобудівній та залізнодорожній промисловості. Робота компанії нерозривно пов’язана з масштабною науково-дослідною та інноваційною діяльністю.
Завдяки своїй виробничій та маркетинговій системі, надсучасній матеріально-технічній базі компанія здатна задовольнити усі вимоги споживача де б він не знаходився. Це забезпечується:
· 9-ма дочірніми компаніями у Франції, Німеччині, Великобританії, Іспанії, Бельгії, США;
· 200-ми дистриб’юторами обладнання в Європі;
· 60-ма посередниками у світі.
Якими б не були прийняті технології, спеціалісти Paulstra з віброізоляції, захисту від ударів, шумопоглинання, герметизації забезпечують оптимальне рішення. Компанія пропонує широке коло технологій, а також повністю незалежні оптимальні рішення на будь-які вимоги.
Розглянемо детальніше деякі види пальцевих муфт з пружним диском виробництва Paulstra, що є подібними до запропонованої в даній роботі конструкції, і можуть конкурувати з нею.
Муфта "Juboflex" показана на рис. 2.2.1. та на рис 2.2.2.
Шестикутний гумовий пружний елемент з’єднується з напівмуфтами та болтами. Запобіжні кожухи кріпляться до фланців напівмуфт. Для зменшення концентрації напружень в місці спряження пружного елементу з болтами завулканізовані пластини. Для підвищення строку служби гумового пружного елементу його виготовляють дещо більших розмірів та перед монтажем муфти стягують обоймою, що викликає зменшення розмірів, яка видаляється після приєднання пружного елементу до напівмуфт. Таким чином гума пружного елементу виявляється попередньо стиснутою. Завдяки поперед-ньому стисканню на всіх ділянках пружного елемента при роботі муфти мають місце напруження одного знаку, що підвищує її строк служби.
Муфта "Cardaflex" показана на рис. 2.2.3. та на рис 2.2.4.
 
Напівмуфти з’єднуються гумово-металевим пружним елементом, що складається із зовнішнього фасонного металевого корпуса та внутрішньої металевої частини трикутної форми, до яких привулканізована гума в трьох місцях (рис. 2.2.3., а, рис. 2.2.4., а). З метою зменшення габариту муфти по довжині гумовий елемент може бути при вулканізованим по внутрішній поверхні безпосередньо до напівмуфти (рис. 2.2.3., б, рис. 2.2.4., б). При дії обертального моменту гума працює на зсув і стиск, що дозволяє при малій крутильній жорсткості передавати значні навантаження.
Завдяки привулканізації гуми в муфті немає деталей, що труться.
 Як видно, на українському ринку можна знайти великий асортимент досить якісних муфт іноземного виробництва. Щоб конкурувати з ними, новостворена продукція повинна не лише не поступатися їм у якості, а й володіти рядом інших переваг.
Складною є оцінка міри конкурентоспроможності, тобто виявлення характеру конкурентної переваги порівняно з іншими. Поняття конкурентної переваги можна визначити як ті характеристики й властивості товару, які створюють для фірми певну перевагу над своїми прямими конкурентами.
Конкурентна перевага може бути зовнішньою і внутрішньою. Зовнішня базується на відмітних якостях товару, які утворюють цінність для покупця, внутрішня – на перевазі фірми щодо витрат виробництва, які менші ніж у конкурентів.
Конкурентні переваги є концентрованим проявом переваги над конкурентами в економічній, технічній, організаційній сферах діяльності підприємства, які можна виміряти економічними показниками (додатковий прибуток, більш висока рентабельність, ринкова частка, обсяг продаж).
Переваги муфти запропонованої конструкції, в порівнянні з іншими подібними конструкціями наступні: простота виготовлення та монтажу, мала матеріаломісткість, менша вартість виробництва, безпечність експлуатації. Й нарешті, основні переваги, які були головною метою розробки нової конструкції муфти, – значно більший ресурс, набуття муфтою властивості запобіжної, а також скорочення витрат пальців завдяки тому, що при перевантаженнях руйнуються пальці лише однієї з напівмуфт, а також сам пружний елемент залишається неушкодженим.
Порівняльна характеристика запропонованої конструкції муфти з конкурентами за основними показними наведена в табл. 2.2.1.
Таблиця 2.2.1.
Порівняльна характеристика запропонованої конструкції муфти з основними конкурентами
| № п/п
|
Показник
|
Тип муфти
|
| Муфта запропонованої конструкції
|
Муфта "Juboflex" фірми Pulsar
|
Муфта "Cardaflex" фірми Pulsar
|
| 1
|
2
|
3
|
4
|
5
|
| 1.
|
Ресурс, год
|
20 000
|
8 000
|
14 000
|
| 2.
|
Матеріаломісткість, %
|
25
|
30
|
30
|
| 3.
|
Максимальний обертальний момент, Н·м
|
900
|
700
|
900
|
| 4.
|
Максимальне напруження пружного елементу, Н/см2
|
150
|
150
|
120
|
| 5.
|
Допустиме осьове зміщення напівмуфт, мм
|
1...4
|
1...3
|
1...3
|
| 6.
|
Крутильна жорсткість, Н∙м/рад
|
1300
|
1300
|
1100
|
| 1
|
2
|
3
|
4
|
5
|
| 7.
|
Кутова жорсткість, Н∙см/рад
|
250
|
250
|
250
|
| 8.
|
Допустиме радіальне зміщення осей валів, мм
|
0,1...1
|
0,1...1
|
0,1...1
|
| 9.
|
Допустиме кутове зміщення осей валів, º
|
1...5
|
1...4
|
1...4
|
| 10.
|
Число пальців однієї напівмуфти, шт
|
4
|
6
|
6
|
| 11.
|
Наявність властивості запобіжної муфти
|
так
|
так
|
ні
|
| Безпечність експлуатації
|
так
|
так
|
так
|
Аналізуючи дані табл. 2.2.1., видно, що муфта запропонованої конструкції за основними показниками не поступається муфтам, виготовленим світовим лідером в цій галузі, а по багатьом показникам навіть перевершує їх.
Узагальнюючи вищесказане, можна зробити висновок, що конкуренція змушує покращувати якість продукції, розширювати асортимент. А інноваційний менеджмент вимагає здатності відмовитись від усталеної практики виконання роботи, потребує нестандартних, оригінальних рішень щодо розв’язання проблем, націлює на пошук нових можливостей у звичному перебігу подій.
РОЗДІЛ 3
ІННОВАЦІЙНА ПРОПОЗИЦІЯ
3.1 Формування інноваційної стратегії впровадження нової конструкції пружної муфти
Особливість сучасного підходу до процесу формування інноваційних стратегій полягає у створенні системи так званого «нововвідного конвеєра». Суть цього підходу полягає в тому, щоб забезпечити постійне впровадження у виробництво нових, сучасніших виробів; постійно скорочувати всі види витрат; підвищувати якісні характеристики інноваційної діяльності; забезпечувати конкурентні переваги на ринку.
Розроблення інноваційної стратегії передбачає прийняття стратегічних завдань (цілей), оцінку можливостей та ресурсів для їх використання; аналіз альтернатив; підготовку конкретних програм, проектів, бюджетів; оцінку сильних та слабких сторін діяльності суб'єктів з урахуванням обраних цілей. Установлення цілей адаптує інноваційний стратегічний напрям розвитку підприємства до конкретних завдань, пов'язаних з виробництвом і результатами діяльності організації. Стратегічні цілі фокусуються на конкуренції і на створенні сильних конкурентних позицій у конкретній сфері діяльності.
В даній роботі в основу розробки нової конструкції пружної муфти поставлена задача збільшити ресурс пружного диску та зробити муфту запобіжною шляхом використання нових елементів та конструктивної зміни існуючих.
Інноваційна пропозиція цієї роботи – муфта пружна пальцево-дискова
– відноситься до машинобудування і може бути використана, зокрема, для з’єднання кінців горизонтальних співвісних валів.
В п. 2.1. розглянута відома пружна муфта втулочно-пальцьова (ДСТУ 2128–93), яка має дві фланцеві напівмуфти, пальці, змонтовані на одній із них, і пружні втулки, що надіті на пальці, розміщені у спряжених отворах другої напівмуфти. В цьому рішенні пружні втулки є найменш міцною ланкою, що піддаються знакозмінним циклічним навантаженням, які обумовлюють низький ресурс муфти. Крім того, аварійні перевантаження вищі за розрахункові обумовлюють повний вихід муфти з експлуатації.
Відома також муфта з тороподібним пружним елементом (ДСТУ 2124–93), розглянута в п. 2.1., яка має дві фланцеві напівмуфти, з’єднані тороподібною оболонкою за допомогою гвинтів та натискних кілець. Тороподібна оболонка, як найменш міцна ланка, обумовлює низький ресурс, а при перевантаженнях розривається (тобто працює як запобіжник). Складність монтажу і демонтажу обумовлює тривалий простій.
За прототип інноваційної розробки прийнята пружна муфта пальцево-дискова (ДСТУ 2133–93) – рис. 3.1.1. Вона має дві фланцеві напівмуфти 1
і 2
, пальці 4
, змонтовані нерухомо і порівну на кожній, пружний диск 3
з центральним отвором, встановлений на пальцях між напівмуфтами. У спряжених пальців з пружним диском виникають циклічні навантаження від обертального моменту і перекосу валів, що обумовлює низький ресурс, а при перевантаженнях, як і в першому рішенні, вихід муфти з експлуатації.
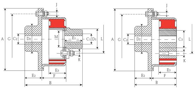
Сутність запропонованої конструкції муфти пояснюється кресленням, на якому показаний вид зліва на муфту, загальний вигляд муфти в розрізі А–А, збільшений елемент пружного диска (вид Б). Муфта містить дві фланцеві напівмуфти 1
та 2
, пальці 3
, змонтовані порівну на кожній, пружний диск 4
центральним отвором , встановлений на пальцях між напівмуфтами, пружний диск має зовнішній 5
та внутрішній 6
бандажі, кожен з яких має два реборди 7
. Зовнішній бандаж встановлений на пружний диск з натягом. Кожен палець однієї з напівмуфт біля основи і фланця має місцеве послаблення поперечного перерізу - проточку 9
.
Таким чином зовнішній бандаж створює в зовнішній зоні пружного диску попередні напруження стиску, внаслідок чого в ній не виникають знакозмінні напруження, що носять втомний характер при знакозмінних навантаженнях від реверсу. Внутрішній бандаж забезпечує стійкість пружного диску (його форму) при деформаціях від зовнішніх навантажень. Для зниження місцевих напружень, що вникають у спряженнях пальців з пружним диском від неспіввісності та перекосу валів, диск виконано складеним з набору елементів 8
, що роблять його більш піддатливим. Надійність фіксації бандажів пружному диску від осьового зміщення при перекосах валів забезпечується за рахунок реборд, що охоплюють диск з торців, виконаних в бандажах. Виконання пальців на одній з напівмуфт з ослабленням перерізу біля основи дозволяє при перевантаженнях запобігти повному руйнуванню муфти, так як пальці другої напівмуфти і сам пружний елемент залишаються незруйнованими. Зріз пальців відбувається цілеспрямовано по проточкам на пальцях однієї з напівмуфт. Зрізані пальці заміняються на нові.
Муфта працює в наступній послідовності. Обертальний момент з вала двигуна через шпонку передається на напівмуфту 1
і через пальці 3
цієї напівмуфти на бандажоване пружне кільце 4
. Під дією обертального моменту напівмуфта 1
провертається відносно напівмуфти 2
. Зусилля деформації пружного диска через пальці другої напівмуфти передаються на напівмуфту 2
і через ї шпонку на вал машини. Як тільки сили деформації пружного диска перевищать сили опору валу машини, він почне обертатися в ту ж сторону. При аварійному перевантаженні зусилля деформації пружного диска перевищать допустимі напруження в ослаблених проточками перерізах пальців однієї з напівмуфт, по яким відбудеться зріз. При цьому зрізані пальці не випадають, а залишаються в пружному диску, а він, в свою чергу, на пальцях другої напівмуфти, яка зупиниться разом з валом машини. Перша муфта зупиниться після вимкнення двигуна. Після усунення причин аварії зрізані пальці замінюються на нові, і муфта знов готова до роботи.
Застосування муфти запропонованої конструкції дозволить збільшити ресурс в 2...3 рази у порівнянні з прототипом, скоротити витрату пальців, надати муфті властивості запобіжної.
3.2 Економічна ефективність інноваційної діяльності при впровадженні нової конструкції пружної муфти
Оскільки технічні нововведення мають визначальний вплив на всі інші види інновацій і, крім того, заходи по впровадженню технічних новинок вимагають інвестування значних коштів, то важливим є питання оцінки економічної ефективності цих заходів. Ефективність – це відносна величина, що характеризує результативність будь-яких затрат. Узагальнюючим показником економічної ефективності будь-якої групи технічних нововведень слугує економічний ефект, що характеризує абсолютну величину перевищення вартісної оцінки очікуваних (фактичних) результатів над сумарними витратами ресурсів за певний розрахунковий час.
Перед тим як розрахувати економічний ефект від впровадження запропонованої конструкції муфти, розглянемо основні показники, що визначають ефективність запропонованої конструкції в порівнянні з прототипом – пружною пальцево-дисковою муфтою за ДСТУ 2133–93. Результати представлені у вигляді табл. 3.2.1.
Таблиця 3.2.1.
Порівняльна характеристика
запропонованої конструкції муфти із прототипом
| № п/п
|
Показник
|
Тип муфти
|
| Муфта запропонованої конструкції
|
Муфта
за ДСТУ 2133-93
|
| 1
|
2
|
3
|
4
|
| Показники, що є визначальними для розрахунку економічного ефекту
|
| 1.
|
Ресурс, год
|
20 000
|
8 000
|
| 2.
|
Собівартість одиниці продукції, грн
|
130
|
120
|
| Експлуатаційні показники
|
| 3.
|
Максимальний обертальний момент, Н·м
|
900
|
500
|
| 4.
|
Максимальне напруження пружного елементу, Н/см2
|
150
|
120
|
| 5.
|
Крутильна жорсткість, Н∙м/рад
|
1300
|
1000
|
| 6.
|
Кутова жорсткість, Н∙см/рад
|
250
|
200
|
| 7.
|
Допустиме осьове зміщення напівмуфт, мм
|
1...4
|
1...2
|
| 8.
|
Допустиме радіальне зміщення осей валів, мм
|
0,1...1
|
0,1...1
|
| 9.
|
Допустиме кутове зміщення осей валів, º
|
1...5
|
1...4
|
| 10.
|
Число пальців однієї напівмуфти, шт
|
4
|
6
|
| 11.
|
Наявність властивості запобіжної муфти
|
так
|
ні
|
Визначимо прибуток від реалізації однієї муфти:
,
де П
– прибуток, грн
С
– собівартість однієї муфти, грн
Р
– рентабельність.
– для старої конструкції муфти (Р =
10 %
):
(грн
);
– для нової конструкції муфти (Р =
15 %
):
(грн
);
Ціна Ц
за одиницю продукції:
– для старої конструкції муфти:
(грн
);
– для нової конструкції муфти :
(грн
);
Додаткові витрати підприємства на виготовлення партії муфт нової конструкції з N
штук:
(грн
);
(N
= 10 000 шт.
– кількість деталей у партії)
Додатковий прибуток від реалізації партії муфт нової конструкції з N
штук:
(грн
);
Вартість експлуатації одиниці продукції у споживача за годину:
– для старої конструкції муфти:
(грн/год
);
– для нової конструкції муфти :
(грн/год
)
(тут Т1
і Т2
відповідно ресурс роботи старої та нової конструкції муфти)
Економія за годину на одиницю продукції складе:
(грн/год
)
Загальний економічний ефект споживача:
(грн
)
Народногосподарський економічний ефект :
(грн
)
ВИСНОВКИ
Якісне машинобудування є матеріальною основою технічного переозброєння всієї економіки, в чому Україна відчуває сьогодні велику потребу. Відродження машинобудівної галузі, забезпечення її випереджаючого розвитку – одна з найважливіших умов побудови постіндустріального суспільства, що базується на ефективному використанні наукових знань і високих технологій. Машинобудування має ключове значення для технологічного забезпечення всіх галузей виробництва. Випускаючи продукцію для різних галузей народного господарства, машинобудування реалізує досягнення науково-технічного прогресу і забезпечує комплексну механізацію та автоматизацію виробництва.
На жаль, конкурентоспроможність вітчизняної продукції машинобудування залишається на низькому рівні. Це обумовлюється недостатньою кількістю обігових коштів у багатьох вітчизняних підприємств, застарілим обладнанням, низькою якістю сервісного, обслуговування тощо. На низькому рівні залишається інноваційна активність вітчизняних підприємств. Лише близько 14% з них провадять інноваційну діяльність, хоча працює значна кількість наукових і конструкторських організацій.
Щоб вийти із затяжної кризи, основою для зростання традиційних галузей машинобудування має бути впровадження досягнень науково-технічного прогресу. В Україні мають випереджальними темпами розвиватися такі наукомісткі виробництва, як створення систем автоматизації управління, сучасних засобів зв’язку, ЕОМ, електроніки, робототехніки, засобів для атомної енергетики, авіаційної, ракетно-космічної і лазерної техніки, верстатів з ЧПУ тощо, що в свою чергу неможливо без провадження активної інноваційної діяльності.
Список використаної літератури
1. Анурьев В.И. Справочник конструктора-машиностроителя: 7-е изд. перераб. и доп. – М.: „Машиностроение”, Т. 1., 1992. – 720 с.
2. Бойчик І.М., Харів П.С. Економіка підприємства: Навч. посібник. – К.: „Каравела”, 2001. – 298 с.
3. Вакалюк В.А. Опорний конспект лекцій з курсу „Інноваційний менеджмент”: Навч. посібник. – Житомир: ЖДТУ, 2007. – 202 с.
4. Гузенков П.Г. Детали машин: Учеб. для вузов. – 4-е изд., испр. – М.: Высш. шк., 1986. – 359 с.
5. Дунаев П.Ф., Леликов О.П. Конструирование узлов и деталей машин. – М.: „Машиностроение”, 1985. – 416 с.
6. Закон України від 13.12.1991р. №1977–ХIІ „Про наукову і науково-технічну діяльність”.
7. Закон України від 10.02.1995р. №51/95–ВР „Про наукову і науково-технічну експертизу”.
8. Закон України від 11.07.2001р. №2623–IІІ „Про пріоритетні напрямки розвитку науки і техніки”.
9. Закон України від 04.07.2002р. №40–IV „Про інноваційну діяльність”.
10. Закон України від 16.01.2003р. №433–IV „Про пріоритетні напрямки інноваційної діяльності в Україні”.
11. Колоколов И.А. Сборник задач по планированию производства – М.: „Лесная промышленность”, 1991. – 412 с.
12. Краснокутська Н. В. Інноваційний менеджмент: Навч. посібник. – К.: КНЕУ, 2003. – 504 с.
13. Поляков В.С., Барабаш И.Д., Ряховский О.А. Справочник по муфтам. – Л.: „Машиностроение” , 1974. – 352 с.
14. Решетов Д.Н. Детали машин. – М.: „Машиностроение”, 1974. – 520 с.
15. Чернавский С.А. и др. Проектирование механических передач. – М.: „Машиностроение”, 1984. – 558 с.
|