| СОДЕРЖАНИЕ
Введение
1. Исследование методов и устройств компенсации реактивной мощности при электроснабжении нелинейных и резкопеременных нагрузок
1.1 Реактивная составляющая – неотъемлемая часть потребляемой из сети энергии
1.2 Принципы компенсации реактивной мощности
1.3 Влияние преобразовательных установок на сети промышленного электроснабжения
1.4 Компенсация реактивной мощности в системах электроснабжения преобразовательных установок
1.4.1 Технические трудности, возникающие при использовании конденсаторных батарей для компенсации реактивной мощности
1.4.2 Особенности компенсации реактивной мощности в сетях со специфическими нагрузками
1.4.3 Статические тиристорные компенсаторы реактивной мощности
1.4.4 Разработанные устройства для компенсации реактивноймощности
1.4.5 Статические тиристорные компенсаторы реактивной мощности, выпускаемые отечественной промышленностью
2. Устройство компенсации реактивной мощности
2.1 Разработка и обоснование алгоритма функционирования и структурной схемы проектируемого устройства
2.2 Обоснование функциональной и принципиальной схем блока проектируемого устройства
3. Технико-экономическое обоснование
3.1 Планирование заработной платы на предприятии
3.2 Определение годового экономического эффекта от внедрения проектируемого устройства
4. Охрана труда
4.1 Электробезопасность
4.2 Расчет защитного заземления
Заключение
Список литературы
Приложение
ВВЕДЕНИЕ
Вопросы экономного использования всех видов энергии, в том числе электрической, и повышения экономичности работы электроустановок являются важной государственной проблемой.
Электроэнергия, как особый вид продукции, обладает определенными характеристиками, позволяющими судить о ее пригодности в различных производственных процессах. Совокупность таких характеристик, при которых приемники электроэнергии способны выполнять заложенные в них функции, объединены под общим понятием качества электроэнергии.
В последние годы повышению качества электроэнергии уделяют большое внимание, т.к. качество электроэнергии может существенно влиять на расход электроэнергии, надежность систем электроснабжения, технологический процесс производства.
При решении задачи повышения качества электроэнергии выделяют экономические, математические и технические аспекты.
Забиваем Сайты В ТОП КУВАЛДОЙ - Уникальные возможности от SeoHammer
Каждая ссылка анализируется по трем пакетам оценки: SEO, Трафик и SMM.
SeoHammer делает продвижение сайта прозрачным и простым занятием.
Ссылки, вечные ссылки, статьи, упоминания, пресс-релизы - используйте по максимуму потенциал SeoHammer для продвижения вашего сайта.
Что умеет делать SeoHammer
— Продвижение в один клик, интеллектуальный подбор запросов, покупка самых лучших ссылок с высокой степенью качества у лучших бирж ссылок.
— Регулярная проверка качества ссылок по более чем 100 показателям и ежедневный пересчет показателей качества проекта.
— Все известные форматы ссылок: арендные ссылки, вечные ссылки, публикации (упоминания, мнения, отзывы, статьи, пресс-релизы).
— SeoHammer покажет, где рост или падение, а также запросы, на которые нужно обратить внимание.
SeoHammer еще предоставляет технологию Буст, она ускоряет продвижение в десятки раз,
а первые результаты появляются уже в течение первых 7 дней.
Зарегистрироваться и Начать продвижение
Экономические аспекты включают в себя методы расчета убытков от некачественной электроэнергии в системах промышленного электроснабжения. Математические аспекты представляют собой обоснование тех или иных методов расчета показателей качества электроэнергии. Технические аспекты включают в себя разработку технических средств и мероприятий, улучшающих качество электроэнергии, а также организацию системы контроля и управления ее качеством.
Качество электроэнергии можно улучшить средствами питающей сети или применением соответствующего дополнительного оборудования на основе имеющегося опыта проектных и эксплуатационных организаций.
Часть решений, в основном обусловленных техническими требованиями, является общей и должна приниматься на основе имеющихся указаний. В других случаях учитывают специфику конкретных условий.
Стремление повысить производительность труда на современных промышленных предприятиях, а также интенсификация и усложнение технологических процессов обусловили то, что все большую долю в общем объеме суммарных нагрузок занимают резкопеременные и нелинейные нагрузки с повышенным потреблением реактивной мощности. Это, прежде всего, вентильные преобразователи, нашедшие широкое применение на заводах черной и цветной металлургии и предприятиях химической промышленности, а также мощные дуговые печи, сварочные установки и т. п.
Характерной особенностью работы этих потребителей является влияние их на качество электроэнергии питающих сетей. В свою очередь нормальная работа электрооборудования зависит от качества электроэнергии питающей системы. Такое взаимное влияние электрооборудования и питающей системы определяют термином "электромагнитная совместимость".
Решение проблемы электромагнитной совместимости связано с определением и поддержанием оптимальных показателей качества электроэнергии, при которых выполняются технические требования с минимальными затратами.
Проблема электромагнитной совместимости электроприемников с питающей сетью остро возникла в последнее время в связи с широким внедрением мощных вентильных преобразователей, дуговых сталеплавильных печей, сварочных установок и других устройств, которые при всей своей экономичности и технологической эффективности оказывают отрицательное влияние на качество электрической энергии в питающих электрических сетях.
Сервис онлайн-записи на собственном Telegram-боте
Попробуйте сервис онлайн-записи VisitTime на основе вашего собственного Telegram-бота:
— Разгрузит мастера, специалиста или компанию;
— Позволит гибко управлять расписанием и загрузкой;
— Разошлет оповещения о новых услугах или акциях;
— Позволит принять оплату на карту/кошелек/счет;
— Позволит записываться на групповые и персональные посещения;
— Поможет получить от клиента отзывы о визите к вам;
— Включает в себя сервис чаевых.
Для новых пользователей первый месяц бесплатно.
Зарегистрироваться в сервисе
При разработке новых приемников электроэнергии необходимо учитывать то отрицательное влияние, которое они могут оказывать на питающую электрическую сеть. При оценке должны приниматься во внимание дополнительные устройства, предотвращающие ухудшение качества электрической энергии. Необходимые нормы качества электрической энергии могут быть достигнуты уже на стадии проектирования электроснабжения промышленных предприятий путем соответствующих расчетов и применения технических средств.
Одним из основных вопросов, связанных с повышением качества электроэнергии в сетях, решаемых как на стадии проектирования, так и на стадии эксплуатации систем промышленного электроснабжения, является вопрос о компенсации реактивной мощности, включающий выбор целесообразных источников, расчет и регулирование их мощности, размещение источников в системе электроснабжения.
Рациональная (оптимальная) компенсация реактивной мощности в промышленных электросетях включает в себя широкий комплекс вопросов, направленных на повышение экономичности работы электроустановок, улучшение качества потребляемой электроэнергии и включающих в себя методы выбора и расчета компенсирующих устройств, исходя из условий выполнения заданий энергосистемы; вопросы места установки компенсирующих устройств и их наивыгоднейшего размещения, рациональной и безопасной эксплуатации и защиты; ключевые вопросы автоматического регулирования реактивной мощности в промышленных электросетях, а также создания целенаправленного научного подхода к разработке и решению с минимумом погрешности адекватной математической модели задачи рациональной компенсации реактивной мощности.
Рациональная компенсация реактивной мощности приводит к снижению потерь мощности из-за перетоков реактивной мощности, обеспечению надлежащего качества потребляемой электроэнергии за счет регулирования и стабилизации уровня напряжений в электросетях, достижению высоких технико-экономических показателей работы электроустановок.
Проблема компенсации реактивной мощности в электрических системах страны имеет большое значение по следующим причинам:
1) в промышленном производстве наблюдается опережающий рост потребления реактивной мощности по сравнению с активной;
2) в городских электрических сетях возросло потребление реактивной мощности, обусловленное ростом бытовых нагрузок;
3) увеличивается потребление реактивной мощности в сельских электрических сетях.
Количественные и качественные изменения, происходящие в промышленном электроснабжении за последние годы, придают этому вопросу особую значимость. В настоящее время прирост потребления реактивной мощности существенно превосходит прирост потребления активной мощности. При этом передача реактивной мощности на значительные расстояния от мест генерации до мест потребления существенно ухудшает технико-экономические показатели систем электроснабжения.
Интенсификация производственных процессов, повышение производительности труда связаны с совершенствованием существующей и внедрением новой, передовой технологии. Этому процессу сопутствует широкое внедрение мощных вентильных преобразователей, электродуговых печей, сварочных установок и других устройств, которые при всей технологической эффективности оказывают отрицательное влияние на качество электроэнергии в электрических сетях.
Следует отметить, что практически все показатели качества электроэнергии по напряжению зависят от потребляемой промышленными электроприемниками реактивной мощности. Поэтому вопросы качества электроэнергии невидимо рассматривать в непосредственной связи с вопросами компенсации реактивной мощности.
Проблема электромагнитной совместимости электроприемников с питающей сетью, которую в последнее время сравнивают с проблемой загрязнения окружающей среды, порождает новые научные и технические проблемы при проектировании и эксплуатации промышленных электрических сетей. В настоящее время принимаются меры для того, чтобы уменьшить влияние потребителей на качество электроэнергии в промышленных сетях.
Проблема может быть решена путем создания и промышленного освоения быстродействующих многофункциональных средств компенсации реактивной мощности, улучшающих качество электроэнергии сразу по нескольким параметрам. Внедрение этих устройств приведет также к уменьшению потерь электроэнергии.
Экономное использование электроэнергии приобретает все большее значение, что необходимо учитывать при проектировании и эксплуатации промышленных сетей высокого и низкого напряжения. Анализ потребления электрической энергии промышленными предприятиями показывает, что основными направлениями сокращения потерь электроэнергии в сетях являются компенсация реактивной мощности с одновременным улучшением качества потребляемой электрической энергии непосредственно в сетях промышленных предприятий, увеличение загрузки трансформаторов с целью достижения максимальной эффективности их использования, приближение трансформаторов к приемникам электроэнергии (глубокие вводы), сокращение ступеней трансформации и исключение дополнительного реакторного оборудования, сокращение потерь непосредственно в трансформаторах, внедрение более экономичного силового электрооборудования и источников света, оптимизация режимов работы электрооборудования, реконструкция и перевод сетей на повышенное напряжение, внедрение диспетчерского управления и автоматизированных систем управления электроснабжением и учетом электроэнергии.
Вопросы качества электроэнергии требуют тщательной разработки и изучения происходящих при этом явлений. Особые трудности связаны с отсутствием требуемых измерительных приборов в электрических сетях, а также сложностью и необходимостью изменения методов измерений. Это связано, в частности, с влиянием случайного характера изменений нагрузок, что, в свою очередь, требует применения статистических приборов и соответствующей обработки получаемой информации – использования вероятностно-статистических методов расчета[1].
1. ИССЛЕДОВАНИЕ МЕТОДОВ И УСТРОЙСТВ КОМПЕНСАЦИИ РЕАКТИВНОЙ МОЩНОСТИ ПРИ ЭЛЕКТРОСНАБЖЕНИИ НЕЛИНЕЙНЫХ И РЕЗКОПЕРЕМЕННЫХ НАГРУЗОК
1.1 Реактивная составляющая – неотъемлемая часть потребляемой из сети энергии
В реальных условиях электроснабжения звенья электропередачи и нагрузка потребителя всегда содержат наряду с активным сопротивлением составляющие индуктивного и емкостного сопротивлений. Устройства, потребляющие индуктивный ток, принято называть приемниками реактивной мощности (энергии), а устройства, потребляющие емкостный ток, – источниками реактивной мощности (энергии). Большая часть промышленных устройств потребляет реактивную мощность.
Состав потребителей реактивной мощности показывает, что основную часть реактивной мощности потребляют четыре вида устройств: асинхронные двигатели – 40 % (совместно с бытовыми, сельскохозяйственными электродвигателями и асинхронными электроприводами собственных нужд электростанций), электропечные установки – 8 %; вентильные преобразователи – 10 %, трансформаторы всех ступеней трансформации (потери в них) – 35 %, линии электропередачи (потери в них) – 7 %. Так как превалирует индуктивная нагрузка, то одновременно с активной мощностью по сети должна передаваться и реактивная мощность индуктивного характера[2].
При подключении к электросети с напряжением активно-индуктивной нагрузки ток в ней отстает от напряжения на угол сдвига j:
.
Электроприемник с такой нагрузкой потребляет как активную
,
так и реактивную

мощность.
Текущий коэффициент мощности в каждый момент времени:
,
где Pi
, Qi
, Si
– соответственно активная, реактивная и полная мощности в момент времени ti
(кВт, квар, кВА).
Активная и реактивная мощности предприятия изменяются не только в течение длительного промежутка времени (суток, месяца), но и в течение одной производственной смены.
Коэффициент реактивной мощности наглядно выражает реактивную мощность в долях активной. Связь между коэффициентами такая:
[4].
Активная мощность, потребляемая электроприемником, может совершать работу и преобразовываться в другие виды энергии: механическую, тепловую, световую, химическую, энергию сжатого воздуха и газа и т.п. Определенная часть активной энергии расходуется на потери.
Реактивная мощность не связана с полезной работой электроприемника и расходуется на создание электромагнитных полей в электродвигателях, трансформаторах, линиях.
Следует сказать о некоторой условности толкования Q как мощности. Активная мощность обусловлена преобразованием энергии первичного двигателя, полученной от природного источника, в электроэнергию. Реактивная мощность не преобразуется в другие виды мощности, не требует для ее производства затраты других видов энергии, не совершает работу и поэтому условно называется мощностью.
Аналогия реактивной мощности с активной состоит в сходстве аналитического выражения; в том, что электроприемники потребляют не только активную, но и реактивную мощность, так как процессы передачи и потребления электроэнергии неразрывно связаны с возникновением магнитного и электрического полей; в зависимости и активной, и реактивной мощности от напряжения и частоты в соответствии со статическими характеристиками; в зависимости потерь в сетях от потоков и активной, и реактивной мощности; в одинаковом способе измерения активной и реактивной мощности. Для расчета режимов в цепях синусоидального тока реактивная мощность является очень удобной характеристикой, широко используемой на практике[22].
С точки зрения генерации и потребления между реактивной и активной мощностью существуют значительные различия. Если большая часть активной мощности потребляется приемниками и лишь незначительная теряется в элементах сети и электрооборудования, то потери реактивной мощности в элементах сети могут быть соизмеримы с реактивной мощностью, потребляемой приемниками электроэнергии. Из 100 % реактивной мощности, вырабатываемой в энергосистеме, 22 % теряется в повышающих трансформаторах электростанций и в автотрансформаторах повышения напряжения на подстанциях 110–750 кВ энергосистемы, 6,5 % теряется в линиях районных сетей системы, 13,5 % составляют потери в понижающих трансформаторах и лишь 58 % из всей выработанной реактивной мощности приходятся на шины 6–10 кВ потребителей.
Активную мощность электрической сети получают от генераторов электрических станций, которые являются единственным источником активной мощности.
Полная мощность, вырабатываемая генератором, включает активную и реактивную составляющие.
Синхронные генераторы на электростанциях вместе с другими источниками реактивной мощности обеспечивают и регулируют баланс реактивной мощности в современных электрических сетях. В номинальном режиме генератор вырабатывает номинальные значения активной и реактивной мощностей при cosjном
.
При снижении активной мощности в сравнении с номинальным значением возможна выдача увеличенной реактивной мощности сверх номинальной. Возможность увеличения реактивной мощности за счет уменьшения активной допустимо использовать в случае избытка активной мощности, т.е. в режиме минимума активной нагрузки. В этом случае некоторая часть генераторов, несущих активную нагрузку, может переводиться на работу с пониженным коэффициентом мощности.
Увеличение же генерируемой реактивной мощности в режиме наибольших нагрузок за счет уменьшения генерации активной мощности экономически нецелесообразно. Эффективнее вместо снижения активной мощности генераторов электростанций применять для выработки реактивной мощности компенсирующие устройства. Поэтому, как правило, в сетях для покрытия потребности в реактивной мощности применяют компенсирующие устройства[20].
Прохождение в электрических сетях реактивных токов обуславливает дополнительные потери активной мощности в линиях, трансформаторах, генераторах электростанций, потери напряжения, требует увеличения номинальной мощности или числа трансформаторов, снижает пропускную способность всей системы электроснабжения. Большая загрузка реактивной мощностью электростанций приводит к перегрузке по току генераторов, к необходимости их использования специально для выработки реактивной мощности даже в те часы, когда по активной нагрузке часть генераторов можно отключить в резерв. Реактивной мощностью дополнительно нагружаются питающие и распределительные сети предприятий, соответственно увеличивается общее потребление электроэнергии[3].
Концентрация производства реактивной мощности во многих случаях экономически нецелесообразна по следующим причинам.
1. При передаче значительной реактивной мощности возникают дополнительные потери активной мощности и электроэнергии во всех элементах системы электроснабжения, обусловленные загрузкой их реактивной мощностью. Так, при передаче активной Р и реактивной Q мощностей через элемент системы электроснабжения с сопротивлением R потери активной мощности составят:
.
Таким образом, дополнительные потери активной мощности DPp
, вызванные протеканием реактивной мощности Q, пропорциональны ее квадрату.
2. Возникают дополнительные потери напряжения, которые особенно существенны в сетях районного значения. При передаче мощностей P и Q через элемент системы электроснабжения с активным сопротивлением R и реактивным Х потери напряжения составят:
,
где - потери напряжения, обусловленные активной мощностью; - потери напряжения, обусловленные реактивной мощностью.
Дополнительные потери напряжения увеличивают отклонение напряжения на зажимах приемника от номинального значения при изменениях нагрузок и режимов электросети. Это требует увеличения мощности, следовательно, и стоимости средств регулирования напряжения.
3. Загрузка реактивной мощностью систем промышленного электроснабжения и трансформаторов уменьшает их пропускную способность и требует увеличения сечений проводов воздушных и кабельных линий, увеличения номинальной мощности или числа трансформаторов подстанций и т.п.
Поскольку реактивная составляющая неизбежна при работе многих промышленных устройств, она не может быть исключена полностью. Однако целесообразно применять средства, предназначенные для уменьшения ее потребления из питающей сети.
В какой-либо электрической цепи генерируемая реактивная энергия равна потребляемой реактивной энергии. В связи с тем, что большая часть промышленных устройств является потребителями реактивной энергии, потребность в реактивной мощности обычно превышает возможности покрытия ее рациональным способом генераторами электростанций. Поэтому возникает необходимость в исследовании дополнительных устройств, поставляющих в энергетическую систему реактивную мощность. Устройствами такого типа, называемыми компенсаторами, могут служить батареи конденсаторов, синхронные компенсаторы и двигатели, а также статические источники реактивной мощности. При номинальной нагрузке генераторы вырабатывают лишь около 60% требуемой реактивной мощности, 20% генерируется в ЛЭП с напряжением выше 110 кВ, 20% вырабатывают компенсирующие устройства, расположенные на подстанциях или непосредственно у потребителя. Совместная работа компенсирующих устройств с сетью ведет к уменьшению потребления из нее реактивной составляющей тока[17].
Приведенные соображения вынуждают, насколько это технически и экономически целесообразно, приближать источники покрытия реактивной мощности к местам ее потребления и уменьшать получение реактивной мощности из энергосистемы. Это в значительной степени разгружает питающие линии электропередачи и трансформаторы от реактивной мощности.
1.2 Принципы компенсации реактивной мощности
Компенсацией реактивной мощности называют ее выработку или потребление с помощью компенсирующих устройств.
Принцип компенсации реактивной мощности заключается в следующем.
Как было установлено, ток, проходящий через конденсатор, опережает приложенное к нему напряжение на 90°, в то время как ток, проходящий через катушку индуктивности, отстает от приложенного напряжения на 90°. Таким образом, емкостный ток противоположен индуктивному току и реактивная мощность, идущая на создание электрического поля, противоположна по направлению реактивной мощности, идущей на создание магнитного поля. Поэтому емкостный ток и емкостная мощность считаются условно отрицательными по отношению к току намагничивания и мощности намагничивания, условно принятыми положительными.
Таким образом, численно равные реактивные мощности емкости и намагничивания взаимно "уничтожаются" (QC
– QL
= 0) и сеть разгружается от протекания реактивной составляющей тока нагрузки.
Принцип компенсации при помощи емкостного тока поясняет векторная диаграмма на рисунке 1.

Рисунок 1 – Принцип компенсации реактивного тока намагничивания[2]: а – схема до компенсации; б – схема с компенсацией
Емкость конденсатора С, подключенного параллельно нагрузке, содержащей R и L, подбирают такой, чтобы ток IC
, проходящий через конденсатор, был по возможности близок по абсолютной величине к намагничивающему току IL
, потребляемому индуктивностью L. Из векторной диаграммы видно, что подключение конденсатора С дало возможность уменьшить угол сдвига фаз между током и напряжением нагрузки с величины j1
до величины j2
и соответственно повысить коэффициент мощности нагрузки. Увеличивая емкость, можно полностью скомпенсировать реактивную мощность нагрузки, когда j = 0[2].
Компенсация реактивной мощности, как всякое важное техническое мероприятие, может применяться для нескольких различных целей. Во-первых, компенсация реактивной мощности необходима по условию баланса реактивной мощности. Во-вторых, установка компенсирующих устройств применяется для снижения потерь электрической энергии в сети. И, наконец, в-третьих, компенсирующие устройства применяются для регулирования напряжения.
Во всех случаях при применении компенсирующих устройств необходимо учитывать ограничения по следующим техническим и режимным требованиям:
1) необходимому резерву мощности в узлах нагрузки;
2) располагаемой реактивной мощности на шинах ее источника;
3) отклонениям напряжения;
4) пропускной способности электрических сетей.
Для уменьшения перетоков реактивной мощности по линиям и трансформаторам источники реактивной мощности должны размещаться вблизи мест ее потребления. При этом передающие элементы сети разгружаются по реактивной мощности, чем достигается снижение потерь активной мощности и напряжения.
Таким образом, вследствие применения компенсирующих устройств на подстанции при неизменной мощности нагрузки реактивные мощности и ток в линии уменьшаются – линия разгружается по реактивной мощности[20].
Уменьшение потребления реактивной мощности на предприятии достигается путем компенсации реактивной мощности как естественными мерами (сущность которых состоит в ограничении влияния приемника на питающую сеть путем воздействия на сам приемник), так и за счет специальных компенсирующих устройств (реактивной мощности) в соответствующих точках системы электроснабжения.
Мероприятия, проводимые по компенсации реактивной мощности эксплуатируемых или проектируемых электроустановок потребителей, могут быть разделены на следующие три группы:
1) не требующие применения компенсирующих устройств;
2) связанные с применением компенсирующих устройств;
3) допускаемые в виде исключения.
Мероприятия первой группы направлены на снижение потребления реактивной мощности и должны рассматриваться в первую очередь, поскольку для их осуществления, как правило, не требуется значительных капитальных затрат.
Последние два мероприятия должны обосновываться технико-экономическими расчетами и применяться при согласовании с энергосистемой.
Мероприятия, не требующие применения компенсирующих устройств:
1) упорядочение технологического процесса, ведущее к улучшению энергетического режима оборудования, а следовательно, и к повышению коэффициента мощности;
2) переключение статорных обмоток асинхронных двигателей напряжением до 1000 В с треугольника на звезду, если их загрузка составляет менее 40%;
3) устранение режима работы асинхронных двигателей без нагрузки (холостого хода) путем установки ограничителей холостого хода, когда продолжительность межоперационного периода превышает 10 мин;
4) замена, перестановка и отключение трансформаторов, загружаемых в среднем менее чем на 30% от их номинальной мощности;
5) замена мало загруженных двигателей двигателями меньшей мощности при условии, что изъятие избыточной мощности влечет за собой уменьшение суммарных потерь активной энергии в энергосистеме и двигателе;
6) замена асинхронных двигателей синхронными двигателями той же мощности, где это возможно по технико-экономическим соображениям;
7) применение синхронных двигателей для всех новых установок электропривода, где это приемлемо по технико-экономическим соображениям;
8) регулирование напряжения, подводимого к электродвигателю при тиристорном управлении;
9) повышение качества ремонта двигателей с сохранением их номинальных данных;
10) применение преобразователей с большим числом фаз выпрямления;
11) применение поочередного и несимметричного управления работой преобразователей;
12) применение специальных преобразовательных систем с искусственной коммутацией вентилей (такие системы характеризуются сниженным потреблением реактивной мощности), а также систем с ограниченным содержанием высших гармоник в токе питающей сети.
Мероприятия, связанные с применением компенсирующих устройств:
1) установка статических конденсаторов;
2) использование синхронных двигателей в качестве компенсаторов;
3) применение статических источников реактивной мощности;
4) применение систем компенсации, состоящих из нескольких перечисленных устройств, работающих параллельно.
Применению устройств компенсации реактивной мощности должен предшествовать тщательный технико-экономический анализ в связи с высокой стоимостью и достаточной сложностью этих устройств.[4].
Компенсирующие устройства в зависимости от места их расположения в разветвленной электроэнергетической системе подразделяются на следующие виды: индивидуальные, групповые, централизованные компенсаторы. На рисунке 2 показаны различные схемы расположения компенсирующих устройств в электроэнергетической системе.

Рисунок 2 – Схемы подсоединения компенсирующих устройств:
а – индивидуальная компенсация; б – групповая компенсация; в – централизованная компенсация[17]
Индивидуальные компенсаторы – устройства, работающие непосредственно с приемником, потребляющим из питающей сети реактивную мощность. При полной компенсации приемник и устройство компенсации представляют для питающей сети устройства, потребляющие только активную мощность. Однако при выключенном потребителе компенсирующие устройства также не используются, что является главным недостатком индивидуальной компенсации. Такой вид компенсации лучше всего применять для компенсации мощности искажения приемников с нелинейными характеристиками.
Групповая и централизованная компенсация позволяет использовать устройства независимо от работы отдельных потребителей. Для реализации компенсации этого вида требуется дополнительная аппаратура – коммутационная и защитная; кроме того, компенсирующие устройства должны обеспечивать достаточный диапазон регулирования потребляемой мощности. Диапазон изменения мощности, потребляемой компенсирующими устройствами, должен быть определен на основе анализа суточной потребности в реактивной мощности для данной группы потребителей. Как правило, для группы потребителей характерно частое изменение нагрузки, что требует применения компенсирующих устройств с автоматическим регулированием мощности, отдаваемой компенсатором.
При непрерывном развитии электроэнергетических систем и наметившейся тенденции к созданию все более крупных энергоблоков значение централизованной компенсации снижается. При централизованной компенсации в крупных энергосистемах не обеспечивается компенсация во всех точках системы, особенно при размещении нелинейных нагрузок на большом расстоянии от электростанций и подстанций, причем, чем больше расстояние, тем больше потери в сети. Поэтому в настоящее время все чаще создают групповые компенсаторы, а для нелинейной нагрузки большой мощности – индивидуальные компенсаторы.
Важным моментом является соответствующее расположение компенсатора, и в особенности выбор мест подсоединения схем измерения. Компенсатор целесообразно располагать так, чтобы имелась возможность стабилизации реактивной мощности в точке подключения преобразователя. В этом случае достигается ограничение колебания напряжения в энергосистеме при изменении условий работы подключенных потребителей[17].
1.3 Влияние преобразовательных установок на сети промышленного электроснабжения
Интенсивное развитие силовой полупроводниковой преобразовательной техники и ее использование в тиристорных электроприводах переменного и постоянного тока, вентильных преобразователях для электротермических и электротехнологических установок различного назначения привело к ухудшению показателей качества электроэнергии, предусмотренных ГОСТ, а также к снижению естественного коэффициента мощности в сетях промышленного электроснабжения.
При всей своей прогрессивности и технологической эффективности тиристирные преобразователи являются одними из главных нарушителей качества электроэнергии в питающей сети, т.е. существует проблема электромагнитной совместимости их с питающей сетью. Это объясняется тем, что все изменения режима работы преобразовательных установок прямо передаются в питающую электрическую сеть.
Особенно заметно это проявляется в колебаниях напряжения (они могут достигать величины более 20 % в сети 10 кВ) и частоты питающей электрической сети. Это обуславливается резким изменением как активной (колебания частоты), так и реактивной (колебания напряжения) мощности. Кроме того, работа установок сопровождается большими искажениями напряжения, происходящими из-за коммутации вентилей.
Вентильные преобразователи оказывают все более сильное отрицательное воздействие на качество напряжения в питающей сети в связи с расширением их применения и увеличением единичной мощности. Как известно, это объясняется тем, что преобразователи, в особенности регулируемые, за счет сдвига первой гармоники тока относительно напряжения потребляют значительную реактивную мощность, зачастую с весьма неравномерным временным графиком, а за счет высших гармоник потребляемого тока являются источниками сильных искажений кривой напряжения сети. Оба этих фактора, кроме того, вызывают дополнительные потери мощности в питающей сети. Поэтому проблема улучшения коэффициента мощности преобразователей относится к числу одной из наиболее актуальных в современной преобразовательной технике и электроэнергетике.
Наряду с широко известными достоинствами (сравнительная простота регулирования, удобство эксплуатации, а также небольшие потери мощности) управляемые вентильные выпрямители имеют ряд серьезных недостатков, основным из которых является низкий коэффициент мощности при глубоком регулировании выпрямленного напряжения.
Потребление реактивной мощности преобразовательными агрегатами обусловлено в основном двумя причинами: естественным коммутационным процессом и искусственной задержкой момента открытия вентиля в целях регулирования выпрямленного напряжения. Именно эти факторы создают сдвиг тока в цепях вентилей относительно напряжения, понижают коэффициент мощности в сетях, питающих выпрямители, и повышают потребление реактивной мощности.
При работе трехфазного преобразовательного агрегата переход тока с фазы А
на фазу В
(рисунок 3) происходит не в момент равенства напряжений: UA
=UB
, а занимает некоторое время коммутации и происходит с запаздыванием на соответствующий этому времени угол коммутации g, в течение которого напряжение UB
превысит UA
на достаточное для перехода тока значение.

Рисунок 3 – Сдвиг по фазе тока и напряжения в вентильном преобразователе[22]
На рисунке 3 это учтено тем, что ток вентиля представлен в виде трапеции, наклон которой зависит от времени коммутации и от угла коммутации.
В управляемых вентилях искусственно создается задержка открытия вентиля для снижения выпрямленного напряжения. При этом возникает сдвиг анодного тока i2
относительно кривой напряжения на время, измеряемое углом a. Угол сдвига по фазе тока i2
относительно амплитуды напряжения U2
равен:
.
Приблизительно на такой же угол j сдвинут в сторону отставания от напряжения U1
и первичный ток I1
преобразовательного трансформатора, чем и определяется реактивная нагрузка сети от преобразовательного агрегата.
Cosj – коэффициент сдвига тока I1
относительно напряжения U1
– можно представить так:
[22].
При работе в выпрямительном режиме вентильный преобразователь потребляет из сети переменного тока активную и реактивную мощность. При работе в инверторном режиме – отдает в сеть переменного тока активную мощность, потребляя реактивную. При a=90° вентильный преобразователь потребляет из сети переменного тока только реактивную мощность[7].
В наибольшей мере этот фактор проявляется при работе выпрямителя на противоЭДС и постоянстве тока нагрузки, например, в электроприводе с двигателем постоянного тока. Здесь при выпрямленном напряжении, близком к нулю, реактивная мощность максимальна. Таким образом, с уменьшением выпрямленного напряжения реактивная мощность выпрямителя растет, увеличивая загрузку электрических сетей реактивным током, что в свою очередь сопровождается значительными потерями активной энергии и напряжения в сети, а также снижением пропускной способности всей системы электроснабжения.
Жесткая связь между переменным током на входе выпрямителя и его выпрямленным током имеет своим следствием то, что, несмотря на уменьшение выпрямленного напряжения и соответствующее уменьшение мощности на выходе выпрямителя потребляемый им из сети ток сохраняет значение, пропорциональное выпрямленному току. При включении выпрямителя и малом значении его выпрямленного напряжения или при резком уменьшении этого напряжения происходит наброс реактивной мощности на сеть, что в случае значительной мощности нагрузки сопровождается провалом напряжения в сети и вредно отражается на остальных ее потребителях. В ряде случаев это нередко влечет за собой необходимость реконструкции сети.
Таким образом, преобразовательные агрегаты являются крупными потребителями реактивной мощности, режим потребления которых имеет особенности, связанные с нелинейностью и нестабильностью параметров нагрузки.
В условиях возрастающего использования вентильных преобразователей отмеченные их недостатки сопровождаются ощутимым технико-экономическим ущербом. Для их устранения существует два пути: внешняя и внутренняя компенсация.
Внешняя компенсация основана на применении различных компенсирующих устройств, генерирующих реактивную мощность в сеть – конденсаторных батарей, синхронных компенсаторов, регулируемых и нерегулируемых источников реактивной мощности. К ним относятся также фильтрокомпенсирующие устройства, выполненные на базе реакторов и конденсаторов.
Внутренняя компенсация предполагает уменьшение как потребления реактивной мощности, так и генерации высших гармоник тока посредством изменений в самом выпрямителе[18].
Эффективный способ компенсации реактивной мощности преобразовательных установок – создание компенсационного преобразовательного агрегата с искусственной коммутацией, который генерирует реактивную мощность.
Принципиальная схема такого устройства показана на рисунке 4.

Рисунок 4 – Принципиальная схема компенсационного преобразовательного агрегата
В данной схеме между фазами включена трехфазная группа конденсаторов (САВ
, СВС
, ССА
), которая создает опережающий сдвиг по фазе тока относительно вектора напряжения. В обычной трехфазной схеме преобразования переход тока с одной фазы на другую происходит в момент, когда сравниваются напряжения этих фаз: UA
=UB
. В компенсационном преобразователе благодаря действию конденсатора коммутация происходит раньше, в момент, когда UA
= UB
+ UAB
емк
, где UAB
емк
– напряжение на конденсаторе САВ
.
Регулируя емкость конденсатора, можно изменять в требуемых пределах значение UAB
емк
и этим добиться коммутации тока при меньшем значении напряжения фазы UB
и при меньшем угле коммутации. Ток фазы будет опережать напряжение, и преобразователь будет генерировать реактивную мощность в сеть[22].
Проблема несинусоидальности – проблема высших гармоник – возникла в последнее время в связи с применением мощных электроприемников с нелинейной вольт-амперной характеристикой, таких, как электросварка, дуговые сталеплавильные печи, неуправляемые и, особенно, управляемые вентильные преобразователи. В настоящее время проблема высших гармоник является одной из важных частей общей проблемы электромагнитной совместимости приемников электроэнергии с питающей электрической сетью.
В электрических сетях промышленных предприятий со значительным удельным весом вентильных преобразователей несинусоидальность формы кривой напряжения может значительно превышать нормируемые ГОСТ пределы.
Для тиристорных преобразователей порядок высших гармоник определяется по формуле
n = mk ± 1,
где m – число фаз выпрямления; k – натуральный ряд чисел.
При 6-фазной схеме выпрямления n = 5, 7, 11, 13, 17, 19, 23, 25, и т.д.
При 12-фазной схеме n = 11, 13, 23, 25, 35, 37 и т.д.
При 24-фазной схеме выпрямления n = 23, 25, 47, 49, 71, 73 и т.д.[21].
Токи, потребляемые из питающей сети вентильными преобразователями, имеют обычно искаженную форму, а основная гармоника тока сдвинута по фазе в сторону отставания по отношению к напряжению питания. Это означает, что в питающей сети появляются высшие гармоники тока и, кроме того, из сети потребляется реактивная мощность. Это ведет к возрастанию потерь электроэнергии в питающей сети и к ухудшению качества энергии, подводимой к другим потребителям. В дополнение к этому в мощных устройствах с быстрым изменением угла задержки вентилей (например, в преобразователях, питающих приводные двигатели прокатных станов) возникают большие кратковременные набросы реактивной мощности, неблагоприятно влияющие на других потребителей.
Несинусоидальный ток в сопротивлениях питающей сети создает несинусоидальные падения напряжения так, что даже при синусоидальной ЭДС источника энергии в сети с выпрямительной нагрузкой имеют место несинусоидальные токи и напряжения. Таким образом, нагрузка потребляет из питающей сети искаженный ток, в состав которого входят гармоники, с частотами, превышающими основную частоту. Падения напряжения, обусловленные этими токами, вызывают искажение кривой напряжения питания, что ведет к дополнительным потерям передаваемой мощности, может нарушить работу других приемников, создает опасность возникновения резонанса и перегрузку цепей, содержащих емкости. Поэтому выпрямительную нагрузку можно рассматривать как генератор высших гармонических напряжения. Вышесказанное объясняет необходимость применения устройств, противодействующих искажению тока, потребляемого из питающей сети[5,17].
Высшие гармоники оказывают отрицательное влияние на технологический процесс и режим работы электролизеров и т. п. Наличие пульсирующего напряжения с большим содержанием высших гармоник способствует увеличению обратимых восстановительных процессов в электролите, влияет на подвижность ионов, перенос заряда и, следовательно, приводит к снижению коэффициента полезного действия электролизных установок, ухудшению качества продукции.
При прохождении токов высших гармоник по элементам системы электроснабжения возникают дополнительные потери активной мощности и электроэнергии. Наибольшие дополнительные потери активной мощности имеют место в трансформаторах, двигателях и генераторах. В ряде случаев эти потери могут привести к недопустимому перегреву обмоток электрических машин и во всех случаях приводят к дополнительным потерям электрической энергии.
При наличии гармоник в кривой напряжения процесс старения изоляции протекает более интенсивно, что объясняется ускорением при высоких частотах электрического поля физико-химических процессов в диэлектриках, обусловливающих их старение.
Высшие гармоники тока и напряжения влияют на погрешности электроизмерительных приборов. В практике эксплуатации существенное значение имеет увеличение погрешностей индукционных счетчиков активной и реактивной энергии. В большинстве случаев эти приборы при несинусоидальных напряжениях и токах имеют довольно большую погрешность, которая может достигать 10%. Значения этих погрешностей существенно отражаются при учете потребления электрической энергии.
Наличие высших гармоник затрудняет и в ряде случаев делает невозможным использование силовых цепей в качестве каналов для передачи информации. Высшие гармоники ухудшают работу телемеханических устройств, вызывают сбои в их работе, если силовые цепи используются в качестве каналов связи.
Несинусоидальность формы кривой напряжения отрицательно сказывается и на работе вентильных преобразователей, ухудшая качество выпрямления тока.
На частотах выше 1000 Гц в системах электроснабжения возможны резонансные явления, которые значительно увеличивают действующие значения напряжений гармоник резонансных частот.
Таким образом, наличие высокого уровня гармонических составляющих в системах электроснабжения промышленных предприятий приводит к следующим отрицательным явлениям:
1) появлению дополнительных потерь активной мощности и электроэнергии в элементах сети;
2) снижению коэффициента мощности;
3) ограничению области применения конденсаторных батарей вследствие возможности появления резонансных или близких к ним режимов на частотах высших гармоник;
4) ускорению старения изоляции электрооборудования;
5) появлению высших гармоник тока в сети выпрямленного напряжения;
6) существенному увеличению погрешности счетчиков для учета активной и реактивной энергии, а также измерителей токов и напряжений;
7) вредному действию на коммутацию трехфазных коллекторных двигателей;
8) неправильному действию некоторых видов релейных защит, ухудшению качества, а в некоторых случаях к сбоям в работе систем контроля, автоматики, телемеханики и связи[6].
Ограничение несинусоидальности напряжения с наибольшей эффективностью может быть достигнуто на стадии проектирования электроснабжения промышленных предприятий, но требует дополнительных затрат. Поэтому такое ограничение является технико-экономической проблемой, которую нельзя решать в отрыве от задачи компенсации реактивной мощности. Это объясняется тем, что компенсирующие устройства с емкостными параметрами (например, конденсаторные батареи, фильтры высших гармоник) в сочетании с индуктивным сопротивлением питающей сети могут приводить к резонансу в сети на высокой частоте, и следовательно, к увеличению отдельных гармоник тока и напряжения.
Появление убытка от высших гармоник обусловливает необходимость снижения их уровней в системах электроснабжения. В настоящее время основными мерами по уменьшению влияния высших гармоник напряжения на элементы электроустановок являются:
- рациональное построение схемы электроснабжения;
- применение многофазных схем выпрямления, специальных законов управления преобразователями;
- использование резонансных фильтров.
Увеличение числа фаз выпрямления является действенной мерой снижения уровней высших гармоник. Однако анодные трансформаторы для большого числа фаз выпрямления получаются сложными, дорогими и ненадежными. Поэтому для мощных преобразователей применяют, как правило, не более чем 12-фазный режим выпрямления.
Одним из наиболее перспективных способов уменьшения токов и напряжений высших гармоник в сетях промышленных предприятий является применение силовых фильтров высших гармоник, представляющих собой последовательное соединение индуктивного и емкостного сопротивлений, настроенных в резонанс на фильтруемую гармонику.
На рисунке 5 показана схема поперечного фильтра высших гармоник. Звено фильтра представляет собой контур из последовательно соединенных индуктивности и емкости, настроенных на частоту определенной гармоники. Сопротивление звена фильтра токам высших гармоник:
,
где XL
, XC
– сопротивления соответственно реактора и батареи конденсаторов току промышленной частоты.
С увеличением частоты индуктивное сопротивление реактора увеличивается, а батареи конденсаторов – уменьшается пропорционально номеру гармоники.

Рисунок 5 – Схема включения фильтров 5, 7, 11 и 13-й гармоник[1]
На частоте одной из гармоник индуктивное сопротивление реактора становится равным емкостному сопротивлению батареи конденсаторов, и в цепи звена фильтра возникает резонанс напряжений. При этом сопротивление звена току резонансной частоты равно нулю и оно шунтирует электрическую систему на этой частоте.
Параллельный фильтр представляет собой ряд звеньев, каждое из которых настроено на резонанс для частоты определенной гармоники. На практике обычно применяют фильтры, состоящие из звеньев, настроенных на частоты 5, 7, 11, 13, 23 и 25-й гармоник. Поперечный фильтр является одновременно и источником реактивной мощности и служит средством компенсации реактивных нагрузок. Параметры фильтров подбирают таким образом, чтобы звенья были настроены в резонанс на частоты фильтруемых гармоник, а их емкости позволяли бы генерировать необходимую реактивную мощность на промышленной частоте. В ряде случаев для компенсации реактивной мощности параллельно фильтру включают батарею конденсаторов.
На рисунке 6 показана схема включения фильтров в трехфазную сеть:

Рисунок 6 – Схемы силовых резонансных фильтров высших гармоник:
а – соединение в звезду; б – соединение в треугольник[22]
Основным недостатком фильтров является их высокая стоимость, обусловленная в основном стоимостью батарей конденсаторов. Поэтому применение фильтров целесообразно лишь в тех случаях, когда требуется не только не допустить проникновения в электрическую систему токов некоторых гармоник, но и скомпенсировать реактивную мощность в рассматриваемом пункте системы электроснабжения. Распространение фильтров ограничивает также большая их чувствительность к точности настройки. При неточной настройке звеньев фильтра эффективность его уменьшается и даже может иметь место увеличение гармоник напряжения на шинах подстанции.
Для эффективной работы фильтров их надо устанавливать, начиная с гармоники самого низкого порядка, возникающей при работе нелинейных нагрузок (с фильтра 5-й гармоники для вентильных преобразователей). При неправильном включении фильтров коэффициент несинусоидальности в точке их подключения не только не уменьшается, но и может значительно увеличиваться. Возникает значительная перегрузка батарей конденсаторов в цепи фильтра токами высших гармоник, которая ведет к выходу из строя конденсаторных батарей и фильтра высших гармоник.
Отклонение значений емкостей батарей конденсаторов и индуктивностей реакторов, входящих в состав фильтров, обусловливается целым рядом факторов, которые можно разделить на субъективные и объективные.
К субъективным причинам относятся отсутствие опыта проектирования, изготовления, монтажа и промышленной эксплуатации силовых фильтров, отсутствие научно обоснованных методик и аппаратуры настройки фильтров перед эксплуатацией и подстройки их в процессе эксплуатации.
К числу объективных факторов можно отнести изменение емкостей батарей конденсаторов и индуктивностей реакторов в зависимости от температуры нагрева, изменение индуктивных и емкостных сопротивлений фильтров при изменении частоты питающей сети, ступенчатое регулирование индуктивности реактора фильтра с помощью отпаек, последствия аварийных режимов в фильтрах[22].
Наиболее простым методом снижения несинусоидальности является выделение нелинейных нагрузок на отдельную секцию шин, подключенную к одной обмотке многообмоточного трансформатора или реактора. Допустимое значение коэффициента несинусоидальности на шинах с нелинейной нагрузкой определяется только условиями надежной работы автоматических систем управления и самих нагрузок. Возможно и противоположное решение: рассредоточение нелинейных нагрузок по различным узлам систем электроснабжения исходя из допустимого уровня несинусоидальности[12].
Следует отметить, что в настоящее время ведутся широкие исследования способов и средств уменьшения высших гармоник в электрических сетях. Известны предложения по применению усложненных законов управления вентильными преобразователями, при которых не только значительно снижается влияние преобразователей на форму кривой напряжения сети, но и одновременно уменьшается потребление ими реактивной мощности.
1.4 Компенсация реактивной мощности в системах электроснабжения преобразовательных установок
1.4.1 Технические трудности, возникающие при использовании конденсаторных батарей для компенсации реактивной мощности
Широкое использование вентильных преобразователей в промышленности приводит к необходимости решать вопросы уменьшения их воздействия на питающую сеть, и в первую очередь вопросы компенсации реактивной мощности.
Известно, что наиболее экономичным средством для компенсации реактивной мощности являются конденсаторные батареи. Это объясняется их преимуществами перед другими средствами компенсации реактивной мощности, а именно: возможность применения как на низком, так и на высоком напряжении; малые потери активной мощности (0,0025–0,005 кВт/квар); наименьшая удельная стоимость (за 1 квар) по сравнению с другими компенсирующими устройствами; простота эксплуатации (ввиду отсутствия вращающихся и трущихся частей); простота производства монтажа (малая масса, отсутствие фундамента); возможность использования для установки любого сухого помещения.
Но в сетях с повышенным содержанием высших гармоник, генерируемых нелинейными нагрузками, применение обычных средств компенсации реактивной мощности, рассчитанных на синусоидальные токи и напряжения, связано с техническими трудностями.
При необходимости компенсации нагрузок с быстроизменяющейся реактивной мощностью применяемое повсеместно регулирование мощности конденсаторной батареи путем подключения или отключения ее секций с помощью механических выключателей оказывается затруднительным, а часто и невозможным в связи с высокой стоимостью, малым быстродействием и низкой механической прочностью выключателей, а также ступенчатым характером регулирования мощности батареи. Возможно, кроме того, возникновение ударных коммутационных сверхтоков, зависящих от момента подключения батареи конденсаторов к питающей сети, а также неблагоприятное воздействие на конденсаторы токовых перегрузок при частоте высших гармоник, генерируемых нелинейными нагрузками.
Исследование процесса работы конденсаторных установок при наличии высших гармоник в питающей сети, особенно при работе вентильных преобразователей, представляет важное практическое значение для определения возможности применения конденсаторных батарей в системах электроснабжения промышленных предприятий.
Практика работы промышленных предприятий свидетельствует о том, что батареи конденсаторов, работающие при несинусоидальном напряжении, в ряде случаев быстро выходят из строя в результате вспучиваний и взрывов. Причиной разрушения конденсаторов является перегрузка их токами высших гармоник, которая возникает, как правило, из-за того, что конденсаторные батареи изменяют частотные характеристики систем и способствуют возникновению резонанса токов. При подключении батареи конденсаторов к шинам подстанции, питающей мощную вентильную нагрузку, какое бы ни было значение емкости батареи, всегда найдется такая группа гармоник, при которых конденсаторы вступают в режим резонанса токов (или близкий к нему) с индуктивностью сети.
Токи резонансной группы гармоник, генерируемые вентильным преобразователем в сеть, значительно уменьшаются, и можно говорить о том, что напряжения гармоник резонансной группы приложены к батарее конденсаторов непосредственно. В то же время емкостное сопротивление батареи конденсаторов уменьшается с увеличением номера гармоники. Это приводит к тому, что через БК протекают значительные токи резонирующих гармоник, соизмеримые, а иногда и значительно превосходящие ток первой гармоники. Перегрузки по току на конденсаторы допускают до 30%, по напряжению – до 10% от номинальных значений. На самом деле за счет появления резонансных явлений перегрузка по току может достигать 400–500%, т.к. токи резонансных частот могут значительно превышать ток первой гармоники. При выборе мощности и места установки конденсаторных батарей необходимо учитывать возможные резонансы тока и напряжения на одной из гармоник, генерируемых нелинейной нагрузкой.
Например, на одном из промышленных предприятий для компенсации реактивной мощности по проекту установлены конденсаторные батареи общей мощностью 11500 квар. Но ввести их в работу оказалось невозможным из-за наличия в цепи высших гармоник тока, которые появлялись при работе полупроводниковых выпрямительных агрегатов. Резкие толчки тока достигали 150–180 % номинального, что приводило к выходу из строя конденсаторов: за 5 ч работы вышло из строя 50 конденсаторных банок общей мощностью 1400 квар. Наблюдалось "ненормальное гудение" конденсаторных батарей, отключение масляных выключателей от максимальной защиты. В то же время без компенсации реактивной мощности нормальная работа установок невозможна, так как при этом коэффициент мощности составляет 0,57–0,6[22].
Работу батарей конденсаторов в условиях несинусоидального напряжения необходимо рассматривать с позиций взаимного влияния высших гармоник питающей сети и батарей конденсаторов.
Проведенные многочисленные экспериментальные исследования доказали, что в системах электроснабжения промышленных предприятий, имеющих мощные вентильные преобразователи, несинусоидальность напряжения, как правило, превышает нормируемые пределы, достигая в ряде случаев 20%. Поэтому на предприятиях с вентильной нагрузкой вопросы компенсации реактивной мощности до конца не решены.
Расчеты параметров схемы включения конденсаторной батареи с вентильным преобразователем с целью компенсации реактивной мощности показывают, что при этом общее действующее значение тока конденсаторной батареи во много раз превысит допустимое, что приведет к ее повреждению. Общий коэффициент несинусоидальности напряжения также резко увеличивается в точке присоединения конденсаторной батареи.
На рисунке 7 дана схема распределительной сети, питающей тиристорный преобразователь, в которой для компенсации реактивной мощности используется конденсаторная установка.

Рисунок 7 – Схма подключения конденсатора к преобразовательному трансформатору (а) и схема замещения (б)[1]
На рисунках 8–10 показаны напряжение питающей сети и токи батареи конденсаторов различной мощности, подключенных для компенсации реактивной мощности к вентильной нагрузке.

Рисунок 8 – Осциллограммы, полученные на физической модели (рис. 7): а – фазного напряжения в точке 1; б – тока в конденсаторной батарее (С = 1 мкФ)
В токе конденсаторной батареи І1
= 100 %, І7
= 50 %, І11
= 60 %, І13
= 50 %, І17
= 60 %, І19
= 60 %, І29
= 60 %, І35
= 60 %, І37
= 140 %, І55
= 125 %, І59
= 160 %, І61
= = 140%, І71
= 125 % І1
. Перегрузка конденсатора по току составляет 370 %, КНС
= = 16 %.
Здесь же даны уровни отдельных гармоник тока, протекающих через конденсаторную батарею, и общая перегрузка конденсаторов токами высших гармоник.

Рисунок 9 – Осциллограммы, полученные на физической модели (рис.7): а – фазного напряжения в точке 1, КНС
= 38 %;б – тока в конденсаторной батарее (С = 15 мкФ)
В токе конденсаторной батареи І1
= 100 %, І7
= 90 %, І11
= 250 %, І13
= 225 %, І17
= 70 %, І19
= 80 % І1
. Перегрузка конденсатора по току составляет 400 %.

Рисунок 10 – Осциллограммы, полученные на физической модели (рис.7): а – тока в конденсаторной батарее (С = 70 мкФ);б – фазного напряжения в точке 1, КНС
= 44 %
В токе конденсаторной батареи І1
= 100 %, І5
= 160 %, І7
= 60 % І1
. Перегрузка конденсатора по току составляет 200 %[22].
Таким образом, непосредственное применение батарей конденсаторов в целях компенсации реактивной мощности в сетях с вентильными нагрузками проблематично. В каждом конкретном случае необходим расчет токовой перегрузки батарей резонансной группой гармоник. В некоторых случаях такие расчеты необходимо производить до гармоник достаточно высокого порядка, особенно при малых емкостях конденсаторных батарей[6].
1.4.2 Особенности компенсации реактивной мощности в сетях со специфическими нагрузками
На основании указанного выше можно сделать вывод о том, что в сетях со специфическими нагрузками (к ним относят нелинейные, несимметричные и резкопеременные нагрузки) существуют определенные особенности компенсации реактивной мощности, которые заключаются в следующем:
1. Из-за низкого коэффициента мощности потребителей и резкопеременного характера нагрузки необходимо осуществлять компенсацию как постоянной, так и переменной составляющей реактивной мощности. Компенсация постоянной составляющей реактивной мощности необходима для улучшения cosj и для уменьшения отклонений напряжения в питающей сети. Компенсация переменной составляющей реактивной мощности преследует цель уменьшения колебания напряжения в питающей сети.
2. Из-за быстрых изменений потребляемой реактивной мощности необходимо применение быстродействующих компенсирующих устройств, способных изменять регулирующую реактивную мощность со скоростью, соответствующей скорости наброса и сброса потребляемой реактивной мощности. Необходимое быстродействие таких компенсирующих устройств можно ориентировочно определить как dQ/dt = 100–2000 Мвар/с.
3. Из-за неравномерного потребления реактивной мощности по фазам необходимо и пофазное управление компенсирующими устройствами.
4. Ограничивается применение батарей конденсаторов для компенсации постоянной составляющей реактивной мощности в сети с резкопеременной вентильной нагрузкой. Это обусловлено наличием в сети высших гармоник тока и напряжения при работе нелинейных нагрузок. Высшие гармоники приводят к значительным перегрузкам батарей конденсаторов по току[12].
Вообще говоря, положение, сложившееся в стране с компенсацией реактивной мощности в электрических сетях, в том числе и в сетях, питающих преобразовательную технику, остается весьма напряженным. Компенсированность наших электрических сетей в 2–3 раза ниже, чем в развитых странах мира. Следует заметить, что решение этой задачи не является простым. С одной стороны это связано с большой потребностью и острым дефицитом конденсаторных батарей, а с другой стороны – с тем, что в условиях преобразовательных подстанций традиционный способ компенсации путем непосредственного включения конденсаторов в сеть сопровождается массовым выходом их из строя из-за перегрузки токами высших гармоник при возникновении резонансных явлений.
Не лучше дело обстоит и с гармоническим воздействием преобразовательных подстанций на питающие сети. На подавляющем числе предприятий указанных выше производств коэффициенты несинусоидальности напряжений и токов существенно превышают требования ГОСТ.
Основными техническими средствами компенсации реактивной мощности и улучшения спектров токов и напряжений на преобразовательных подстанциях являются:
а) синхронные компенсаторы;
б) тиристорные компенсаторы реактивной мощности;
в) пассивные фильтрокомпенсирующие устройства;
г) активные фильтры;
д) параметрические источники тока;
е) выпрямительные агрегаты с повышенными энергетическими показателями.
Несмотря на применение на ряде предприятий синхронных компенсаторов, интерес к этому способу компенсации в условиях преобразовательной нагрузки заметно упал.
Наоборот, во всем мире проводятся исследования и разработка статических (в основном тиристорных) компенсаторов реактивной мощности. Зачастую на эти же устройства дополнительно возлагаются функции фильтрации высших гармоник и снижения степени несимметрии питающих напряжений.
Повышенное внимание в настоящее время уделяется также совершенствованию схемных решений, методам расчета и вопросам практического применения фильтрокомпенсирующих устройств.
Новым направлением повышения качества напряжения в электрических сетях является использование активных силовых фильтров. Такие фильтры могут быть построены на базе схем типа инвертор тока с импульсной модуляцией интервалов проводимости вентилей; управляемых с помощью высокочастотной импульсной модуляции индуктивностей и емкостей; обращенного инвертора напряжения и др. В результате могут быть реализованы фильтры с перестраиваемыми параметрами и адаптивные фильтры, при необходимости и соответствующей установленной мощности решающие и проблему компенсации реактивной мощности.
Существенную роль в решении указанной выше проблемы способны сыграть индуктивно-емкостные преобразователи, в частности, параметрические источники тока. При преобразовании потребляемой из питающей сети энергии переменного тока в энергию стабилизированного постоянного тока в условиях изменения напряжения на нагрузке в широких пределах, когда в обычных преобразователях наблюдаются набросы реактивной мощности и заметные искажения сетевого тока, параметрический источник тока резко снижает указанный отрицательный эффект[16].
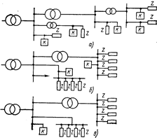
1.4.3 Статические тиристорные компенсаторы реактивной мощности
При наличии быстрых и резкопеременных нагрузок становится перспективным применение статических компенсаторов реактивной мощности, обеспечивающих возможность безынерционного регулирования реактивной мощности. При этом улучшаются условия статической устойчивости энергосистемы в целом, что обеспечивает дополнительную экономию за счет повышения технико-экономических показателей работы электроустановок.
Статические компенсаторы реактивной мощности (СКРМ) являются перспективным средством рациональной компенсации реактивной мощности в силу присущих им положительных свойств, таких, как быстродействующее регулирование, подавление колебаний напряжения, симметрирование нагрузок, отсутствие вращающихся частей, плавность регулирования реактивной мощности, выдаваемой в сеть. Кроме того, эти устройства могут осуществлять плавное и оптимальное распределение напряжений, обеспечивая тем самым снижение их потерь в распределительных электросетях[9].
На рисунке 11 приведены основные варианты статических компенсирующих устройств. Они содержат фильтры высших гармоник и регулируемый дроссель в различных исполнениях.

Рисунок 11 – Схемы статических компенсирующих устройств[6]
В настоящее время известно большое количество вариантов схем, которые разделяют на три группы:
1) мостовые источники реактивной мощности с индуктивным накопителем на стороне постоянного тока (рис. 11,а);
2) реакторы насыщения с нелинейной вольт-амперной характеристикой (рис.11,б);
3) реакторы с линейной вольт-амперной характеристикой и последовательно включенными встречно-параллельными управляемыми вентилями (рис. 11,в).
СКРМ обеспечивают одновременно компенсацию реактивной мощности основной частоты, фильтрацию высших гармонических, компенсацию изменений напряжения, а также симметрирование напряжения сети. Они состоят из управляемой части, обеспечивающей регулирование реактивной мощности, и энергетических фильтров, обеспечивающих фильтрацию высших гармоник тока нелинейной нагрузки.
Статические компенсирующие устройства обладают следующими преимуществами:
1) высокое быстродействие изменения реактивной мощности;
2) достаточный диапазон регулирования реактивной мощности;
3) возможность регулирования и потребления реактивной мощности;
4) минимальные искажения питающего напряжения.
Основными элементами статических компенсирующих устройств являются конденсатор и дроссель – накопители электромагнитной энергии – и вентили (тиристоры), обеспечивающие ее быстрое преобразование.
Принцип работы статических источников реактивной мощности состоит в том, что выпрямленным током преобразователя индуктивность (реактор или дроссель с железом) заряжается магнитной энергией, которая инвертируется в сеть переменного тока с опережающим коэффициентом мощности[8].
В СКРМ при полном открывании вентилей реактивная мощность установки определяется разностью между мощностью, генерируемой фильтрами, и мощностью, потребляемой реакторами. По мере закрытия вентилей мощность, потребляемая реакторами, уменьшается, и при их полном закрытии мощность, генерируемая ИРМ, становится равной мощности фильтров.
На рисунке 12,а показана однолинейная схема включения статического компенсирующего устройства с преобразовательной нагрузкой, а на рис. 12,б – ее расчетная схема замещения.

Рисунок 12 – Принципиальная схема присоединения СКРМ к системе электроснабжения (а) и расчетная схема замещения (б)[1]
В ряде случаев помимо резонансных цепей фильтров, настраиваемых на частоты доминирующих высших гармоник тока нагрузки, в состав ТКРМ вводят параллельно присоединяемые конденсаторные батареи для фильтрации гармоник, порядок которых выше частоты настройки резонансных фильтров.
Быстрое развитие мирового производства статических тиристорных компенсаторов (СТК) определяется их преимуществами по отношению к традиционным средствам компенсации реактивной мощности в решении ряда актуальных задач электроэнергетики. К числу таких задач относится необходимость компенсации реактивной мощности в местах потребления электроэнергии и на промежуточных подстанциях длинных линий с целью повышения стабильности напряжения у потребителей, снижения потерь в линиях электропередач и сетях электроснабжения потребителей, повышения пропускной способности электропередач.
Рост протяженности, мощности и класса напряжения дальних электропередач выдвигает в число важнейших задач обеспечение средствами компенсации ограничения внутренних перенапряжений, статической и динамической устойчивости, эффективности автоматических повторных включений (АВК)[14].
В отечественной практике для уменьшения колебаний напряжения применяются быстродействующие синхронные компенсаторы типа СК-10000-8 мощностью 7,7 Мвар на напряжение 10 кВ и мощностью 10 Мвар на напряжение 6 кВ. Максимальная скорость изменения реактивной мощности, выдаваемой в сеть, по данным завода составляет 130 Мвар/с, возможна кратковременная работа с 2-кратной перегрузкой. Компенсаторы успешно работают на некоторых металлургических заводах, в частности в системе электроснабжения станов горячего проката.
Установленная мощность синхронного компенсатора при одном и том же графике реактивной нагрузки будет меньше, чем установленная мощность статического компенсирующего устройства. Синхронные компенсаторы обладают всеми недостатками вращающихся машин и имеют меньшее быстродействие по сравнению со статическими компенсаторами. Кроме того, в статических компенсирующих устройствах возможно пофазное управление.
На зарубежных металлургических заводах для снижения влияния на питающую сеть резкопеременных нагрузок применяются синхронные компенсаторы с высокой кратностью форсировки напряжения возбуждения и быстродействующей системой регулирования.
Фирма Simens (ФРГ) выпускает синхронные компенсаторы мощностью 10MBА с ударной мощностью 30 MBА. Обмотка возбуждения компенсатора питается от нереверсивного тиристорного преобразователя с кратностью форсировки возбуждения по напряжению 13,2.
Фирма Fuji Electric Co совместно с Nisshin Electric Co (Япония) выпускает синхронные компенсаторы мощностью 8 MBА с ударной мощностью 16 MBА. Компенсатор имеет бесщеточную систему возбуждения с кратностью форсировки по напряжению, равной 2.
Фирма ASEA (Швеция) выпускает синхронные компенсаторы номинальной мощностью 7,5 Мвар с ударной мощностью 30 Мвар.
В таблице 1 представлено качественное сравнение быстродействующих синхронных компенсаторов со статическими компенсирующими устройствами прямой и косвенной компенсации.
Таблица 1 – Сравнение параметров компенсирующих устройств
| Параметры сравнения
|
Специальный синхронный компенсатор
|
Статические компенсирующие устройства
|
| прямой компенсации
|
косвенной компенсации
|
| Скорость
регулирования, с
|
Более 0,06
|
Менее 0,02
|
Менее 0,01
|
| Регулирование
|
Плавное
|
Ступенчатое
|
Плавное
|
| Строительная часть
|
Массивные фундаменты
|
Фундаменты не требуются, большая гибкость монтажа
|
| Обслуживание
|
Смазка, охлаждение и т. д.
|
Обслуживания практически не требуется
|
| Отношение Qуст
к Qmax
, отн. ед.
|
0,5–0,7, имеется возможность перегрузки до 2-х кратной
|
1,0; перегрузка не допускается
|
2,0; регулируемая индуктивная часть 1,0; емкостная нерегулируемая часть 1,0
|
| Работа на несимметричную нагрузку
|
Показное управление практически невозможно
|
Осуществляется пофазное управление практически без дополнительных затрат
|
| Потери от номинальной мощности, %
|
2,5 – 4,0
|
0,5 – 1,0
|
1,0 – 2,0
|
| Искажение питающего напряжения
|
Нет
|
Нет
|
Управляемый тиристорами ре-актор является источником высших гармоник
|
Статические компенсирующие устройства обладают рядом преимуществ по сравнению с быстродействующими синхронными компенсаторами. Основным преимуществом является их большее быстродействие. Существенна и возможность осуществления пофазного управления, что необходимо в сетях с быстроизменяющейся несимметричной нагрузкой.
В настоящее время разработано много типов статических компенсирующих устройств на базе управляемых реакторов и конденсаторов в основном с применением управляемых вентилей (тиристоров). Наибольшее распространение в зарубежной и отечественной практике получили устройства прямой и косвенной компенсации.
Статические компенсирующие устройства прямой компенсации осуществляют ступенчатое регулирование реактивной мощности с помощью включения и отключения батарей конденсаторов или фильтров высших гармоник при изменении реактивной мощности электроприемников (рис. 13 и 14).

Рисунок 13 – Принципиальная схема компенсирующего устройства прямой компенсации:
На рисунке: 1 – тиристорные ключи; 2 – реактор; 3 – конденсаторная батарея; 4 – устройство для управления тиристорными ключами, 5 – нагрузка (тиристорный преобразователь).
Для обеспечения быстродействия в качестве контакторов или выключателей на каждой ступени применяются тиристорные ключи. Для исключения переходных процессов при включении, которые будут приводить только к увеличению колебаний напряжения, включение конденсаторов тиристорными ключами осуществляется в тот момент, когда напряжение сети и конденсаторов равны как по величине, так и по полярности.

Рисунок 14 – Компенсация реактивной мощности устройством прямой компенсации: а – схема устройства прямой компенсации; б – принцип работы статического компенсирующего устройства прямой компенсации; 1-5 – ступени компенсации
Быстродействие устройства прямой компенсации в основном определяется запаздыванием включения или отключения секций батарей конденсаторов на период питающего напряжения (0,02 с) при условии непрерывного изменения реактивной мощности. Одним из преимуществ устройств прямой компенсации является то, что они не генерируют в сеть высшие гармоники.
Схемы прямой компенсации разработаны в СССР в 50-х годах. За рубежом такие устройства изготовляются в Швеции и в Японии.
Фирма ASEA (Швеция) выпускает конденсаторные установки с тиристорным управлением для компенсации реактивной мощности в системах электроснабжения с вентильными преобразователями и дуговыми печами. Система регулирования обеспечивает выбор момента подачи управляющего импульса на каждый тиристор, причем импульс управления подается с упреждением перед моментом прохождения емкостного тока через нуль. Когда конденсаторы не присоединены к сети, они остаются заряженными до амплитуды положительного или отрицательного напряжения сети. На рисунке 15 показано, что коммутация осуществляется в момент, когда напряжение сети соответствует по значению и полярности напряжению на конденсаторе. Тиристор прекращает пропускать ток при переходе его через нуль после снятия импульса с управляющего электрода. Конденсатор остается заряженным до амплитудного значения напряжения и готов к следующей коммутации.

Рисунок 15 – Диаграмма работы статического компенсирующего устройства прямой компенсации:
U – напряжение сети, Uс
– напряжение на конденсаторе, Ic
– ток конденсатора;
t0
– импульсы для подзарядки конденсаторов; t1
– подключение к сети;
t2
– отключение от сети; t3
-t4
– интервал перезарядки
Статические компенсирующие устройства косвенной компенсации (рис. 16) состоят из двух частей: плавно регулирующего индуктивного элемента (реактора) для компенсации колебаний напряжения и нерегулируемой части – батарей конденсаторов или фильтров высших гармоник.

Рисунок 16 – Принципиальная схема статического компенсирующего устройства косвенной компенсации:
На рисунке 16: 1 – нагрузка; 2 – управляемые реакторы; 3 – тиристорные ключи; 4 – фильтры высших гармоник токов; 5 – батареи конденсаторов; 6, 7 – трансформаторы тока и напряжения; 8 – система фазоимпульсного управления тиристорами
Принцип косвенной компенсации для уменьшения колебаний напряжения заключается в том, что управляемый реактор потребляет реактивную мощность тогда, когда ее не потребляет резкопеременная нагрузка, и наоборот (рис. 17).
Регуляторы реактивной мощности должны обеспечивать такое регулирование, чтобы осуществлялось слежение за фронтом наброса и сброса реактивной мощности. Следовательно, от устройства компенсации требуется большое быстродействие, соответствующее фронту наброса и сброса реактивной мощности наиболее характерных резкопеременных нагрузок.

Рисунок 17 – Компенсация реактивной мощности устройством косвенной компенсации: а – схема статического компенсирующего устройства; б – принцип действия устройства косвенной компенсации
Регулирование тока в реакторе может осуществляться различными способами. Например, некоторые зарубежные фирмы применяют управляемый насыщающийся реактор. Однако быстродействие таких устройств можно оценить временем задержки более 0,06 с (три периода питающего напряжения), что недостаточно для эффективной работы компенсатора. Поэтому в настоящее время применяется регулирование тока в реакторе с помощью встречно-параллельно включенных тиристоров. Такая схема обеспечивает плавное регулирование реактивной мощности с временем задержки 0,01 с.
На рисунке 18 приведена схема компенсирующего устройства с управляемыми реакторами с помощью встречно-параллельных тиристоров и нерегулируемой емкости фильтров высших гармоник, используемого для компенсации реактивной мощности при работе дуговых печей (Япония).

Рисунок 18 – Принципиальная схема статического компенсирующего устройства косвенной компенсации в сети с дуговыми сталеплавильными печами[22]:
На этом рисунке обозначено: 1, 2 – трансформаторы; 3 – тиристорные ключи; 4 – управляемые реакторы; 5, 6 – фильтры высших гармоник; 7, 8 – трансформаторы напряжения и тока; 9 – устройство управления тиристорными ключами; 10 – дуговые сталеплавильные печи.
В настоящее время в распределительных сетях 6–10 кВ промышленных предприятий с резкопеременной нагрузкой широко применяются ТКРМ.
В ТКРМ к шинам 6–10 кВ нагрузки параллельно подключены компенсирующие реакторы и силовые фильтры высших гармоник.
Компенсирующие реакторы соединяются в треугольник вместе со встречно-параллельно включенными тиристорами и образуют регулирующий, стабилизирующий и симметрирующий элементы. Источником реактивной мощности является конденсаторная установка силовых фильтров высших гармоник.
Тиристорные компенсаторы стабилизируют потребляемую из сети реактивную мощность с погрешностью не более 2 % номинальной мощности как в сетях с симметричными нагрузками, так и при наличии несимметричных нагрузок, обеспечивая несимметрию потребляемых из фаз сети токов не более 10%, при этом быстродействие регулирования – не более 20 мс. В состав ТКРМ, представляющих собой комплекс оборудования, компонуемого свободно и электрически соединяемого на месте монтажа, входят полупроводниковый стабилизатор мощности (ПСМ), компенсирующие реакторы, фильтры, содержащие фильтровый реактор и конденсаторную установку. Компенсирующие реакторы имеют однофазное исполнение, магнитопровод с воздушным зазором и масляное охлаждение.
Фильтровые реакторы имеют однофазную и трехфазные конструкции. Они выполняются в виде цилиндрических катушек с воздушным охлаждением и вертикальной установкой трех фаз, за исключением фильтровых реакторов третьей и пятой гармоник, предназначенных для горизонтальной установки фаз в линию или установки по вершинам равностороннего треугольника. Фильтровые реакторы имеют регулировочные отпайки для изменения номинальной индуктивности.
Конденсаторные установки выполнены трехфазными, соединенными по схеме "две звезды", нейтрали которых соединяются через трансформатор тока, являющийся датчиком сигнала при разбалансе емкостей в лучах звезды.
Конструктивно конденсаторные установки силовых фильтров выполнены в виде двухъярусных стеллажей с вертикальной установкой силовых конденсаторов типа КЭКФ напряжением 4,4; 6,6; 7,3 кВ, соединенных параллельно и защищенных предохранителями типа ПКК–411.
Технические характеристики и состав ТКРМ приведены в таблице 2[23].
Таблица 2 – Технические характеристики ТКРМ
| UС
,
кВ
|
Конденсатор
|
Стабилизатор
|
Компенсирующий реактор
|
| Тип
|
Q, квар
|
Тип
|
Ном.ток, А
|
Тип
|
Ном. ток, А
|
L, мГн
|
| 6
|
ТКРМ-6,3/6
ТКРМ-12,5/6
ТКРМ-20/6
|
6,3
12,5
20
|
ПСМ-6,3/6
ПСМ-12,5/6
ПСМ-20/6
|
335
670
1060
|
РКОМ-3800/6
РКОМ-7500/6
РКОМ-12000/6
|
335
670
1060
|
23,6
11,7
7,5
|
| 10
|
ТКРМ-6,3/10
ТКРМ-12,5/10
ТКРМ-20/10
ТКРМ-40/10
|
6,3
12,5
20
40
|
ПСМ-6,3/10
ПСМ-12,5/10
ПСМ-20/10
ПСМ-40/10
|
200
400
630
1250
|
РКОМ-4000/10
РКОМ-7800/10
РКОМ-12500/10
РКОЦД-24500/10
|
200
400
630
1250
|
67
33,5
21,5
10,6
|
Управляющие сигналы в систему регулирования ПСМ поступают с трансформаторов тока ПСМ, трансформаторов тока и напряжения питающей сети. Регулирование реактивной мощности, генерируемой в сеть, производится за счет изменения угла управления тиристоров. При этом изменяется величина и длительность протекания тока через компенсирующие реакторы, т.е. потребление компенсирующими реакторами реактивной мощности при постоянстве реактивной мощности, генерируемой конденсаторными установками фильтров[23].
Развитие СТК идет в нескольких направлениях, определяемых их функциональными особенностями. Функции СТК зависят от места и роли в общей системе передачи и распределения электроэнергии. На рисунке 19 эта система представлена в виде условной схемы, на которой указаны классы напряжений линий и подстанций, протяженность линий, основное оборудование подстанций, мощные потребители электроэнергии с переменной нагрузкой.

Рисунок 19 – Обобщенная схема передачи и распределения электроэнергии[14]: АТ —
автотрансформатор; БТ —
блочный трансформатор; Т —
трансформатор; ВП —
вентильный преобразователь; СТК —
статический тиристорный компенсатор
Системообразующие линии электропередачи напряжением до 1150 кВ передают энергию от генерирующих станций к межрайонным и районным подстанциям. На линиях устанавливаются компенсаторы типа СТК1.
Электрические сети межрайонного значения имеют напряжение 220–500кВ. На районных подстанциях используются СТК типа II. В сетях электроснабжения потребителей, обычно выполняемых на напряжение от 6 до 110 кВ, применяются СТК третьего и четвертого типов.
Функции СТК четырех типов перечислены в таблице 3. Символом (++) отмечены обязательные функции, символом (+) – необязательные, но возможные.
Таблица 3[14]
| № п/п
|
Выполняемая функция
|
Тип СТК
|
| |
|
I
|
II
|
III
|
IV
|
| 1
|
Компенсация потребляемой реактивной мощности и ее колебаний
|
+
|
+ +
|
+ +
|
+ +
|
| 2
|
Компенсация генерируемой ли-ниями реактивной мощности при слабой загрузке электропередачи
|
+ +
|
+ +
|
+
|
+
|
| 3
|
Симметрирование режима элект-ропередачи при отключении одной фазы участка линии
|
+ +
|
+
|
—
|
—
|
| 4
|
Симметрирование нагрузки и ослабление фликера напряжения
|
—
|
—
|
+ +
|
+ +
|
| 5
|
Ограничение внутренних
перенапряжений в электропередаче
|
+ +
|
+ +
|
+
|
+
|
| 6
|
Обеспечение условий гашения дуги сопровождающего тока в паузе АПВ
|
+ +
|
+
|
—
|
—
|
| 7
|
Стабилизация напряжения на шинах промежуточных и концевых подстанций в переходных режимах
|
+ +
|
+ +
|
+
|
+
|
| 8
|
Фильтрация высших гармоник тока нагрузки
|
—
|
—
|
+ +
|
+ +
|
| 9
|
Снижение несинусоидальности тока нагрузки стохастического характера
|
—
|
—
|
+ +
|
+
|
Функции 1 и 2 известны. До появления СТК они возлагались на конденсаторные батареи, синхронные компенсаторы и шунтирующие реакторы. Эти функции СТК выполняют с меньшими потерями электроэнергии и при меньших приведенных затратах на компенсацию (с учетом потерь в линиях при отсутствии регулируемых компенсирующих устройств).
Функции 3 и 4 могут быть обеспечены быстродействующим пофазным управлением компенсатором, которое реализуется только в схемах СТК. Уравнения симметрирования в квазистационарном режиме относительно просты.
Пофазное управление СТК выполняется по алгоритму, при котором компенсация колебаний реактивной мощности нагрузки типа дуговой сталеплавильной печи (ДСП) и симметрирование нагрузки выполняется одновременно. Этим обеспечивается ослабление вызванных флуктуирующей дугой ДСП колебаний напряжения в каждой фазе и в совокупности по всем трем фазам сети. Анализ требований к быстродействию автоматического управления СТК показал, что эквивалентное запаздывание в пофазных контурах компенсации колебаний реактивной мощности не должно превышать 5 мс.
Симметрирование линии электропередачи особенно актуально для длинных одноцепных линий. Оно улучшает режим электропередачи при повреждении одного из участков линий, при котором поврежденный участок работает в двухфазном режиме. Дополнительный симметрирующий эффект создается включением в треугольник обмотки трансформатора СТК.
Ограничение перенапряжений с помощью СТК (функция 5) особенно актуально в передачах сверхвысокого напряжения (1 МВ и более). В этих передачах более опасны внутренние перенапряжения, и именно они определяют уровень изоляции.
Быстродействующее регулирование СТК в режиме стабилизации напряжения само по себе является эффективным средством ограничения квазиустановившихся перенапряжений.
Для ограничения импульсных перенапряжений используются специальные элементы, обеспечивающие включение вентилей с запаздыванием порядка 10–20мкс. Эти элементы входят как в состав тиристорных ячеек высоковольтных тиристорных вентилей, так и в состав электронной системы управления СТК.
В момент включения вентиля напряжение прикладывается к реактору СТК, чем и достигается снижение перенапряжений. Однако при этом, как правило, возникает неравенство положительных и отрицательных полуволн тока через реактор, иными словами, в токе появляется квазипостоянная составляющая. Для ее устранения в состав системы управления СТК должно входить специальное устройство быстрого симметрирования полуволн тока фазы.
Реакторы и вентили СТК должны быть рассчитаны на вызванные перенапряжениями перегрузки. Реакторы со сталью должны быть рассчитаны на большие перегрузки, значения которых определяются нелинейностью вольт-амперной характеристики реакторов при напряжении выше номинального. Соответствующие токовые перегрузки должны выдерживать и тиристорные вентили СТК.
Свойство СТК ограничивать внутренние перенапряжения реализуется в полной мере при условии их подключения непосредственно к линии, минуя подстанционные трансформаторы.
Функция 6 должна быть рассмотрена применительно к двум видам АПВ – трехфазному и однофазному (ОАПВ).
Для освоения электропередач переменного тока класса 750 кВ и выше решающее значение имеет проблема обеспечения успешного АПВ. Напряжение в месте к.з. во время бестоковой паузы АПВ возрастает пропорционально номинальному напряжению линии и ее длине. Поэтому на линиях класса 1150кВ, компенсируемых обычными шунтирующими реакторами, восстановление электрической прочности канала дуги за ограниченное время бестоковой паузы может не произойти.
Увеличение бестоковой паузы АПВ для тяжелонагруженных электропередач может привести к нарушению устойчивости параллельной работы. Поэтому трехфазное АПВ должно быть быстродействующим (БАПВ) с паузой до 0,4 с. Однако при длинах участков линии 1150 кВ порядка 400–500 км вследствие относительно малых потерь в линии и шунтирующих реакторах в паузе АПВ будут возникать слабозатухающие колебательные процессы в контурах "емкость линии — шунтирующие реакторы". Вследствие колебательных процессов в паузе АПВ возможны повторные возникновения дуги в месте к.з. В результате БАПВ будет неуспешным.
Подключение СТК к поврежденному участку линии усиливает затухание колебаний благодаря действию обмоток трансформатора СТК, включенных в треугольник. Обмотки образуют короткозамкнутый контур для синфазных волн напряжения. Специальное управление моментами включения вентилей в паузу АПВ также будет способствовать затуханию колебаний и, следовательно, сокращению времени паузы БАПВ.
Еще более важную роль должен выполнять СТК в обеспечении успешного протекания однофазного АПВ.
Уровень перенапряжений в момент ОАПВ ниже, чем при трехфазном АПВ. Учитывая, что из всех видов к.з. на ультравысоковольтных линиях однофазные к.з. составляют 80–85 %, можно сделать вывод, что обеспечение успешного протекания ОАПВ имеет исключительное значение для надежности этих линий.
Однако с ростом класса напряжений линий проблема ОАПВ усложняется в еще большей степени, чем проблема БАПВ. Причиной этого является ток подпитки дуги в паузу ОАПВ, который при длинах линии 300–500 км может достигать 150–200 А. Быстрое погасание дуги возможно при условии, что ее ток не превышает 10–20 А.
Анализ показал, что СТК по схеме на рисунке 20 может обеспечить это условие, т.е. снизить ток подпитки дуги до требуемого уровня.

Рисунок 20 – Схема статического тиристорного компенсатора для электропередачи 1150 кВ[14]
Компенсация тока подпитки дуги при ОАПВ обеспечивается тиристорно-реакторной группой (ТРГ), подключенной к обмоткам трансформатора, соединенным в звезду. Задавая нужный режим ТРГ (углы управления вентилей), можно полностью скомпенсировать емкостную составляющую тока подпитки.
Если линия в момент ОАПВ передает энергию по неповрежденным фазам, возникает дополнительная составляющая тока подпитки дуги за счет взаимоиндуктивностей поврежденной и здоровых фаз. Анализ, проведенный применительно к параметрам линии 1150 кВ длиной до 500 км, показывает, что указанная ТРГ при надлежащем управлении углами включения вентилей может скомпенсировать и эту составляющую тока дуги.
Таким образом, использование СТК для гашения дуги в паузу ОАПВ позволяет снизить ток подпитки дуги до малых значений, при которых дуга гаснет за 0,1–0,3 с, что дает возможность уменьшить время цикла ОАПВ до 0,3–0,4 с и тем самым практически исключить опасность нарушения устойчивости электропередачи при однофазных к.з. на линии.
табилизация напряжения в условиях быстрого изменения потока энергии по линии (функция 7) обеспечивает устойчивость длинных линий электропередачи. Для поддержания устойчивости регулятор напряжения должен иметь высокое быстродействие, требуемая величина которого зависит от параметров электропередачи и длины линии.
Фильтрация гармоник тока нагрузки (функция 8) достаточно проста, если спектр тока линейчатый и быстрозатухающий с ростом частоты. Такой спектр имеют токи тиристорных преобразователей с нагрузкой на стороне постоянного тока, выпрямители и инверторы передач постоянного тока, мощные выпрямители электролизных установок и др. Амплитуды гармоник тока шестипульсного тиристорного преобразователя даны на рисунке 21 (точки ТП).

Рисунок 21 – Спектры тока различных потребителей[14]
Тиристорно-реакторная группа СТК имеет аналогичный спектр, но значения гармоник значительно меньше (рис. 21, точки ТРГ). Для фильтрации токов с линейчатым спектром используются цепочки узкополосных фильтров, настроенные на частоты наибольших гармоник.
Значительно сложнее обеспечить эффективную фильтрацию несинусоидальной составляющей тока нагрузки типа дуговых сталеплавильных печей (функция 9), т.к. спектр тока ДСП – сплошной (рис. 21).
Таким образом, функции СТК всех четырех типов далеко не исчерпываются компенсацией реактивной мощности. Поэтому можно сказать, что принятое для СТК название "Статические компенсаторы реактивной мощности" в неполной мере соответствует действительности и может неправильно ориентировать специалистов по энергосистемам и электрическим сетям.
В одном из первых применений вентильного преобразователя для быстродействующего управления реактивной мощностью выпрямитель и инвертор включены последовательно с общим реактором и используются как регулируемый потребитель реактивной мощности в качестве единой, выпрямительно-инверторной подстанции (ВИП). Более перспективной оказалась схема с тиристорно управляемыми реакторами на переменном токе (ТУР) в сочетании с фильтрокомпенсирующими цепями (ФКЦ). В разработках фирмы АСЕА используется СТК по схеме тиристорно переключаемых секций конденсаторов (ТПК) или сочетание схем ТПК и ТУР. В последние годы ведутся разработки СТК на базе многофазных инверторов с принудительной коммутацией или тиристорных преобразователей частоты (КТПЧ).
Сопоставление показателей, выполненных по перечисленным схемам СТК, дано в таблице 4. При оценке показателя 1 мощность тиристорной части учитывалась исходя из равенства диапазонов бесконтактного (тиристорного) регулирования сравниваемых схем. Потери (показатель 2) также были отнесены к диапазону бесконтактного регулирования. Величины потерь взяты с учетом данных зарубежных и отечественных СТК[14].
Оценка допустимых перенапряжений (показатель 3) призведена с учетом того, что в схеме ТУР вентили полностью открываются при напряжениях выше заданного уровня, что не только защищает их от повреждений, но и снижает уровень перенапряжений в питающей сети. Остальные схемы критичны к перенапряжениям, проектируются в расчете на заданную (максимально допустимую) кратность повышения напряжения и по этой причине должны снабжаться специальными сильноточными ограничителями перенапряжений (ОПН). При вынужденном включении от перенапряжений вентили этих схем оказываются в аварийном режиме.
Наличие импульсного управления в схемах СТК позволяет рассматривать их при малых возмущениях стационарного режима как импульсные системы, интервал съема (показатель 4) при этом определяется так называемой пульсностью преобразователя
Т = Тс
/m,
где Т – интервал съема импульсной системы; Тс
– период частоты сети; m – число вентилей, поочередно коммутируемых за период.
Оценка запаздывания (показатель 5) произведена по материалам исследований зарубежных авторов[14]. Оценка показателя 6 дана с учетом анализа специальных режимов СТК.
Таблица 4[14]
Показатель
|
Характеристики схем СТК
|
| ТУР
|
ТПК
|
ТПК—ТУР
|
ВИП
|
КТПЧ
|
| 1. Относительная мощность тиристорной части
|
1
|
2,5
|
1,8
|
2,2
|
3
|
| 2. Коэффициент потерь, %
|
0,4–0,5
|
0,6-0,8
|
0,5–0,7
|
2-2,5
|
1–1,5
|
| 3. Кратность допустимых пере-напряжений
|
2 и более
|
1,5
|
1,5
|
1,5
|
1,5
|
| 4. Интервал съема при частоте сети 50 Гц, мс
|
1,7; 3,3
|
3,3
|
3,3
|
3,3
|
0,5
|
| 5. Запаздывание реакции на скачок, мс
|
0
|
0–10
|
0–10
|
30–50
|
20–30
|
| 6. Способность ограничения пе-ренапряжений в точке подклю-чения
|
есть
|
нет
|
нет
|
нет
|
нет
|
На основании приведенной оценки характеристик различных схем СТК можно сделать вывод о том, что по совокупности показателей (мощность тиристорной части, удельные потери, быстродействие, устойчивость к перенапряжениям) схема с тиристорно управляемым реактором превосходит другие схемы. Поэтому для всех вышеуказанных четырех типов СТК при современном уровне силовой преобразовательной техники целесообразно использовать схему ТУР в сочетании с ФКЦ.
Тиристорные преобразователи с нагрузкой на стороне постоянного тока имеют линейчатый спектр несинусоидальности тока (рис. 21, точки ТП). В составе СТК необходимо иметь ФКЦ с частотами n = 5,7 и широкополосную ФКЦ с частотой n = 11.
Приведенные выше схемы СТК легли в основу разработки серий СТК на напряжение 6; 10; 35 и 110 кВ, выполненной институтами и заводами электротехнической промышленности. Основные данные СТК приведены в таблице 5.
Таблица 5[14]
| Напряжение,
кВ
|
Мощность
ТРГ,
МВ*А
|
Порядок гармоник ФКЦ
|
Мощность трехфазной конденсаторной батареи одной ФКЦ, МВ*А
|
Мощность одной ФКЦ, Мвар
|
| 6,3
|
6,3—20
|
3, 5, 7,
11, 13
|
3
|
2,6
|
| 10,5
|
12—38
|
2,4–10
|
2,08–7,8
|
| 35
|
110—240
|
2,3, 4, 5,
7, 11
|
9,6 – 34
|
6,2 – 23
|
| 110
|
550
|
5
|
130
|
95
|
| 7
|
86
|
62
|
На основании проведенного исследования можно сделать вывод, что статические тиристорные компенсаторы открывают новые возможности по повышению надежности и качества электрических систем, обеспечивая помимо компенсации реактивной мощности ограничение коммутационных перенапряжений и соответствующее облегчение координации изоляции оборудования ультравысоковольтных передач, повышение вероятности успешных БАПВ и ОАПВ, повышение предела мощности по длинным линиям, симметрирование режима, снижение потерь в линиях, компенсацию влияния резкопеременной нагрузки, фильтрацию высших гармоник.
При современном уровне развития высоковольтной преобразовательной техники предпочтительной схемой СТК является шести- или двенадцатипульсная тиристорно-реакторная схема с необходимым набором фильтрокомпенсирующих цепей.
Принципиальная схема одного из типов ИРМ, где используют БК с регулирующим звеном в виде индуктивности с полупроводниковыми вентилями, показана на рисунке 22.

Рисунок 22 – Принципиальная схема ИРМ, применяемого для компенсации реактивной мощности электроприемников с ударными нагрузками:
Регулирование индуктивности осуществляется тиристорными группами VS, управляющие электроды которых подсоединены к схеме управления.
Реактивная мощность Q, выдаваемая такой установкой в сеть, регулируется переменной реактивной мощностью индуктивности QL
, т. е. Q = QC
– QL
, где QC
– мощность БК.
В настоящее время промышленностью выпускаются тиристорные компенсаторы реактивной мощности для сети 0,4 кВ, на номинальный ток 190 А, мощностью 125 квар типа ТК-125-380. Диапазон регулирования мощности 25–125 квар, скорость изменения реактивной мощности 500 квар/с.
Силовая часть такого компенсатора представляет собой два параллельно включенных трехфазных управляемых моста, нагрузками которых являются изолированные обмотки дросселя, размещенные на крайних стержнях Ш-образного сердечника.
При эксплуатации СКРМ типа ТК-125-380 выявилось их главное преимущество – плавное автоматическое регулирование ими реактивной мощности и стабилизация напряжения сети системой управления тиристорами. Тиристорный компенсатор может работать в режимах регулирования соsj или регулирования напряжения.
Несмотря на то, что данный компенсатор требует некоторой доработки, целесообразность его применения в распределительных электросетях 380 В, особенно с резкопеременным потреблением реактивной мощности, не вызывает сомнения[9].
В МЭИ разработана схема ИРМ, в которой основным рабочим элементом является батарея статических конденсаторов, оснащенная устройством плавного изменения ее мощности. Принципиальная схема ИРМ показана на рисунке 23.

Рисунок 23 – Принципиальная схема ИРМ[10]
Управляющее устройство генерирует в соответствующие моменты токовые импульсы, которые, проходя через БК, изменяют напряжение на ее зажимах. Таким образом, бросков тока при коммутации вентилей в цепи этой БК не возникает. Длительность протекания тока в течение каждого полупериода может регулироваться моментом подачи импульса тока от управляющего устройства.
Устройство состоит из двух симметричных блоков. В каждом блоке трехфазные группы соединяются в треугольник. Последовательно с конденсаторами включаются два встречно-параллельно соединенных вентиля 3 и 4. Батареи конденсаторов БК 1 и 2 и вентили включаются в сеть через трехфазный трансформатор. Обмотки трансформаторов 5 и 6 соединяются таким образом, чтобы суммарный ток блоков не содержал гармоник, кратных трем, которые, как показывают теоретические и экспериментальные исследования, являются самыми значительными в токе ИРМ. Это можно получить, если для одного трансформатора предусмотреть схему соединения обмоток "звезда-звезда", а другого – "звезда-треугольник". При соединении конденсаторов в треугольник компенсируются третья и кратная ей гармоники тока.
Для практически возможных случаев рассматриваемая схема имеет следующие параметры: постоянная времени 0,02 – 0,03 с; диапазон регулирования мощности (в долях от номинальной) 0,3 – 1; диапазон изменения угла управления вентилями – около 50°.
На рисунке 24 показана схема применяемого в промышленности фильтрокомпенсирующего устройства (ФКУ).

Рисунок 24 – Схема ФКУ для сети 0,4 кВ[10]:
Данные его эксплуатации показали, что фильтр снизил содержание тока 5-й гармоники в 5 раз. В фильтре использован реактор, допускающий регулировку индуктивности в диапазоне от +25 до –20% номинального значения. При наличии фильтров возможно подключение БК к тем же шинам без защитных реакторов.
Опыт разработки и промышленная эксплуатация фильтров высших гармоник имеется за рубежом (США, Япония, Германия и др.). Обычно это простые режекторные фильтры, состоящие из последовательно включенных нерегулируемых конденсаторов и реакторов. Реакторы фильтров зарубежных фирм, как правило, изготовляют без железного сердечника. Это обеспечивает лучшую добротность, но приводит к увеличению габаритов.
На рисунке 25 приведена схема многофункционального устойства, построенного на основе статических тиристорных компенсаторов, тиристорных ключей, линейных реакторов и регулируемых БК. Предполагается его широкое применение, так как обеспечивается высокое, защищенность от высших гармоник, и при этом отсутствуют вращающиеся части. В этом отношении это устройство более совершенно, чем быстродействующие синхронные компенсаторы и нерегулируемые батареи конденсаторов.

Рисунок 25 – Схема многофункционального быстродействующего статического компенсирующего и симметрирующего устройства
Принцип действия устройства показан на рисунке. Измерительные трансформаторы тока и напряжения передают показания мгновенных значений токов IA
, IB
, IC
и напряжений UA
, UB
, UC
, а также реактивной QA
, QB
, QC
и активной PA
, PB
, PC
мощности в систему регулирования. Тиристорно-реакторная группа, содержащая тиристорные ключи VD1, VD2, VD3 и реакторы LR, управляется системами автоматического регулирования САР-1, 2, 3. Фильтрокомпенсирующие устройства ФКУ-1 и ФКУ-2 представляют собой комбинированные многополюсные трехфазные фильтры 3, 5 и 7-й гармоник, включающие реакторы и батареи конденсаторов с вакуумными выключателями QW1 и QW2. Система управления регулирует величину реактивной мощности отдельно в каждой фазе компенсатора путем изменения углов открытия вентилей VD1–VD3, причем регулируется не емкость, а индуктивность. Фильтрокомпенсирующие устройства настроены на определенную постоянную мощность, а регулируемые реакторы снижают эту постоянную емкостную мощность до того уровня, который необходим для регулирования заданного напряжения[22].
В настоящее время фирма Nokian Capacitors Ltd. (Финляндия) производит и устанавливает статические компенсаторы возмущений для линий передачи электроэнергии и промышленных предприятий.
Возмущения при обычной работе линий передачи электроэнергии и промышленных распределительных систем могут быть вызваны подключением линий, авариями на линиях, нелинейными компонентами, такими как тиристорные регуляторы, и быстро изменяющимися активными или реактивными нагрузками.
Проблемы, которые при этом возникают, включают в себя: наличие гармоник; потребность в дополнительной реактивной мощности; флуктуации напряжения; фликкер-эффект (мерцание); несбалансированные нагрузки; быстрые изменения в реактивной мощности.Эти проблемы можно решить с помощью быстродействующего статического компенсатора (БСК).
Устройства БСК проектируются индивидуально, используя стандартные компоненты, для решения конкретных проблем каждого заказчика. Несколько из приведенных выше проблем могут возникать одновременно. Оптимальное решение диктуется техническими и экономическими соображениями.
Возмущения, вызванные наличием гармоник, могут быть устранены с помощью фильтров. Реактивная мощность может быть обеспечена применением конденсаторов, которые, если их использовать как фильтры, могут обеспечить как коррекцию коэффициента мощности, так и снизить уровень гармоник.
Флуктуации напряжения могут быть устранены путем использования индуктивных стабилизаторов с конденсаторами, подключаемых через тиристорную схему управления.
От фликкер-эффекта, вызванного быстроменяющейся нагрузкой, можно избавиться с помощью индуктивных стабилизаторов, подключаемых через тиристорную схему управления.
Несбалансированные нагрузки могут быть уравновешены путем селективного подключения, через тиристорную управляющую схему, индуктивных стабилизаторов и конденсаторов.
Быстрые флуктуации в реактивных нагрузках, таких как искровые плавильные печи, могут быть скомпенсированы аналогичным способом.
При использовании системы БСК на сталелитейном заводе было достигнуто улучшение следующих показателей:
- флуктуации напряжения были снижены на 80%;
- уровень напряжения повысился;
- при повышении уровня напряжения увеличилась производительность за счет уменьшения времени плавки в искровых печах;
- удалось избежать штрафов компании-поставщика электроэнергии за низкий коэффициент мощности;
- мощность, выделяемая в искре плавильных печей, была стабилизирована, что привело к снижению износа графитовых электродов;
- уровень гармоник в сети подачи электроэнергии, благодаря использованию фильтров, снизился до приемлемого значения.
Статические компенсаторы проектируются индивидуально, таким образом, чтобы каждый компенсатор соответствовал своему конкретному назначению и приносил положительный экономический эффект.
Для проектирования необходима следующая информация: принципиальная схема той системы, к которой компенсатор будет подсоединен; номинальное напряжение и частота сети; мощность, выделяемая при коротком замыкании в точке общего подсоединения, и диапазон любых возможных изменений; информация относительно изменений реактивной мощности и/или информация о связанной с этим нагрузке; данные по имеющемуся уровню и характеру гармоник или данные о нагрузке, вызывающей наличие гармоник; конструкторские требования, например, допустимое изменение напряжения и содержания гармоник, требования по реактивной составляющей мощности и быстродействие системы компенсации; любые дополнительные или особые требования, которые предъявляются к компенсатору; окружающие условия[26].
1.4.4 Разработанные устройства для компенсации реактивной мощности
Разработано устройство компенсации реактивной мощности с помощью переключаемых ступенями фильтрокомпенсирующих цепей и плавно регулируемых линейных реакторов.
На рисунке 26 показана принципиальная схема устройства.

Рисунок 26 – Устройство для компенсации реактивной мощности
Устройство содержит тиристорно-реакторную группу, состоящую из компенсирующих реакторов 1, подключенных встречно-параллельно соединенными тиристорами 2 к сети, питающейся от вторичной обмотки 3 понижающего трансформатора 4, соединенной, например, в звезду с выведенной нейтралью 5. В устройство входят фильтрокомпенсирующие цепи, фазы которых состоят из последовательно включенных коммутационных элементов 6, конденсаторов 7 и реакторов 8. Ветви разноименных фаз фильтрокомпенсирующих цепей соединены в звезду с изолированной нейтралью 9. Устройство содержит общую шину 10, между которой и нейтралями 9 каждой трехфазной фильтрокомпенсирующей цепи включены дополнительные коммутационные элементы 11, например разъединители. При наличии выведенной нейтрали 5 вторичной обмотки трансформатора 4 с нейтралью 5 соединена общая шина 10.
Устройство работает следующим образом.
В случае соединения обмотки 3 в звезду с выведенной нейтралью при оперативном отключении одной из фильтрокомпенсирующих цепей, например, для ступенчатого регулирования уровня компенсации реактивной мощности предварительно включается дополнительный коммутационный элемент 11 отключаемой фильтрокомпенсирующей цепи, затем эта цепь отключается от сети коммутационным элементом 6, после этого отключается включенный дополнительный коммутационный элемент 11. В результате подключения нейтрали 9 отключаемой фильтрокомпенсирующей цепи к нейтрали 5 вторичной обмотки трансформатора 4 предотвращается смещение потенциала нейтрали 9 при неполнофазном режиме, возникающем из-за неодновременного обрыва дуги в фазах коммутационным элементом 6. При этом амплитуда напряжения, восстанавливающегося на первой отключаемой фазе коммутационного элемента 6, снижается в 1,5 раза, что приводит к повышению надежности его работы.
При соединении обмотки 3 трансформатора 4 в треугольник или звезду с изолированной нейтралью до отключения фильтрокомпенсирующей цепи ее нейтраль 9 коммутационным элементом 11 подключается к шине 10. Одновременно включается необходимое количество коммутационных элементов 11 остальных фильтрокомпенсирующих цепей. Затем отключается коммутационный элемент 6 отключаемой фильтрокомпенсирующей цепи, после чего отключаются все включенные дополнительные коммутационные элементы 11. Исследования показывают, что подсоединение к отключаемой еще четырех-пяти фильтрокомпенсирующих цепей примерно одинаковой мощности дает практически тот же эффект, что и подсоединение к нейтрали трансформатора, т.е. снижает амплитуду восстанавливающегося напряжения на первой отключаемой фазе почти в 1,5 раза. Подключение нейтрали лишь одной фильтрокомпенсирующей цепи обеспечивает снижение восстанавливающегося напряжения более чем в 1,3 раза, что в ряде случаев может оказаться достаточным для надежной работы коммутационных элементов[27].
Для автоматической компенсации реактивной мощности в электрических сетях предназначен статический тиристорный источник реактивной мощности.

Рисунок 27 – Схема статического источника реактивной мощности
Источник состоит из конденсаторных батарей 1, соединенных в треугольник и включенных на линейное напряжение электрической сети. Каждая сторона треугольника содержит по две последовательно соединенные конденсаторные батареи 1. Средние точки треугольника конденсаторных батарей соединены регулируемыми дросселями 2, образующими также треугольное соединение. Каждый регулируемый дроссель 2 состоит из трехстержневой магнитной системы 3 с немагнитными зазорами в среднем стержне и двух обмоток 4 и 5, расположенных на крайних стержнях и соединенных параллельно через последовательно включенные с обмотками 4 и 5 встречно-параллельно соединенные управляемый и неуправляемый вентили 6.
Источник работает следующим образом.
При полностью открытых тиристорах блоков 6 индуктивное сопротивление дросселей 2 максимальное и к ним приложена половина линейного напряжения. Обмотки 4 и 5 дросселей 2 включены параллельно. Суммарный магнитный поток замыкается через средние стержни магнитной системы. Наличие немагнитных зазоров препятствует насыщению электротехнической стали магнитной системы. Содержание высших гармоник в токе устройства незначительное. Кроме того, соединение дросселей в треугольник обеспечивает циркуляцию гармоник тока, кратных трем, по замкнутому контуру.
При полностью закрытых тиристорах блока 6 происходит подмагничивание стали магнитной системы, так как по обмоткам 4 и 5 протекает импульсный выпрямленный ток, обеспечивающий создание постоянного магнитного потока, замыкающегося через крайние стержни. Напряжение на дросселях 2 близко к нулю. Напряжение на конденсаторных батареях 1 возрастает с половины линейного до фазного напряжения.
Содержание высших гармоник в электрической сети минимально, так как напряжение на дросселях близко к нулю.
При текущем значении угла управления тиристоров блоков 6 режим работы устройства находится между двумя предельными режимами, рассмотренными выше. Наличие двух треугольных соединений конденсаторных батарей 1 и дросселей 2 способствуют более эффективному снижению высших гармоник, кратных трем.
Это устройство может найти применение в электрических сетях энергосистем и в системах электроснабжения промышленных предприятий для повышения коэффициента мощности, снижения потерь активной мощности от протекания реактивной мощности и регулирования напряжения[28].
Отдельная задача в электроэнергетике – проблема быстрого пофазного регулирования величины и направления потока реактивной мощности в трехфазных линиях электропередач высокого и сверхвысокого напряжения.
Для линий электропередач требуются такие СТК, которые, во-первых, обладают высоким быстродействием, позволяющим оказывать благоприятное влияние на протекание электромагнитных процессов, и, во-вторых, позволяют осуществлять пофазное регулирование реактивной мощности. В определенных ситуациях требуется, например, быстро (за один период промышленной частоты) перевести СТК из симметричного трехфазного режима в режим, при котором по двум фазам производится выдача, а по одной фазе потребление реактивной мощности[30].
Разработан статический тиристорный компенсатор, содержащий соединенные последовательно конденсаторную батарею и реакторы, а также два трехфазных трансформатора и блок регулирования реактивной мощности. К вторичным обмоткам трансформаторов подключены два управляемых тиристорных моста, полюса постоянного тока которых соединены через реакторы. Расширение функциональных возможностей путем пофазного управления компенсатором достигается тем, что первичные обмотки трансформаторов соединены по схеме согласной звезды с заземленной нейтралью, а вторичные обмотки – по схеме встречной звезды, и их нейтрали соединены перемычкой, а блок регулирования реактивной мощности выполнен пофазным.
Наличие перемычки между нейтралями вторичных обмоток трансформаторов при их соединении в две взаимно-обратные звезды дает возможность оставить в работе вентили, относящиеся к одной фазе устройства, и получить режим, при котором реактивная мощность потребляется только в этой фазе. Оставшиеся в работе вентили получают отдельные импульсы управления, остальные вентили – заперты (на их управляющие электроды не подаются импульсы управления). Предусмотрено автоматическое регулирование величины реактивной мощности путем изменения фазы управляющих импульсов.
На рисунке 29 представлена принципиальная схема СТК.
В СТК входят конденсаторы 1, служащие для выдачи реактивной мощности и образующие вместе с реакторами 2 фильтр высших гармоник тока, два трехфазных силовых трансформатора с первичными обмотками 3 и 4, соединенными по схеме "звезда" с заземленной нейтралью, и вторичными обмотками 5 и 6, соединенными в две взаимно-обратные звезды, нейтрали 7 и 8 которых соединены перемычкой, два тиристорных моста, один из которых с тиристорными вентилями 9–14 присоединены к вторичным обмоткам 5 одного трансформатора, а другой с тиристорными вентилями 15–20 – к вторичным обмоткам 6 другого трансформатора.

Рисунок 29 – Статический тиристорный компенсатор
Тиристорные мосты соединены последовательно через силовые реакторы 21 и 22. Для пофазного автоматического регулирования реактивной мощности используются трансформаторы тока 23, первичные обмотки которых включены на входе СТК, трехфазный трансформатор напряжения 24, первичные преобразователи 25, измеряющие пофазно величину реактивной мощности, суммирующие устройства 26 (на рисунке 29 показана структурная схема автоматического регулирования для одной фазы А, для фаз В и С структурные схемы регулирования такие же), устройства уставки 27, регуляторы 28 и устройства формирования импульсов управления 29.
Каждое устройство 29 создает и посылает импульсы управления на вентили двух мостов, относящиеся к соответствующим фазам, например на вентили 9 и 10 фазы А1
одного трансформатора и на вентили 15 и 16 фазы А2
другого трансформатора. Устройство уставки 27 может вырабатывать величину уставки реактивной мощности данной фазы СТК либо под действием ручного задания (по каналу 30), либо под действием внешних систем автоматики (по каналу 31).
В симметричном трехфазном режиме СТК один преобразователь, например, с вентилями 9–14 работает в выпрямительном режиме, а другой – в инверторном режиме. При необходимости СТК может работать с одинаковым потреблением реактивной мощности в двух фазах. Для этого в работе остаются вентили, относящиеся к двум фазам СТК, например вентили 9–12 и 15–18, а другие вентили запираются (на них не подаются импульсы управления).
Наличие перемычки между нейтралями вторичных обмоток в предлагаемом СТК позволяет в трехфазном режиме получать значительную неравномерность потребления реактивной мощности по фазам. В разработанном СТК возможно за счет несимметричного управления вентилями создать разное потребление реактивной мощности по фазам, при этом разность токов двух фаз будет проходить через перемычку между нейтралями 7 и 8 вторичных обмоток трансформаторов.
Основное отличие и главное преимущество СТК состоит в том, что он может работать с потреблением реактивной мощности только в одной фазе. Это возможно, если СТК присоединен к трехфазной системе (к трехфазной ЛЭП) с заземленной нейтралью, что характерно для систем высокого и сверхвысокого напряжения. Однофазный режим работы двухмостового преобразователя может быть получен для любой фазы. Вентили, относящиеся в выбранной фазе, остаются в работе, а остальные запираются.
Разработанный СТК обладает широкими функциональными возможностями в отношении пофазного регулирования реактивной мощности, в том числе возможностью регулирования реактивной мощности в одной из трех фаз[31].
Известно, что регулирование напряжения дросселя посредством изменения угла управления тиристорами его быстродействующего выключателя приводит к появлению в токе дросселя, а следовательно, и генератора, высших гармонических. Это, в свою очередь, вызывает искажение формы кривой напряжения электрической сети, что является причиной циркуляции высших гармонических тока в электрической сети и ее нагрузке.
Токи высших гармонических вызывают дополнительные потери электроэнергии и создают опасность перегрузки конденсаторной батареи, сопротивление которой обратно пропорционально номеру высшей гармонической. Поэтому для устранения негативных явлений, сопутствующих фазовому регулированию напряжения дросселя в состав компенсирующего устройства вводят фильтры высших гармонических путем включения последовательно с конденсаторами каждой ступени конденсаторной батареи индуктивных сопротивлений - реакторов. Это приводит к увеличению габаритов и веса компенсирующего устройства и дополнительных затрат электроэнергии.
Предлагается способ компенсации статической и резкопеременной реактивной нагрузки. Способ, при сохранении в установившихся режимах номинального напряжения дросселя вследствие применения ступенчато-регулируемого принципа компенсации реактивных нагрузок электрической сети, позволяет устранить отмеченные негативные явления, т.е. искажение формы кривой напряжения электрической сети и дополнительные потери от токов высших гармонических, и отказаться от использования реактивов.
Компенсация резкопеременных реактивных нагрузок электрической сети путем фазового регулирования напряжения дросселя характеризуется большим быстродействием и более точным отслеживанием всплеска реактивного тока нагрузки электрической сети по сравнению с подключением группы ступеней конденсаторной батареи, так как известно, что с целью исключения бросков зарядных токов при включении конденсаторов следует дождаться момента, когда мгновенное значение напряжения сети равно остаточному напряжению на конденсаторах с обратным знаком для каждой фазы в отдельности.
Согласно предлагаемому способу путем увеличения скорости реакции компенсирующего устройства на включение реактивной нагрузки электрической сети фазовым регулированием напряжения дросселя вместо подключения ступеней конденсаторной батареи одновременно с повышением точности отслеживания резких изменений реактивной нагрузки электрической сети достигают исключения колебаний напряжения в электрической сети и нагрузки источника питания. Кроме того, предлагаемый способ компенсации резкопеременных нагрузок электрической сети, превышающих по величине мощность дросселя, путем комбинации фазового регулирования напряжения дросселя с подключением резервных ступеней конденсаторной батареи и последующим возвращением этих ступеней и дросселя в исходный режим позволяет уменьшить установленную мощность дросселя и ступень конденсаторной батареи, токи которых уравновешивают друг друга в установившемся режиме.
На рисунке 30 изображена принципиальная схема компенсирующего устройства, реализующего предлагаемый способ.
Компенсирующее устройство состоит из дросселя 1 и конденсаторной батареи, разделенной на ступени 2–5, мощности которых находятся в отношении 1:2:4:4, причем единичная мощность наибольших ступеней 4 и 5 равна мощности дросселя. Дроссель 1 и первые три ступени 2-4 конденсаторной батареи подключены через быстродействующие тиристорные коммутаторы 6 и 7 и электрическую сеть 8 к источнику 9 питания, например к синхронному генератору. Одна из наибольших ступеней 5 конденсаторной батареи подключена к электрической сети непосредственно.
В состав смешанной нагрузки электрической сети входят реактивные нагрузки 10.1 и 10.2, например асинхронные электродвигатели. Эти нагрузки подключаются к электрической сети посредством коммутационных аппаратов 11, например магнитных пускателей.

Рисунок 30 – Схема устройства, реализующего предлагаемый способ компенсации реактивной нагрузки
Изменения реактивной нагрузки электрической сети регистрируются датчиком 12 реактивного тока, содержащим два выхода 13 и 14, на одном (13) из которых формируется быстродействующий сигнал изменения реактивной нагрузки сети в переходной период, а на другой (14) – задержанный сигнал изменения реактивной нагрузки сети в установившихся режимах. Сигналы, пропорциональные изменениям реактивной нагрузки электрической сети, направляются в блок 15 управления, снабженный выходами 16–18, через которые эти сигналы передаются в блок 19 фазового регулирования напряжения дросселя и блок 20 формирования импульсов управления тиристорами быстродействующих коммутаторов 7, включающих ступени конденсаторной батареи.
Величина нагрузки источника питания контролируется датчиком 21 тока. В зависимости от соотношения мощностей дросселя и реактивных нагрузок последние разделяются на две группы. Первую группу образуют реактивные нагрузки 10.1, пусковые мощности которых меньше мощности дросселя. Вторая группа формируется из реактивных нагрузок 10.2 с пусковыми мощностями, превышающими мощность дросселя.
Способ компенсации статической и резкопеременной реактивной нагрузки заключается в том, что изменяют напряжение дросселя путем фазового регулирования его быстродействующего тиристорного коммутатора и переключают ступени конденсаторной батареи.
С целью повышения качества напряжения электрической сети предварительно подключают дроссель и наибольшую ступень конденсаторной батареи, равную по величине мощности дросселя, на номинальное напряжение электрической сети. Затем уменьшают напряжение дросселя в момент включения реактивной нагрузки электрической сети на величину приращения этой нагрузки, восстанавливают номинальное напряжение дросселя по окончании переходного процесса в реактивной нагрузке электрической сети и формируют сигнал приращения реактивной нагрузки электрической сети в установившемся режиме, подключая этим сигналом резервные ступени конденсаторной батареи.
При увеличении тока нагрузки источника питания выше установленного значения, вызванном переводом части подключенных ступеней конденсаторной батареи в резерв, формируют сигнал перегрузки источника питания, блокируют этим сигналом включение реактивной нагрузки электрической сети и резервных ступеней конденсаторной батареи и одновременно вводят в работу резервный источник питания[32,33].
Следующее устройство может быть использовано в системе автоматического регулирования статического компенсатора, предназначенного для компенсации реактивной мощности мощных несимметричных, быстроизменяющихся нагрузок промышленных предприятий.
В регулятор статического компенсатора, состоящего из конденсаторной батареи и реактора, управляемого тиристорами, содержащий датчики тока нагрузки, датчики напряжения питающей сети, сумматоры, через функциональные преобразователи, подключенные к току управления тиристорами, введены датчики тока конденсаторной батареи, шесть датчиков мгновенного активного тока и три датчика мгновенного реактивного тока.
На рисунке 31 показана функциональная схема регулятора

Рисунок 31 – Функциональная схема регулятора статического компенсатора
Регулятор содержит шесть датчиков 1 мгновенного активного тока, которые подключены к соответствующим выходам датчиков тока 2 нагрузки 3 и напряжения 4 питающей сети 5, три датчика 6 мгновенного реактивного тока, на входы которых включены выходы датчиков 7 тока конденсаторных батарей 8. Выходы датчиков мгновенного активного тока и мгновенного реактивного тока подключаются соответствующим образом к входам трех сумматоров 9, выходы которых включены на входы трех функциональных преобразователей 10. С выходов функциональных преобразователей сигналы подаются на вход блока 11 управления тиристорами тиристорного блока 12, который управляет током реактора 13[34].
Разработано устройство для регулирования реактивной мощности, которое может быть использовано при построении систем электроснабжения для поддержания заданного баланса реактивной мощности.
На рисунке 33 показана схема разработанного устройства.

Рисунок 33 – Схема устройства для регулирования реактивной мощности
Устройство для регулирования реактивной мощности в системе электроснабжения содержит n секций 1 конденсаторной батареи, подключаемых к шинам посредством блоков 2 коммутации, и вентильно-реакторное компенсирующее устройство 3.
В состав устройства входит также включенный в цепь вентильно-реакторного компенсирующего устройства датчик 4 тока, состоящий из трехфазной группы трансформаторов 5 тока и выпрямителя 6, два компаратора (7 и 8) и два источника опорного напряжения (9, 10). Устройство содержит также цифровую пересчетную схему, в состав которой входят шесть логических элементов 2И 11–16, два логических элемента НЕ 17 и 18, логический элемент ИЛИ 19, два счетчика на К 20 и 21 (где К – число коммутаций вентилей вентильно-реакторного компенсирующего устройства за период напряжения системы электропитания), RS-триггер 22, синхронизатор 23, элемент 24 задержки и n-разрядный реверсивный регистр 25 сдвига.
Цепь управления вентильно-реакторным компенсирующим устройством 3 образует контур, содержащий датчик 26 обратной связи, схему 27 сравнения, блок 28 управления вентильно-реакторным компенсирующим устройством 3 и датчик 29 тока нагрузки.
Устройство работает следующим образом.
Поддержание заданного баланса реактивной мощности в системе электроснабжения осуществляется путем плавного изменения реактивной мощности вентильно-реакторного компенсирующего устройства в функции отклонения величины угла j сдвига фаз между напряжениями системы и током нагрузки и ступенчатого изменения реактивной мощности за счет подключения (отключения) определенного количества секций 1, peгулируемого при помощи блоков 2 коммутации батареи конденсаторов. Сигнал, пропорциональный углу j сдвига фаз, вырабатывается датчиком 26 обратной связи, этот сигнал на схеме 27 сравнения сравнивается с опорным сигналом U0
и разница подается на информационный вход блока 28 управления вентильно-реакторным компенсирующим устройством. Последний осуществляет сдвиг последовательности вырабатываемых им импульсов управления вентилями компенсатора 3 на временной интервал, пропорциональный величине отклонения угла j от заданного значения. Следствием этого является изменение величины потребляемого компенсатором 3 реактивного тока (и, соответственно, величины реактивной энергии), что в конечном итоге приводит к компенсации возмущающего воздействия нагрузки на величину стабилизируемого параметра.
При глубоком изменении нагрузки компенсация возмущающего воздействия осуществляется путем переключения секций конденсаторной батареи. Переключение секций 1 производится на основании информации о величине реактивной мощности компенсирующего устройства 3 посредством контроля за величиной тока последнего.
Подключение очередной секции 1 происходит сразу после того, как на одном из интервалов работы компенсатора 3 амплитуда тока последнего станет меньше заданного значения. Следующее подключение будет происходить при тех же условиях, но по истечении времени, равного периоду напряжения системы и необходимого для затухания переходного процесса подключения секций 1 регулируемой части конденсаторной батареи.
Отключение очередной секции 1 конденсаторной батареи будет происходить после того, как на всех шести (если схема компенсатора 3 трехфазная мостовая) интервалах работы амплитуда тока вентильно-реакторного компенсирующего устройства 3 превысит наперед заданное значение.
Выделение сигнала, пропорционального току компенсирующего устройства 3, производит датчик 4 тока, содержащий трехфазную группу трансформаторов 5 тока и выпрямитель 6. Этот сигнал поступает на инвертирующий вход первого компаратора 7, на неинвертирующий вход которого поступает опорное напряжение источника 9, величина которого определяет минимально допустимую амплитуду тока компенсирующего устройства 3. На выходе компаратора 7 будет присутствовать сигнал, равный уровню логической единицы, когда напряжение источника 9 превышает напряжение датчика 4, и равный уровню логического нуля в обратном случае. Этот сигнал поступает на один из входов первого элемента 2И 11, на другой вход которого с выхода синхронизатора 23 поступают импульсы, сформированные в момент перехода напряжения системы через нуль. Этот момент будет совмещен с амплитудой тока вентильно-реакторного компенсирующего устройства 3.
Если амплитуда тока компенсирующего устройства 3 в каждый интервал времени превышает эталонный уровень, на выходе первого элемента 2И 11 постоянно присутствует нулевой уровень. Стоит хотя бы на одном интервале току компенсатора 3 упасть ниже эталонного значения, как ввиду присутствия на выходе компаратора 7 в синхронизирующий момент единичного уровня на выходе элемента 2И 11 появится импульс, который поступает на один из входов шестого элемента 2И 16. На другой вход элемента 16 с выхода первого счетчика 20 поступает сигнал логического нуля, если в течение предыдущего периода уже происходила процедура подключения секции 1, и сигнал логической единицы, если указанная процедура места не имела.
Слежение за числом истекших интервалов после подключения очередной секции 1 осуществляется счетчиком на К (для трехфазной мостовой схемы К = 6), который после сброса в нулевое состояние шестым по счету прошедшим импульсом с выхода синхронизатора на вход С1 устанавливает на выходе Q4
уровень логической единицы. Таким образом, поступивший на один из входов элемента 2И 16 импульс при наличии на втором входе уровня логической единицы появляется на S-входе RS-триггера. На выходе последнего устанавливается уровень логической единицы, который подается на первый управляющий So
и первый записывающий DR
входы регистра 25 сдвига.
После прихода задержанного на элементе 24 импульса на синхронизирующий С-вход регистра 25 реализуется процедура записи логической единицы в младший разряд регистра 25 и сдвиг выходной последовательности влево. Элемент 24 задержки обеспечивает сдвиг синхронизирующего момента записи на время, необходимое для установления требуемых уровней на управляющих S0
, S1
, и записывающих DR
, DL
входах регистра 25.
Запись очередной единицы в регистр приводит к срабатыванию соответствующего блока 2 коммутации и подключению очередной секции 1 к шинам системы. Появившийся на выходе Q триггера уровень логической единицы поступает также на один из входов четвертого логического элемента 2И 14, на другой вход которого поступает задержанный на элементе 24 импульс синхронизации. Появившийся на элементе 14 импульс подается на входы сброса R первого счетчика 20 и триггера 22, устанавливая на выходных выводах последних нулевые уровни прежде, чем появится следующий импульс синхронизации. Тем самым исключается последовательное подключение нескольких секций 1 конденсаторной батареи к выходным шинам системы.
Таким образом, устройство для регулирования реактивной мощности в системе электроснабжения позволяет с высоким быстродействием осуществлять дискретно-непрерывное регулирование реактивной мощности. При этом устройство позволяет обеспечить высокую устойчивость работы коммутационной аппаратуры секций КБ в переходных режимах. Это достигается исключением ложного срабатывания каналов формирования управляющих импульсов устройствами коммутации секций конденсаторных батарей[36].
Было разработано еще одно устройство для автоматического регулирования реактивной мощности, которое предназначено для повышения коэффициента мощности потребителей, имеющих в своем составе многозонные тиристорные выпрямительно-инверторные преобразователи.
На рисунке 34 изображена функциональная схема устройства.

Рисунок 34 – Схема устройства автоматического регулирования реактивной мощности
Устройство содержит датчик 1 режима сети, источник реактивной мощности 5, блок 10 импульсно-фазового управления, блок 13 управления и блок 14 синхронизации.
Датчик 1 режима сети включает в себя трансформатор 2 напряжения, подключенный к питающей сети, и трансформатор 3 тока нагрузки, включенный в цепь нагрузки 4, в качестве которой используется многозвенные тиристорные выпрямительно-инверторные преобразователи.
Источник реактивной мощности 5, подключенный параллельно питающей сети, состоит из последовательно соединенных индуктивности 6, емкости 7 и двух встречно-параллельно включенных тиристоров 8 и 9, управляющие электроды которых соединены с выходом блока 10 импульсно-фазового управления.
Блок 10 импульсно-фазового управления включает в себя соединенные последовательно фазосдвигающий узел 11 и формирователь-распределитель 12 импульсов; входы блока подсоединены к выходу блока 13 управления и к выходу блока 14 синхронизации.
Блок 13 управления, вход которого подключен к выходу трансформатора тока 3, содержит регулятор 15 сдвига фаз, задатчик 16 сдвига фаз, логические элементы ИЛИ 17, И-НЕ 18 и 19, НЕ 22, триггер 20, нуль-орган 21, фильтр 23 первой гармоники тока.
Блок 14 синхронизации содержит фильтр 24 первой гармоники питающего напряжения, первый нуль-орган 25, управляемый элемент 26 задержки, формирователь 27 синхронизирующих сигналов; второй нуль-орган 28, логические элементы И 29 и 35, ИЛИ 30, НЕ 33 и 34, дифференциальный усилитель 31, интегратор 32.
Устройство работает следующим образом.
При регулировании тока нагрузки 4 появляется сдвиг по фазе между выходными напряжениями трансформаторов 3 тока и напряжения 2, который характеризует меру потребления реактивной мощности нагрузкой 4.
Для автоматической компенсации реактивной мощности, потребляемой нагрузкой 4, устройство обеспечивает регулирование угла открытия тиристоров 8, 9 источника 5 реактивной мощности в зависимости от величины указанного сдвига фаз.
Блок 14 синхронизации, на вход которого поступают сигналы с трансформатора 2, обеспечивает получение сигналов точно в момент перехода через нуль питающего напряжения независимо от степени фазовых и амплитудных искажений последнего, которые используются для синхронизации блока 10 импульсно-фазового управления и для фиксации момента начала измерения фазового сдвига тока нагрузки относительно питающего напряжения в канале 13 управления.
В блоке 13 управления производится замер фазы первой гармоники тока относительно синхронизирующих сигналов и сигнал, пропорциональный фазе, поступает на вход регулятора 15 фазового сдвига в качестве обратной связи. В качестве уставки регулятора 15 используется сигнал с задатчика 16, обеспечивающий при нулевом сигнале обратной связи сдвиг фазы открытия тиристоров 8 и 9 в p. Соответственно сигналу обратной связи на выходе регулятора 15 появляется напряжение, уровень которого обеспечивает сдвиг фазы импульсов управления тиристорами 8 и 9 от конца полупериода к началу на такую величину, которая обеспечивает компенсацию реактивной мощности в каждый конкретный момент времени работы нагрузки.
Получение стабильного сигнала, соответствующего моменту перехода через ноль питающего напряжения, исключает сбои в работе тиристоров источника реактивной мощности, что повышает надежность устройства и позволяет произвести точный отсчет сдвига по фазе тока нагрузки относительно питающего напряжения и с помощью регулятора сдвига фаз выработать управляющее воздействие, соответствующее истинному сдвигу, повышая тем самым точность регулирования. Кроме того, регулятор сдвига фаз исключает колебательные процессы в системе "сеть – источник реактивной мощность – нагрузки", и тем самым предотвращает перенапряжение на элементах нагрузки и источника реактивной мощности, что также повышает надежность устройства[37].
1.4.5 Статические тиристорные компенсаторы реактивной мощности, выпускаемые отечественной промышленностью
В настоящее время отечественной промышленностью серийно выпускаются статические тиристорные компенсаторы реактивной мощности (ТКРМ) [19].
Они предназначены для повышения качества электрической энергии при электроснабжении промышленных предприятий и обеспечивают:
- быстродействующую компенсацию реактивной мощности;
- симметрирование токов и напряжений в сети;
- стабилизацию напряжений на шинах потребителей;
- фильтрацию высших гармоник;
- ограничение перенапряжении в узле подключения ТКРМ.
ТКРМ выполнен по схеме косвенной компенсации, источником опережающей реактивной мощности в которой являются силовые фильтры высших гармоник; стабилизирующим, симметрирующим элементом – полупроводниковый стабилизатор мощности (ПСМ), встречно-параллельно включенные тиристоры которого вместе с компенсирующим реактором собраны в треугольник.
Для снижения установленной мощности компенсирующих реакторов его индуктивное сопротивление уменьшено в 2,5 раза за счет ограничения минимального угла управления тиристорами до 30°. Компенсирующие реакторы изготавливаются в однофазном исполнении для наружной установки с масляным охлаждением. Охлаждение тиристоров – принудительное, воздушное от встроенного в шкаф ПСМ вентилятора или от централизованной системы охлаждения. Охлаждение составных частей фильтров – воздушное естественное. ТКРМ эксплуатируются на высоте не более 1000м над уровнем моря.
Тиристорные компенсаторы реактивной мощности для промышленных сетей 6 и 10 кВ обеспечивают быстродействующую компенсацию реактивной мощности в сетях с симметричным и несимметричным потреблением реактивной мощности, стабилизацию напряжения на шинах потребителя, фильтрацию высших гармоник; подключаются к сети без трансформатора.
Параметры предлагаемых ТКРМ приведены в таблице 6.
Таблица 6[19]
| Номинальная
Мощность, Мвар
|
Номинальное
Напряжение, кВ
|
Габариты (высота,
длина, ширина), мм
|
Масса, кг
|
| от 6,3 до 40
|
6 - 6,3; 10 – 10,5
|
2465 х 1800 х 1200
2470 х 6600 х 3200
|
1660 - 4200
|
Внедрение ТКРМ позволяет повысить пропускную способность промышленных сетей, уменьшает потери и повышает качество электроэнергии.
Технические характеристики: мощность – 6,3; 12,5; 20 и 40 МВАр; напряжение сети – 6,3; 10,5 кВ; фильтры 3, 5, 7, 11 и 13 гармоник мощностью 2,7; 4,5; 6,3; 9,9 МВАр каждая; управление – микропроцессорное; габариты определяются требуемым составом ТКРМ.
Система регулирования реактивной мощности узла нагрузки (СРМУН) позволяет регулирование возбуждения групп СД по условиям: минимума потерь активной мощности в узле нагрузки, в распределительных сетях и т.п.; минимума потерь в синхронном двигателе; стабилизации соsj; стабилизации напряжения узла нагрузки, что особенно важно в режимах работы АРВ, АПВ и самозапуска электродвигателей ответственных механизмов; выдачи реактивной мощности в сеть. СРМУН воздействует на входы необходимого количества тиристорных возбудителей В-ТПЕ8.
СРМУН может быть выполнена как с аналоговыми, так и микропроцессорными средствами управления. В аналоговом варианте система имеет семь входов замера реактивной мощности и пять выходов для индивидуального задания уставки реактивной мощности. В микропроцессорном варианте число входов и выходов может быть расширено за счет использования стандартных интерфейсов типа RS-232 или RS-485.
Тиристорные компенсаторы реактивной мощности для линий электропередач переменного тока до 110 кВ предназначены для компенсации реактивной мощности в ЛЭП переменного тока.
ТКРМ 80/20 к предназначен для генерирования индуктивной мощности, подключаемого к ЛЭП через трансформаторную обмотку 20 кВ.
ТКРМ 55/110 к генерирует мощность как индуктивную, так и емкостную. Конденсаторная батарея подключается к сети 110 кВ, а регулятор индуктивной мощности – к обмотке трансформатора 11 кВ.
ТКРМ 50/11 к генерирует мощность как индуктивную, так и емкостную и подключается к обмотке или сети 10–11 кВт с фильтрацией высших гармоник. Внедрение ТКРМ позволяет повысить пропускную способность ЛЭП, уменьшает потери и повышает качество электроэнергии.
Технические характеристики: номинальная мощность – 80, 55, 50 тыс. кВАр; пределы регулирования мощности от 0 до 100%; установка наружного исполнения с масляной системой охлаждения в части компенсирующих реакторов и тиристорного регулятора, конденсаторная батарея 110 кВ – наружного исполнения. Фильтры 10–11 кВ – внутренней установки. Шкаф управления – внутренней установки. Габариты определяются требуемым составом ТКРМ[19].
2. УСТРОЙСТВО КОМПЕНСАЦИИ РЕАКТИВНОЙ МОЩНОСТИ
2.1 Разработка и обоснование алгоритма функционирования и структурной схемы проектируемого устройства
На основе проведенного исследования методов и устройств компенсации реактивной мощности в системах электроснабжения преобразовательных установок поставим задачу проектирования.
Необходимо синтезировать устройство компенсации реактивной мощности для систем электроснабжения преобразовательных установок на основе трехфазной группы индуктивных сопротивлений – реакторов – с тиристорными регуляторами тока и конденсаторной установки.
В разрабатываемом тиристорном компенсаторе реактивной мощности к шинам нагрузки параллельно подключены компенсирующие реакторы и силовые фильтры высших гармоник.
Тиристорный регулятор реактивного тока выполнен в виде тиристорно-реакторных групп, соединенных в треугольник. Каждая тиристорно-реакторная группа состоит из последовательно соединенных реактора и тиристорного ключа в виде встречно-параллельно включенных тиристорных вентилей.
Источником реактивной мощности в данном устройстве является конденсаторная установка силовых фильтров высших гармоник.
Конденсаторная установка состоит из конденсаторных батарей, соединенных в треугольник и включенных на линейное напряжение электрической сети.
Это устройство должно обеспечивать быстродействующую компенсацию реактивной мощности; осуществлять фильтрацию высших гармоник токов и напряжений, генерируемых приемником электроэнергии – преобразовательной установкой, компенсацию изменений напряжения, а также симметрирование напряжения сети; обладать достаточным диапазоном регулирования реактивной мощности.
Разработаем алгоритм функционирования проектируемого устройства, на основании которого обеспечивалось бы выполнение всех функций устройства, указанных в задании на проектирование.
Проектируемое устройство должно иметь структуру, которая обеспечила бы, прежде всего, проверку правильности работы всей системы и отключение устройства в случае сбоя. Устройство должно содержать узлы для контроля параметров сети электроснабжения, а также блоки для измерения значения коэффициента мощности в сети и коррекции величины генерируемой устройством реактивной мощности в случае, когда величина ее фактического значения выходит за заданные пределы.
После подачи питания на проектируемое устройство производится проверка напряжения в системе. Если величина напряжения не находится в пределах, заданных как норма, то выполняется диагностика функционирования системы. Если Uпит
= 0, то осуществляется повторная подача питания в систему, а если же Uпит
¹ 0, то после вывода результатов диагностики устройство отключается от сети для проверки исправности функционирования блоков системы.
Если напряжение в системе не выходит за рамки нормируемой величины, то проводится контрольное тестирование элементов системы регулирования реактивной мощности, и в случае удовлетворительных результатов тестирования выполняется контроль параметров сети электроснабжения.
Если результаты тестирования окажутся неудовлетворительными, или же в сети обнаружится короткое замыкание, то после вывода результатов тестирования устройство отключается от сети.
После того, как тестирование системы и контроль параметров сети дадут удовлетворительные результаты (т.е. покажут, что устройство компенсации реактивной мощности работает не в аварийном режиме), производится ввод задающих воздействий на систему. Вводятся предельное значение напряжения и требуемое значение коэффициента мощности в системе электроснабжения.
Теперь устройство готово для выполнения своей основной задачи – компенсации реактивной мощности в системе электроснабжения.
Регулирование реактивной мощности, генерируемой в сеть, производится за счет изменения угла управления тиристоров a. При этом изменяется величина и длительность протекания тока через компенсирующие реакторы, т.е. потребление компенсирующими реакторами реактивной мощности при постоянстве реактивной мощности, генерируемой конденсаторными установками фильтров.
Работа устройства происходит следующим образом.
Измеряются мгновенные значения тока и напряжения в сети, и вычисляется фактическое значение коэффициента мощности в сети, которое сравнивается с заданным ранее требуемым значением.
Если фактическое значение коэффициента мощности равно (с учетом зоны нечувствительности) заданному значению cos j, то устройство не изменяет величину генерируемой в сеть реактивной мощности, а возвращается к контролю параметров сети для обнаружения возможного аварийного режима работы устройства или изменения величины потребляемой в сети реактивной мощности.
Когда же окажется, что фактическое значение cos j отлично от заданного, вырабатывается напряжение управления Uупр
для блока управления системы импульсно-фазового управления (СИФУ) тиристорами. В СИФУ происходит формирование опорных напряжений и сравнение Uупр
и Uоп
. И, наконец, моменты переключения компараторов СИФУ преобразуются в импульсы управления тиристорами. Импульсы, подаваемые на тиристоры, смещены относительно моментов естественного отпирания тиристоров на угол a, значение которого зависит от величины Uупр
.
Если значение угла управления a находится в разрешенных пределах, то формируемые СИФУ импульсы управления тиристорами изменяют интервал проводимости тиристоров и, соответственно, величину генерируемой в сеть реактивной мощности проектируемым устройством.
Если в результате регулирования реактивной мощности фактическое значение напряжения в сети превысит заданное граничное, то формируется управляющий сигнал нелинейного регулятора реактивной мощности. Приводится в действие нелинейный регулятор, чем снижается величина напряжения в сети до допустимого значения (не допускается перенапряжение в системе электроснабжения), даже если это достигается ценой уменьшения фактического значения коэффициента мощности в сети.
Разрабатываемый алгоритм должен позволять отключать устройство от сети не только в случае возникновения сбоев, перегрузок, аварийных режимов, но и по требованию потребителя. Для этого производится проверка наличия оснований для отключения устройства по требованию пользователя. Если с пульта управления компенсатором реактивной мощности поступила команда на отключение, то система производит тестирование устройства, выводит результаты тестирования в виде, удобном для пользователя, и отключает устройство от сети.
В том случае, когда команда на отключение не поступает, устройство продолжает циклически функционировать по описанному выше алгоритму.
На основании этих требований составляем алгоритм функционирования проектируемого устройства, блок-схема которого приведена на рисунке 35.
По составленному алгоритму функционирования синтезируем структурную схему проектируемого устройства, реализующую алгоритм.
Устройство содержит пульт оператора, позволяющий задавать значения напряжения, реактивной мощности и коэффициента мощности в сети в ручном или автоматическом режиме. Это осуществляется через соответствующие блоки задания.
Устройство содержит также блок дистанционного задания, с помощью которого можно установить требуемые значения контролируемых параметров сети электроснабжения предприятия, на котором устанавливается разрабатываемое устройство, используя ЭВМ.
Эти структурные элементы устройства на схеме объединены в блок задания предельного напряжения и cos j в электросети.
В разработанном устройстве для управления тиристорами, входящими в тиристорно-реакторную группу, применяется система импульсно-фазового управления. СИФУ осуществляется генерация отпирающих импульсов для тиристоров, смещение их по фазе относительно питающего напряжения силовой схемы.
Она позволяет преобразовать выходное напряжение блока управления Uупр
в последовательность подаваемых на тиристоры отпирающих импульсов, момент формирования которых смещен относительно моментов естественного отпирания тиристоров на угол a, зависящий от значения Uупр
.
В систему импульсно-фазового управления вводится опорное напряжение, взятое от источника, питающего силовую схему. Генерация отпирающего импульса для тиристора происходит на одном из фронтов соответствующего опорного напряжения в момент совпадения опорного с управляющим напряжением. При изменении управляющего напряжения импульс сдвигается относительно опорного и, следовательно, относительно напряжения силовой схемы.
При смещении отпирающих импульсов изменяется интервал времени, в течение которого через реактор, входящий в тиристорно-реакторную группу, протекает ток, изменяется среднее значение напряжения на реакторе. Следовательно, изменяется значение потребляемой реактором реактивной мощности.
Таким образом осуществляется регулирование коэффициента мощности и компенсация реактивной мощности в системе электроснабжения.
В работе используется синхронная многоканальная система импульсно-фазового управления, т.е. СИФУ, в которой выполняется отсчет угла a от моментов естественного отпирания для встречно-параллельно включенных тиристоров каждой фазы.
Система импульсно-фазового управления состоит из узла формирования опорных напряжений, компараторов, сравнивающих напряжение управления Uупр
и опорные напряжения Uоп
, узлов, преобразующих моменты переключения компараторов в импульсы управления тиристорами, узлов ограничения диапазона изменения угла a и выходных усилителей.
Под действием изменения времени проводимости тиристоров устройства изменяется генерируемая в сеть реактивная мощность, изменяются также значения напряжений и токов в сети.
Устройство содержит блоки измерения мгновенных значений тока и напряжения сети и узел определения фактического значения коэффициента мощности.
Эти блоки необходимы для определения фактического значения реактивной мощности в сети с целью подачи информационно-управляющих импульсов в блок управления компенсатора реактивной мощности.
В составе устройства предусмотрен блок формирования нелинейного закона регулирования реактивной мощности, который в случае появления в сети перенапряжений посылает в блок управления информационные импульсы, призванные исключить работу сети в аварийном режиме.
На основании изложенного составляем структурную схему. Структурная схема проектируемого устройства приведена на рисунке 36.
2.2 Обоснование функциональной и принципиальной схем блока проектируемого устройства
В данном разделе разработаем функциональную схему части проектируемого устройства компенсации реактивной мощности – системы импульсно-фазового управления встречно-параллельно включенными тиристорами, входящими в тиристорно-реакторную группу компенсатора реактивной мощности.
Система импульсно-фазового управления имеет следующие технические данные:
максимальное входное напряжение, В, – 10
входной ток, мА, не более
напряжение синхронизации с питающей сетью трехфазное, В80
температурный дрейф характеристики при изменении
температуры от 1 до 40 °С, %, не более
диапазон изменения угла a, град – 170
асимметрия импульсов отдельных каналов, град,±3
Система импульсно-фазового управления гальванически отделена от силовой части проектируемого устройства.
Применяемая в данной работе система импульсно-фазового управления имеет следующие особенности: косинусоидальное опорное напряжение, шестиканальное устройство фазосмещения.
Работа системы импульсно-фазового управления происходит следующим образом.
Трехфазная система напряжений из сети поступает на фильтр, который обеспечивает формирование опорных напряжений AF
, BF
, CF
, сдвинутых на 60°. Эти напряжения используются в формирователях, обеспечивающих получение сигналов А0
, В0
, С0
, служащих для ограничения угла amin
, и сигналов Аm
, Вm
, Сm
, служащих для ограничения угла amax
.
Блок сравнения, на вход которого поступают напряжение управления Uупр
, напряжение смещения Uo
и опорные напряжения AF
, BF
, CF
, выдает напряжения AS
, -AS
, BS
, -BS
, CS
, -CS
. Эти напряжения положительны, когда напряжение управления меньше опорного напряжения.
Напряжения ограничения угла amax
(Аm
, Вm
, Сm
), amin
(А0
, В0
, С0
), выходные напряжения блока сравнения (AS
, -AS
, BS
, -BS
, CS
, -CS
) поступают на формирователи, с выходов которых снимаются сигналы A', -A', B', -B', C', -C'. Моменты появления этих сигналов совпадают с моментами равенства Uупр
и Uo
п
для каждой из фаз (при условии, что amin
<a<amax
).
Из этих сигналов преобразователем кодов формируются сигналы A, B, C, -A, -B, -C, моменты появления которых соответствуют углу a. С выхода кодопреобразователя сигналы поступают на выходные усилители, которые формируют последовательность импульсов, подаваемых на тиристоры.
На рисунке 37 приведены диаграммы напряжений в СИФУ.
Функциональная схема системы импульсно-фазового управления показана на рисунке 38.
Система импульсно-фазового управления выполнена с широким использованием операционных усилителей серии К544УД2, логических интегральных микросхем серии КР1533.
Микросхема К544УД2 представляет собой быстродействующий операционный усилитель. Его схема имеет внутреннюю частотную коррекцию.
ИМС серии КР1533 – это маломощные быстродействующие интегральные микросхемы, предназначенные для организации высокоскоростного обмена и обработки информации, временного и электрического согласования сигналов в вычислительных системах. Микросхемы серии КР1533 по сравнению с другими сериями ТТЛ-микросхем обладают минимальным значением произведения быстродействия на рассеиваемую мощность. Микросхемы изготавливаются по усовершенствованной эпитаксиально-планарной технологии с диодами Шоттки.
СИФУ состоит из узла формирования опорных напряжений, узлов формирования логических сигналов, служащих для ограничения углов amin
и amax
, узла фазосмещения, узлов формирования диапазонов, кодопреобразователя и выходных усилителей.
Узел формирования опорных напряжений включает в себя трансформатор с двумя группами вторичных обмоток, которые можно включать по схемам звезды или треугольника, и ячейку фильтра с тремя каналами апериодических фильтров, обеспечивающих фазовый сдвиг на 60°.
На рисунке 39 изображена схема фильтра, служащего для формирования опорного напряжения фазы А – напряжения АF
. Схемы формирователей других фаз аналогичны.
На рисунке 39: R1 – переменное сопротивление, предназначенное для выбора параметров фильтра, R1 = 10 кОм.
R2 = 22 кОм, R3 = 5,1 кОм, R4 = 12 кОм, R5 = 10 кОм. Емкость конденсатора в цепи обратной связи ОУ: С1 = 0,33 мкФ.
Опорное напряжение, которое формируется этим узлом, необходимо в работе системы управления тиристорами для привязки импульсов отпирания к питающей сети.
На рисунке 40 показан узел формирования логических сигналов, служащих для ограничения угла amin
.
Этот узел служит для формирования логических сигналов А0
, В0
, С0
, которые имеют длительность 180о
и предназначены для ограничения угла amin
.
На рисунке 40 R1 и R8 – переменные сопротивления: R1 = R8 = 10 кОм. Номиналы других сопротивлений: R2 = R4 = R5 = 10 кОм, R3 = R6 = 5,1 кОм, R7 = 8,2кОм. Сопротивления R9 – R11 служат для ограничения тока, их номиналы: R9 = = R10 = R11 = 220 кОм. Емкости конденсаторов в цепях обратных связей операционных усилителей: С1 = С2 = 0,01 мкФ.
Узел состоит из компараторов А3–А5, микросхемы ключей DD1 К190КТ2П и формирователей напряжений смещения ±U1 на усилителях А1, А2.
На вход узла подаются опорные напряжения АF
, ВF
, СF
, которые поступают на компараторы А3–А5. Когда на выходе компаратора напряжение имеет отрицательную полярность, один из ключей замкнут, и на вход связанного с этим ключом компаратора поступает выходное напряжение усилителя А1. Когда на выходе компаратора напряжение имеет положительную полярность, то на вход того же компаратора поступает выходное напряжение усилителя A2. При U1 = 0 разрешенный для формирования диапазон угла a начинается с a=30°, т. е. amin
=30°. Если напряжение на выходе А2 больше нуля, то amin
<30°.
Узел формирования логических сигналов Аm
, Вm
, Сm
, служащих для ограничения угла amax
, выполнен по той же схеме, что и узел ограничения amin
, рассмотренный выше, но с другим порядком чередования фаз АF
, ВF
, СF
.
Узел фазосмещения состоит из шести компараторов, на входе которых сравниваются напряжение управления Uупр
, напряжение смещения Uo
, обеспечивающее начальный угол управления при Uy
пр
= 0, и соответствующее опорное напряжение. При этом для тиристоров одной фазы анодной и катодной групп напряжение Uупр
имеет противоположные знаки.
Схема узла фазосмещения показана на рисунке 41.
Номиналы сопротивлений на рисунке 41: R1 = R2 = R4 = 47 кОм, R3 = R6 = 5,1кОм, R5 = R8 = 10 кОм, R7 = 8,2 кОм. Емкости конденсаторов: С1 = С2 = 0,01мкФ.
На один из входов усилителя А1, имеющего коэффициент передачи, по всем входам равный 1, поступает сигнал управления Uупр
, а на второй – напряжение начального согласования Uо
. Постоянная времени цепи обратной связи A1 – 0,1 мс. Коэффициент передачи инвертирующего усилителя А2 также равен 1.
Сравнение Uупр
и напряжения соответствующей фазы (АF
, ВF
или СF
) осуществляется на компараторах А3–А8, причем на компараторы А3, А5, А7 подается –Uy
, а на компараторы А4, А6, А8 – + Uу
.
На рисунке 41 показана только схема компараторов А3, А4, схемы компараторов А5–А8 аналогичны. На выходах компараторов формируются напряжения прямоугольной формы As
, –As
, Вs
, –Вs
, Сs
, –Сs
, причем эти напряжения положительны, когда напряжение управления меньше опорного.
Выходные напряжения As
, –As
, Вs
, –Вs
, Сs
, –Сs
, а также напряжения ограничения amax
, amin
поступают на узлы формирования диапазонов.
В этой схеме использованы ИМС 2И-НЕ серии КР1533ЛА5, а также диоды КД522Б; R1 = R2 = R3 = R4 = 220 кОм.
На рисунке 42 показаны только цепи формирования логических сигналов фазы А (сигналы А' и –А'). Входные напряжения остальных фаз поступают на соответствующие входы аналогичных схем других фаз.
На входах узлов установлены диоды, срезающие отрицательную полярность входного напряжения. Логические сигналы А' и –А' имеют длительность 180°. Моменты появления этих сигналов совпадают с моментами равенства Uупр
и опорного напряжения соответствующей фазы при amin
< a < amax
.
На рисунке 43 показан преобразователь логических сигналов, выполненный на комбинационных элементах.
На входы блока подаются выходные сигналы узла формирования диапазонов А', –А', В', –В', С', –С'. Эти сигналы имеют длительность 180°.
В преобразователе реализуются логические функции этих сигналов:
А = А' * (–В'),–А = (–А') * В',
В = В' * (–С'),–В = (–В') * С',
С = С' * (–А'),–С = (–С') * А'.
На выходах микросхем формируются логические сигналы А, –А, В, –В, С, –С длительностью 120°, момент появления которых соответствует углу управления a.
При подаче логического нуля на вход S импульсы подаются на все тиристоры одновременно.
В заключение, импульсы управления тиристорами поступают на выходные усилители системы импульсно-фазового управления.
На рисунке 44 показана схема усилителя для импульсов одной из фаз.
В схеме усилителя использованы следующие элементы: R1 = 100 кОм, R2 = R3 = 47 кОм, С1 = С2 = 0,22 мкФ, VT1 – КП303В, VT2 – КТ973Б, VD1 – VD3 – КД522Б.
Выходной усилитель импульсов СИФУ двухкаскадный с полевым транзистором в первом каскаде. Транзистор VT2 открывается при подаче логического "0" на вход канала. Конденсатор С1 служит для ускорения включения этого транзистора.
3. ТЕХНИКО-ЭКОНОМИЧЕСКОЕ ОБОСНОВАНИЕ
3.1 Планирование заработной платы на предприятии
Планирование заработной платы должно обеспечивать повышение заинтересованности каждого работника в улучшении индивидуальных и общих результатов работы. Главная задача – поставить размер фонда заработной платы в прямую зависимость от конечных результатов, от роста производительности труда.
В плановый фонд заработной платы включаются все денежные выплаты работникам по тарифным ставкам и окладам, а также премии из фонда заработной платы, доплаты всех видов к основной заработной плате
Основным методом планирования заработной платы является нормативный, основанный на стабильных экономических нормативах формирования фонда заработной платы (фонда оплаты труда).
Предприятие планирует по установленному нормативу фонд заработной платы (фонд оплаты труда) в зависимости от намеченного плана по показателям, характеризующим конечный результат. Оно обязано обеспечивать в соответствии с утвержденными нормативами опережение прироста производительности труда по сравнению с приростом средней заработной платы.
Общий плановый фонд заработной платы при нормативно-приростном формировании состоит из базового фонда заработной платы и суммы увеличения фонда, исчисленного по нормативу за каждый процент прироста объема продукции.
Базовый общий фонд заработной платы – это фонд заработной платы по отчету предшествующего года всех категорий промышленно-производственного и непромышленного персонала, научно-исследовательских и других организаций, а также несписочного состава.
При определении нормативов заработной платы должны быть учтены следующие положения:
необходимость получения всего прироста объема продукции за счет повышения производительности труда;
соблюдение экономически обоснованного соотношения между ростом производительности труда и ростом средней заработной платы.
Неиспользованная экономия по фонду заработной платы, рассчитанному по нормативу, направляется в конце года в фонд материального поощрения, а перерасход покрывается за счет средств этого фонда.
Производственным объединениям, предприятиям расширены права в использовании экономии фонда заработной платы, а также средств фонда материального поощрения. За счет общей экономии фонда заработной платы устанавливаются надбавки к окладам и тарифным ставкам за высокую квалификацию и достигнутые результаты труда всем категориям инженерно-технических работников и служащих и надбавки рабочим за мастерство, за совмещение профессий.
Наряду с нормативным методом на предприятиях при расчете планового фонда заработной платы цехам и отделам, а также по категориям работающих при текущем планировании применяется подробный, поэлементный метод расчета фонда заработной платы.
Исходными данными для составления плана по заработной плате являются:
производственная программа;
данные о трудоемкости продукции, расценках на детали, изделия;
численность работающих по категориям с указанием профессионального и квалификационного состава рабочих;
тарифная система;
штатное расписание ИТР и служащих.
Расчет фонда заработной платы различных категорий работников осуществляется с учетом характера их работы и форм оплаты труда.
Фонд заработной платы рабочих состоит из основной и дополнительной заработной платы.
К основной относится заработная плата за выполненную работу и отработанное время: оплата по сдельным расценкам, тарифным ставкам, надбавки к тарифным ставкам за профессиональное мастерство, премии за высокие показатели в работе, доплаты за ночное время и др.
Дополнительная заработная плата включает различные выплаты, обусловленные трудовым законодательством, по не связанные с выполненной работой.
В зависимости от характера доплат и выплат различают фонды часовой, дневной и месячной заработной платы.
Фонд часовой заработной платы включает:
оплату по тарифным ставкам и сдельным расценкам;
дополнительную оплату за фактически отработанное время внутри смены (за ночное время, надбавки за профессиональное мастерство, выплаты рабочим по премиальным положениям, доплаты за обучение учеников).
Фонд дневной заработной платы включает:
весь фонд часовой заработной платы;
оплату за внутрисменные перерывы в работе.
Фонд месячной заработной платы включает:
фонд дневной заработной платы;
оплату за целодневные перерывы в работе (оплата очередных и дополнительных отпусков, времени выполнения государственных и общественных обязанностей, выплата выходных пособий, командированным на учебу).
Основу этих фондов составляет фонд прямой заработной платы, который состоит из сдельной оплаты по расценкам и повременной по тарифу.
Расчет планового фонда заработной платы производится отдельно для работников, оплачиваемых сдельно и повременно.
Фонд прямой заработной платы рабочих – со сдельной оплатой труда – рассчитывается двумя способами:
1) по сдельным расценкам и объему выпуска продукции по плану; при этом фонд заработной платы рабочих со сдельной оплатой труда определяется путем умножения сдельной расценки за единицу изделия на планируемое количество этих изделий и суммирования результатов по всем изделия.
Сдельная расценка за единицу изделия представляет собой сумму сдельных расценок по всем операциям, предусмотренным технологическим процессом изготовления данного изделия;
2) исходя из трудоемкости планируемой к выпуску продукции в нормо-часах и средневзвешенной часовой тарифной ставки
Средняя часовая тарифная ставка рассчитывается на основе тарифных ставок и удельного веса рабочих каждого разряда.
Второй способ менее точен, так как разряды рабочих и работ не всегда совпадают, но он прост в расчетах и поэтому применяется на предприятиях с серийным и мелкосерийным типом производства.
Рабочим, труд которых оплачивается на основе установленных им месячных окладов, фонд заработной платы по тарифу определяется умножением их оклада на количество рабочих, имеющих одинаковый оклад, и на число месяцев работы в плановом периоде.
Сумма премий рабочим с повременной оплатой труда определяется по шкалам премирования за достижение определенных показателей в работе: за лучшее использование оборудования, за изготовление продукции высокого качества, за экономию сырья, материалов, топлива, инструмента и др.
Размер доплат за работу в ночное время (с 22 до 6 ч) определяется в зависимости от численности рабочих, от числа отработанных часов в ночное время в среднем одним рабочим, среднечасовой их тарифной ставки и установленного размера доплат за работу в ночное время.
Доплаты за работу в праздничные и выходные дни планируются на предприятиях и участках с непрерывным режимом работы, а также в случаях, когда планом предусмотрен ремонт оборудования в эти дни. Оплата производится в двойном размере: рабочим со сдельной оплатой труда – по двойным сдельным расценкам, с повременной – в размере двойной часовой ставки за каждый час работы.
Доплаты за обучение учеников рассчитываются умножением оплаты за обучение одного ученика на их количество в плановом году.
Размер доплат подросткам за один недоработанный час устанавливается путем умножения среднечасовой тарифной ставки подростков на количество рабочих дней в планируемом периоде и на число подростков.
Оплата очередных и дополнительных отпусков рассчитывается исходя из средней длительности отпуска одного рабочего по балансу рабочего времени, среднедневной заработной платы, включающей все виды доплат, и общего числа рабочих в плановом периоде.
Выплаты, обусловленные трудовым законодательством, образуют дополнительную заработную плату. Отношением суммы дополнительной заработной платы к прямой производственной определяется процент дополнительной заработной платы, который используется при калькулировании себестоимости отдельных видов продукции.
Дополнительная заработная плата составляет 10–15 % к тарифному или сдельному фонду заработной платы.
Фонд основной заработной платы вместе с дополнительной за работной платой производственных и вспомогательных рабочих составляет общий фонд заработной платы рабочих в планируемом периоде.
Средняя заработная плата рабочих определяется делением общего фонда заработной платы на среднесписочное число рабочих. При расчете средней заработной платы учитываются премии из фонда материального поощрения, кроме единовременной помощи, но в общий фонд заработной платы рабочих они не включаются.
Фонд заработной платы ИТР, служащих и младшего обслуживающего персонала определяется по штатным расписаниям, по каждой категории в отдельности, путем перемножения должностных окладов на число работников данной категории и на количество месяцев планируемого периода.
Премии из фонда материального поощрения в общий фонд заработной платы не включаются, но учитываются при определении средней заработной платы этих категорий работников.
Фонд заработной платы непромышленного персонала определяется на основании штатного расписания для этой группы работников.
Фонд заработной платы нештатного персонала устанавливается предприятием в пределах выделенных для этого средств.
Средняя заработная плата по каждой категории и в среднем на одного работающего определяется путем деления планового фонда заработной платы с учетом выплат из фонда материального поощрения (за исключением сумм единовременной помощи и единовременных премий за экономию материалов, электроэнергии) на среднесписочную численность работников.
С целью анализа, контроля и сопоставления с показателями производительности труда по категории рабочих определяется также среднедневная и среднечасовая заработная плата.
Среднедневная заработная плата рассчитывается делением фонда дневной заработной платы на эффективный фонд рабочего времени в днях, среднечасовая – делением фонда часовой заработной платы на эффективный фонд рабочего времени в часах.
Средняя заработная плата работающих является расчетным показателем и характеризует уровень и динамику материального благосостояния работников.
Важным расчетным показателем при разработке плана по труду является плановое соотношение темпов роста производительности труда и средней заработной платы, от которого зависят такие итоговые результаты деятельности предприятия, как прибыль, рентабельность, эффективность производства. Соотношение темпов роста этих двух показателей точнее определяется по индексным величинам, чем по соотношению процентов их роста. Темпы роста производительности труда и средней заработной платы исчисляются в индексах, а их соотношение отражает коэффициент опережения темпа роста производительности по сравнению с темпом роста средней заработной платы, если индекс роста производительности больше индекса роста заработной платы.
Величина соотношения темпов прироста производительности труда и средней заработной платы зависит от факторов роста производительности труда. Внедрение новой техники, механизации и автоматизации производства, совершенствование технологических процессов обеспечивают значительное снижение трудоемкости продукции и повышение производительности труда. При этом заработная плата рабочих увеличивается в меру их участия в техническом прогрессе и в связи с повышением квалификации. По этой группе факторов темп роста производительности труда значительно опережает рост заработной платы. Рост заработной платы на 1 % повышения производительности труда по группе факторов, связанных с повышением технического уровня производства, колеблется в пределах 0,1–0,3 %.
Рост производительности труда за счет повышения квалификации, сокращения потерь рабочего времени, снижения непроизводительных затрат, уплотнения рабочего дня зависит непосредственно от рабочих. Поскольку при внедрении этих мероприятий нормы изменяются в незначительной степени, то уменьшается разрыв в темпах роста производительности труда и средней заработной платы. Рост заработной платы на 1 % повышения производительности труда за счет этой группы факторов составляет 0,6–0,9 %. Средняя величина прироста заработной платы на 1 % повышения производительности труда по объединению, предприятию зависит от соотношения мероприятий этих двух групп.
Соотношение темпов роста этих важных экономических показателей предприятие регулирует планированием мероприятий, повышающих производительность труда. Это позволяет обеспечить опережающий рост производительности труда по сравнению с ростом средней заработной платы, что является непременным условием формирования экономических нормативов, фонда заработной платы и фонда материального поощрения.
Рассчитанный подробным, поэлементным методом фонд заработной платы промышленно-производственного персонала сопоставляется с фондом, установленным исходя из утвержденных нормативов формирования фонда заработной платы (фонда оплаты труда). При значительных расхождениях в величинах фонда заработной платы пересматриваются составляющие фонда, рассчитанного подробным методом, и принимаются соответствующие меры по совершенствованию организации труда и заработной платы с тем, чтобы не допустить перерасхода фонда заработной платы, установленного на основе норматива[38].
3.2 Определение годового экономического эффекта от внедренияпроектируемого устройства
Рассчитаем экономические показатели устройства: себестоимость и оптовую цену.
Для расчета себестоимости единицы выпускаемой продукции применяется классификация затрат по калькуляционным статьям расходов:
1) сырье и материалы, покупные комплектующие и полуфабрикаты;
2) возвратные отходы;
3) топливо и энергия на технологические цели;
4) основная заработная плата производственных рабочих;
5) дополнительная заработная плата производственных рабочих;
6) отчисления на социальное страхование;
7) расходы на подготовку и освоение производства;
8) износ инструментов и приспособлений целевого назначения;
9) расходы на содержание и эксплуатацию оборудования;
10) цеховые расходы;
11) общезаводские расходы;
12) внепроизводственные расходы.
Исходными данными для составления калькуляции себестоимости на проектируемое устройство является статья калькуляции на покупные и комплектующие изделия. Данные по этой статье приведены в таблице 7.
Таблица 7 – Данные на покупные и комплектующие изделия
| Наименование комплектующих
|
Цена,
грн.
|
Количество, шт.
|
Сумма на изделие, грн.
|
| Микросхемы:
К553УД2
К190КТП2П
КР1533ЛА5
|
2,56
1,46
0,50
|
21
2
6
|
53,76
2,92
3,00
|
| Конденсаторы:
К73-17
|
0,10
|
42
|
4,20
|
| Резисторы:
СП3
МЛТ
|
2,13
0,10
|
11
64
|
23,43
6,40
|
| Транзисторы:
КТ973Б
КП303В
|
4,12
1,50
|
6
6
|
24,72
9,00
|
| Диоды: КД522Б
|
0,50
|
30
|
15,00
|
| Фольгированный текстолит
|
4,00
|
1
|
4,00
|
| Итого 146,43
|
По данным таблицы 7 определяется стоимость комплектующих изделий:
∑ К = 146,43 грн.
Транспортно-заготовительные расходы составляют 10%, тогда общие затраты составят:
∑ Кобщ.-затр. = ∑ К * 0,1 + ∑ К = 161,07 грн.
В таблице 8 приведена трудоемкость выполнения операций по изготовлению устройства, на основании чего определяем прямую заработную плату.
Оплата 1 чел-час производится из расчета :
З (чел-час) = ТСмес * 12 / Фрв,
где – Тсмес – тарифная ставка рабочих за месяц, ТСмес = 350,00 грн.;
Фрв – фонд рабочего времени, Фрв = 2600 час.
Тогда
З (чел-час) = ТСмес * 12 / Фрв = 350 * 12 / 2600 = 1,615 (грн/час).
Таблица 8 – Трудоемкость выполнения операций
| Наименование операции
|
Трудоемкость, чел-час
|
Количество операций
|
Всего трудозатраты, чел-час
|
Заработная плата, грн.
|
| Подготовка материалов
|
0,5
|
5
|
2,5
|
4,05
|
| Монтаж элементов
|
0,5
|
100
|
50
|
80,80
|
| Сборка устройства
|
2
|
5
|
10
|
16,15
|
| Установка силовой части
|
4
|
10
|
40
|
64,65
|
| Настройка оборудования
|
2
|
15
|
30
|
48,45
|
Итого
|
|
214,10
|
Тогда суммарная прямая заработная плата составит:
∑ ЗП = 214,10 грн.
Определим основную заработную плату: прямая зарплата + премии в размере 20% от прямой заработной платы:
ОЗП = ∑ ЗП * (1 + 0,2) = 256,92 грн.
Дополнительная заработная плата производственных рабочих определяется в размере 10% от основной зарплаты:
ДЗП = ОЗП *0,1 = 25,69 грн.
Отчисления в фонд социального страхования согласно действующему законодательству составляют:
- на обязательное государственное социальное страхование в связи с временной потерей трудоспособности и расходами, обусловленными рождением и погребением – 2,9%;
- на обязательное государственное социальное страхование на случай безработицы – 2,1%;
- на государственное (обязательное) пенсионное страхование (в Пенсионный фонд), а также отчисления на дополнительное пенсионное страхование – 32%;
- фонд страхования несчастных случаев на производстве и профессиональных заболеваний, приведших к утрате трудоспособности – 0,5 %.
Следовательно, отчисления составляют 37,5 % от суммы основной и дополнительной заработной платы:
Осоцстрах. = (ОЗП + ДЗП) * 0,375 = 105,98 грн.
Расходы на содержание и эксплуатацию оборудования составляют 150 % от основной заработной платы:
Рс.э.о. = ОЗП * 1,5 = 385,38 грн.
Цеховые расходы составляют 160 % от основной заработной платы:
Рцех. = ОЗП * 1,6 = 411,07 грн.
Общезаводские расходы составляют 80 % от основной заработной платы:
Робщ.з. = ОЗП * 0,8 = 205,54 грн.
Тогда производственная себестоимость определяется как сумма всех статей расходов:
С/Спр. = ∑ всех статей расходов = 1551,65 грн.
Внепроизводственные расходы, связанные со сбытом продукции, составляют 2,5 % от производственной себестоимости:
Рвнепр. = С/Спр. * 0,025 = 38,79 грн.
Полная себестоимость устройства формируется из суммы производственной себестоимости и внепроизводственных расходов:
С/Сполная = С/Спр. + Рвнепр. = 1590,44 грн.
Все расходы по статьям калькуляции приведены в таблице 9.
Таблица 9 – Суммарные расходы по калькуляционным статьям
Статья калькуляции
|
Затраты, грн.
|
| Покупные и комплектующие изделия
(с учетом транспортно-заготовительных расходов)
|
161,07
|
| Прямая заработная плата
|
214,10
|
| Основная заработная плата
|
256,92
|
| Дополнительная заработная плата
|
25,69
|
| Отчисления в фонд социального страхования
|
105,98
|
| Расходы на содержание и эксплуатацию оборудования
|
385,38
|
| Цеховые расходы
|
411,07
|
| Общезаводские расходы
|
205,54
|
| Производственная себестоимость
|
1551,65
|
| Внепроизводственные расходы
|
38,79
|
Итого
|
1590,44
|
Оптовую цену изделия составляют: полная себестоимость, прибыль предприятия и НДС.
Прибыль составляет 25 % от полной себестоимости без учета затрат на материалы и покупные изделия:
ПР = С/Сполная * 0,25 – ∑ К = 251,18 грн.
НДС составляет 20% от полной себестоимости:
НДС = 0,2 * С/Сполная = 318,09 грн.
Тогда оптовая цена составит:
Цопт. = С/Сполная + ПР + НДС = 2123,71 грн.
Определяем годовой экономический эффект.
Разрабатываемое в данной работе устройство компенсации реактивной мощности является многофункциональным устройством, применяемым в системах электроснабжения, питающих мощные тиристорные преобразователи. Это устройство производит компенсацию реактивной мощности в электрической сети, а также обеспечивает стабилизацию напряжения на шинах потребителей, фильтрацию высших гармоник, симметрирование токов и напряжений в сети.
В случае внедрения разработанного устройства на предприятиях, имеющих мощные тиристорные преобразователи, происходит экономия средств на оплату потребляемой предприятием из энергосистемы реактивной мощности, а также сокращение численности обслуживающего персонала.
Определим суммарную годовую зарплату рабочих, сокращаемых при введении в эксплуатацию разрабатываемого устройства:
∑ ЗПгод. = ЗПмес. * 12 * n,
где – ЗПмес. – заработная плата одного рабочего в месяц, грн.;
n – количество сокращаемых рабочих.
Эк. ЗП = 250,00 * 12 * 2 = 6000,00 грн.
Следовательно годовой экономический эффект составляет 6000,00 грн.
4. ОХРАНА ТРУДА
4.1 Электробезопасность
Разрабатываемое в данной работе устройство компенсации реактивной мощности является многофункциональным устройством, применяемым в системах электроснабжения, питающих мощные тиристорные преобразователи. Это устройство производит компенсацию реактивной мощности в электрической сети, а также обеспечивает стабилизацию напряжения на шинах потребителей, фильтрацию высших гармоник, симметрирование токов и напряжений в сети.
В этом разделе проанализируем потенциальные опасные и вредные факторы, возникающие при эксплуатации разработанного устройства.
Все опасные факторы, которые могут возникнуть в процессе установки, наладки и эксплуатации устройства связаны с электробезопасностью.
Электробезопасность – система организационных и технических мероприятий и средств, обеспечивающих защиту людей от вредного и опасного воздействия электрического тока, электрической дуги, электромагнитного поля и статического электричества.
Проходя через живые ткани, электрический ток оказывает термическое, электролитическое и биологическое воздействия. Это приводит к различным нарушениям в организме, вызывая как местное поражение тканей и органов, так и общее поражение организма.
Опасность электрического тока в отличие от прочих опасностей усугубляется тем, что человек не в состоянии без специальных приборов обнаружить напряжение дистанционно, как, например, движущиеся части, раскаленные объекты, открытые люки, неогражденные края площадки, находящейся на высоте, и т. п.
Анализ смертельных несчастных случаев на производстве показывает, что на долю поражений электрическим током приходится до 40%, а в энергетике – до 60%. Большая часть смертельных электропоражений (до 80 %) наблюдается в электроустановках напряжением до 1000 В.
Эта статистика становится еще более актуальной, если учесть, что разработанное устройство предназначается для использования в энергетической отрасли промышленности, в том числе и в электроустановках напряжением до 1000В.
Анализ опасности электрических сетей практически сводится к определению значения тока, протекающего через тело человека в различных условиях, в которых может оказаться человек при эксплуатации электрических сетей и электроустановок. Анализ также ставит перед собой задачу оценки влияния различных факторов и параметров сети на опасность поражения.
Поражение человека электрическим током может наступить при двухфазном и однофазном прикосновении к токоведущим частям, при прикосновении к заземленным нетоковедущим частям, оказавшимся под напряжением, и при включении на шаговое напряжение.
Электроустановками называются установки, предназначенные для производства, преобразования, распределения энергии, а также потребления электроэнергии.
В различных электроустановках различна опасность поражения электрическим током, так как параметры электроэнергии, условия эксплуатации электрооборудования и характер среды помещений, в которых оно установлено, очень разнообразны. Комплекс защитных мер должен соответствовать виду электроустановки и условиям применения электрооборудования и обеспечивать достаточную безопасность.
Опасность поражения током, а также возможная его тяжесть прежде всего зависят от номинального напряжения. По напряжению различают электроустановки напряжением до 1000 В и электроустановки напряжением выше 1000 В.
Существенно влияние на безопасность условий среды, от которых зависит состояние изоляции, а также электрическое сопротивление тела человека.
В зависимости от вида электроустановки, номинального напряжения, режима нейтрали, условий среды помещения и доступности электрооборудования необходимо применять определенный комплекс необходимых защитных мер, обеспечивающих достаточную безопасность, которая редко может быть обеспечена единственной мерой.
В электроустановках применяют следующие технические защитные меры:
1) малые напряжения;
2) электрическое разделение сетей;
3) контроль и профилактика повреждений изоляции;
4) компенсация емкостной составляющей тока замыкания на землю;
5) обеспечение недоступности токоведущих частей;
6) защитное заземление;
7) зануление;
8) двойная изоляция;
9) защитное отключение.
Применение этих защитных мер регламентируется ПУЭ и другими Правилами.
Применение малых напряжений – эффективная защитная мера, но ее широкому распространению мешает трудность осуществления протяженной сети малого напряжения. Поэтому источник малого напряжения должен быть максимально приближен к потребителю. Вследствие того, что потребители рассредоточены на значительных территориях, надо устанавливать источники питания (трансформаторы) на небольшую группу потребителей или даже на каждый потребитель, что экономически невыгодно. Поэтому область применения малых напряжений 12, 36 и 42 В ограничивается ручным электрифицированным инструментом, ручными переносными лампами и лампами местного освещения в помещениях с повышенной опасностью и особо опасных.
Область применения защитного разделения сетей – электроустановки напряжением до 1000В, эксплуатация которых связана с повышенной степенью опасности, в частности передвижные электроустановки, ручной электрифицированный инструмент и т. п. Поскольку основная цель этой защитной меры – уменьшить ток замыкания на землю за счет высоких сопротивлений фаз относительно земли, не допускается заземление нейтрали или одного из выводов вторичной обмотки разделительного трансформатора или преобразователя.
Немалую опасность представляет возможность продолжения работы электроустановки при глухом замыкании на землю, так как человек, прикоснувшийся к исправной фазе, попадает под линейное напряжение. В этом случае защитное разделение сети не достигает цели. Чтобы избежать опасности возникновения замыкания на землю, необходимо постоянно следить за состоянием изоляции и своевременно устранять ее повреждения.
Контроль изоляции – измерение ее активного или омического сопротивления с целью обнаружения дефектов и предупреждения замыканий на землю и коротких замыканий.
Состояние изоляции в значительной мере определяет степень безопасности эксплуатации электроустановок. В сетях напряжением выше 1000 В снижение сопротивления изоляции почти всегда приводит к глухому замыканию на землю.
При заземленной нейтрали ток замыкания на землю и ток через человека не зависят от сопротивления изоляции. Но при плохом состоянии изоляции часто происходят ее повреждения, что приводит к глухим замыканиям на землю (корпус) и к коротким замыканиям. При замыкании на корпус возникает опасность поражения людей электрическим током, так как нетоковедущие части, с которыми человек нормально имеет контакт, оказываются под напряжением.
Чтобы предотвратить замыкания на землю и другие повреждения изоляции, при которых возникает опасность поражения людей электрическим током, а также выходит из строя оборудование, необходимо проводить испытания повышенным напряжением и контроль изоляции.
При испытаниях повышенным напряжением дефекты изоляции обнаруживаются вследствие пробоя и последующего прожигания изоляции (током). Выявленные дефекты устраняются, и производятся повторно испытания исправленного оборудования.
Контроль и профилактика повреждений изоляции позволяют поддерживать ее сопротивление на высоком уровне. Емкость фаз относительно земли не зависит от каких-либо дефектов; она определяется общей протяженностью сети, высотой подвеса проводов воздушной сети, толщиной фазной изоляции жил кабеля, т.е. геометрическими параметрами. Поэтому емкость сети не может быть снижена. В процессе эксплуатации емкость сети изменяется лишь за счет отключения и включения отдельных линий, что определяется требованиями электроснабжения.
Поскольку невозможно уменьшить емкость сети, снижение тока замыкания на землю достигается путем компенсации его емкостной составляющей индуктивностью. В трехфазной сети нет необходимости включать индуктивность между каждой фазой и землей; компенсирующая катушка включается между нейтралью и землей.
Компенсация емкостной составляющей тока замыкания на землю применяется обычно в сетях напряжением выше 1000 В для гашения перемежающейся электрической дуги при замыкании на землю и снижения возникающих при этом перенапряжений. Одновременно уменьшается ток замыкания на землю.
В сетях напряжением до 1000 В компенсация емкостной составляющей тока замыкания на землю применяется лишь в подземных сетях шахт и рудников.
Компенсация емкостной составляющей тока замыкания на землю эффективна, когда емкостная проводимость фаз относительно земли больше активной и снижение полного тока замыкания на землю за счет компенсации емкостной составляющей значительно. Эта защитная мера применяется в дополнение к другим защитным мерам – защитному отключению и заземлению, так как самостоятельно безопасности в большинстве случаев не обеспечивает.
Прикосновение к токоведущим частям всегда может быть опасным даже в сети напряжением до 1000 В с изолированной нейтралью, с хорошей изоляцией и малой емкостью, не говоря уже о сетях с заземленной нейтралью и о сетях напряжением выше 1000 В. В последнем случае опасно даже приближение к токоведущим частям.
В электроустановках напряжением до 1000 В применение изолированных проводов уже обеспечивает достаточную защиту от поражения при прикосновении к ним. Изолированные провода, находящиеся под напряжением выше 1000 В, не менее опасны, чем голые, так как повреждения изоляция обычно остаются незамеченными, если провод подвешен на изоляторах.
Чтобы исключить возможность прикосновения или опасного приближения к изолированным токоведущим частям, должна быть обеспечена недоступность с помощью ограждения, блокировок или расположения токоведущих частей на недоступной высоте или в недоступном месте.
Ограждения применяют как сплошные, так и сетчатые. Сплошные ограждения в виде кожухов и крышек применяют в электроустановках напряжением до 1000 В. Сетчатые ограждений применяются в установках напряжением до 1000 В и выше. Сетчатые ограждения имеют двери, запирающиеся на замок.
Блокировки применяются в электроустановках, в которых часто производятся работы на ограждаемых токоведущих частях. Блокировки также применяются в электрических аппаратах, работающих в условиях, в которых предъявляются повышенные требования безопасности. Блокировки по принципу действия разделяют на электрические и механические.
Электрические блокировки осуществляют разрыв цепи специальными контактами, которые устанавливаются на дверях ограждений, крышках и дверцах кожухов.

Рисунок 45 – Схема электрической блокировки дверей[41]
Если управление электроустановкой производится дистанционно, блокировочные контакты включаются в цепь управления пускового аппарата. Наиболее целесообразно применение для этой цели магнитного пускателя или контактора, так как блокировочные контакты при открывании дверей размыкают цепь катушки пускателя. При обрыве этой цепи электроустановка отключается так же, как и при открывании дверей. Это предотвращает возможность несчастного случая при неисправной цепи блокировки. Электроустановка не может быть включена при закрытии дверей, т.к. замыкания блокировочных контактов еще недостаточно: для включения электроустановки требуется обязательно нажать кнопку пуска. Поэтому, если оператор вошел внутрь ограждения, он не может оказаться под напряжением при случайном закрытии дверей. Включение блокировочных контактов в силовую цепь не исключает этой возможности, и такая схема блокировки не должна применяться.
Блокировочные контакты, установленные в цепь отключающей катушки автоматического выключателя, при открывании дверей должны замыкать цепь катушки. При обрыве этой цепи замыкание контактов не приводит к отключению. При открывании дверей блокировка не сработает, человек может пройти за ограждение и попасть под напряжение.
Для обеспечения безопасности необходимо, чтобы блокировочные контакты размыкались уже при незначительном растворе дверей (10 – 15 см), чтобы человек не мог проникнуть за ограждение при неразомкнувшихся контактах. Блокировочные контакты должны устанавливаться на обеих половинках двустворчатых дверей, чтобы не было возможности включить электроустановку, оставив открытой одну из этих половин.
Механические блокировки применяются в электрических аппаратах – рубильниках, пускателях, автоматических выключателях и т. п.
В аппаратуре автоматики, вычислительных машинах и радиоустановках применяются блочные схемы. В общем корпусе устанавливаются отдельные блоки, которые соединяются с остальным устройством штепсельным соединением. Когда блок выдвигается или удаляется со своего места, штепсельный разъем размыкается. Таким образом, блок отключается автоматически при открывании его токоведущих части.
Блокировки применяются также для предупреждения ошибочных действий персонала при переключениях в распределительных устройствах и на подстанциях.
Расположение токоведущих частей на недоступной высоте или в недоступном месте позволяет обеспечить безопасность без ограждений, при этом следует учитывать возможность случайного прикосновения к токоведущим частям длинными предметами, которые человек может держать в руках.
Для защиты от прикосновения к частям нормально или случайно находящимся под напряжением применяется также двойная изоляция – электрическая изоляция, состоящая из рабочей и дополнительной изоляции. Рабочая изоляция – изоляция токоведущих частей электроустановки, обеспечивающая ее нормальную работу и защиту от поражения электрическим током. Дополнительная изоляция – изоляция, предусмотренная дополнительно к рабочей изоляции для защиты от поражения электрическим током в случае повреждения рабочей изоляции.
Наиболее просто двойная изоляция осуществляется путем покрытия металлических корпусов и рукояток электрооборудования слоем электроизоляционного материала и применением изолирующих ручек. Поверхностный слой изоляции подвержен механическим воздействиям и повреждениям. При разрушении этого слоя открывается доступ к металлическим частям, которые могут оказаться под напряжением. Повреждение и даже полное разрушение второго слоя изоляции не препятствует продолжению работы и не подает, таким образом, сигнала о потере защиты. Поэтому такой способ выполнения двойной изоляции не обеспечивает надежной защиты и может быть рекомендован лишь в редких случаях – для оборудования, не подвергающегося ударной нагрузке. Более совершенный способ – изготовление корпуса из изолирующего материала. Такой корпус несет на себе все токоведущие части, металлические нетоковедущие части и механическую часть. При разрушении корпуса освобождается доступ к металлическим токоведущим и нетоковедущим частям, но электрооборудование работать не может, так как нарушено взаимное расположение его частей.
Защитная двойная изоляция может обеспечить безопасность при эксплуатации любого электрооборудования. Однако из-за наличия некоторых недостатков у пластмасс, таких, как недостаточная механическая прочность, возможность значительных остаточных деформаций, ненадежность соединений с металлом, изменение в сторону ухудшения механических свойств по мере старения, область применения двойной изоляции ограничивается электрооборудованием небольшой мощности – электрифицированным ручным инструментом, некоторыми переносными устройствами, бытовыми приборами и ручными электрическими лампами.
Защитным заземлением называется преднамеренное электрическое соединение с землей или ее эквивалентом металлических нетоковедущих частей, которые могут оказаться под напряжением.
Корпуса электрических машин, трансформаторов, светильников, аппаратов и другие металлические нетоковедущие части могут оказаться под напряжением при замыкании их токоведущих частей на корпус. Если корпус при этом не имеет контакта с землей, прикосновение к нему также опасно, как и прикосновение к фазе.
Защитное заземление может быть эффективно только в том случае, если ток замыкания на землю не увеличивается с уменьшением сопротивления заземления. Это возможно в сетях с изолированной нейтралью, где при глухом замыкании на землю или на заземленный корпус ток не зависит от проводимости заземления, а также в сетях напряжением выше 1000 В с заземленной нейтралью. В последнем случае замыкание на землю является коротким замыканием, причем срабатывает максимальная токовая защита.
В сети с заземленной нейтралью напряжением до 1000 В заземление неэффективно. Поэтому защитное заземление применяется в сетях напряжением до 1000 В с изолированной нейтралью и в сетях напряжением выше 1000 В как с изолированной, так и с заземленной нейтралью.
По расположению заземлителей относительно заземленных корпусов заземления делят на выносные и контурные.
При выносном заземлении заземлители располагаются на некотором удалении от заземляемого оборудования. Поэтому заземленные корпуса находятся вне поля растекания – на земле, и человек, касаясь корпуса, оказывается под полным напряжением относительно земли. Выносное заземление защищает только за счет малого сопротивления заземления.
При контурном заземлении заземлители располагаются по контуру вокруг заземленного оборудования на небольшом (несколько метров) расстоянии друг от друга. Поля растекания заземлителей накладываются, и любая точка поверхности грунта внутри контура имеет значительный потенциал. Вследствие этого разность потенциалов между точками, находящимися внутри контура, снижена. Ток через человека, касающегося корпуса, меньше, чем при выносном заземлении. Иногда при выполнении контурного заземления внутри контура прокладывают горизонтальные полосы, которые дополнительно выравнивают потенциалы внутри контура.
В качестве искусственных заземлителей применяют стальные стержни из угловой стали 60х60 мм (или близкой по размеру), а также из стальных труб диаметром 35-50 мм и стальных шин сечением не менее 100мм2
. Стержни длиной 2,5-3 м погружают (забивают) в грунт вертикально в специально подготовленной вокруг защищаемой территории траншее. Вертикальные заземлители соединяют стальной шиной, которую приваривают к каждому заземлителю.
Занулением называется преднамеренное электрическое соединение с нулевым защитным проводником металлических нетоковедущих частей, которые могут оказаться под напряжением. Нулевой защитный проводник — это проводник, соединяющий зануляемые части с глухозаземленной нейтральной точкой обмотки источника тока или ее эквивалентом.
Зануление применяется в четырехпроводных сетях напряжением до 1000В с заземленной нейтралью.
Зануление превращает замыкание на корпус в однофазное короткое замыкание, в результате чего срабатывает максимальная токовая защита и селективно отключает поврежденный участок сети. Кроме того, зануление снижает потенциалы корпусов, появляющиеся в момент замыкания на землю.
Основное назначение зануления – обеспечить срабатывание максимальной токовой зашиты при замыкании на корпус. Для этого ток короткого замыкания должен значительно превышать уставку защиты или номинальный ток плавких вставок.
Согласно ПУЭ ток однофазного короткого замыкания должен превышать не менее чем в 3 раза номинальный ток плавкой вставки ближайшего предохранителя или ток срабатывания расцепителя автоматического выключателя с обратно зависимой от тока характеристикой.
Нулевой провод должен иметь надежные соединения, и должна обеспечиваться непрерывность цепи от каждого корпуса до нейтрали источника. Нулевой провод соединяется со всеми заземленными металлическими конструкциями, создающими параллельные цепи короткого замыкания: металлическими конструкциями зданий, подкрановыми путями, стальными трубами электропроводок, свинцовыми и алюминиевыми оболочками кабелей, металлическими трубопроводами, проложенными открыто, исключая трубопроводы для горючих и взрывоопасных смесей. Эти проводники могут служить в качестве единственного нулевого провода, если по проводимости они удовлетворяют приведенным выше требованиям.
Зануление однофазных потребителей должно осуществляться специальным проводником, который не может одновременно служить проводом для рабочего тока.
Защитное отключение – система защиты, обеспечивающая автоматическое отключение электроустановки при возникновении в ней опасности поражения электрическим током. Опасность поражения возникает при следующих повреждениях электроустановки – замыкании на землю (глухом или неполном), снижении сопротивления изоляции, неисправностях заземления или зануления и устройства защитного отключения. Чтобы обеспечить безопасность, защитное отключение должно осуществлять некоторую совокупность из следующих защит: защиту от глухих и от неполных замыканий на землю (корпус), защиту от утечек, автоматический контроль цепи заземления или зануления, самоконтроль, т. е. автоматический контроль исправности защитного отключения.
Повреждение электроустановки приводит к изменениям некоторых величин, которые могут быть использованы как входные автоматического устройства, осуществляющего защитное отключение. Так, при замыкании на корпус последний оказывается под напряжением относительно земли. Если корпус заземлен или замыкание произошло непосредственно на землю, возникает ток замыкания на землю. Вследствие нарушения симметрии сопротивлений фаз относительно земли при замыкании на землю изменяются напряжения фаз относительно земли и возникает напряжение между нейтралью источника и землей (напряжение нулевой последовательности).
Замыкание на землю, даже неполное, приводит к снижению общего сопротивления сети относительно земли. Это сопротивление уменьшается также при снижении сопротивления изоляции без замыкания на землю, даже если сопротивления фаз относительно земли остаются симметричными.
Напряжение корпуса относительно земли, ток замыкания на землю, напряжение нулевой последовательности, напряжения фаз относительно земли могут быть восприняты чувствительным элементом (датчиком) автоматического устройства как входная величина. При определенном значении входной величины защитное отключение срабатывает и отключает электроустановку, это значение входной величины называется уставкой. В зависимости от того, что является входной величиной, на изменение которой реагирует защитное отключение, выделяют следующие схемы: на напряжении корпуса относительно земли, на токе замыкания на землю, на напряжении нулевой последовательности, на напряжении фазы относительно земли, на токе нулевой последовательности, вентильные, на постоянном и переменном оперативном токе, комбинированные[41,42].
4.2 Расчет защитного заземления
Защитным заземлением называется преднамеренное электрическое соединение с землей или ее эквивалентом металлических нетоковедущих частей, которые могут оказаться под напряжением. В данном случае будет использоваться выносное заземление, т.е. заземлители будут располагаться на некотором удалении от заземляемого оборудования, и безопасность обеспечивается только за счет малого сопротивления заземления. Для расчета защитного заземления воспользуемся методом, изложенным в [43].
Цель расчета заземления: определить число и длину вертикальных элементов (труб), длину горизонтальных элементов (соединительных шин) и разместить заземлитель, исходя из регламентированных правилами значения допустимого сопротивления заземления.
Для защитного заземления установки принимаем следующие данные: напряжение сети – до 1000В; мощность трансформатора – до 100кВА; тип заземлительного устройства – вертикальный; размер заземлителей – длина труб: lT
=3м, диаметр труб: d = 0,06м, ширина соединяющей полосы: bn
= 0,05м, глубина заложения: hB
= 0,8 м; расположение заземлителей – вертикально в один ряд; грунт – супесок; климатическая зона – вторая. Схема заземлительного устройства приведена на рисунке 1.
В соответствии с ПУЭ и ПТБ принимаем допустимое сопротивление заземляющего устройства: Rз
= 10 Ом.
Определяем удельное сопротивление грунта (супесок), рекомендуемое для расчета: rтабл
=300 Ом×м.
Определяем повышающий коэффициент для труб Кп.т.
и для полосы Кп.п.
, учитывающий изменение сопротивления грунта в различное время года в зависимости от количества выпадаемых осадков: Кп.т.
= 1,5, Кп.п.
= 4,5.

Рисунок 46 – Схема заземляющего устройства
Определяем удельное расчетное сопротивление грунта для труб rтабл.т.
с учетом неблагоприятных условий, учитываемых повышающим коэффициентом:
rрасч.т.
= rтабл.
×Кп.т.
= 300×1,5 = 450 (Ом×м).
Определяем удельное расчетное сопротивление грунта для полосового заземлителя:
rрасч.п.
= rтабл.
×Кп.п.
= 300×3 = 900 (Ом×м).
Определяем расстояние от поверхности земли до середины трубы
(м).
Определяем сопротивление растекания тока для одиночного углублённого заземлителя, расположенного ниже поверхности земли на 0,6-0,8 м:
Rт
=0,366×(rрасч.т.
/ )´ (Ом).
Определим необходимое число труб (одиночных заземлителей) без учёта коэффициента экранирования:
nт
= Rт
/Rз
Определяем расстояние между трубами L. Для углубленных стационарных заземлителей значение С рекомендуется принять равным 1: С = 1,
(м).
Определяем коэффициент экранирования труб hэ.т.
при числе труб nт
и отношении
:
hэ.т.
= 0,55.
Определим необходимое число труб (одиночных заземлителей) с учётом коэффициента экранирования:
nт..э.
= Rт
/(Rз
×hэ.т.
) = 117,9/(10×0,55) = 21,44 » 22.
Определяем расчётное сопротивление растекания тока при принятом числе труб nт..э.
:
Rрасч.т.
= Rт
/(nт.э.
× hэ.т.
) = 117,9/(22×0,55) = 9,74 (Ом).
Определяем длину соединяющей полосы:
Lс.п.
= 1,057×L×(nт.э.
-1) = 1,057×3×(22-1) = 66,59 (м).
Определяем сопротивление растекания тока в соединяющей полосе
Rс.п.
= 0,366(rрасч.п..
/Lс.п.
)× (2×Lс.п.
2
/ ) =
= 0,366×(900/66,59)´ (2×66,592
/0,05×0,08) = 34,5 (Ом).
Определим коэффициенты экранирования hэ.с.п.
для соединяющей полосы при nт.э.
и при С = 1:
hэ.с.п.
=0,37.
Определяем расчётное сопротивление растекания тока в соединяющей полосе (с учётом коэффициента экранирования):
Rрасч.п.
= Rс.п.
/hэ.с.п.
= 31,4 / 0,37 = 94,9.
Определяем общее расчетное сопротивление растекания тока в трубах и соединяющей полосе:
Rобщ.расч.
= 1/(1/Rрасч.т
+ 1/Rрасч.п.
) = 1/(1/9,74 + 1/98,9) = 8,83 (Ом).
В результате расчета заземления мы получили расчетное значение сопротивления заземляющего устройства: Rобщ.расч.
= 8,83 Ом, что меньше допустимого значения Rз
= 10 Ом.
Таким образом, устройство с рассчитанными выше параметрами принимаем в качестве защитного заземления разработанного в данной работе устройства.
ЗАКЛЮЧЕНИЕ
В выпускной квалификационной работе рассмотрены вопросы компенсации реактивной мощности в системах промышленного электроснабжения преобразовательных установок.
Одним из основных вопросов, решаемых при проектировании и эксплуатации систем промышленного электроснабжения, является вопрос о компенсации реактивной мощности, включающей расчет и выбор компенсирующих устройств, их регулирование и размещение на территории предприятия.
Компенсация реактивной мощности имеет большое значение и является частью общей проблемы повышения КПД работы систем электроснабжения и улучшения качества электроэнергии.
Реактивная составляющая неизбежна при работе многих промышленных устройств, поэтому она не может быть исключена полностью, однако целесообразно применять средства, предназначенные для уменьшения ее потребления из питающей сети.
Для этого необходимо приближать источники покрытия реактивной мощности к местам ее потребления и уменьшать получение реактивной мощности из энергосистемы. Это разгружает в значительной степени питающие линии электропередачи и трансформаторы от реактивной мощности.
Уменьшение потребления реактивной мощности на предприятии достигается путем компенсации реактивной мощности как естественными мерами (сущность которых состоит в ограничении влияния приемника на питающую сеть путем воздействия на сам приемник), так и за счет специальных компенсирующих устройств (реактивной мощности) в соответствующих точках системы электроснабжения.
Применению устройств компенсации реактивной мощности и мощности искажения должен предшествовать тщательный технико-экономический анализ в связи с высокой стоимостью и достаточной сложностью этих устройств.
Интенсивное развитие силовой полупроводниковой преобразовательной техники и ее использование в тиристорных электроприводах переменного и постоянного тока, вентильных преобразователях для электротермических и электротехнологических установок различного назначения привело к ухудшению показателей качества электроэнергии.
В условиях возрастающего использования вентильных преобразователей эта проблема сопровождается ощутимым технико-экономическим ущербом. Для ее устранения существует два пути: внешняя и внутренняя компенсация.
Внешняя компенсация основана на применении различных компенсирующих устройств, генерирующих реактивную мощность в сеть – конденсаторных батарей, синхронных компенсаторов, регулируемых и нерегулируемых источников реактивной мощности. К ним относятся также фильтрокомпенсирующие устройства, выполненные на базе реакторов и конденсаторов.
Внутренняя компенсация предполагает уменьшение как потребления реактивной мощности, так и генерации высших гармоник тока посредством изменений в самом преобразователе.
В сетях с повышенным содержанием высших гармоник, генерируемых резкопеременными нелинейными нагрузками с повышенным потреблением реактивной мощности (например, вентильные преобразователи), применение обычных средств компенсации реактивной мощности, рассчитанных на синусоидальные токи и напряжения, наталкивается на серьезные технические трудности.
Расчеты показывают, что установка широко применяемых для компенсации реактивной мощности конденсаторных батарей в системах электроснабжения промышленных предприятий при наличии вентильной нагрузки может оказаться недопустимой.
Поэтому на предприятиях с вентильной нагрузкой вопросы компенсации реактивной мощности до конца не решены.
Таким образом, можно сделать вывод о том, что в сетях со специфическими нагрузками (к ним относят нелинейные, несимметричные и резкопеременные нагрузки) существуют определенные особенности компенсации реактивной мощности, которые заключаются в следующем:
1. Из-за низкого коэффициента мощности потребителей и резкопеременного характера нагрузки необходимо осуществлять компенсацию как постоянной, так и переменной составляющей реактивной мощности.
2. Из-за быстрых изменений потребляемой реактивной мощности необходимо применение быстродействующих компенсирующих устройств, способных изменять регулирующую реактивную мощность со скоростью, соответствующей скорости наброса и сброса потребляемой реактивной мощности.
3. Из-за неравномерного потребления реактивной мощности по фазам необходимо и пофазное управление компенсирующими устройствами.
4. Ограничивается применение батарей конденсаторов для компенсации постоянной составляющей реактивной мощности в сети с резкопеременной вентильной нагрузкой. Это обусловлено наличием в сети высших гармоник тока и напряжения при работе нелинейных нагрузок. Высшие гармоники приводят к значительным перегрузкам батарей конденсаторов по току.
В связи с этим применительно к сетям с симметричными и несимметричными нелинейными нагрузками ведутся разработки и изготовление комплектных фильтрокомпенсирующих и фильтросимметрирующих устройств, обеспечивающих одновременно компенсацию дефицита реактивной мощности основной частоты, фильтрацию высших гармонических, компенсацию отклонений и колебаний напряжения, а также симметрирование напряжения сети.
При наличии быстрых и резкопеременных толчковых нагрузок становится перспективным применение статических компенсаторов реактивной мощности, обеспечивающих практически возможность безынерционного регулирования реактивной мощности. При этом улучшаются условия статической устойчивости энергосистемы в целом, что обеспечивает дополнительную экономию за счет повышения технико-экономических показателей работы электроустановок.
Статические компенсаторы реактивной мощности являются перспективным средством рациональной компенсации реактивной мощности в силу присущих им положительных свойств, таких, как быстродействующее регулирование, подавление колебаний напряжения, симметрирование нагрузок, отсутствие вращающихся частей, плавность регулирования реактивной мощности, выдаваемой в сеть и т. д. Поэтому в настоящее время уделяется большое внимание их разработке и освоению как в нашей стране, так и за рубежом.
Быстрое развитие мирового производства статических тиристорных компенсаторов определяется их преимуществами по отношению к традиционным средствам компенсации реактивной мощности в решении ряда актуальных задач электроэнергетики.
К числу таких задач относится необходимость компенсации реактивной мощности в местах потребления электроэнергии и на промежуточных подстанциях длинных линий с целью повышения стабильности напряжения у потребителей, снижения потерь в линиях электропередач и сетях электроснабжения потребителей, повышения пропускной способности электропередач.
На основании проведенного в работе исследования можно сделать вывод, что статические тиристорные компенсаторы открывают новые возможности по повышению надежности и качества электрических систем, обеспечивая помимо компенсации реактивной мощности ограничение коммутационных перенапряжений и соответствующее облегчение координации изоляции оборудования ультравысоковольтных передач, повышение предела мощности по длинным линиям, симметрирование режима, снижение потерь в линиях, компенсацию влияния резкопеременной нагрузки, фильтрацию высших гармоник.
При современном уровне развития высоковольтной преобразовательной техники предпочтительной схемой СТК является шести- или двенадцатипульсная тиристорно-реакторная схема с необходимым набором фильтрокомпенсирующих цепей.
Среди всех рассмотренных выше средств компенсации реактивной мощности особое место принадлежит компенсированным выпрямителям. Это специальные преобразовательные системы с усложненными законами управления отдельными мостами или вентильными группами. Действительно, не умаляя достоинств других средств повышения энергетических показателей, следует признать, что они не являются тождественно альтернативными компенсированным выпрямителям. Эти средства, как правило, уступают компенсированным выпрямителям по эффективности использования компенсирующих устройств, что в условиях отмеченного выше дефицита мощности конденсаторов во многих практических случаях имеет решающее значение.
Другим, характерным только для компенсированных выпрямителей, важным достоинством является то, что компенсация реактивной мощности осуществляется непосредственно в месте ее потребления. Последнее позволяет совершенствовать основные характеристики самих выпрямителей и эффективно доводить характеристики всей подстанции до такого уровня, который недостижим при других способах компенсации.
Такие схемы рекомендуется использовать в первую очередь для мощных электроприводов, так как система управления преобразователями оказывается сложнее и дороже.
В данной работе проведен синтез устройства компенсации реактивной мощности. Устройство проектировано на основе статического источника реактивной мощности, состоящего из индуктивности, регулируемой тиристорными преобразователями, и батареи конденсаторов.
Для управления тиристорными преобразователями в работе применена система импульсно-фазового управления, позволяющая преобразовать напряжение управления, подаваемое на ее вход, в импульсы управления тиристорами.
Устройство позволяет регулировать генерируемую в сеть энергоснабжения промышленного предприятия реактивную мощность, контролировать текущие значения напряжения, тока и коэффициента мощности в сети, измерять значение генерируемой в систему реактивной мощности и поддерживать заданную потребителем величину коэффициента мощности в сети.
Достоинством проектируемого устройства является плавное регулирование генерируемой в систему реактивной мощности, что достигается за счет использования в качестве регулирующих элементов тиристорных преобразователей.
СПИСОК ЛИТЕРАТУРЫ
1. Федоров А.А., Каменева В.В. Основы электроснабжения промышленных предприятий: Учебник для вузов. – М.: Энергоатомиздат, 1984. – 472с.
2. Минин Г.П. Реактивная мощность. – М.: Энергия, 1978. – 88с.
3. Коновалова Л.А., Рожкова Л.Д. Электроснабжение промышленных предприятий и установок. – М.: Энергоатомиздат, 1989. – 528с.
4. Липкин Б.Ю. Электроснабжение промышленных предприятий и установок: Учебник для учащихся техникумов. – М.: Высшая школа, 1981. – 376с.
5. Дирацу В.С. и др. Электроснабжение промышленных предприятий. – К.: Вища школа, 1974. – 280с.
6. Справочник по электроснабжению и электрооборудованию: В 2т. Т.1. Электроснабжение / Под общ. ред. А.А. Федорова. – М.: Энергоатомиздат, 1986. – 568с.
7. Зимин Е.Н., Кацевич В.Л., Козырев С.К. Электроприводы постоянного тока с вентильными преобразователями. – М.: Энергоиздат, 1981. – 192с.
8. Мукосеев Ю.Л. Электроснабжение промышленных предприятий. – М.: Энергия, 1973. – 584с.
9. Красник В.В. Автоматические устройства по компенсации реактивной мощности в электросетях предприятий. – М.: Энергоатомиздат, 1983. – 136с.
10. Жежеленко И.В., Рабинович М.Л., Божко В.М. Качество электроэнергии на промышленных предприятиях.– К.: Техніка, 1981. – 160с.
11. Комплектные тиристорные электроприводы: Справочник / Под ред. В.М. Перельмутера. – М.: Энергоатомиздат, 1988. – 319с.
12. Федоров А.А., Старкова Л.Е. Учебное пособие для курсового и дипломного проектирования по электроснабжению промышленных предприятий: Учеб. пособие для вузов. – М.: Энергоатомиздат, 1987. – 368с.
13. Добрусин Л.А. Широкополосные фильтрокомпенсирующие устройства для тиристорных преобразователей // Электричество. – 1985. – №4. – с. 27-30.
14. Бортник И.М., Буряк С.Ф., Ольшванг М.В., Таратута И.П. Статические тиристорные компенсаторы для энергосистем и сетей электроснабжения //Электричество. – 1985. – №2 – с. 13-19.
15. Статические компенсаторы реактивной мощности в электрических системах: Пер. тематического сб. рабочей группы Исследовательского Комитета №38 СИГРЭ / Под ред. И.И. Карташева. – М.: Энергоатомиздат, 1990. – 174с.
16. Хохлов Ю.И. Компенсированные выпрямители с фильтрацией в коммутирующие конденсаторы нечетнократных гармоник токов преобразовательных блоков. – Челябинск: ЧГТУ, 1995. – 355с.
17. Супронович Г. Улучшение коэффициента мощности преобразовательных установок: Пер. с польск. – М.: Энергоатомиздат, 1985. – 136с.
18. Кашкалов В.И., Половинкин Б.И. Улучшение энергетических показателей управляемых выпрямителей. – К.: Тэхника, 1988. – 159с.
19. www.reis.zp.ua/preobraz/prcob_ru/produkc/pu/5.htm
20. Идельчик В. И. Электрические системы и сети: Учебник для вузов. – М.: Энергоатомиздат, 1989. – 592с.
21. Исследование существующих систем распределения электроэнергии напряжением до 1кВ с целью их оптимизации // Промислова електроенергетика та електротехніка. – 2000. – №3.
22. Иванов В. С., Соколов В. И. Режимы потребления и качество электроэнергии систем электроснабжения промышленных предприятий. – М.: Энергоатомиздат, 1987. – 336с.
23. Богаенко И. Н., Борисенко В. Я., Розинский Д. И., Рюмшин Н. А. Регулируемые компенсирующие устройства реактивной мощности / Справочник. – К.: Технiка, 1992. – 152с.
24. Проектирование электроприводов. Справочник / Под ред. А. М. Вейнгера. – Свердловск.: Средне-Уральское кн. изд-во, 1980. – 160с.
25. Александров К. К., Кузьмина Е. Г. Электротехнические чертежи и схемы. – М.: Энергоатомиздат, 1990. – 288с.
26. www.nokian_capaсitors.ru
27. Авторское свидетельство СССР № 1451797, 1989.
28. Авторское свидетельство СССР № 1576977, 1990.
29. Авторское свидетельство СССР № 1515253, 1989.
30. Вентильные преобразователи с улучшенным коэффициентом мощности. Ч.2. Компенсационные способы улучшения коэффициента мощности вентильных преобразователей. Информэлектро, М., 1980.
31. Авторское свидетельство СССР № 1116493, 1984.
32. Худяков В.А. и др. Управляемый статический источник реактивной мощности. Электричество, 1969, № 1.
33. Авторское свидетельство СССР № 1257746, 1986.
34. Авторское свидетельство СССР № 1091273, 1984.
35. Авторское свидетельство СССР № 1347118, 1987.
36. Авторское свидетельство СССР № 1471247, 1989.
37. Авторское свидетельство СССР № 1674306, 1991.
38. Организация, планирование и управление деятельностью промышленного предприятия / Под ред. С. М. Бухало. – К.: Высшая школа, 1989. – 472с.
39. Плоткин Я. Д., Янушкевич О. К. Организация и планирование приборостроительного производства. – Львов.: Свит, 1992. – 324с.
40. Организация и планирование машиностроительного производства / Под ред. М. И. Ипатова, В. И. Постникова и М. К. Захаровой. – М.: Высшая школа, 1988. – 367с.
41. Охрана труда в электроустановках: Учебник для вузов / Под ред. Б. А. Князевского. – М.: Энергоатомиздат, 1983. – 336с.
42. Денисенко Г. Ф. Охрана труда: Учебное пос. для вузов. – М.: Высшая школа, 1985. – 319с.
43. Долин П. А. Справочник по технике безопасности. – М.: Энергоатомиздат, 1984. – 824с.
ПРИЛОЖЕНИЕ



|