| 1. Компоновка конструктивной схемы сборного перекрытия
При заданной сетке колонн необходимо обосновать направление и шаг ригелей, основные размеры ригелей и плит.
Выбор направления и шага ригелей производим на основании следующих требований:
1) направление ригелей для всего перекрытия целесообразно принимать одинаковым и выбирать с учетом светотехнических соображении - лучше если оно совпадает со световым потоком;
2) расположение ригелей в поперечном направлении обычно позволяет создать более жесткую конструктивную схему здания;
3) шаг ригелей равен шагу колонн.
С этих позиций в курсовом проекте принимаем поперечное направление ригелей.
Тип поперечного сечения ригеля зависит от назначения здания и величины нагрузки. Для гражданских зданий принимаем тавровое сечение ригеля.
Высоту ригеля h принимаем
h = (1/10– 1/15)l,
где l—величина пролета ригеля, l = 5,4 м.

Рис.1.Поперечное сечение ригеля
Принимаем h = 0,45м. Ширину ригеля принимаем b = 0.2м. Другие размеры принимаем по существующим типовым решениям: hп
= 0,22 м, ск
= 0,10 м.
Ширину плит перекрытия выбираем так, чтобы оси надколонных плит совпадали с осями колонн, а число типоразмеров плит было минимальным. Их ширина должна быть принята кратной 10 см в пределах 0,8-1,6 м; число
типоразмеров плит не более трех (рядовые, надколонные, пристенные). Высоту плиты принимаем типовой, равную h = 22 см.

Рис. 2. План сборного перекрытия
2. Расчет и конструирование многопустотной плиты
2.1 Конструктивное решение
В курсовой работе разрабатываем одну из плит перекрытия. Она опирается на ригели короткими сторонами и рассчитывается как балка двутаврового профиля, свободно лежащая на двух опорах.
Предварительно уточняем размеры поперечного сечения плиты и приводим его к эквивалентному двутавровому на основе следующих конструктивных требований:
-конструктивная ширина плиты понизу на 1 см меньше номинальной;
-диаметр, количество и размещение пустот назначаем из условия максимального снижения веса плиты, при этом толщина бетона выше и ниже пустот должна быть не менее 25-30 мм, а между пустотами -30-35 мм;
-контуры продольных боковых поверхностей плит устраиваем с выступами для улучшения заполнения швов бетоном;
Забиваем Сайты В ТОП КУВАЛДОЙ - Уникальные возможности от SeoHammer
Каждая ссылка анализируется по трем пакетам оценки: SEO, Трафик и SMM.
SeoHammer делает продвижение сайта прозрачным и простым занятием.
Ссылки, вечные ссылки, статьи, упоминания, пресс-релизы - используйте по максимуму потенциал SeoHammer для продвижения вашего сайта.
Что умеет делать SeoHammer
— Продвижение в один клик, интеллектуальный подбор запросов, покупка самых лучших ссылок с высокой степенью качества у лучших бирж ссылок.
— Регулярная проверка качества ссылок по более чем 100 показателям и ежедневный пересчет показателей качества проекта.
— Все известные форматы ссылок: арендные ссылки, вечные ссылки, публикации (упоминания, мнения, отзывы, статьи, пресс-релизы).
— SeoHammer покажет, где рост или падение, а также запросы, на которые нужно обратить внимание.
SeoHammer еще предоставляет технологию Буст, она ускоряет продвижение в десятки раз,
а первые результаты появляются уже в течение первых 7 дней.
Зарегистрироваться и Начать продвижение
- для удобства расшивки швов и во избежание местных околов на нижних поверхностях продольных боковых граней плит устраиваем продольные фаски размером 15. Кроме того, для обеспечения совместной работы плит в составе диска перекрытия на их боковых поверхностях устраиваем круглые углубления (шпонки).

Рис.3.Поперечное сечение многопустотной плиты
Приведение сечения плиты к двутавровому осуществляем путем вычитания суммы ширины квадратных пустот, эквивалентных по площади круглым (a = 0.9d). Основные размеры двутаврового сечения следующие:
-ширина верхней полки – b’
f
= 1060мм, нижней – bf
= 1060мм.
-высота верхней и нижней полки – h’
f
= hf
= мм
- ширина ребра b = b’
f
– 0.9*n*d = 1060 – 0.9*5*160 = 340 мм.

Рис.4.Эквивалентное двутавровое сечение плиты
Расчетный пролет плиты l0
при шаге колонн B = 5,7 м, ширине ригеля
b = 0.2 м, ширине консоли Ck
= 0.1 м определим по рис. 5
l0
= B – b - Ck
- 0.04 = 5,7 – 0.2 – 0.1 – 0.04 = 5,36 м,
Длина плиты
lпл
= B – b – 0.04 = 5,7 – 0.2 –0,1 - 0.04 = 5,36 м.

Рис.5.Копределению расчетного пролета плиты
2.2 Статический расчет плиты
Расчетные нагрузки на 1 м2
плиты определяем в табличной форме (табл.1).
Нагрузку от веса многопустотной плиты принимаем равной 3 кПа, коэффициент надежности по нагрузке γf
= 1.1.
Нормативную нагрузку от веса перегородок на 1 м2
перекрытия принимаем равной 1,5 кПа, коэффициент надежности по нагрузке γf
= 1.2.
Для определения нагрузки от собственного веса пола задаемся его составом. Нагрузку от собственного веса пола принимаем равной произведению толщины элемента пола на объемный вес материала. Объемный вес материалов определяем по таблице 1.1 [6] , коэффициенты надежности по нагрузке в соответствии с таблицей 1.3 [6].
Временную нормативную нагрузку определяем в соответствии с назначением здания по таблице 1.2 [6], примем назначение здания – налоговая, тогда временная нагрузка составляет 2,0 кПа.
Коэффициент надежности здания по назначению определяем в соответствии с таблицей 1.4 [6].
Затем определяем полную расчетную нагрузку на 1 погонный метр плиты
qп
= q* bп
= 8,67 * 1,1 = 9,54 кН/м
где bп
- номинальная ширина плиты, bп
= 1,1 м.
Максимальные расчетные изгибающий момент и поперечная сила


где l0
- расчетный пролет плиты.
Таблица 1. Расчетные нагрузки на 1 м2
плиты
| Вид нагрузки
|
Нормативная
нагрузка, кПа
|
γf
|
γn
|
Расчетная нагрузка, кПа
|
| 1. Постоянная
|
|
|
|
|
| Вес перегородок
|
1,5
Сервис онлайн-записи на собственном Telegram-боте
Попробуйте сервис онлайн-записи VisitTime на основе вашего собственного Telegram-бота:
— Разгрузит мастера, специалиста или компанию;
— Позволит гибко управлять расписанием и загрузкой;
— Разошлет оповещения о новых услугах или акциях;
— Позволит принять оплату на карту/кошелек/счет;
— Позволит записываться на групповые и персональные посещения;
— Поможет получить от клиента отзывы о визите к вам;
— Включает в себя сервис чаевых.
Для новых пользователей первый месяц бесплатно.
Зарегистрироваться в сервисе
|
1,2
|
0,95
|
1,71
|
| Вес пола
|
1,25
|
|
|
1,425
|
| - линолеум, δ = 0,005 м,
γ = 18кН/м
|
0,09
|
1,2
|
0,95
|
0,1026
|
| - цементная стяжка, δ = 0,03 м, γ = 22 кН/м
|
0,44
|
1,3
|
0,95
|
0,5134
|
| - керамзитобетон, δ = 0,06 м, γ = 12 кН/м
|
0,72
|
1,3
|
0,95
|
0,8892
|
Вес многопустотной плиты
|
3
|
1,1
|
0,95
|
3,14
|
Итого
|
6,054
|
|
|
6,39
|
| 2. Временная
|
2
|
1,2
|
0,95
|
2,28
|
| 3. Полная
|
7,75
|
|
|
8,67
|
2.3 Конструктивные расчеты плиты
Принимаем тяжелый класса В25, класс продольной рабочей арматуры А800, поперечной В – 500. Выполняем расчеты плиты по прочности.
2.3.1 Подбор продольной арматуры
По таблице 3.4 [6] определяем расчетное сопротивление бетона осевому сжатию, Rb
= 14.5 МПа. По таблице 3.8[6] находим расчетное сопротивление продольной арматуры осевому растяжению, Rs
= 695 МПа.
Находим рабочую высоту сечения , где a – защитный слой бетона, а= 3 см, . Проверяем выполнение условия

- условие выполняется, следовательно, нейтральная ось находится в полке, сечение рассчитываем как прямоугольное шириной b’
f
.
Определяем
По таблице 3.11 [6] определяем x = 0,07 ; h = 0,965
Определяем ω0
= 0,85-0,008*Rb
= 0,85-0,008*14,5 = 0,734
Вычисляем граничную относительную высоту сжатой зоны бетона

Проверяем условие x ≤ xR
,
0,07 < 0,93; т.к. условие выполняется, то сжатая арматура по расчету не требуется.
Вычисляем требуемую площадь продольной рабочей арматуры

Подбираем по сортаменту (таблица 3.13 [6]) 4 стержня диаметром 10 мм из арматуры класса А800, Аs
= 3,14 см2
.
Проверяем процент армирования

2.3.2 Подбор поперечной арматуры
По таблице 3.4 [6] определяем расчетное сопротивление бетона осевому растяжению, Rbt
= 1,05 МПа. По таблице 5.85[5] находим расчетное сопротивление поперечной арматуры осевому растяжению, Rsw
= 290 МПа.
Проверяем условие достаточной прочности наклонных сечений при действии главных сжимающих напряжений
,
т.к. условие выполняется, то размеры поперечного сечения элемента достаточны.
Проверяем условие необходимости постановки поперечной арматуры по расчету


Поперечная арматура по расчету не требуется. Конструктивно устанавливаем 4 каркаса Æ 3 В 500.Шаг поперечных стержней назначаем, исходя из конструктивных требований: S £ 0.5*h и S £ 300 мм,
S = 0.5*220=110 мм. Окончательно принимаем S = 100 мм.
2.3.3 Определение геометрических характеристик сечения плиты
По таблице 3.5[6] определяем модуль деформации бетона, Eb
=27 МПа и Es
=19 МПа. Вычисляем коэффициент приведения арматуры к бетону

Вычисляем площадь приведенного двутаврового сечения (рис.4)

Статический момент приведенного сечения относительно нижней грани

где а – расстояние от центра тяжести продольной растянутой арматуры до нижней грани плиты, а = 3 см.

Расстояние от центра тяжести приведенного сечения до нижней грани

Момент инерции приведенного сечения относительно центра тяжести

Момент сопротивления приведенного сечения относительно растянутой грани

2.3.4 Величина и потери предварительного напряжения арматуры
Величину предварительного напряжения продольной растянутой арматуры назначаем из условий
; 
где Rs
,
ser
- расчетное сопротивление продольной растянутой арматуры для второй группы предельных состояний, которое определяем по таблице 3.6[6], Rs
,
ser
=785МПа
Метод предварительного напряжения арматуры принимаем электротермический, а величину P определяем по формуле

где l- длина стержня (плиты), l = 5.46 м.


Принимаем ssp
= 520 МПа.
Арматура плиты - стержневая, ее натяжение предусматривается на упоры, бетон - тяжелый, подвергнутый тепловой обработке в камерах. В этом случае будут следующие потери предварительного напряжения.
- от релаксации напряжений в арматуре 
- от быстронатекающей ползучести:
при ,где Rbp
– передаточная прочность бетона, которую принимаем из условия


a - коэффициент, принимаемый a= 0,25 + 0,025 Rbp
, но не более 0,8

sbp
- напряжения в бетоне от усилия предварительного обжатия на уровне центра тяжести арматуры
,



,
следовательно,

- от усадки бетона s8
= 35 МПа;
-от ползучести бетона
, при ,
где a1
= 0,85 - коэффициент, принимаемый для бетона, подвергнутого тепловой обработке.

Полные потери
.
2.3.5 Расчет по образованию нормальных трещин
Категория трещиностойкости плиты - третья. В ней при действии полной нормативной нагрузки допускается образование и ограниченное по ширине раскрытие трещин.
При статическом расчете плиты (п. 2. 2) установлены значения нормативных нагрузок: постоянных - gn
= 6,054 кН/м2
и временных – pn
= 2,0 кН/м2
.
Погонные нагрузки на плиту: ; , где bn
- номинальная ширина плиты, bn
=1,1 м.


Изгибающие моменты в плите от нормативных нагрузок:
от постоянной

от временной

от полной

Усилие предварительного обжатия с учетом всех потерь
Расстояние от центра тяжести сечения до верхней ядровой точки

Упругопластический момент сопротивления сечения относительно растянутой грани

Изгибающий момент, воспринимаемый сечением при образовании трещин,

где Rbt
,
ser
- расчетное сопротивление бетона растяжению для второй группы предельных состояний, определяемое по таблице 3.3[6], Rbt
,
ser
=1.4МПа.

M
<
Mcrc
51,59 > 33,26кН*м,
следовательно, трещины не образуются.
2.3.6 Определение прогибов плиты
Предельные прогибы плит перекрытий при l0
< 5,7, [flim
] = l0
/200 = 5360/200 = 26,8 мм.
При отсутствии трещин в растянутой зоне кривизна плиты от действия постоянных нагрузок:

Кривизна, обусловленная выгибом от кратковременного действия усилия предварительного обжатия:

кривизна, обусловленная выгибом вследствие усадки и ползучести бетона от усилия предварительного обжатия:
,
; ;
, 


Полная кривизна плиты
Определяем прогиб плиты

-следовательно, необходимо уменьшить величину преднапряжения.
2.4 Конструирование плиты
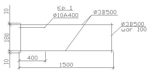
Геометрические параметры запроектированной плиты см. рис. 3. В качестве продольной рабочей арматуры устанавливаем 4 стержня Æ 10 мм из арматуры класса А800(см. п.2.3.1). Поперечную арматуру устанавливаем по конструктивных требованиям, 4 каркаса Æ3 В-500 с шагом S = 100 мм.
Для предотвращения образования трещин на верхней поверхности плиты от усилия предварительного обжатия на концевых участках каркасов в зоне действия максимальных поперечных сил устанавливаем дополнительные стержни Æ 10 мм класса А400 на длине 400 мм.
По всей верхней поверхности плиты конструктивно укладывается горизонтальная арматурная сетка для «распределения» местных нагрузок, а также восприятия напряжений от усадки бетона, усилий при изготовлении, транспортировке и монтаже, предварительного обжатия, случайных механических воздействий и др. Площадь ее поперечного сечения назначаем, исходя из минимального процента армирования, равного 0,05%.

Шаг продольных и поперечных стержней в сетке принимаем равным 200 мм. Тогда количество продольных стержней, стержней.
Требуемая площадь поперечного сечения арматуры

По сортаменту (таблица 3.13[6]) подбираем Æ 3 мм.
У концов плиты ниже напрягаемой арматуры устанавливаем горизонтальные корытообразные сетки для предотвращения трещин вдоль напрягаемых стержней в зоне анкеровки и их продергивания. Длина каждой сетки 400 мм, диаметр стержней сеток - 4 мм, шаг - 100 мм, защитный слой - 10 мм.
У нижней грани плиты в середине пролета предусматривается такая же, но плоская горизонтальная распределительная сетка длиной 500 мм и с шагом стержней 200 мм.
В плите предусматриваем установку четырех монтажных петель, заглубленных в бетон. Петли устанавливаем над пустотами. Для возможности строповки в пустотах у петель предусматриваем отверстия. Диаметр петель принимаем 12 мм из арматуры класса А240.
Для обеспечения сопротивления смятию плиты на опорах от вертикальной нагрузки вышележащих стен и опорного давления, предотвращения распространения огня при пожаре, а также ликвидации «мостика холода» у наружных стен концевые участки пустот на длине 15 см заделываем с одного конца бетонными пробками, с другого - предусматриваем сужение пустот.



Рис.6.Армирование многопустотной плиты
3. Расчет и конструирование ригеля перекрытия
В курсовой работе необходимо запроектировать ригель с полужесткими стыками на опорах. Такие ригели наиболее широко применяются в каркасных зданиях. Особенностями полужестких стыков, определяющими их расчет, являются постоянные изгибающие моменты на опорах ригеля. В ригелях каркасов по серии 1.020-1 для жилых и общественных зданий величина опорного момента всегда равна 55 кН*м. Это обеспечивается за счет использования во всех стыках одинаковых калиброванных закладных деталей - «рыбок» (рис. 7).


Рис.7.Конструкция стыка ригеля с колонной
«Рыбки» (M1) приваривают к закладным деталям колонн и ригелей. Для возможности последующего обетонирования в целях защиты стальных деталей от коррозии в верхней части ригелей устраивают углубления.
Для опирания ригелей консоли на колоннах выполняют скрытыми в подрезках ригелей, что обусловлено эстетическими требованиями. Подрезки у опор ригелей снижают высоту их поперечного сечения, а следовательно, и прочность наклонных сечений в зонах действия максимальных поперечных сил.
Для обеспечения достаточной прочности наклонных сечений ригелей в местах подрезок часть нижней продольной арматуры отгибают под углом 45° и анкеруют сварным соединением с опорной закладной деталью.
Расчет ригеля начинаем с определения нагрузки на погонный метр

где q - полная расчетная нагрузка на 1 м2
плиты (п. 2.2), q = 9,04 кН/м;
В - шаг ригелей (колонн), B = 5.7 м;
А - площадь поперечного сечения ригеля, A = 0.156 м2
(рис. 1);
g - объемный вес железобетона, g=2500 кг/м3
(g=25 кН/м3
);
gf
- коэффициент надежности по нагрузке, gf
= 1.1.

Расчетный пролет ригеля

где l - пролет ригеля, l = 5,7 м;
bk
- ширина сечения колонны, принимаем bk
= 30 см. Максимальные расчетные усилия в ригеле:
в пролете
;
на опорах

Затем выполняем конструктивные расчеты.
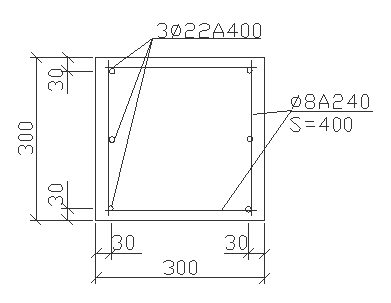
Принимаем класс бетона по прочности на сжатие В25, класс арматуры: продольной рабочей и отгибов - А400, поперечной - А240.
Подберем продольную арматуру.
По таблице 3.4 [6] определяем расчетное сопротивление бетона осевому сжатию, Rb
= 14,55 МПа. По таблице 5.8[5] находим расчетное сопротивление продольной арматуры осевому растяжению, Rs
= 375 МПа, по таблице 3.10[6] модуль деформации стали Es
= 20 МПа.
Находим рабочую высоту сечения , где a – защитный слой бетона, а = 3 см

Определяем

По таблице 3.11 [6] определяем x = 0,28, h = 0,86
Определяем ω0
= 0,85-0,008*Rb
= 0,85-0,008*14,5 = 0,734
Вычисляем граничную относительную высоту сжатой зоны бетона

Проверяем условие x≤xR
,
0,28 < 1,32, т.к. условие выполняется, то сжатая арматура по расчету не требуется.
Вычисляем требуемую площадь продольной рабочей арматуры

Подбираем по сортаменту (таблица 3.13 [6]) 4 стержня диаметром 18 мм из арматуры класса А400, Аs
= 10,18см2
.
Проверяем процент армирования

Подберем поперечную арматуру.
При расчете прочности наклонных сечений учитываем, что часть поперечной силы воспринимается отгибами
где Ainc
– площадь поперечного сечения отгибов,
Rs
- расчетное сопротивление отгибов Rs
= 355 МПа;
a - угол наклона отгибов (a = 45°), sina = 0,707.

Поперечная сила, которая должна быть воспринята бетоном сжатой зоны и поперечной арматурой (хомутами):

Конструктивно устанавливаем 2 каркаса Æ 6А240. Шаг поперечных стержней назначаем, исходя из конструктивных требований: S £ 0.5*h1
и S £ 300 мм, S = 0.5*300 =150 мм. Окончательно принимаем S = 150 мм.
Расчет калиброванной закладной детали («рыбки») выполняем из условия, что она должна обеспечить восприятие изгибающего момента на опоре ригеля
М = 55 кН*м. При плече внутренней пары сил h1
= 0.30 м (рис. 7) усилие, воспринимаемое закладной деталью

Требуемая площадь поперечного сечения закладной детали из стали ВСтЗпс (Rs
= 225 МПа)

Толщину калиброванной закладной детали принимаем равной d = 10 мм, ширину средней части - исходя из требуемой площади поперечного сечения As
, , принимаем b = 82 мм.
Калиброванная закладная деталь М1 (рис. 7) крепится сваркой к закладной детали ригеля М2, которая в свою очередь должна быть приварена к верхним продольным стержням арматурного каркаса ригеля. Требуемая площадь этих стержней из арматуры класса А400 (Rs
= 355 МПа)

По сортаменту принимаем 2 стержня Æ18А400 (As
= 5,09 см2
).
 
 
Рис.8.Основные размеры и армирование ригеля
Кроме рабочей арматуры предусматривается монтажная: продольная - Æ10 А240, поперечная класса А240, объединяющая плоские каркасы в пространственные диаметром, равным 0,3 диаметра продольной арматуры, 0,3*22 = 6,6 мм, принимаем Æ8 мм, шаг 500 мм. Толщину закладных деталей принимаем равной 10 мм.
4. Расчет и конструирование колонны подвала
При выполнении статического расчета вручную в курсовой работе усилия М и N в колонне подвала среднего ряда с некоторыми упрощениями можно определить следующим образом.
В начале находим величину грузовой площади покрытия и каждого из перекрытий, нагрузка с которой передается на колонну

где l - пролеты ригелей, l = 5,7 м;
B - шаг колонн, В = 5,4 м.
Затем определяем расчетные нагрузки.
Нагрузка на колонну от веса перекрытий
где q1
- полная расчетная нагрузка на 1 погонный метр ригеля, q1
=54,44кН/м;
р - временная расчетная нагрузка на 1 м2
перекрытия (см. табл. 1), р = 2,28 кН/м; nпер
- число перекрытий в здании, nпер
= 3.

Нагрузка на колонну от веса покрытия

где g1
- расчетная нагрузка от веса пола (табл. 1), g1
= 1,54 кН/м;
gу
, gс
- объемные массы соответственно утеплителя и стяжки, gу
= 300 кг/м3
; gс
= 1800 кг/м3
;
dу
, dс
- толщина соответственно утеплителя и стяжки, dу
= 15 см, dс
= 2 см;
qк
- нагрузка от веса рулонной кровли, qк
= 20 кг/м2
;
g
fy
,
g
fc
,
g
f
к
- коэффициенты надежности по нагрузке соответственно утеплителя, стяжки и кровли, которые здесь равны 1,3.

Нагрузка от веса колонны

где bк
- предварительный размер поперечного сечения колонны, bк
= 0,3м; hпод
, hэт
- высота соответственно подвала и этажа, hпод
= 2,8 м, hэт
= 3,3 м; n - число этажей, n =3;
g - объемная масса железобетона, g = 2500 кг/м3
(25 кН/м3
); gf
- коэффициент надежности по нагрузке gf
= 1,1.

Постоянная расчетная нагрузка на колонну

Временная расчетная нагрузка на колонну

где S0
- нормативный вес снегового покрова на 1 м поверхности земли, принимаемый по табл. 1.7 [6] в зависимости от района строительства, для II района строительства S0
= 1,2кПа;
m- коэффициент зависящий от вида перекрытия, m = 1

Постоянная расчетная продольная сила в колонне подвала

Определение изгибающих моментов в колонне можно выполнить из условия, что при полужестких стыках с ригелями максимальный момент в колонне возникает при загружении временной нагрузкой одного из двух ригелей, опирающихся на колонну, причем момент воспринимается только колонной. В этом случае
,
где R - опорная реакция ригеля от временной нагрузки р (табл. 1),
R = 0,5*р*В* l = 0,5*2,28*5,4*5,7 =35,1кН
е1
- эксцентриситет опорной реакции при принятых размерах колонны е1
= 25 см.

Конструктивный расчет колонны выполняем как внецентренно сжатого элемента прямоугольного профиля с симметричной арматурой. Расчетную длину колонны принимаем равной высоте подвала, l0
= 2,8 м. Принимаем класс бетона колоны В35, продольной рабочей арматуры А400.
По таблице 3.4 [6] определяем расчетное сопротивление бетона осевому сжатию, Rb
= 14,5 МПа, по таблице 3.5[6] модуль деформации бетона Eb
= 27000 МПа.
По таблице 5.8[5] находим расчетное сопротивление продольной арматуры осевому растяжению, Rs
= 355 МПа и осевому сжатию Rsc
= 355 МПа, по таблице 3.10[6] модуль деформации стали Es
= 200000 МПа.
Принимаем размеры поперечного сечения колонны b = h = 30 см.
Рабочая высота сечения h0
= h – a = 30 – 3 = 27 см.
Критическая продольная сила

Случайный эксцентриситет еа
принимаем равным наибольшему из трех значений: еа
= l0
/600 = 280/600 = 0,47 см, еа
= h/30 = 30/30 = 1 см и еа
= 1 см.
Расстояние от точки приложения силы N до центра тяжести растянутой арматуры

,
начальный эксцентриситет


Определяем значение следующих величин:
ω0
= 0,85-0,008*Rb
= 0,85-0,008*14,5 = 0,734
,
, a’
= 3 см, ,
,
При an
< xr
(1.458 < 1.5) площадь поперечного сечения арматуры определяем по формуле
,

Требуемую площадь поперечного сечения арматуры определяем, исходя из минимального процента армирования,

По сортаменту(таблица 3.13[6]) подбираем 3 стержня диаметром 22 мм с площадью сечения As
= As
’
= 11,4 см2
.
Определяем процент армирования

Поперечную арматуру (хомуты) устанавливаем без расчета. В сварных каркасах диаметр хомутов принимают равным 0,3 диаметра продольной арматуры(0,3*22 = 6,6 мм), шаг хомутов - не более 20 диаметров продольных стержней (20*22 = 440 мм), но не более удвоенной ширины колонны (2*300 = 600 мм) и не более 500 мм. Поперечную арматуру выполняем из стали класса А 240 Æ8 мм с шагом 400 мм.

Рис. 9. Армирование колонны
  
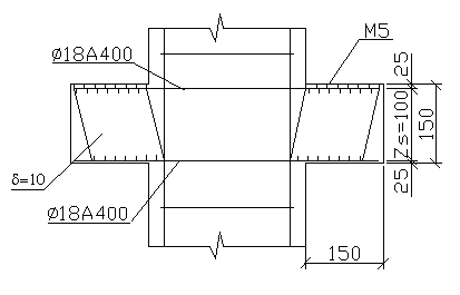
Рис. 10. Стык колонн с ванной сваркой выпусков арматуры
Расчет стыка выполняют для двух стадий его работы:
- для стадии монтажа проверяют прочность бетона центрирующего выступа на местное смятие при незамоноличенном стыке;
- для стадии эксплуатации при замоноличенном стыке подбирают параметры косвенного армирования в зоне анкеровки продольной арматуры, где она частично или полностью не включена в работу.
В курсовой работе выполним расчет стыка для стадии эксплуатации с некоторыми упрощениями, основанными на следующих исходных предпосылках:
1. Работа продольной рабочей арматуры в зоне ее анкеровки при расчете прочности не учитывается.
2. На основании предыдущих расчетов устойчивость колонн в полной мере обеспечивается бетоном и продольной арматурой.
3. Изгибающие моменты в колонне не велики, в месте стыка они близки к нулю; их влиянием на неравномерность распределения напряжений по сечению можно пренебречь.
4. Так как l0
/h < 20 случайные эксцентриситеты можно не учитывать.
С этих позиций расчет стыка выполняем следующим образом.
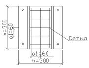
Вначале назначаем шаг сеток косвенного армирования S в пределах 60-150 мм, но не более h/3 = 30/3 = 10 см (рис. 10). Сетки устанавливаем у торца колонны на длине l которая должна быть не менее десяти диаметров продольной арматуры (10*22 = 220 мм) и не менее размера поперечного сечения h = 30 см. Размер ячеек а1
назначаем в пределах 45-100 мм, но не более h/4 = 300/4 = 75 мм. Принимаем S = 100 мм, l = 300 мм, а1
= 60 мм. Сетки выполняем из арматуры класса А400, диаметр определяем расчетом.
Расчетная нагрузка на колонну первого этажа

Требуемое расчетное сопротивление бетона сжатию, усиленного косвенным армированием
где Aef
- площадь поперечного сечения колонны, ограниченная
контуром сетки, без учета площади подрезок, Aef
= 5*a2
= 5*52
= 125 см2

Необходимый коэффициент косвенного армирования

Требуемая площадь одного стержня сетки

где n и l1
- соответственно число стержней одного направления в
сетке и длина стержня.

По сортаменту подбираем диаметр стержней сетки 14 мм, As
= 1,539 см2
.
Консоли колонны ввиду небольшой высоты устраиваем с жесткой арматурой, состоящей из двух сжатых и двух растянутых стержней класса А400 и вертикальных ребер-пластин, соединяющих эти стержни.

Рис. 11. Конструкция консолей колонны
Их расчет выполняем как изгибаемого элемента с двойной арматурой.
Изгибающий момент в консоли

где Q- опорное давление ригеля, равное максимальной
поперечной силе (см. статический расчет ригеля), Q = 168,6 кН;
С - расстояние от грани колонны до точки приложения силы Q (С =10 см).

Требуемая площадь продольной арматуры

где zs
- плечо внутренней пары сил: zs
= 10 см.

По сортаменту подбираем 2 стержня Æ18 мм. На срез от действия поперечной силы консоль рассчитывают без учета работы бетона, как стальную конструкцию. В курсовой работе этот расчет не выполняем и конструктивно принимаем толщину вертикальных ребер d = 10мм.
5. Расчет и конструирование фундамента под колонну
Принимаем класс бетона фундамента В15, продольной рабочей арматуры А300.
По таблице 3.4 [6] определяем расчетное сопротивление бетона осевому растяжению, Rbt
= 0.75 МПа.
По таблице 5.8 [5] находим расчетное сопротивление продольной арматуры осевому растяжению, Rs
= 270 МПа.
Определение размеров подошвы фундамента
Изгибающий момент, передаваемый колонной на фундамент, относительно мал, его можно не учитывать, фундамент условно считать центрально нагруженным, принять квадратным в плане с требуемым размером подошвы

где N - полная расчетная продольная сила, передаваемая колонной
на фундамент, N = 1216,72 ;
R0
- условное расчетное давление на грунт , R0
= 220 кН;
gm
- средняя объемная масса фундамента и грунта на его
уступах, gm
= 2 т/м3
= 20 кН/м3
;
H1
- глубина заложения фундамента от пола подвала, которая
предварительно может быть принята равной 1,0-1,5 м, H1
= 1,5 м.

Размер стороны квадратной подошвы фундамента а принимаем кратной 5 см, а = 3,0 м Фактическая площадь подошвы А = а2
= (3,0)2
= 9,0 м2
.
Общую высоту фундамента определяем из условий:
- надежного защемления колонны в фундаменте: 
- достаточной анкеровки продольных стержней колонны:

где d - диаметр продольных стержней колонны, d = 22 мм;

- предотвращения продавливания: ,
где аs
— величина защитного слоя бетона для фундаментов без
подготовки (аs
= 7 см);
Н0
- требуемая высота фундамента из условия сопротивления продавливанию
,
где р – фактическое давление на грунт под фундаментом,
р = N/A = 1216,72/9,0 = 171,25 кПа.


Высоту фундамента принимаем по большему из полученных значений, кратной 15 см, H = 1050 см.

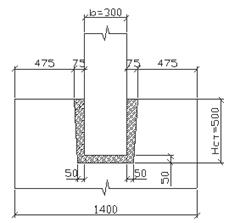
Рис. 12. Стакан фундамента
Затем задаем размеры стакана. Его дно (толщина бетона от низа стакана до подошвы фундамента) должно быть не менее 20 см, толщина неармированной стенки - 20 см, глубина стакана Hст
- не менее bk
= 30 см и 20d плюс 5 см
Hст
= 20*2,2+ 5 = 49 см, принимаем Hст
= 50 см. Ширину стакана назначаем из условия, чтобы зазор между его внутренней стенкой и поверхностью колонны был равен 75 мм вверху и 50 мм внизу. Между дном стакана и нижним торцом колонны должна быть подливка из цементного раствора толщиной 50 мм (рис. 12).
При известных ширине подошвы фундамента, его высоте и ширине стакана число ступеней фундамента и их размеры устанавливаем из условия, чтобы высота каждой из них была равной 30 или 45 см, а соотношение ширины ступени к ее высоте в пределах 1 - 1,5. Можно приближать сопряжение ступеней к граням пирамиды продавливания, которая начинается у основания колонны и проходит до уровня арматурной сетки под углом 45° (рис. 13) N = 1216,72 кН

Рис. 13. К расчету фундамента под колонну
Проверяем прочность на продавливание нижней ступени
,
где Р – расчетная продавливающая сила,
;
А1
– площадь основания пирамиды продавливания,

b’ – средний периметр пирамиды продавливания,



Т. к. условие выполняется, прочность на продавливание нижней ступени обеспечена.
Расчет фундамента на изгиб производим как консольной системы, опирающейся на колонну и загруженной реактивным давлением грунта. Растягивающие напряжения в этой системе воспринимает нижняя арматурная сетка, площадь сечения которой определяем расчетом на прочность нормальных сечений 1-1, 2-2 и 3-3 (рис. 13).

Рис. 14. К расчету фундамента под колонну
Изгибающие моменты в этих сечениях


Требуемое сечение рабочей арматуры


Необходимое армирование подбираем по большему значению Аs
. Принимаем шаг стержней сетки S = 150 мм, по сортаменту (таблица 3.13 [6]) подбираем диаметр стержней 14 мм.
6. Расчет армокирпичного столба
В курсовой работе армокирпичный столб проектируем, как вариант колонны и рассчитываем в условном предположении его центрального сжатия, когда нагрузка с перекрытия передается через железобетонную подушку с центрирующей прокладкой. Сопряжения столба с перекрытием и фундаментом считаются шарнирными.
Для столба используем следующие материалы: силикатный кирпич марки M150, цементный раствор марки М100 и арматурную проволоку класса В500.
Вначале определяем размеры поперечного (квадратного) сечения столба
где N - расчетная продольная сила (из расчета колонны), N = 1216,72 кН; Rsk
- предварительное расчетное сопротивление сжатию армированной кладки, Rsk
= 1.5*R;
R — расчетное сопротивление сжатию неармированной кладки, которое в зависимости от марки кирпича и раствора принимаем по табл. 2[7], R = 2,2 МПа.
Rsk
= 1,5*2,2 = 3,3 МПа.

Размер поперечного сечения столба h принимаем кратным размерам кирпича: h = 77 см и определяем площадь

Определяем гибкость

где l0
- расчетная длина столба, равная высоте подвала за вычетом толщины перекрытия, l0
= 2,8 - 0.22 = 2,58 м

Коэффициент продольного изгиба j в зависимости от гибкости столба из силикатного кирпича определяем по табл. 3 [7], j = 1.
Требуемое расчетное сопротивление армированной кладки

Необходимый процент армирования кладки

где Rs
- расчетное сопротивление растяжению арматуры класса
В500 (Rs
= 415 МПа).

Принимаем m, исходя из минимального процента армирования m = 0,1% Назначаем диаметр стержней сетки 3 мм и шаг сеток по высоте S через 2 ряда ( 20 см). По сортаменту (таблица 3.13 [6] ) определяем площадь одного стержня Asl
= 0,071 см2
. Требуемый размер квадратных ячеек сетки

Значение С принимаем 8 см.
Библиографический список
1. Боровских А. В. Расчеты железобетонных конструкций по предельным состояниям и предельному равновесию: Учеб. Пособие – М.: ИАСВ, 2002. – 320 с.
2. Железобетонные и каменные конструкции: Учеб. для строит. спец. ВУЗов/В. М. Бондаренко, Р.О. Бакиров, В.Г. Назаренко, В.И. Римшин; Под редакцией В.М. Бондаренко. – 2-е изд., перераб. и доп. – М.: Высш. шк., 2002. – 876 с.: ил.
3. Проектирование каменных и армокаменных конструкций. Учебное пособие / А.И. Бедов, Т.А. Щепетьева – М.:АСВ, 2002. – 240с.
4. Свод правил по проектированию и строительству. СП 52 – 101 – 2003. Бетонные и железобетонные конструкции без предварительного напряжения арматуры.
5. Свод правил по проектированию и строительству. СП 52 – 102 – 2003. Предварительно напряженные железобетонные конструкции.
6. Фролов А.К., Бедов А.И., Шпанова В.Н., Родина А.Ю., Фролова Т.В. Проектирование железобетонных, каменных и армокаменных конструкций. Учебное пособие: - М.: Издательство АСВ, 2002. – 170 стр.
7. Проектирование железобетонных конструкций многоэтажного здания: Методические указания к выполнению курсового проекта по дисциплине «Железобетонные и каменные конструкции» для студентов специальности 290500 – Городское строительство и хозяйство. – Белгород: Изд-во БелГТАСМ, 2002. – 46 с.
8. СНиП 2.03.01-84 – «Бетонные и железобетонные конструкции». – М.:ГЦ
ЦПП, 1985. – 79 с.
9. СНиП 2.01.07-85.\ - «Нагрузки и воздействия. Нормы проектирования».. –
М.: ГП ЦПП, 1986. – 36 с.
|