Московский Государственный Технический Университет
Им. Н.Э. Баумана.
Калужский филиал
Факультет
Конструкторско-механический (КМК)
Кафедра
«Деталей машин и подъёмно-транспортного оборудования» К3-КФ
Расчетно-пояснительная записка
к курсовому проекту
по дисциплине: Подъемно-транспортные машины
на тему: Проектирование и расчет полноповоротного крана
Калуга г.
Содержание
Техническое задание
1. Механизм подъема
1.1 Выбор электродвигателя
1.2 Полиспаст
1.3 Выбор каната
1.4 Барабан
1.5 Выбор редуктора
1.6 Расчет грузоупорного тормоза
1.7 Расчет блока
1.8 Крюковая подвеска
2. Металлоконструкция крана
2.1 Основные размеры
2.2 Проверка статического прогиба
2.3 Вес металлоконструкции
2.4 Расчетные нагрузки
2.5 Проверка колоны на сжатие
2.6 Опорные узлы
Список используемой литературы
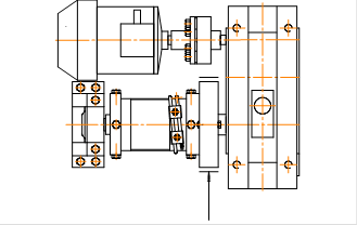
1. Механизм подъема

1.1 Выбор электродвигателя
Статическая мощность
Мощность (кВт) при подъеме номинального груза весом Q(Н) с установившейся скоростью V (м/мин) – статическая мощность.

Для крюковых кранов
;

Где,
;
- скорость подъема груза;
- КПД зубчатого редуктора;
Выбираем электродвигатель типа: АИРС71В8 с мощностью 0,3 кВт и числом оборотов ; масса 
 
1.2 Полиспаст
При малой грузоподъемности (Q<320кг) рекомендуется применять однократный (a=1) одинарный (m=1) полиспаст.
КПД полиспаста:

Где,
а = 1 – кратность полиспаста
m = 1 – число канатов, навиваемых на барабан
t = 0 – число отклоняющих блоков
- КПД блока.
1.3 Выбор каната
Наибольшее натяжение в канате

Выбор размера каната, т.е. его диаметра проводят по разрушающей нагрузке. Разрушающая нагрузка каната должна удовлетворять условию . Коэффициент запаса прочности К принимают по табл. 7 (мет. 27).

Тип каната выбирают по ГОСТ 2688-80 и ГОСТ 7668-80.
Рекомендуемый предел прочности материала проволок 
По ГОСТ 2688-80 выбираем канат типа ЛК-Р 6×19+1о.с. диаметром при пределе прочности материала проволок 
Фактический запас прочности каната 
1.4 Барабан
Диаметр барабана по оси каната

Округляем до стандартного значения и принимаем 
Шаг нарезки:
.
Принимаем .
Толщина стенки барабанадля стали (Ст3) 
Напряжения сжатия в стенке барабана

- для стали Ст3

Следовательно, условие прочности выполняется
Длина барабана

- расстояние до начала нарезки
- длина рабочей части барабана
- число рабочих витков
Забиваем Сайты В ТОП КУВАЛДОЙ - Уникальные возможности от SeoHammer
Каждая ссылка анализируется по трем пакетам оценки: SEO, Трафик и SMM.
SeoHammer делает продвижение сайта прозрачным и простым занятием.
Ссылки, вечные ссылки, статьи, упоминания, пресс-релизы - используйте по максимуму потенциал SeoHammer для продвижения вашего сайта.
Что умеет делать SeoHammer
— Продвижение в один клик, интеллектуальный подбор запросов, покупка самых лучших ссылок с высокой степенью качества у лучших бирж ссылок.
— Регулярная проверка качества ссылок по более чем 100 показателям и ежедневный пересчет показателей качества проекта.
— Все известные форматы ссылок: арендные ссылки, вечные ссылки, публикации (упоминания, мнения, отзывы, статьи, пресс-релизы).
— SeoHammer покажет, где рост или падение, а также запросы, на которые нужно обратить внимание.
SeoHammer еще предоставляет технологию Буст, она ускоряет продвижение в десятки раз,
а первые результаты появляются уже в течение первых 7 дней.
Зарегистрироваться и Начать продвижение

Н- высота подъема
- длина барабана, на которой располагаются разгружающие витки
- длина барабана, на которой располагается крепление каната.

Округляем до стандартного значения и принимаем 
Частота вращения барабана:

1.5 Выбор редуктора
Необходимое передаточное отношение привода
Полученное значение округляют до стандартного (см. п. 1.7) в меньшую сторону, если двигатель недогружен, и в большую, если он загружен полностью.
Наибольшие передаточные отношения редукторов: цилиндрических и конически-цилиндрических двухступенчатых – 40, глобоидных – 63, планетарных двухступенчатых – 125, волновых – 315.
Фактическая скорость подъема


не должна отличаться от заданной более чем на 10%.

Выбираем редуктор: 1Ц2У-100 с 
Передаточное число редуктора

Крутящий момент на барабане


где Fмах
– наибольшее натяжение в канате;
m – число канатов, наматываемых на барабан (число полиспастов).
1.6 Расчет тормоза
Грузовой момент на валу тормозного шкива:
, где
- обратный КПД
,
- КПД муфты


Выбираем грузоупорный тормоз.
Осевая сила

Где, R-средний радиус поверхности трения

r-средний радиус трапецеидальной резьбы;
n-число заходов n=2;
угол подъема резьбы;
угол трения в резьбе;
коэффициент трения вальцованной ленты по металлу.
Условие удержания груза на весу



Коэффициент запаса торможения

Давление на рабочие поверхности трения между колесом и храповиком



Крутящий момент, необходимый для спуска груза,

1.7 Расчет блока
Диаметр блока:

- (табл. 2.2)
Рекомендуется расчетный увеличивается на 25%,
округляем до стандартного значения и принимаем

Диаметр оси блока

- расстояние между щеками подвески

Принимаем 
Наибольшая нагрузка на подшипник блока

- число подшипников в блоке
Эквивалентная нагрузка подшипника блока

(табл. 2.3) – коэффициент эквивалентности
- коэффициент безопасности
- вращается наружное кольцо
Число оборотов блока

Требуемая динамическая грузоподъемность

- ресурс работы подшипника
Выбираем шариковый радиальный сферический подшипник 1000904 ГОСТ 8338-75 с . Размеры подшипника .
1.8 Крюковая подвеска
Крюк выбираем по ГОСТ 6627-66 в зависимости от грузоподъемности и режима работы. При и среднем режиме работы следует применять крюк однорогий чалочный.
2. Металлоконструкция крана
2.1 Основные размеры
Расчет между опорами подшипников

Принимаем .
Расстояние между стрелой и оттяжкой
.
Длинна оттяжки
.
Выбор профиля стрелы и оттяжки.
Составим уравнения равновесия;
;
;
Решив уравнения, найдем внутренние усилия,


Необходимую площадь стержня найдем из условия прочности,
Сервис онлайн-записи на собственном Telegram-боте
Попробуйте сервис онлайн-записи VisitTime на основе вашего собственного Telegram-бота:
— Разгрузит мастера, специалиста или компанию;
— Позволит гибко управлять расписанием и загрузкой;
— Разошлет оповещения о новых услугах или акциях;
— Позволит принять оплату на карту/кошелек/счет;
— Позволит записываться на групповые и персональные посещения;
— Поможет получить от клиента отзывы о визите к вам;
— Включает в себя сервис чаевых.
Для новых пользователей первый месяц бесплатно.
Зарегистрироваться в сервисе



Выбираем профиль: сталь прокатная угловая равнополочная № 4,5 ГОСТ 8509-72 .
Момент инерции сечения .
Выбор профиля колонны.
Момент в точке D

Необходимую площадь сопротивления сечения найдем из условия прочности.


Где ;

По ГОСТ 8732-78 выбираем трубу стальную бесшовную горячекатаную с 
Толщина стенки
Момент инерции сечения

2.2 Проверка статического прогиба
Деформации проверяются только от максимальной нагрузки. Необходимо учитывать деформации стрелы и колонны.
Допустимый прогиб

Абсолютное перемещения стержней ВС и BD предполагая их свободными в точке В.

Абсолютное перемещения точки В.


.
Прогиб колонны.



Прогиб является допустимой величиной для данного типа колонны.
2.3 Вес металлоконструкции
Вес поворотной колонны:
;
Вес уголков:
;
Вес механизма подъема:
;

Вес крана:

2.4 Расчетные нагрузки
На металлоконструкцию действуют следующие нагрузки: постоянная, подвижная, инерционная и ветровая (в курсовых проектах не учитывается)
Постоянная нагрузка создается весом крана:

(табл. 5.1) – динамический коэффициент, зависящий от скорости движения
Подвижная нагрузка создается весом груза:

(табл. 5.2) – коэффициент, зависящий от режима работы
Инерционная нагрузка

2.5 Проверка колоны на сжатие
Расчет на сжатие проводим по комбинации нагрузок, т.е. постоянная + подвижная + инерционная.
Определим гибкость стержня
;
;

Коэффициент снижения допускаемого напряжения .
Допускаемое напряжение на устойчивость
.
Напряжения, действующие в сечении стержня
.
Условие прочности удовлетворяется.
Определяем критическую силу
.
-предел пропорциональности.
Так как , формула Эйлера не применима. Применяем формулу Ясинского.
;
.
Находим коэффициент безопасности

2.6 Опорные узлы
В опорах поворотных кранов используют самоустанавливающиеся подшипники для восприятия горизонтальных нагрузок и упорные, для вертикальных.

Подшипники рассчитываются по статической грузоподъемности: упорный - по вертикальной нагрузке, радиальные – по горизонтальной с учетом коэффициента запаса
Требуемая статическая грузоподъемность для упорного подшипника

Для радиального

Для вертикальных нагрузок выбираем упорный подшипник 8209 по ГОСТ 6874-75 с . Размеры подшипника . Для горизонтальных нагрузок выбираем самоустанавливающийся подшипник 1211 ГОСТ 5721-75 с , размеры подшипника 
В обоих случаях 
Список используемой литературы
1. Расчёты крановых механизмов и их деталей / М. П. Александров, И. И. Ивашков, С. А. Казак; Под ред. Р. А. Лалаянца.- М.: ВНИИПТМаш, 1993.- Т. 1. - 187 с.
2. Подъемно-транспортные машины / Александров М. П., - М.: Высшая школа,1979. 558с.
4. Курсовое проектирование грузоподъемных машин: Учеб. пособие для студентов машиностр. спец. вузов/С. А. Казак, В. Е. Дусье, Е. С. Кузнецов и др.; Под ред. С. А. Казака.–М.: Высш. шк., 1989.-319 с: ил.
|