Министерство образования и науки Российской Федерации
Федеральное агентство по образованию
Южно – Уральский государственный университет
Реферат
Системы отопления полом
Выполнила
Студентка группы ПГС 632
Шаврина Е.И.
Проверил
Преподаватель
Стуков А.И.
Челябинск, 2010
Содержание
Введение
Конструкция теплого пола
Требования к несущему настилу
Типы укладки. Рекомендации
Удаление воздуха
Проектирование отопления полом
Термоизоляция
Заливка нагревательной пластины
Напольные покрытия
Схемы, позволяющие осуществлять коммерческий учет тепла
Компенсация движения стяжки
Монтаж нагревательной пластины
Преимущества СОП
Список литературы
Системы отопления полом (СОП) бурно развиваются в последние годы и смогли добиться всеобщего признания как идеальные низкотемпературные системы отопления. Применение современных энергосберегающих технологий для производства тепла при использовании низкотемпературных или же низкомощностных нагревателей приводит к заметной экономии энергии. Никакой другой тип отопления кроме отопления полом не в состоянии обеспечить столь высокий уровень комфорта, эстетики и энергоэкономичности в сочетании с практически неограниченным сроком службы.
Сухие аргументы могут говорить о многом. СОП, по сравнению с радиаторными или конвекторными системами, позволяет экономить от 25 до 40% эксплуатационных расходов. Конкретная величина зависит от проектных решений дома и квалификации проектировщика.
Температурный комфорт для человека достигается поддержанием теплового равновесия между выделяемым его организмом количеством теплоты и теплоотдачей в окружающую среду.
В случае отопления полом теплообмен идет преимущественно путем пассивного излучения тепла, что практически исключает циркуляцию пыли, характерную для систем с мощными конвекционными потоками (в частности, отопление радиаторами и конвекторами). Кроме того, подогрев поверхности пола уничтожает питательную среду для бактерий и пылевых клещей. Таким образом, системы отопления полом в значительной мере способствуют созданию физиологически благоприятного и гигиенически безопасного климата в помещении.
Нельзя не коснуться эстетической стороны вопроса. Очевидным преимуществом отопления полом является отсутствие видимых нагревательных приборов, снимающее всяческие ограничения со стилевых решений интерьера.
Забиваем Сайты В ТОП КУВАЛДОЙ - Уникальные возможности от SeoHammer
Каждая ссылка анализируется по трем пакетам оценки: SEO, Трафик и SMM.
SeoHammer делает продвижение сайта прозрачным и простым занятием.
Ссылки, вечные ссылки, статьи, упоминания, пресс-релизы - используйте по максимуму потенциал SeoHammer для продвижения вашего сайта.
Что умеет делать SeoHammer
— Продвижение в один клик, интеллектуальный подбор запросов, покупка самых лучших ссылок с высокой степенью качества у лучших бирж ссылок.
— Регулярная проверка качества ссылок по более чем 100 показателям и ежедневный пересчет показателей качества проекта.
— Все известные форматы ссылок: арендные ссылки, вечные ссылки, публикации (упоминания, мнения, отзывы, статьи, пресс-релизы).
— SeoHammer покажет, где рост или падение, а также запросы, на которые нужно обратить внимание.
SeoHammer еще предоставляет технологию Буст, она ускоряет продвижение в десятки раз,
а первые результаты появляются уже в течение первых 7 дней.
Зарегистрироваться и Начать продвижение
Очень важно отметить, что ребенок никогда не получит неприятностей или ожога, что может случиться при касании о радиатор или конвектор.
Конструкция теплого пола
Нагревательным элементом в системе отопления полом является термически изолированная от неэффективных утечек тепла (вниз и в стороны), как правило, бетонная пластина, нагреваемая вмонтированным в нее змеевиком, в котором циркулирует горячий теплоноситель. Существуют различные варианты конструктивного решения такого нагревателя.

Рис.1. - Конструкция теплого пола
1 — пол;
2 — бесшовный пол, более 65 мм;
3 — теплоизоляция, 30—32 мм;
4 — бетонное перекрытие
Допустимые температуры поверхности полов при отоплении полом зависят от обуви, покрытия пола, частоты использования помещения, а также от активности и времени пребывания людей в помещении. В соответствии с этим определяются максимальные допустимые значения для температуры поверхности пола:
- для областей постоянного пребывания людей в жилых либо служебных помещениях - 29-31o
С;
- для ванных комнат - 33o
C;
- для участков, прилегающих к внешним стенам, - 35o
C.
Параметрами нагревателя являются:
• полная тепловая мощность (тепловой поток)Q , Вт
• удельная тепловая мощность (плотность теплового потока) q (тепловая мощность, развиваемая единицей площади нагревателя), Вт/м2
.
• полезная площадь Fp (эффективная площадь зоны, занимаемой змеевиком), м2
.
Q= qxFp
• температура поверхности пола (покрытия) tp, °C .
• температура теплоносителя (средняя) t, °C.
• монтажное расстояние b , м.
• длина змеевика L , м .
Достижение определенной температуры поверхности обуславливается величинами b и t, a также тепловым сопротивлением покрытия пола R.

Рис.2. - Конструкция пола отопления в разрезе:
1. Стена
2. Штукатурка
3. Плинтус
4. Эластичная щелевая замазка
5. Изолирующий плинтус
6. Полиэтиленовая пленка
7. Настил DIN 18560
8. Якорный крепеж
9. Металлопластиковая труба 16x2
10. Термоизолирующий настил
11. Несущий настил
12. Раствор для тонкого настила
13. Тонкий настил (Покрытие)

Рис.2. - Конструкция компенсационного шва в разрезе
1. Компенсирующий шов из пенополиэтиленовой ленты
2. Металлопластиковая труба 16x2
3. Защитная гофрированная труба
4. Эластичная щелевая замазка 5
5. Настил DIN 18560
6. Кафель
7. Раствор для тонкого настила
8. Термоизолирующий настил
9. Несущий настил
Требования к несущему настилу
Сервис онлайн-записи на собственном Telegram-боте
Попробуйте сервис онлайн-записи VisitTime на основе вашего собственного Telegram-бота:
— Разгрузит мастера, специалиста или компанию;
— Позволит гибко управлять расписанием и загрузкой;
— Разошлет оповещения о новых услугах или акциях;
— Позволит принять оплату на карту/кошелек/счет;
— Позволит записываться на групповые и персональные посещения;
— Поможет получить от клиента отзывы о визите к вам;
— Включает в себя сервис чаевых.
Для новых пользователей первый месяц бесплатно.
Зарегистрироваться в сервисе
Несущий настил должен удовлетворять статическим и динамическим условиям нагрузки, зависящей от использования помещения. Высота расположения и ровность поверхности несущего настила должны соответствовать допускам неровности требований DIN18202 "Допуски при строительстве".
Согласно этим требованиям в зависимости от расстояния между точками измерения допустимы допуски неровности поверхности. Допуск неровности по площади, занимаемой одним змеевиком, не должен превышать ±5 мм. При нарушении данного требования может возникнуть проблема не только с запуском данного участка СОП, но и с его последующей работой.
Трубы и электропроводка, которые размещены на несущем настиле, должны быть закреплены. Затем с помощью выравнивающего слоя следует создать плоскую горизонтальную поверхность так, чтобы была возможна укладка теплоизолирующего слоя по всей площади. Для этого следует запланировать требуемую конструкционную высоту. Для выравнивания уровня пола не следует применять сыпучие материалы (как, например, строительные отходы или песок). Если отопительная полоконструкция должна содержать заметные уклоны (>1,5%), например, в душе, то эти уклоны следует изготовить в несущем настиле, чтобы выполнить требование равномерной толщины отепляющего настила. При этом укладка змеевиков должна быть выполнена таким образом, чтобы исключить возможность их завоздушивания.
Зазоры подвижки в несущем настиле (строительные зазоры) должны иметь одинаковую по всей протяженности ширину, иметь очерченные канты и пролегать прямолинейно.
Несущий слой перед настилом системы отопления полом должен быть сухим.
Уплотнения против конденсата и грунтовых вод (гидроизоляция) должны быть спланированы архитектором в соответствии с DIN18195 и установлены перед настилом системы отопления полом. При использовании PVC- либо битумосодержащей гидроизоляции следует под термоизоляционные пластины из полистироловых жестких пенообразных полимеров (PS) настелить разделяющий слой (например, картон, полиэтиленовая пленка) для снижения размягчающего действия на эти пластины.
Конфигурации змеевиков можно разделить на два основных типа: зигзагообразные и спиралевидные змеевики. Разумеется, возможны любые их сочетания. Каждый из двух типов имеет свои характерные особенности.
При зигзагообразной укладке горячий теплоноситель поступает в змеевик, как правило, у внешней стены помещения и непрерывно охлаждается при протекании по трубам. Поэтому в месте поступления теплоносителя (начале змеевика) достигается большая температура поверхности и, как следствие, большая теплоотдача. Далее, вглубь помещения, вследствие охлаждения теплоносителя уменьшаются температура поверхности пола и плотность теплового потока. Для достижения достаточной температурной равномерности требуется повысить скорость теплоносителя в змеевике, следовательно, необходимо применение циркуляционного насоса с большей производительностью, чем при аналогичном нагревателе со спиралевидными змеевиками.
Второй важной особенностью зигзагообразной укладки является возможность ее применения для обогрева наклонных участков (стен), при этом зигзаги должны быть расположены горизонтально перпендикулярно направлению наклона поверхности, а подводящие трубы отходить от зоны змеевика с наивысшим уровнем.
При спиралевидной укладке трубы с противоположными направлениями потоков чередуются, причем наиболее горячий участок трубы соседствует с наиболее холодным. Возникающее при этом термическое взаимодействие приводит к равномерному распределению температуры и равномерной передаче тепловой мощности. Спиралевидная укладка не может быть применена в зонах, имеющих линейный уклон. При неправильном расчете, если для соответствующего напольного покрытия расстояние между витками больше требуемого, во-первых, мощность нагревателя будет недостаточной, а во-вторых, будет наблюдаться эффект полосатого пола: полоса теплого пола, полоса холодного. Последнее обстоятельство, кроме прочего, отрицательно сказывается на напольном покрытии.
Если следствием неправильного расчета явилось уменьшение расстояния между витками, это существенно скажется на расходе материала. Мощность при этом не возрастет, так как, во-первых, она ограничивается термостатикой, а во-вторых, при шаге укладки менее 100 мм проявляется эффект теплового моста и температура подачи будет сравнима с температурой на выходе из змеевика.
Не существует иных ограничений на использование различных типов укладки и их комбинаций. Однако в большинстве случаев спиралевидная укладка является более предпочтительной ввиду более равномерного прогрева пола и использования менее мощного насоса.
Различные варианты укладки контуров отопления полом

Рис.4. – Зигзагообразная и спиральная укладка

Рис.5. – Граничная зона и греющий контук

Рис. 6 - Граничная зона получена за счет того же контура
Удаление воздуха
Важным моментом является удаление из змеевика воздуха, изначально содержащегося в системе, и газов, которые выделяются при нагреве теплоносителя. При неправильном монтаже или недостаточно ровной поверхности несущего пола некоторые участки трубы змеевика могут оказаться выпуклыми вверх. Скапливающиеся в таких местах газы создают газовые пробки, резко увеличивающие гидравлическое сопротивление отопительного контура и снижающие теплоотдачу трубы в этих зонах.
Газовые пробки могут стать причиной полной остановки потока в змеевике, если возникающее в контуре падение давления превысит располагаемый напор.
Регулировка и запуск системы отопления осуществляется после затвердевания бетона, т.е. после 3-4 недель. Начальная температура не должна превышать температуры воздуха в помещении, т.е. около 20С, после каждого дня эксплуатации необходимо повышать ее на 5С, пока не будет достигнута проектная величина. Основная задача при запуске системы - удаление из нее воздуха
Основой любого расчета системы отопления является расчет тепловых потерь помещения, выполненный в соответствии с нормативными методиками. Основой такого расчета являются: масштабные планы этажей, вертикальные сечения, данные об использованных материалах и строительных конструкциях, данные о желаемой либо соответствующей СНиП температуре внутри помещения и климатической зоне, в которой находится здание, а также о наличии и тепловой мощности дополнительных и паразитных источников тепла, если их влияние существенно.
Для расчета системы отопления полом дополнительно должны быть известны половые покрытия и их тепловые сопротивления Rx либо для расчета принимаются соответствующие нормам теплового сопротивления Rx=0,1 м2K/W для жилых помещений и Rx=0,0 м2K/W для ванных комнат.
Возможны случаи, когда при недостаточном утеплении помещения либо малой эффективной площади выясняется, что отопление полом не может полностью покрыть все теплопотери, и требуется установка дополнительных нагревателей. Обычно это связано с нарушением норм проектирования или строительства. В этой ситуации система отопления полом работает совместно с иными источниками тепла. Возможно применение отопления стен и межкомнатных перегородок, что позволяет добиться желаемого результата.
Требования к используемым материалам конструкций пола:
Труба должна соответствовать, по меньшей мере, следующим техническим требованиям:
• Отсутствие кислородной диффузии
• 100-процентная герметичность
• Коэффициент линейного расширения меньше либо равен 0,025 мм/мК
• Показатель теплопроводности = 0,43 W/mk
• Возможность изгибания вручную
• Иметь достаточную длину для укладки змеевиков нужной длинны без единого стыка
• Срок службы при данных условиях эксплуатации должен быть соизмерим с соком службы внутренних конструкций здания
Для этих целей как нельзя лучше подходит металлопластиковая труба Непсо.
Труба внутри пола должна располагаться строго горизонтально и шагом согласно расчету. Поэтому она должна быть предварительно закреплена на поверхности утепляющего слоя. Для этих целей может быть использован якорный крепеж.
Требуемое количество якорного крепежа для труб пропорционально длине используемой трубы с учетом того, что среднее расстояние между точками закрепления трубы составляет 0.3 - 0.5 т.
Теплоотдача системы отопления пола в помещении является суммой тепловых потоков частичных зон, которые могут включать разные змеевики и иметь различные монтажные расстояния и плотности теплового потока в зависимости от необходимости.
Не рекомендуем монтировать отопление полом, в змеевиках которого значительно нарушается условие: b > 0.3 m, т.к. при этом неравномерность нагрева поверхности пола становится ярко выраженной и проявляется эффект полосатого пола.

Рис.6. – Отопление пола
Число контуров(120 m, 30 kPa, 1800 W)
Требуемое для отопления одного помещения количество змеевиков определяется несколькими параметрами:
• размером площади Fp
• необходимой длиной трубы змеевиков, которая, включая соединительные участки между распределителями и змеевиком, не должна существенно превышать 120т для СОП и 180т для климатического пола. Данные величины приведены для того, чтобы помочь избежать ошибок в проектировании тем, кто не имеет возможности с достаточной точностью посчитать гидравлическое сопротивление всей системы и каждой ветви в отдельности.
• Тепловыми потерями помещения: рекомендуемое ограничение мощности одного змеевика Q=1800W
Не следует монтировать отопительные контура, имеющие потери давления больше, чем AP=30kPa.
Потери давления в контурах:
Потери давления в отопительном контуре определяются суммой потерь давления на местных сопротивлениях и линейных потерь, которые в свою очередь зависят от скорости потока теплоносителя в трубе и длины трубы с учетом соединительных участков между распределителями и змеевиком.
,
где:
Объемный расход теплоносителя:
Объемный расход теплоносителя для всей системы является суммой расходов всех контуров и рассчитывается по аналогичной формуле.


Узлы подмеса
Для обеспечения требуемой температуры поверхности попа необходима стабилизация и ограничение температуры циркулирующего в змеевиках теплоносителя. Поскольку в большинстве систем отопления начальная температура теплоносителя значительно выше необходимой для СОП, а иногда, кроме того, не является постоянной, в системе должно быть предусмотрено устройство, осуществляющее такую стабилизацию. Несколько вариантов принципиальных схем таких узлов приведено ниже.
1 - Циркуляционный насос
2 - Трехходовой термосмесительный клапан
3 - Термостатический клапан
4 - Вентиль предварительной регулировки

Рис 2.3.15. Узлы подмеса
Применение какой-то конкретной схемы подмеса, зависит от конкретного проекта и опыта применения данных узлов. Наш опыт говорит о том, что применение узлов подмеса с прямым регулированием, является наиболее выгодным при использовании в системах со смешанным отоплением, где совмещаются СОР и СОП.
Расход материалов Трубы:
Удельный расход труб Ц (требуемая длина труб для монтажа 1 м2 отопления полом при определенном монтажном расстоянии Ь) численно равен величине, обратной значению монтажного расстояния:
Ц = 1/Ь[т/т2
] Соответственно, длина змеевика (расход трубы) пропорциональна занимаемой им площади:
L[m] = L0xFp Крепеж
По всему периметру, между нагревательной пластиной и наружными и внутренними стенами необходимо прокладывать либо демпферную ленту, либо тонколистовой пенопласт, для того чтобы исключить образование теплового моста между пластиной и стенами.
Требуемая площадь термоизолирующего слоя соответствует полезной площади пола. Нагревательная пластина должна быть теплоизолирвана как со стороны несущего настила, так и по всему периметру стен. При этом толщина слоя теплоизоляции и его плотность не может быть меньше определенных величин.
Возможно использование специальных плит из пенополистирола со специальным полимерным покрытием металлизированной пленкой, плотность которых не менее 25 кг/м3
, или специальные плиты с выступами ("бобышками") с плотностью не менее 30 кг/мЗ.
Толщина тепловой изоляции зависит от назначения перекрытия:
- для перекрытия над отапливаемым помещением необходимо принимать толщину изоляции соответственно сопротивлению теплопередаче R=0,75 м2К/Вт, пенопласт толщиной 3 см.
- для перекрытия над не отапливаемым подвалом - соответственно сопротивлению теплопередаче R=2,00 м2К/Вт, пенопласт толщиной 5 см.
-для перекрытия на грунте - соответственно сопротивлению теплопередаче R=2,25 м2К/Вт, пенопласт толщиной более 5 см.
Технические параметры теплоизоляционных плит из пенополистирола представлены в таблице.

Рис. 7. - Технические параметры теплоизоляционных плит из пенополистирола
В качестве термоизоляции рекомендуется использовать пенопласт плотностью не менее 25 кг/м3
. Толщина изолирующего слоя системы отопления полом, монтируемой на грунтовом полу или над не отапливаемым помещением, должна быть не менее 30 мм, над теплым помещением не менее 22 мм.
По всему периметру, между нагревательной пластиной и наружными и внутренними стенами, необходимо прокладывать либо демпферную ленту, либо тонколистовой пенопласт, для того чтобы исключить образование теплового моста между пластиной и стенами.
Обычный состав бетона не совсем подходит для создания пластин отопления полом. Поэтому для улучшения его механических и физических свойств необходимо применять специальную присадку, пластификатор.
Пластификатор необходимо использовать при заливке раствором нагревательной пластины. Он придает раствору пластичность, предотвращая возможность разрушения бетонного слоя.
Состав раствора при этом может быть следующим:
- песок - 230 кг;
- цемент М400 - 50 кг;
- вода - 20 л;
- пластификатор GLASCOLITH 500 - 500 г.
Поскольку ни уложенная теплоизоляция, ни система теплового распределения не предназначены выдерживать большую нагрузку, должен быть смонтирован слой, распределяющий нагрузку. Чаще всего этот слой состоит из цементно-песочного раствора. Такой настил называется плавающим (отопительным) и должен соответствовать требованиям DIN18560. Толщина и класс жесткости либо твердости настила для обычно планируемой при квартирном строительстве интенсивности до 1.5 kN/м2
должны выбираться в зависимости от вида выполняемых работ в соответствии с DIN18560.
Общая толщина настила должна быть как минимум 45 мм. Возможно применение и настилов иной толщины. Однако толщина настила должна быть не меньше, чем 30 мм над трубой. Для строительства помещений другого типа при более высокой интенсивности нагрузки требуются другие установки к толщине и качеству настила.
Следует, однако, иметь в виду, что увеличение толщины настила снижает теплоотдачу СОП.
Армирование цементной стяжки не является обязательным, но желательно. Посредством армирования нельзя замедлить процесс образования трещин и деформаций, но можно предотвратить распространение возникших трещин.
В соответствии с требованиями DIN4725 контуры полового отопления до начала заливки грузораспределяющего слоя должны быть испытаны водяным давлением. Герметичность должна быть гарантирована как до, так и во время укладки настила. В момент заливки грузораспределяющего слоя и во время его становления система отопления полом должна находиться под давлением.
После укладки настил должен быть выдержан в течение 21 дня, в этот период недопустимы механические и интенсивные термические воздействия (в первую очередь, включение СОП).
В качестве покрытий для полов со смонтированной СОП могут использоваться как пластины из натурального камня и керамические плитки, так и текстильные и эластичные покрытия. Также возможно использование паркета. Применение паркета в помещениях с отоплением полом требует соблюдения нормы влажности паркета на момент укладки не менее 4%. Существует специальный тип паркета, инженерный. Он состоит из мелких пластин, на которые наклеен паркет.
Следует обращать внимание на то, чтобы применяемые материалы, особенно текстильные покрытия, были оценены производителем как подходящие для подобных систем и имели соответствующие обозначения. Половое покрытие является дополнительным слоем, влияющим на теплопередачу, поэтому в соответствии с DIN4725 необходимо проследить, чтобы величина теплового сопротивления материала не превышала допустимого значения Rx=0,15 м2
K/W.
Применение данного конкретного материала обязательно должно быть согласовано во время проектирования.
Текстильные половые покрытия, линолеумы, покрытия из дерева в форме паркетной доски либо паркетных пластин должны быть приклеены по всей площади подходящим термоустойчивым клеем. Это даст гарантию полной отдачи тепловой мощности СОП.
Пиктограммы, обозначающие пригодность покрытий для полов отопления.
Полученная на основании теплового расчета требуемая полная мощность полового нагревателя (равная теплопотерям помещения либо соответствующей их части при наличии других источников тепла) Q[W] является основанием для определения поверхностной плотности теплового потока q[W/m2
]:
q = Q/Fp ,где:
Q [W] - полная тепловая мощность (тепловой поток);
q [W/m2
] - удельная тепловая мощность (плотность теплового потока);
Fp [т2
] - полезная площадь (эффективная площадь зоны, занимаемой змеевиком). Исходя из выясненных плотностей теплового потока и тепловых сопротивлений применяемых покрытий следует по диаграммам мощности или аналогичным таблицам рассчитать монтажное расстояние между трубками b[m] для каждого змеевика.
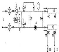
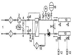
Описание схем: Погодная компенсация отсутствует, на коллектор системы отопления подается теплоноситель постоянной температуры посредством термостатического клапана (6). Желаемая температура в помещении достигается с помощью закрытия/открытия игольчатых клапанов на коллекторе системы отопления (10) по сигналу от комнатных термостатов (12).
 
Рис. 8 - Схемы
1 — ввод в квартиру; 2 — датчик расхода воды; 3 — теплосчетчик;
4 — датчик температуры; 5—регулятор перепада давления (прямого действия); 6— термостатический клапан (прямого действия); 7 — обратный клапан; 8 — циркуляционный насос; 9 — байпас; 10 — коллектор системы отопления; 11 — электропривод; 12 — комнатный термостат
13 — теплообменник; 14 —запорные клапаны для промывки теплообменника; 15 — подпитка системы отопления; 16 — мембранный расширительный бак.
Отдельный ввод в квартиру, независимое подключение к системе центрального отопления, количественное регулирование.
Применение выделенной байпасной линии является обязательным условием в тех случаях, когда в конструкции системы отопления полом при отсутствии узлов подмеса отсутствуют ветви полотенцесушителей. В противном случае возможен выход из строя циркуляционных помп ввиду отсутствия циркуляции. Не рекомендуется выключать помпу на время межсезонья. Дело в том, что после нескольких месяцев нахождения в нерабочем состоянии помпа может сама не запуститься, и ротор придется «раскручивать» принудительно. Если же запуск будет производить не специалист, он может не заметить отсутствия вращения ротора, и помпа выйдет из строя.
• До начала заливки системы следует обратить внимание на давление накачки экспанзомата.
• Основная задача при запуске системы - удаление из нее воздуха. При отключенных насосах система заполняется до давления, на 15% превышающего статическое давление столба теплоносителя в вертикальной части трубопроводов - Р0. Поддерживая подпиткой этот уровень давления, стравливают воздух и воздухоотводчиков. Только после этого включают насосы на малой скорости. Затем вручную клапанами перекрывают все ветви, оставляя открытой одну, и добиваются ее полного обезвоздушивания. Таким образом «продавливают» каждую из ветвей - в особенности это относится к ветвям отопления полом, для которых эту операцию необходимо проделывать несколько раз в течение нескольких дней ввиду того, что невозможно выгнать воздух из достаточно длинных змеевиков сразу.
• После этого повышают температуру в системе до рабочей (85°С) и поднимают давление до уровня срабатывания аварийного клапана, выдерживают в течение 30 мин., после чего производят контроль герметичности соединений.
• Система должна быть испытана давлением в 1,5 раза превышающим рабочее (но не менее 0,6bar) в течение не менее 2,5 часов, все соединения должны при этом сохранять герметичность. Затем давление уменьшают до минимума (Р0) и производят контрольную протяжку всех резьбовых фитингов. Рекомендуется повторить этот цикл дважды, второй раз - при комнатной температуре. После этого устанавливают рабочее давление в системе: Р=1.2хР0 при комнатной температуре или Р=1.5хР0... 1.8хР0при рабочей (85°С).
• Необходимо провести контрольные замеры параметров системы по истечении 7-ми и 14-ти дней с начала эксплуатации в рабочем режиме. Снижение давления за вторую неделю должно быть в несколько раз меньшим, чем за первую (замеры делаются при одной и той же температуре).
• Для проверки корректности работы автоматики котельного оборудования, необходимо несколько раз проверить срабатывание рабочих и аварийных термостатов при перегреве и выполнение всех режимов цикличности на разных температурах.
Компенсация движения стяжки
В любой пластине отопления возникают движения, которые происходят преимущественно из за усадки и температурных удлинений. Эти движения осуществляются преимущественно в направлении основного удлинения пола т.е. в горизонтальной плоскости.
Появления неконтролируемых трещин и выпячиваний, возникающих в стяжке в результате таких движений, можно избежать путем ограничения площади стяжки и правильного расположения специальных разделительных швов.
Удлинение, вызванное изменением температуры, рассчитывается по следующей формуле:
A1=а х 1 х At
Где а - коэффициент линейного расширения, К-1
I - начальная длина плиты, который может претерпеть удлинение, м
At - разница температуры работы и температуры при монтаже, К
а=1.1х10-5
Компенсацию температурных удлинений следует учитывать на стадии проектирования. Необходимо правильно составить план расположения швов.
Расположение швов
• По краям стяжки для компенсации расширения.
• Для ограничения площади, занимаемой стяжкой (не более 40 м2
; максимальная длинна стороны 8 м; соотношение сторон а/b > 1/2).
• Над деформационными швами несущих конструкций.
• В дверных проемах.
• При сложной конфигурации пола.
Неправильное расположение и устройство швов является наиболее распространенной причиной появления дефектов стяжки.

Рис.9 - Устройство швов в конструкции пола
Необходимо согласовать схему укладки и расположение стяжек:
• Контур должен быть уложен так чтобы трубы не пересекали деформационные швы.
• Только подводящие трубы могут пересекать деформационные швы.
• В местах пересечения трубы со швом ее необходимо укладывать в защитной гофрированной трубе по 20 см от шва с каждой стороны.
• При использовании твердых покрытий для пола, например керамической плитки шов должен подниматься до поверхности пола.
Для создания эффективной системы отопления полом необходимо выполнение определенных технологических требований:
• Поверхность основания пола должна быть чистой и ровной. Допускаются неровности и выступы не более 10 мм. В противном случае необходимо произвести выравнивание "чернового" пола с помощью дополнительной выравнивающей стяжки. Полы в помещениях, примыкающих непосредственно к грунту, должны иметь надежную гидроизоляцию. В целом конкретное решение о необходимости гидроизоляции и выборе соответствующего ее типа принимается на месте строительства и в конкретном случае.

Рис. 9 - Раскладка краевой ленты
После выравнивания поверхности основания и примыкающих к нему участков стен необходимо вдоль боковых стен уложить краевую ленту Краевая лента должна быть уложена вдоль всех стен, обрамляющих помещение, стоек, дверных коробок, отводов и т.п. Лента должна выступать над запланированной высотой конструкции пола минимум на 20 мм.

Рис.10 - Раскладка теплоиэолятора
После этого на бетонной конструкции перекрытия необходимо разложить теплоизоляционный материал с фольгелизированным покрытием и с напечатанной сеткой, облегчающей монтаж спиралей труб с определенным в проекте шагом. Начинать укладку пенопласта необходимо с угла комнаты наиболее удаленного от распределительной гребенки. Теплоизолятор укладывается встык, при этом фольга должна быть сверху.
В случае если в качестве теплоизоляционного материала используется обычный пенопласт, то перед нанесением стяжки изоляционный слой следует закрыть полиэтиленовой пленкой (толщина 0,2 мм и более). Это необходимо во избежание растекания стяжки по швам изоляционного материала, что приводит к ухудшению тепло и звукоизоляции, и впитыванием изоляционным материалом воды из стяжки, что может ухудшить условия её отвердевания.
В местах стыка полос пленки необходимо обеспечить минимальный перехлест в 8-10 см. Для пенопласта без фольги укрытие пленкой сверху обязательно, пенопласт с фольгой может не накрываться, а пленка может подкладываться под пенопласт, при этом края ее у стен заворачивают и кладут сверху на теплоизолятор. При нанесении плавающей стяжки защитную пленку лучше приклеить или приварить, чтобы обеспечить водонепроницаемость
Раскладка трубы
Трубы раскладываются непосредственно на пенопласте и крепятся при помощи якорного крепежа, вбитого в пенопласт. Для крепления труб можно также использовать направляющие с самоклеющейся пленкой, либо использовать плиты из пенополистирола, уже имеющего выступы для крепления трубы. Направляющие накладываются на пленку или фольгу основанием с самоклеющейся лентой с шагом не менее 1 м. друг от друга. Якорный крепеж устанавливается на расстоянии 0,3-0,5 м. друг от друга. Он удерживает трубу на изоляции за счет зубцов на концах крепления. Вдавливание якорного крепежа в теплоизолятор возможно в ручную, либо с использованием специального инструмента. Перед укладкой трубы один ее конец крепится к распределителю, после чего производится укладка трубы согласно параметрам контура, начиная с внешней стороны змеевика. Доведя трубу до гребенки, ее отрезают с небольшим запасом)

Рис.11 - Испытание на герметичность
В случае применения половых покрытий из керамики или мраморных плит рекомендуется разложить на трубах сетку с толщиной проволоки 3 мм или больше и размером ячейки 100x100 мм. с целью армирования бетона. Армирование должно быть прервано в районе разделительных швов. Разделительные швы необходимо применять, если длина бетонной плиты превышает 8 м, минимальная ширина шва должна составлять 5 мм. Перед бетонированием труб необходимо провести испытания продолжительностью 24 часа при давлении 6 бар. Во время бетонирования трубы должны быть под давлением около 3 бар температура воды около 20С. Эта температура должна оставаться на все дни затвердевания бетона (21-28 дней)
• Системы отопления попом (СОП) бурно развиваются в последние годы и смогли завоевать всеобщее признание как идеальные системы отопления. Системы отопления полом на основании технологии фирмы "HENCO" наилучшим образом отвечают требованиям предъявляемым к современным системам отопления.
• Не отрицая важности стремления разработчиков энергосистем к повышению их экономичности и экологичности, необходимо все же уточнить, что главной идеей систем отопления полом было создание максимально удобной для человека среды. Температурный комфорт для человека достигается поддержанием теплового равновесия между выделяемым его организмом количеством тепла в окружающую среду и теплоотдачей системы отопления.
• На основании теплофизических исследований тела человека была построена идеальная кривая распределения температуры по высоте помещения, соответствующая максимальному тепловому комфорту. Сравнение графиков распределения температур при различных способах отопления показывает, что температурный график систем отопления полом наиболее близко подходит к идеальной кривой, по сравнению с другими системами отопления.
Идеальная кривая, а также пола и радиаторов
• Одним из основных факторов при выборе систем отопления являются здоровье и гигиена.
Список литературы
1. http://office-sars.narod.ru Тепловые технологии «Юг-Сервис»
2. http://magicfl.ru Ландшафтно-строительная компания «Югославстройсервис»
3. http://wila.ru торговый дом «ТТМ»
|