ФГОУ ВПО КГСХА
Кафедра строительных конструкций
Курсовая работа
по курсу: «Металлические конструкции» на тему:
«Расчет и конструирование стальных несущих элементов
промышленной этажерки»
Выполнил: студент4 курса
2 группы ПГС Грачёв М.С.
Проверил: Потехин И.А.
Кострома 2005 г.
З А Д А Н И Е
к курсовой работе для студентов специальности ПГС на тему
«Расчет и конструирование основных элементов
металлической промышленной этажерки»
1. Общая характеристика
Промышленная этажерка
– это промышленное сооружение, предназначенное для размещения на ней технологического оборудования. Промышленные этажерки могут быть открытыми
или расположенными внутри
основного производственного здания
Основной несущей конструкцией этажерки является каркас,
состоящий из следующих элементов: колонн, ригелей
, вертикальных связей
и горизонтальных жестких дисков – перекрытий
, расположенных друг над другом.
Количество перекрытий и расстояния между ними определяются требованиями технологического процесса. Перекрытие этажерки включает в себя настил
и балочную клетку.
Настил
может быть из сборных ж/б плит, монолитным железобетонным или металлическим.
Балочная клетка
– конструкция, состоящая из системы пересекающихся балок и поддерживающая настил перекрытия. Различают три типа
балочных клеток – упрощенный, нормальный и усложненный.
Балочная клетка
упрощенного типа
состоит из одного ряда балок, уложенных с определенным шагом, к которым крепится настил.
Балочная клетка
нормального типа
состоит из двух рядов балок: главных
балок, опирающихся на колонны, и второстепенных
балок (балок настила), опирающихся на главные балки.
Балочная клетка усложненного типа
состоит из трех рядов балок: главных
балок, опирающихся на колонны, второстепенных
балок, опирающихся на главные балки, и балок настила
, опирающихся на второстепенные балки.
В зависимости от способа крепления
балок друг к другу и балок к колоннам различают крепление шарнирное
(на болтах) и жесткое
(на сварке).
В зависимости от положения балок относительно друг друга различают три вида сопряжения – этажное сопряжение, сопряжение в одном уровне и пониженное сопряжение.
Этажное сопряжение более удобно для монтажа, но приводит к большой строительной высоте перекрытия; сопряжение в одном уровне и пониженное позволяет уменьшить строительную высоту, но усложняет конструкцию. При этажном сопряжении крепление считается шарнирным, при сопряжении в одном уровне возможно и шарнирное, и жесткое крепление. Балочные клетки усложненного типа имеют, как правило, пониженное сопряжение главных и вспомогательных балок и сопряжение в одном уровне главных балок и балок настила.
2. Общие исходные данные для расчета и проектирования промышленной этажерки
Промышленная этажерка имеет следующие характеристики:
- выполнена из стали С245;
- находится внутри производственного здания;
- имеет одно перекрытие;
- тип нормальный;
- сопряжение балок этажное;
- крепление главных балок к колоннам и вспомогательных балок к главным шарнирное;
- сетка колонн состоит из 9-ти ячеек с размерами LxB, где L – шаг колонн в продольном направлении, B – шаг колонн в поперечном направлении;
- настил – сплошной стальной лист.
Забиваем Сайты В ТОП КУВАЛДОЙ - Уникальные возможности от SeoHammer
Каждая ссылка анализируется по трем пакетам оценки: SEO, Трафик и SMM.
SeoHammer делает продвижение сайта прозрачным и простым занятием.
Ссылки, вечные ссылки, статьи, упоминания, пресс-релизы - используйте по максимуму потенциал SeoHammer для продвижения вашего сайта.
Что умеет делать SeoHammer
— Продвижение в один клик, интеллектуальный подбор запросов, покупка самых лучших ссылок с высокой степенью качества у лучших бирж ссылок.
— Регулярная проверка качества ссылок по более чем 100 показателям и ежедневный пересчет показателей качества проекта.
— Все известные форматы ссылок: арендные ссылки, вечные ссылки, публикации (упоминания, мнения, отзывы, статьи, пресс-релизы).
— SeoHammer покажет, где рост или падение, а также запросы, на которые нужно обратить внимание.
SeoHammer еще предоставляет технологию Буст, она ускоряет продвижение в десятки раз,
а первые результаты появляются уже в течение первых 7 дней.
Зарегистрироваться и Начать продвижение
3. Численные исходные данные
(следует выбрать из таблицы 1 согласно своему шифру)
Таблица 1
| Вторая цифра шифра |
Размеры ячейки |
Отметка верха настила |
Третья цифра шифра |
Нормативная нагрузка от технологического оборудования, Pн в КПа |
| 1 |
5x3 |
3,6 |
1 |
24 |
| 2 |
6x4 |
4,2 |
2 |
26 |
| 3 |
7x5 |
4,8 |
3 |
12 |
| 4 |
8x6 |
5,4 |
4 |
14 |
| 5 |
9x7 |
6,0 |
5 |
16 |
| 6 |
10x8 |
7,8 |
6 |
18 |
| 7 |
9x6 |
6,6 |
7 |
20 |
| 8 |
8x5 |
7,2 |
8 |
22 |
| 9 |
7x4 |
8,0 |
9 |
28 |
| 0 |
6x3 |
5,6 |
0 |
30 |
4. Содержание расчетно-пояснительной записки
- Выбор толщины стального настила по рекомендациям в зависимости от нагрузки, вычисление расчетного пролета стального настила и назначение шага вспомогательных балок
- План балочной клетки с указанием всех размеров
- Сбор нагрузок на 1 м2
поверхности перекрытия и на 1 м по длине балок – вспомогательной и главной
- Подбор профиля вспомогательной балки
- Компоновка сечения сварной главной балки и основные проверки
- Подбор сечения колонны
- Узел сопряжения вспомогательной и главной балок
- Узел сопряжения главной балки с колонной
- База колонны
Содержание:
1. Выбор толщины стального настила, вычисление расчетного пролета
стального настила и назначение шага вспомогательных балок
2. План балочной клетки
3. Сбор нагрузок на элементы балочной клетки
4. Подбор профиля вспомогательной балки
5. Компоновка сечения сварной главной балки и обеспечение ее надежности
6. Основные проверки:
1) Проверка прочности опорного сечения по касательным напряжениям:
2)Проверка прочности среднего сечения по нормальным напряжениям3)Проверка прочности по местным напряжениям
4)Проверка общей устойчивости балки5)Проверка местной устойчивости полки
6)Проверка местной устойчивости стенки7. Расчет опорной части балки8. Подбор сечения сплошной центрально сжатой колонны
9. Оформление оголовка колонны
10. Оформление базы колонны
11. Узел опирания балки настила на главную балку
12. Узел опирания главной балки на оголовок колонны
13. Список использованной литературы.
Исходные данные:
L х В = 6 х 4 м
Рн = 30 кПа
Отметка верха настила (ОВН) = 4,2 м
Требуется:
спроектировать балочную клетку.
1.
Выбор толщины стального настила, вычисление расчетного пролета стального настила и назначение шага вспомогательных балок.
Толщину стального настила можно назначить по рекомендации в зависимости от нагрузки:
| Рн, кПа |
 |
11…20 |
21…30 |
 |
| δ, мм |
6…8 |
8…10 |
10…12 |
12…14 |
Для Рн = 30 кПа примем δ = 14 мм
Определим расчетный пролет стального настила. Для этого определим величину нагрузки по формуле:
, где
g – собственный вес листового настила (кН/м )
γ – удельный вес листового настила (кН/м )
(кН/м )

Запишем условие жесткости:
, где
n - величина, обратная предельному относительному прогибу настила: 
Предельный относительный прогиб настила: 
, где = 0.3 для стали

Подставим имеющиеся данные в условие жесткости:

Определим расчетный пролет настила:
Сервис онлайн-записи на собственном Telegram-боте
Попробуйте сервис онлайн-записи VisitTime на основе вашего собственного Telegram-бота:
— Разгрузит мастера, специалиста или компанию;
— Позволит гибко управлять расписанием и загрузкой;
— Разошлет оповещения о новых услугах или акциях;
— Позволит принять оплату на карту/кошелек/счет;
— Позволит записываться на групповые и персональные посещения;
— Поможет получить от клиента отзывы о визите к вам;
— Включает в себя сервис чаевых.
Для новых пользователей первый месяц бесплатно.
Зарегистрироваться в сервисе
ℓ = 40∙ δ = 40∙ 0.014 = 1,12 м
Примем ℓ = 1 м кратно шагу колонн.
Проведем проверку жесткости:
, где



Подставим имеющиеся данные в формулу для ƒ :
м = 0,8см
α = 0,46
Определим ƒmax:
см
Определим относительный прогиб:
<
Условие жесткости выполняется. Следовательно, расчетный пролет стального настила подобран верно.
Для назначения шага балок настила воспользуемся приближенной зависимостью формулы Телояна:
, где
ℓ – расчетный пролет настила
м
Найдем число балок настила:

Примем 6 балок настила в одной ячейке и вычислим шаг балок настила:

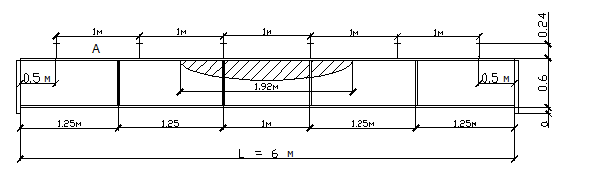
2. План балочной клетки
.

К – колонна
ГБ – главная балка
БН – балка настила
L – шаг колонн в продольном направлении или пролет ГБ
В - шаг колонн в поперечном направлении или пролет БН, или шаг ГБ
a – шаг БН или пролет листа настила
3.
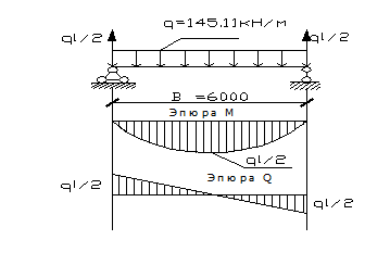
Сбор нагрузок на элементы балочной клетки
Нагрузки на 1 м перекрытия:
Погонные нагрузки на 1м длины балки настила:
, где
- коэффициент надежности по нагрузке.
кН/м

кН/м

4. Подбор профиля вспомогательной балки:

кН∙м
кН
Определим требуемый момент сопротивления из условия прочности по нормальным напряжениям с учетом пластической работы материала:
,
где
W - момент сопротивления ослабленного сечения, определенного по упругой области работы элемента
с - коэффициент, учитывающий увеличение момента сопротивления сечения при работе в области пластических деформаций (для двутавра с = 1.12)
R - расчетное сопротивление по пределу текучести
- коэффициент условий работы
Для стали:
=
240 МПа
= 1.1 (по таблице 6 СНиПа «Стальные конструкции»)
Подставим имеющиеся данные в формулу для
:
м = 230 см
По сортаменту принимаем двутавр № 22 со следующими характеристиками:
см
см
Масса одного метра составляет 21 кг
Выполним проверку на жесткость:
при 

> 
Условие не выполняется.
Выбираем двутавр № 24 со следующими характеристиками:
см
см
b = 115 мм
F = 38,4см
Масса одного метра составляет 27,3 кг
Снова выполним проверку на жесткость:
>
Условие выполняется. Принимаем окончательно двутавр № 24.
Погонные нагрузки на 1м длины главной балки:
, где
g - собственный вес балки настила
кН/м

кН/м
5.
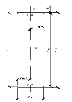
Компоновка сечения сварной главной балки и обеспечение ее надежности
6.

кН/м
кН∙м
кН
Определим требуемый момент сопротивления:
м = 2240 см

Оптимальную высоту балки можно найти из условия жесткости:


Из данной формулы выразим I :

м = 68000 см

Отсюда:
м
Значение h удовлетворяет условию: h  Принимаем h = 0.6 м
Тогда толщина стенки двутавра:


Принимаем = 9 мм
Высота полочки:
Примем
мм
Примем 18 мм
мм
мм

Выразим b из данного выражения:

см
Необходимо выполнение условия: b 200 мм. Поэтому, принимаем b = 24 см.
Определим геометрические характеристики сечения:
см

см
см

6. Основные проверки
1) Проверка прочности опорного сечения по касательным напряжениям:

Производится по формуле:
, где
R - расчетное сопротивление стали сдвигу
, где
- коэффициент надежности по материалу ( = 1.025)
= 245 МПа
МПа
Rs
*1.1=138.63*1.1=152.46МПа
МПа
83,3<152.46
Условие выполняется. Следовательно, сечение подобрано верно.
2) Проверка прочности среднего сечения по нормальным напряжениям:
Производится по формуле:
, где
R - расчетное сопротивление стали сжатию



см
МПа
Условие прочности выполняется.
3) Проверка прочности по местным напряжениям:
В данном случае проверяется точка, принадлежащая стенке балки, непосредственно под балкой настила по формуле:
, где
F – сила давления от балки настила на главную балку.
- условная длина распределения локальной нагрузки.


Для двутавра № 24 b = 115 мм.
мм
кН
МПа
Условие прочности выполняется.
4) Проверка общей устойчивости балки:
Данная проверка производится по формуле:
, где (1)
- коэффициент, определяемый по приложению 7 СНиПа II–23–81 «Стальные конструкции».
W - следует определять для сжатого пояса.
Если выполняется неравенство: , то условие (1) можно не проверять.
Величину примем по таблице 8 СНиПа II–23–81 «Стальные конструкции» из расчета, что нагрузка приложена к верхнему поясу:
, где
b – ширина сжатого пояса
t – толщина сжатого пояса
h – расстояние между осями поясных листов
Определим отношение :

должно составлять не менее 15. Следовательно, принимаем .
Подставим данное значение в формулу для нахождения предельной величины:

- коэффициент, определяемый по п. 5.20. СНиПа II–23–81 «Стальные конструкции» по формуле:
, где
, если выполняется условие 
(условие не выполняется).
С1
=1,05*Вс

С1
=1,05*0,924=0,97 Принимаем с1
=1
Подставим полученные значения в формулу для δ:

Найдем :


Условие выполняется. Проверку по формуле (1). приложения 7 СНиПа II–23–81 «Стальные конструкции» проверять не требуется
5) Проверка местной устойчивости полки:
Производится по неравенству:
, где значение предельной величины определяется по таблице 30 СНиПа II–23–81 «Стальные конструкции».
Сначала проверим условие:


Данное условие выполняется, следовательно, выбираем формулу для граничного значения из примечания к таблице 30:

см
мм = 11,55 см

Условие см выполняется.
6) Проверка местной устойчивости стенки:
Устойчивость стенок балок не требуется проверять, если соблюдается следующее неравенство:
, где
- условная гибкость стенки.
2.5 – коэффициент, значение которого не должна превышать условная гибкость стенки при наличии местного напряжения в балках с двусторонними поясными швами.

Следовательно, расстановку ребер проведем конструктивно.
Согласно правилам расстановки ребер жесткости этажных сопряжений балок в зоне образования пластического шарнира ребра жесткости устанавливаются под каждой балкой настила. На остальных участках ребра жесткости устанавливают под балками настила с шагом, не превышающим предельно допустимый.
Выявим зону образования пластического шарнира:

м
Согласно п. 7.10. СНиПа II-23-81* «Стальные конструкции», расстояние между основными поперечными ребрами в случае, если , не должно превышать 2.5 , т.е 2.5∙56,4 = 141 см.
Допускается превышать указанное выше расстояние между ребрами до значений
3 , т.е 3∙56,4 = 169,2 см при условии, что стенка балки удовлетворяет проверкам по пп. 7.4* ( в нашем случае данную проверку проводить не нужно, так как ), 7.6* (проверку проводить не нужно, так как ), 7.7 (проверка не нужна, так как в нашей системе отсутствует продольное ребро жесткости), 7.8 (проверка не нужна, так как в нашей системе отсутствуют короткие поперечные ребра жесткости), 7.9 ( проверка не выполняется, так как в данном пункте описывается расчет на устойчивость стенок балок ассиметричного сечения) и общая устойчивость балки обеспечивается выполнением требований п. 5.16*,а или 5.16*,б ( см проверку общей устойчивости балки).
Таким образом, определим максимальный шаг расстановки ребер жесткости:

см
Также по п. 7.10, в стенке, укрепленной только поперечными ребрами, ширина их выступающей части для одностороннего ребра должна быть не менее ( принимаем = 0.5 м) , а толщина ребра должна быть не менее 

7.
Расчет опорной части балки.

Запишем условие прочности на смятие торца ребра:
, где
- расчетное сопротивление стали смятию боковой поверхности, определяющееся по таблице 1* СНиПа «Стальные конструкции»:
, где
- временное сопротивление стали разрыву, принимаемое равным минимальному значению по государственным стандартам и техническим условиям на сталь по таблице 52* СНиПа «Стальные конструкции»
- коэффициент надежности по материалу, принимаемый по таблице 2.
МПа
Зададимся шириной ребра = 24 см ( см). Определим толщину ребра:
, где
Q – поперечная сила на опоре, равная 305.76 кН
мм
Принимаем толщину ребра = 8 мм.
Проверим опорный участок балки на устойчивость:

=16,88 см
Запишем условие прочности:
,
где
= 1

А=24*0,8+16,88*0,9=34,39 м
кН
-коэффициент продольного изгиба, определяющийся через условную гибкость :
, где
- радиус инерции, определяющийся по формуле:
,
где
см
см

Определим
по таблице 72СНиПа «Стальные конструкции»:

Подставим полученные значения в формулу условия прочности:
Условие выполняется.
Определим величину выпуска ребра за нижнюю полку:
мм

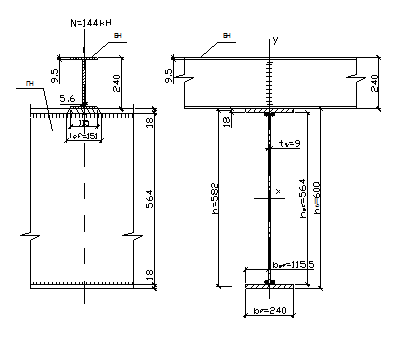
8. Подбор сечения сплошной центрально сжатой колонны.

Определим усилие на колонну:
кН
Определим расчетную длину колонны:
, где
ОВН – отметка верха настила
- высота балки настила, м
- высота главной балки, м
- выступающая часть опорного ребра главной балки, м
- толщина настила, м
Закрепление колонны по обоим концам шарнирное, следовательно, = 1.
м
Запишем условие устойчивости:
Зададимся значением условной гибкости
в диапазоне от 70 до 100.
Примем
= 100. Тогда по таблице 72 СНиПа «Стальные конструкции»
= 0.542.
Из условия устойчивости выразим требуемую площадь сечения колонны:
Определим требуемый радиус инерции:
мм
Подберем профиль сплошной центрально сжатой колонны по сортаменту учебника Е.И.Беленя «Металлические конструкции»( приложение 14 таблица 8).
Принимаем трубу со следующими параметрами:
D = 219 мм
t = 8 мм
А = 53 см
i = 7,47 см
Вычислим фактическую гибкость колонны:


Подставим полученные значения в условие устойчивости:
Условие выполняется. Следовательно, профиль сплошной центрально сжатой колонны подобран верно.

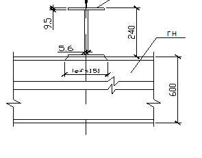
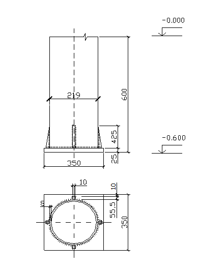
9. Оформление оголовка колонны.

Толщина плиты принимается в пределах от 20 до 25 мм. Примем
= 25 мм. Ширину плиты вычислим по следующей зависимости:
см
Вычислим ширину ребра:

мм
Толщину ребра определим из условия прочности ребра на смятие:
, где
- условная длина смятия, определяющаяся по формуле:

мм
Подставим полученное значение в условие прочности ребра на смятие:
мм
Принимаем =12 мм.
Высоту ребра найдем из условия прочности сварных швов на срез по металлу шва:
, где
- расчетное сопротивление угловых швов срезу по металлу шва, принимаемое по таблице 56 СНиПа «Стальные конструкции».
Выразим из данного выражения:

Для электрода типа Э42 значения величин будут следующими:

Значение определим из таблицы 34 СНиПа «Стальные конструкции». Для автоматической сварки при диаметре сварочной проволоки 4 мм и нижнего положения шва = 0.9.
Таким образом:

м
Примем 
Проведем проверку прочности ребра на срез:

Rs
=0.58Ry
=0.58*240=139.2

Условие выполняется.

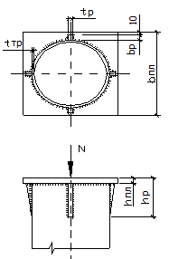
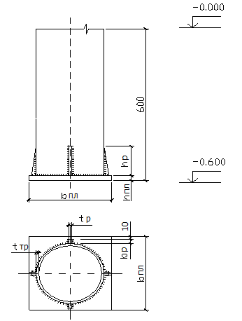
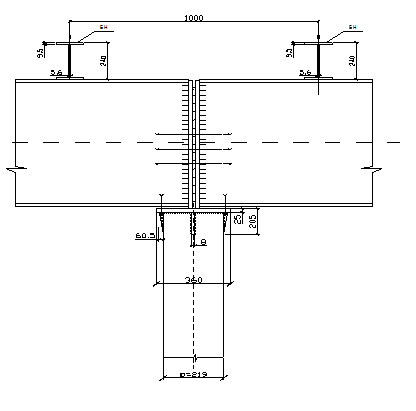
10. Оформление базы колонны.

Роль траверсы могут выполнять консольные ребра. Для компоновки базы колонны берутся значения основных параметров в следующих диапазонах:
= 20…40 мм
= 10…16 мм
, где 
Ширина плиты вычисляется следующим образом:
, где определяется из условия прочности фундамента на сжатие.

Примем = 7 МПа. Тогда:

м
Примем мм.
Также примем
= 25 мм, = 10 мм, = 5 мм, мм.
Определим выступ ребра:
мм

11. Узел опирания балки настила на главную балку.

12. Узел опирания главной балки на оголовок колонны.

Список использованной литературы:
1. СНиП 2.О1.О7-75. Нагрузки и воздействия. Нормы проектирования.- М.: Стройиздат, 1987.
2. СНиП II-23-81*. Стальные конструкции. Нормы проектирования.- М.: Стройиздат, 1990.
3. Инженерные конструкции / Под ред. проф. В.В.Ермолова. – М.: Высшая школа, 1991.
4. Металлические конструкции / Под общ. ред. проф. Е.И.Беленя. - М.: Стройиздат,1976.- 576 с.
5. К.К.Муханов. Металлические конструкции.-М.:Стройиздат, 1978.- 576 с.
6. Металлические конструкции. Справочник проектировщика/Под ред. акад. Н.П.Мельникова.- М.:Стройиздат,1980.- 776 с.
|