Контрольная работа
"Наркозные аппараты"
1. Что представляет собой наркозный аппарат?
Современнее и точнее называть наркозный аппарат системой обеспечения анестезии. Функция первых наркозных аппаратов сводилась к подаче пациенту смеси ингаляционных анестетиков и жизнеобеспечивающих газов. Современные системы обеспечения анестезии включают не только подачу газообразных и жидких ингаляционных анестетиков и кислорода, но также базовый мониторинг и автоматическую вентиляцию легких пациента. Сегодня фактически невозможно продать наркозный аппарат, не оснащенный испарителями, мониторами давления в дыхательных путях, потока и кислорода, а также автоматическим респиратором.
2. Для чего предназначены наркозные аппараты?
Главное предназначение наркозных аппаратов — помочь анестезиологу сохранить жизненно важные функции пациента, обеспечить его безопасность и адекватную анестезию.
3. Существуют ли различные модели наркозных аппаратов?
Обычно доступны наркозные аппараты разных производителей и в разных модификациях. В настоящее время наркозные аппараты стали более стандартизированными. Сегодня в США существует два главных производителя: Drdgerи Datex-Ohmeda. Хотя между наркозными аппаратами этих двух производителей есть различия, существует и много общего. С одной стороны, сходство обусловлено требованиями пользователей, с другой — государственными и промышленными стандартами.
4. Система подачи газов — это, в первую очередь, система соединений. Упростим схему этих соединений, чтобы рассмотреть главные блоки
Если не учитывать элементы безопасности и мониторинга, наркозный аппарат можно разделить на три части (рис. 17.1).

1.Блок формирования газовой смеси, или система подачи газов, обеспечивает выход определенной газовой смеси, соответствующей выбору пользователя.
2.Система вентиляции пациента включает дыхательный контур, абсорбер, респиратор, а иногда — приборы для наблюдения за давлением газа и его расходом.
3.Система удаления отработанных газов собирает избыточные газы из контура пациента и устройства формирования газовой смеси и выводит эти газы за пределы больницы. Таким образом, снижается воздействие ингаляционных анестетиков на персонал, работающий в операционной.
Забиваем Сайты В ТОП КУВАЛДОЙ - Уникальные возможности от SeoHammer
Каждая ссылка анализируется по трем пакетам оценки: SEO, Трафик и SMM.
SeoHammer делает продвижение сайта прозрачным и простым занятием.
Ссылки, вечные ссылки, статьи, упоминания, пресс-релизы - используйте по максимуму потенциал SeoHammer для продвижения вашего сайта.
Что умеет делать SeoHammer
— Продвижение в один клик, интеллектуальный подбор запросов, покупка самых лучших ссылок с высокой степенью качества у лучших бирж ссылок.
— Регулярная проверка качества ссылок по более чем 100 показателям и ежедневный пересчет показателей качества проекта.
— Все известные форматы ссылок: арендные ссылки, вечные ссылки, публикации (упоминания, мнения, отзывы, статьи, пресс-релизы).
— SeoHammer покажет, где рост или падение, а также запросы, на которые нужно обратить внимание.
SeoHammer еще предоставляет технологию Буст, она ускоряет продвижение в десятки раз,
а первые результаты появляются уже в течение первых 7 дней.
Зарегистрироваться и Начать продвижение
5. Является ли стандартной для всех наркозных аппаратов возможность использования трех газов — воздуха, кислорода (Ог) и закиси азота (N2
0)?
Вероятно, такая комбинация газов распространена наиболее широко. Вместе с тем, используются и другие комбинации. Применение 02
и N2
0 возможно почти на всех наркозных аппаратах. Третий газ может отсутствовать или быть представлен гелием (Не), гслиоксом (смесь Не и 02
), углекислым газом (С02
) или азотом (N2
). Если третий газ не содержит 02
(как он содержится в воздухе или гелиоксе), возможно поступление (опасной) гипоксиче-ской смеси пациенту.
6. Из каких источников поступают газы?
В обычных условиях газ для наркозных аппаратов в стационаре поступает из центральной системы газоснабжения, называемой «газовой разводкой». Магистрали системы проведены в операционную. В баллонах, прикрепленных к наркозному аппарату, хранится газ для снабжения во внештатной ситуации. Чтобы быть уверенным в наличии адекватного количества резервного газа в случае отказа центральной системы, следует ежедневно проверять состояние этих баллонов.
7. Что такое редуктор и как он регулирует поступление газа из баллона?
Газ в баллонах находится под давлением около 150 атм. Манометры обычно калибруют так, чтобы при атмосферном давлении они показывали 0, а действительное значение отражало давление сверх атмосферного. Для «работы» наркозного аппарата требуется давление, близкое к 15 атм., что примерно соответствует давлению газа в центральной разводке. Редуктор используется для снижения давления. Он сконструирован так, чтобы давление на выходе было постоянным вне зависимости от исходного давления и потока газа. Баллоны разных газов имеют отдельные редукторы. Редукторы настраивают так, чтобы давление на выходе из них было несколько ниже давления в центральной разводке. После этого центральную разводку и баллоны с редукторами соединяют с контрольным клапаном. Контрольный клапан выбирает для использования аппаратом источник газа с более высоким давлением. Таким образом, в обычных условиях используется система центрального газоснабжения, а баллоны — только при ее отказе.
8. Вы установили новый баллон N2
0. Манометр показал, что давление в нем составляет лишь около 51 атм. Отличается ли давление, создаваемое N2
0 в баллоне, от давлений других газов?
В условиях комнатной температуры N2
0 находится в жидком состоянии и создает давление 51 атм. В отличие от жидкости N2
0, содержащиеся в баллонах при комнатной температуре воздух и 02
— это сжатые газы. Давление в баллоне остается одинаковым до тех пор, пока в баллоне имеется хотя бы капля жидкой закиси азота. Баллоны N2O, которые прикреплены на задней панели наркозного аппарата, содержат жидкое вещество, 1 кг которого превращается в 500 л газа. Чтобы узнать, какое количество 02
или воздуха содержится в баллоне, необходимо его объем умножить на давление (показания манометра).
Сервис онлайн-записи на собственном Telegram-боте
Попробуйте сервис онлайн-записи VisitTime на основе вашего собственного Telegram-бота:
— Разгрузит мастера, специалиста или компанию;
— Позволит гибко управлять расписанием и загрузкой;
— Разошлет оповещения о новых услугах или акциях;
— Позволит принять оплату на карту/кошелек/счет;
— Позволит записываться на групповые и персональные посещения;
— Поможет получить от клиента отзывы о визите к вам;
— Включает в себя сервис чаевых.
Для новых пользователей первый месяц бесплатно.
Зарегистрироваться в сервисе
9. Перечислите, как в наркозных аппаратах используют 02
.
•Частично или полностью обеспечивается приток свежего газа.
•Обеспечивается экстренная подача 02
•Включает работу тревожной сигнализации нижнего предела 02
(Datex-Ohmeda).
•На аппаратах Drager при использовании вместе с N2
0 включает мониторы, предупреждающие о поступлении гипоксической смеси пациенту.
•Включает клапан обеспечения безопасности.
•Приводит в движение респиратор.
10.Как убедиться в том, что открытие вентиля О2 на наркозном аппарате обеспечило подачу действительно этого газа?
1. Разъемы системы газоснабжения сделаны так, что штекеры 02
могут подойти только к гнездам 02
центральной разводки, штекеры N2
0 — к гнездам N2
0 и т.д. Эта система обозначается как система безопасности с индексированным диаметром контакта (DISS) или схожими по смыслу именами. Разные производители выпускают одинаковые системы. Между тем, в одном стационаре обычно применяют (и должны применяться) системы одного производителя.
2.Газовые баллоны подключают к аппарату с помощью индексированного штырькового контакта. Таким образом, только правильно подобранный баллон может быть присоединен к соответствующему разъему наркозного аппарата.
3.Все наркозные аппараты должны оснащаться мониторами, следящими за концентрацией поступающего к пациенту 02
. Падение концентрации 02
ниже установленного уровня приведет к включению сигнала тревоги мониторов.
11.Что еще может помочь избежать человеческой ошибки при работе с различными газами?
Во-первых, ручка вентиля 02
имеет глубокие борозды. Ручки вентилей других газов имеют шероховатую поверхность. Во-вторых, существует цветовой код, в соответствии с которым ручки вентилей, ротаметры, баллоны и магистрали центральной разводки каждого газа окрашены в определенный для данного газа цвет. В США в отношении кислорода принят зеленый цвет, для воздуха — желтый, а для N2
0 — голубой. Международные стандарты отличаются от стандартов, принятых в ряде стран, включая США. Заметьте, что в Германии 02
соответствует голубой, а ручку дозиметра этого газа всегда располагают слева. Таким образом, человеку, занимающемуся проведением анестезий и в одной, и в другой стране, легко перепутать 02
и N2
0.*
12.Чем отличается снабжение газом из центральной системы от снабжения из баллонов?
Действительные различия двух источников сводятся лишь к рабочему давлению и доступному объему газа. Для практических целей центральная система газоснабжения располагает неопределенно большим объемом (каждый думает так до тех пор, пока тот, кто должен заполнять общую емкость, не забудет этого сделать). Давление в центральной разводке, как правило, около 4 атм. Давление в баллоне понижается первым последовательным редуктором обычно до 3 атм. Наркозный аппарат избирательно берет газ из источника с наибольшим давлением. Пока все работает нормально, используется центральная разводка, а не баллоны.
13.Является ли один источник газа более выгодным в сравнении с другим? Почему?
Предпочтительнее центральная разводка, поскольку она обеспечивает доступность большего объема газа, и эксплуатировать ее дешевле. Эксплуатация центральной разводки позволяет держать баллоны в резерве на случай чрезвычайной ситуации.
14.В наркозном аппарате устанавливается по два дозиметра для каждого газа. Можно ли без ущерба безопасности убрать один дозиметр, сделав наркозный аппарат менее дорогим?
В современных наркозных аппаратах два дозиметра применяют для увеличения шкалы, в пределах которой возможно точное измерение расхода газа. На наркозных аппаратах трубки дозиметров устанавливают последовательно (что совсем не обязательно так в других аппаратах, где используются дозиметры), так что весь газ проходит через обе трубки. Вы можете определить величину расхода по той трубке, шкала которой рассчитана на соответствующий поток. Точное измерение расхода в условиях низкопоточной анестезии или анестезии по закрытому контуру (200—1000 мл/мин), как и анестезии без рециркуляции (6 л/мин и выше), требует применения двух трубок.
15.Почему дозиметры воздуха, 02
и N2
0 располагаются в определенном порядке?
Это обусловлено и государственными стандартами США, и соображениями безопасности, и соглашениями производителей. Согласно государственным стандартам США (NIOSH), дозиметр 02
всегда должен быть справа. Следование правилу установки ручки вентиля 02
в одно и тоже место относительно других вентилей снижает риск ошибочного открытия не того вентиля анестезиологом, работающим с разными наркозными аппаратами. Это также вопрос механической безопасности: необходимо, чтобы после поступления 02
в общую магистраль оставалось наименьшее расстояние до выхода газовой смеси. При этом условии большинство утечек будут приводить к потере других газов, а не кислорода.
16.Можно ли расположить дозиметры в другом порядке?
Соглашение зафиксировало ряд различий. В аппаратах Datex-Ohmeda дозиметр N2
0 располагается в центре, в аппаратах Drager — слева. Теоретически вы можете заказать аппарат с любым расположением дозиметров при условии сохранения кислородного дозиметра в правом положении. Вместе с тем, производитель имеет право не принимать ваш заказ.
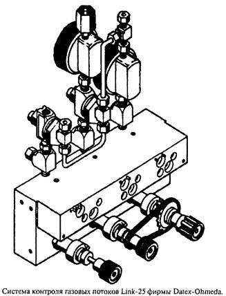
17.Чтобы предотвратить поступление газовой смеси, не содержащей кислорода, все наркозные аппараты должны оснащаться вентилями с механизмом безопасности при нарушении подачи («fail-safe»). Получило ли какое-то новое развитие эта технология?
Вентили с механизмом безопасности при нарушении подачи 02
представляют собой архаичный метод обеспечения необходимого, хотя и не вполне соответствующего своему названию, условия безопасности. При падении давления 02
ниже 1,5 атм. устройство механизма безопасности Datex-Ohmeda прекращает подачу всех других газов. На рисунке показано, как изменяются потоки 02
и N2
0 при падении давления 02
. Обратите внимание на то, что из-за наличия второго последовательного редуктора (составная часть системы Link-25) поток 02
на аппаратах Datex-Ohmeda не уменьшается до тех пор, пока не произойдет снижения давления до i атм. Устройство защиты от подачи гипоксической смеси (OFPD) фирмы Drager обеспечивает пропорциональное — относительно рабочего давления 02
— снижение потока этого газа. Пропорциональная зависимость, берущая начало в области нормальных значений рабочего давления, объясняется отсутствием на аппаратах Drager второго последовательного редуктора.

18.Существует ли особый сигнал тревоги, предупреждающий об отказе снабжения 02
?
Аппараты Datex-Ohmeda предупреждают о падении давления 02
свистящим звуком, производимым с помощью внутренней резервной емкости, заполняемой 02
при каждом включении аппарата. На аппаратах Drager сигнал тревоги при нарушении поступления 02
похож на прочие сигналы тревоги. Вместе с тем, завершающий звуковой сигнал отличается по тональности. Хотя аппараты Drager через каждые 30 с повторяют сигнал, предупреждающий о падении давления 02
, к несчастью, этот сигнал часто не отличают от других и игнорируют. Своеобразный свистящий сигнал Datex-Ohmeda производится однократно.
19.Для автоматического перехода на резервный источник в случае отказа центральной системы газоснабжения не безопаснее ли оставить баллон 02
наркозного аппарата открытым?
Нет, по двум причинам. При условии нормально работающего оборудования, первый недостаток оставления баллона 02
открытым заключается в следующем. Отказ центральной подачи 02
приведет к переключению аппарата на использование газа из баллона. Вы можете не знать об этом до тех пор, пока аппарат (и баллон) не останутся без 02
и не раздастся сигнал тревоги низкого давления 02
. Если так и произошло, вам придется по-настоящему быстро действовать, чтобы найти 02
.
Вторая причина допускает неисправность оборудования. Объяснений — два.
1.При закрытом вентиле дозиметра возможна ситуация, когда, несмотря на утечку газа в месте присоединения баллона к аппарату, на манометре будет сохраняться давление. Таким образом, манометр может показывать давление, а баллон — быть пустым. Давление в баллоне следует проверять после сброса давления в системе. После проверки баллон должен быть закрыт.
2.Как было замечено выше, при слишком сильном снижении давления 02
в центральной системе газ из открытого баллона будет уходить, заполняя наркозный аппарат вместо того, чтобы храниться для чрезвычайного случая. Второй контрольный клапан предотвращает попадание газа из баллона в центральную разводку. При неисправности этого клапана один баллон способен за короткий период своего опорожнения заполнить обратным потоком систему газоснабжения стационара, обеспечивая поступление 02
больным.
20.Как долго после отказа центральной системы вы сможете продолжать подачу 02
?
Баллоны, которыми комплектуются наркозные аппараты, при их максимальном заполнении содержат приблизительно 600 л газа. При неработающем респираторе (помните, что респиратор приводится в движение 02
) поток, установленный на дозиметре, будет отражать количество используемого 02
. Если установлен поток 02
, равный 2 л/мин, газ будет доступен около 300 мин (или 5 ч). При работающем респираторе, в случае аппаратов Datex-Ohmeda, дополнительный расход 02
равен минутной вентиляции, в случае аппаратов Drager — он выше или ниже минутной вентиляции в зависимости от настроек респиратора. Однако в обоих случаях продолжительность снабжения 02
будет значительно меньше ранее рассчитанных на 5 ч (для полного баллона).
21.Произведенный для эксплуатации в Северной Америке наркозный аппарат Drager иногда реагирует сигналом тревоги на непреднамеренную попытку подачи гипоксической смеси N2
0 и 02
, а иногда нет. Свидетельствует ли это о неисправности аппарата?
Потоки всех газов регулируются положениями индивидуальных вентилей. Данные вентили относятся к специфическому типу и называются игольчатыми. После прохождения через вентиль газ поступает в соответствующий дозиметр, давая возможность работающему с аппаратом персоналу видеть, какое количество газа расходуется. Кроме того, при попытке подачи слишком большого относительно 02
потока N2
0, расход последнего ограничивается механизмом ORMC (регулятора монитора процентного содержания 02
). ORMC регулирует поток N2
0 таким образом, что отношение N2
0:02
не может превысить 75:25%. Эксплуатирующиеся в Северной Америке аппараты Drager имеют переключатель, с помощью которого они переходят на режим работы либо с N2
0 и 02
, либо со всеми газами. В таблице показан результат, производимый каждым положением переключателя. Что касается вопроса, то, возможно, что переключатель в разное время находился в разных положениях. Положение переключателя объясняет явно случайные сбои в работе тревожной сигнализации ORMC.
Положения переключателя газов на аппаратах Drager
| РЕЖИМ «02
+ N2
0» |
РЕЖИМ «ВСЕ ГАЗЫ» |
| Функция тревоги ORMC доступна |
Функция тревоги ORMC отключена |
| Контроль минимально безопасного потока 02
возможен |
Контроль минимально безопасного потока 02
невозможен |
| Использование третьего газа невозможно при OFPD |
Использование третьего газа возможно |
22.Аппараты Datex-Ohmeda не имеют подобного переключателя. Зачем нужен переключатель, устанавливающий либо режим «все газы», либо режим «только N2
0/02»?
Переключатель не нужен. Присутствие его обусловлено исторически. В прошлом наркозные аппараты не имели ничего, что могло бы предотвратить поступление гипоксической смеси. Фирма Drager разработала механизм ORM — монитор процентного содержания 02
(не ORMC). При использовании первых устройств добавление третьего газа, не содержащего 02
, могло легко привести к неточности в работе механизма и поступлении гипоксической смеси пациенту. Поэтому фирма Drager решила установить переключатель: либо разрешена подача N2
0, либо — третьего газа. В то время в качестве третьего газа часто выступали С02
или гелий, и принудительный выбор имел определенный смысл. Когда в качестве третьего газа стали использовать воздух (который по определению не гипоксический), в наличии выбора осталось мало смысла. Из-за давления пользователей, хотя они настаивали на сохранении переключателя, фирма Drager изменила его функцию. Таким образом, теперь выбор происходит между режимом всех газов и режимом только N2
0 и 02
.
23.Как работают механизмы ORM и ORMC?
Изначально механизм ORMбыл сконструирован как система тревожной сигнализации, предупреждающая анестезиолога о попытке подачи гипоксической смеси. Механизм сравнивал давление 02
дистальнее игольчатого вентиля с соответствующим давлением N2
0. Ввиду пропорциональной зависимости между давлением и потоком, мониторинг давлений

дистальнее игольчатого клапана обеспечивал не только сравнение давлений, но и сравнение потоков. Процесс сравнения был усовершенствован при помощи соединения двух диафрагм стержнем. К стержню была прикреплена пластина электрического контакта. При движении стержня электрический контакт мог замыкаться и, таким образом, активизировать тревожную сигнализацию. Поскольку при добавлении третьего газа точная работа тревожной сигнализации нарушалась, разработчики решили просто сделать недоступной функцию тревоги при допущении третьего газа. В механизме ORMCприменен дополнительный «подчиненный» клапан, связанный с потоком N2
0. Он ограничивает расход этого газа по принципу обратной связи, делая невозможным поступление газовой смеси, более чем на 75% состоящей из N2
0. Это ограничение работает вне зависимости от того, доступна или нет звуковая тревога согласно положению переключателя: N2
0/02
— все газы.
24. Аппараты Datex-Ohmeda выполняют ту же функцию с помощью системы Link-25. Как работает эта система?
Аппараты Datex-Ohmeda контролируют соотношение потоков 02
и N2
0 механически. Во-первых, давления двух газов строго приводятся вторыми последовательными редукторами к уровню 1 атм. и 1,7 атм. Во-вторых, две шестерни — 02
, имеющей 29 зубцов, и N2
0, имеющей 14 зубцов, соединены ремнем. Шестерня 02
приводится в движение ремнем только при попытке увеличить долю потока N2
0 свыше 75%. При такой попытке поворот ручки N2
0 вызовет поворот ручки 02
с отношением оборотов 14:29. Подобным образом, попытка снижения подачи 02
приведет к сокращению подачи N2
0. Отношения давлений и оборотов шестерен компенсируют влияние различий плотностей и вязкостей двух газов на их потоки.

25.На высоте 7000 футов (2133 м) вам понадобится ингалировать десфлюран со значительно большим объемным отношением, чем вы могли бы ожидать, ориентируясь на публикуемую минимальную альвеолярную концентрацию (МАК) этого препарата. Подобных проблем с другими препаратами не возникает. Объясните.
Обычные испарители (включая Drager 19.1 и Datex-Ohmeda ТЕС 3, 4 и 5) компенсируют влияние высоты над уровнем моря. Компенсация достигается благодаря саморегулирующемуся клапану, расположенному на выходе испарителя, и конструктивным особенностям, ослабляющим до минимума воздействие прерывистого потока и перепадов давления. В таких испарителях на любой высоте над уровнем моря постоянно на выходе поддерживается парциальное давление анестетика, а не его объемное отношение. Испаритель десфлюрана (Datex-Ohmeda ТЕС 6) не изменяет количество свежего газа, проходящего через испарительную камеру, однако насыщение газового потока увеличивается, способствуя сохранению установленного объемного отношения. Ввиду того, что сила анестезии определяется количеством молекул препарата (парциальное давление), воздействующих на пациента, обычные испарители (при одном и том же положении рукоятки. — Примеч. пер.) обеспечивают одинаковую силу анестезии вне зависимости от высоты над уровнем моря. Испаритель ТЕС 6 сохраняет на разной высоте установленное объемное отношение. Вместе с тем, парциальное давление становится на 24% меньше, чем при той же объемной концентрации на уровне моря. Таким образом, на высоте 7000 футов десфлюран необходимо ингалировать в соответственно большей объемной концентрации, чтобы достичь МАК.
26.Можно ли воспользоваться системой экстренной подачи кислорода для создания струйной вентиляции и не приобретать специальное оборудование для этого?
Большинство моделей наркозных аппаратов имеют внутренний клапан сброса, ограничивающий максимальное давление, создаваемое потоком свежего газа. Действительный уровень предельного давления варьируется в зависимости от срока службы и модели наркозного аппарата. Поэтому без индивидуального тестирования аппарата точно установить максимальное давление невозможно. Однако по опыту известно, что большинство современных наркозных аппаратов Datex-Ohmeda ограничивают давление 0,25—0,3 атм., а аппаратов Drager— 1,2 атм. Эффективная струйная вентиляция обычно требует давления от 2 до 3,4 атм.
27.Сравните проведение анестезии по закрытому контуру на респираторе Drager и респираторе Datex-Ohmeda 7000
И в респираторе наркозного аппарата Datex-Ohmeda, и в респираторе Drager предохранительный клапан открывается только при условии предельного заполнения мехов и превышения приблизительно на 2,5 см вод.ст. давления внутри мехов при их опорожненном состоянии. Если меха постоянно не доходят до верхнего предела камеры, то предохранительный клапан и контур все время остаются закрытыми. Поскольку дыхательный объем на респираторах Drager регулируется механическим ограничителем, очень трудно одновременно гарантировать сохранение контура закрытым и подачу установленного дыхательного объема.
Меха аппаратов Datex-Ohmeda всегда начинают движение при вдохе от переменной позиции и опускаются вниз на то расстояние, которое соответствует требуемому дыхательному объему. Возможна подача одинакового дыхательного объема при разных стартовых положениях мехов. Например, если движение начинается от отметки 200 мл, то дыхательный объем 1000 мл обеспечивается опусканием мехов до отметки 1200 мл. Контур остается закрытым, если поток свежего газа поддерживается на уровне, при котором меха не доходят до верхнего предела, но, вместе с тем, обеспечивается дыхательный объем.
28.Нужно провести анестезию у больного со злокачественной гипертермией. Есть ли необходимость технику снимать испаритель с наркозного аппарата?
Испарители Datex-Ohmeda снимаются легко: просто отпускается защелка, а испаритель приподнимается. На аппаратах Drager для демонтажа испарителя необходимо удалить два винта Allen. Если на место удаленного испарителя не поставлен другой, то в освободившееся место нужно установить блок, шунтирующий газоток. Демонтаж легко выполняется любым, кто умеет обращаться с гаечным ключом Allen. Однако фирма Drager рекомендует доверять замену испарителей только специалистам. Между тем, продувка аппарата кислородом в течение нескольких минут должна очистить его от анестетиков (за исключением резиновых деталей абсорбера и контура). Ответственный за анестезию должен быть уверен в том, что исключена возможность случайного включения испарителя работающим персоналом.
29.Одна из трубок дозиметра 02
сломана. Можете ли вы временно, до выполнения эквивалентной замены, установить на место сломанной трубки трубку дозиметра воздуха, запомнив на это время, что подачу воздуха включать нельзя?
Если после снятия трубки не закрыть образовавшееся отверстие, возникнет утечка из общей магистрали газов. Помните, что игольчатый вентиль расположен на входе газа в дозиметр, следовательно, закрытие вентиля предотвратит потерю воздуха. Вместе с тем, при открытых вентилях других дозиметров возможна потеря газов через открытый вентиль удаленного дозиметра. Кроме того, необходимо учитывать, что поток газа через трубку, известную также как трубка Thorp, зависит от его плотности и вязкости. Поэтому трубки дозиметров должны калиброваться индивидуально для каждого газа. И, наконец, каждая трубка должна иметь соответствующий ей поплавок, поскольку совместная калибровка этой пары элементов уникальна. Использование для 02
трубки, откалиброванной по воздушному потоку, приведет к неточности показаний.
30.Давление аппаратах Datex-Ohmeda измеряется в нескольких местах. Лучше ли это, чем измерение давления в абсорбере аппарата Drager?
В аппаратах Dragerдавление, измеряемое в емкости абсорбера, является источником и показаний манометра, и кривой давления на экране, и активизации сенсора разгерметизации. При этом подразумевается равномерное распределение давления по дыхательному контуру, что при отсутствии разгерметизации контура или препятствия потоку газа соответствует действительности. Наркозные аппараты Datex-Ohmedaулавливают давление и на клапане вдоха, и на клапане выдоха, причем в той части клапанов, которая обращена к пациенту. Давление на клапане выдоха используется респиратором, помимо прочего, для обнаружения разгерметизации. Давление на клапане вдоха может лучше, чем давление в верхней части абсорбера, отражать действительное давление в дыхательных путях, особенно в условиях частичного перегиба трубки.
31.Как лучше подключить положительное давление в конце выдоха (ПДКВ) к дыхательному контуру пациента?
В наркозных аппаратах управляемое сопротивление выдоху может симулировать ПДКВ. Для реализации этого были предложены и внедрены в широкую практику несколько методов. Два из них доминируют в анестезии, хотя ни один не является идеальным. Первый метод предполагает установку клапана ПДКВ в магистраль выдоха дыхательного контура пациента. Клапан использует либо силу тяжести, которая удерживает шарик на пути выдыхаемого потока, либо силу сжатой пружины. В обоих случаях выдох не происходит до тех пор, пока его давление не превысит установленный уровень ПДКВ, обычно — 5 или 10 см вод.ст. Второй метод — поместить функционально идентичный клапан в магистраль удаления отработанных газов дыхательного контура и/или респиратора. Результат — тот же самый, однако подъем давления будет наблюдаться во всем дыхательном контуре, а не только в магистрали выдоха. Это не является истинным ПДКВ, поскольку небольшие изменения в легочных объемах (такие, как частичный вдох) будут временно устранять ПДКВ.
32.Как поток свежего газа может изменить минутную вентиляцию?
Свежий газ непрерывно поступает в магистраль вдоха дыхательного контура. Во время вдоха свежий газ присоединяется к газу, поступающему к больному из дыхательного мешка или респиратора. Дыхательный объем пациента увеличивается, следовательно, на объем свежего газа, поступившего в течение фазы вдоха дыхательного цикла. Например, если частота дыхания 10 в минуту, каждый цикл респиратора длится 6 с (60:10). Если соотношение вдоха и выдоха (1:Е) = 1:2, то 2 с дыхательного цикла занимает вдох (I) и 4 с — выдох (Е). Приток свежего газа за эти 2 с составит то количество газа, которое будет добавляться к каждому дыхательному объему. При расходе свежего газа 6 л/мин — 100 мл каждую секунду — дыхательный объем будет увеличиваться благодаря притоку на 200 мл.
33.Почему во время работы респиратора наркозного аппарата Drager дыхательный мешок пациента полностью спадается?
Как наркозные аппараты Datex-Ohmeda, так и наркозные аппараты Drager имеют переключатель, позволяющий анестезиологу сделать выбор: присоединять к дыхательному контуру респиратор или мешок с клапаном сброса (автоматического ограничения давления или APL). Если переключатель находится в положении «мешок», меха респиратора отсоединены от дыхательного контура. В положении «респиратор» с контуром разобщены мешок и клапан APL. Вместе с тем, они по-прежнему остаются соединенными с системой удаления отработанных газов. Мешок на аппаратах Drager полностью спадается вследствие разницы в функционировании клапана APL на двух моделях аппаратов. Клапан APL на аппаратах Datex-Ohmeda регулируется сжатием пружины. Для открытия клапана и стравливания газа из контура необходимо наличие градиента давлений по обе стороны клапана. Величина этого градиента определяется настройкой пружины клапана. Клапан APL на аппаратах Drager представляет собой просто регулируемое по величине отверстие. Поэтому для движения газа всегда достаточно наличия любого градиента давлений: поток газа через клапан является функцией величины отверстия и разницы давлений по обе стороны клапана. Закрытая система улавливания отработанных газов может создавать небольшое отрицательное давление в дистальной части клапана APL. Это отрицательное давление слишком мало для того, чтобы открыть клапан сброса аппаратов Datex-Ohmeda, но достаточно, чтобы медленно подсасывать газ из изолированного дыхательного мешка аппаратов Drager.
34.Что такое система удаления отработанных газов?
За исключением ситуации закрытого контура, газ всегда поступает в дыхательный контур наркозного аппарата и уходит из него. Отработанный газ — это смесь выдыхаемого пациентом газа и избыточного, превышающего потребности больного, но тем не менее содержащего анестетик свежего газа. Чтобы уменьшить воздействие на персонал, работающий в операционной, следовых количеств анестетиков, необходимыми и уместными выглядят улавливание и отвод из атмосферы операционной «загрязненных» газов. Системой удаления отработанных газов называют устройство, используемое для надежного переноса этих газов из дыхательного контура в вакуумную систему стационара (или другую вытяжную систему). Из-за периодичности дыхания поток газа вдыхательном контуре существует прерывисто. До тех пор, пока вакуум или вытяжка, создающие постоянный поток, не смогут удалить газ, идет наполнение резервуара системы. Кроме того, система должна предотвращать развитие чрезмерного разряжения вдыхательном контуре или его переполнения. Это достигается установкой предохранительных клапанов и для положительного, и для отрицательного давлений. Таким образом, при отказе вакуумной системы или слишком слабом потоке, вследствие неправильной настройки такой системы, давление в отводящей магистрали благодаря предохранительному клапану положительного давления увеличиваться не будет. (Допускаем, что будет загрязнена атмосфера операционной. Однако это минимальное зло в сравнении с опасностью раздутия, подобно шару, легких пациента.) Если система вакуума настроена на чрезмерное разрежение, предохранительный клапан отрицательного давления позволит воздуху помещения смешаться с отработанными газами, предотвратив увеличение разрежения в дыхательном контуре более 2,5 мм рт.ст.
35.У вас есть монитор концентраций газообразных анестетиков в конце выдоха, измеряющий и концентрацию 02
в конце выдоха (или на вдохе). Нужно ли вам устанавливать на наркозный аппарат монитор 02
?
Нет. Однако в широкой практике исторически укоренилось ведение мониторинга концентрации 02
с помощью полярографического или гальванического датчиков, установленных в верхней части абсорбера. Часть административного персонала считает использование этих более старых датчиков необходимым. Вместе с тем, стандарты требуют лишь обеспечения мониторинга 02
. Фактически, мониторинг 02
в дыхательных путях пациента является, вероятно, более надежным и точным способом определения того, какая действительно смесь поступает к больному.
36.Что же важнее — ваш наркозный аппарат или ваша семья?
Как посмотреть. Исключая время, затрачиваемое на сон (а возможно даже включая его), до тех пор, пока вы не уйдете на пенсию, вы будете проводить больше времени рядом с вашим наркозным аппаратом, нежели с чем-нибудь или с кем-нибудь еще. Принципиально важно, чтобы наркозный аппарат стал вашим другом. К сожалению, наркозный аппарат не может дать того, что способна дать вам семья. Поэтому изучите ваш наркозный аппарат, но не тратьте на него больше времени, чем это необходимо.
|