РЕФЕРАТ
Дипломная работа _____ с., ______ рис., _______ табл., ______
используемых источников
В дипломной работе были проведены эксперименты по усовершенствованию системы водоподготовки по разработанной технологии. При проведении эксперимента проводился сравнительный аналитический контроль оборотной воды. Экспериментальным путем была определена эффективность изменения технологии водоподготовки.
СОДЕРЖАНИЕ
РЕФЕРАТ 3
ВВЕДЕНИЕ 7
1. ЛИТЕРАТУРНЫЙ ОБЗОР 9
1.3. Системы оборотного водоснабжения 10
1.4. Процессы охлаждения оборотной воды в охладителях 11
1.5. Требования к качеству охлаждающей воды оборотных систем водоснабжения 15
1.6. Оборудование применяемое для охлажения воды 23
1.6.1. Градирни 23
1.6.2. Водораспределительные системы 24
1.6.3. Оросительные устройства 26
1.6.4. Водоуловительные установки 31
1.6.5. Вентиляторные градирни 32
2. ИССЛЕДОВАТЕЛЬСКАЯ ЧАСТЬ 38
2.1. Объект исследования 38
2.2. Методы исследований 38
2.2.1. Определение взвешенных веществ в оборотной воде 38
2.2.2. Определение общей жесткости в оборотной воде 39
2.2.3. Определение растворенных ортофосфатов в оборотной воде 40
2.2.4. Определение нефтепродуктов в оборотной воде 42
2.2.5. Определение хлоридов в оборотной воде 43
2.2.6. Определение меди в оборотной воде 44
2.2.7. Определение сульфатов в оборотной воде 45
2.2.8. Определение содержания железа в оборотной воде 46
2.2.9. Контроль за коррозией металла при помощи купонов 48
2.3. Требования к качеству сточных вод производства этилбензол - стирола цеха 46 завода «Мономер» 51
2.4. Требования к качеству оборотной воды для обеспечения производства этилбензол - стирола цеха 46 завода «Мономер» 51
2.5. Данные о результатах анализов качества речной воды 52
2.6. Описание технологической схемы водооборотного узла 1838 цеха 46 завода «Мономер» 53
2.7. Обработка оборотной воды на блоке оборотного водоснабжения 1838 медным купоросом и ингибитором коррозии ИКБ – 4 «В» 54
2.8. Данные о результатах анализов качества сточных вод при обработке медным купоросом и ингибитором ИКБ – 4 «В» 57
2.9. Данные о результатах анализов качества оборотной воды при обработке медным купоросом и ингибитором ИКБ – 4 «В» 60
Забиваем Сайты В ТОП КУВАЛДОЙ - Уникальные возможности от SeoHammer
Каждая ссылка анализируется по трем пакетам оценки: SEO, Трафик и SMM.
SeoHammer делает продвижение сайта прозрачным и простым занятием.
Ссылки, вечные ссылки, статьи, упоминания, пресс-релизы - используйте по максимуму потенциал SeoHammer для продвижения вашего сайта.
Что умеет делать SeoHammer
— Продвижение в один клик, интеллектуальный подбор запросов, покупка самых лучших ссылок с высокой степенью качества у лучших бирж ссылок.
— Регулярная проверка качества ссылок по более чем 100 показателям и ежедневный пересчет показателей качества проекта.
— Все известные форматы ссылок: арендные ссылки, вечные ссылки, публикации (упоминания, мнения, отзывы, статьи, пресс-релизы).
— SeoHammer покажет, где рост или падение, а также запросы, на которые нужно обратить внимание.
SeoHammer еще предоставляет технологию Буст, она ускоряет продвижение в десятки раз,
а первые результаты появляются уже в течение первых 7 дней.
Зарегистрироваться и Начать продвижение
3. ЭКСПЕРИМЕНТАЛЬНАЯ ЧАСТЬ 61
3.1. Усовершенствование метода водоподготовки производства этилбензол-стирола реагентами фирмы «Nalco» 61
3.2. Характеристика реагентов фирмы «Nalco» 62
3.3. Расчет расхода реагентов фирмы «Nalco» необходимого для достижения оптимальных показателей качества оборотной воды 63
3.4. Результаты эксперимента с применением реагентов фирмы «Nalco» 65
3.5. Обобщение результатов исследований 68
4. ЭКОЛОГО-ЭКОНОМИЧЕСКАЯ ЧАСТЬ 71
4.1. Платежи за использование водными объектами. 71
4.2. Определение величины предотвращенного экологического ущерба 72
4.3. Экономическая оценка ущерба от загрязнения сточными водами 74
5. БЕЗОПАСНОСТЬ ЖИЗНЕДЕЯТЕЛЬНОСТИ 75
5.1. Производственная безопасность 75
5.2. Защита населения и территорий в чрезвычайных ситуациях 81
5.3. Требования безопасности при работе с реагентами применяемыми для обработки оборотной воды 83
ВЫВОДЫ 85
СПИСОК ЛИТЕРАТУРЫ 86
ВВЕДЕНИЕ
Вода является драгоценным сырьем, заменить которое невозможно. Запасы и доступность водных ресурсов определяют размещение производств, а проблема водоснабжения становится одной из важных в жизни и развитии человеческого общества.
Республика Башкортостан относится к одним из самых промышленно развитых регионов Российской Федерации. Концентрация промышленного производства в Башкирии существенно превышает общероссийские показатели, особенно в части размещения предприятий нефтепереработки и химии. Мощный комплекс химических и нефтехимических заводов, растянувшийся на 270 км вдоль реки Белой от Мелеуза до Благовещенска, загрязняет не только близлежащие территории, но и за счет воздушных и водных переносов отрицательно влияет на отдаленные районы.
Самыми крупными водопотребителями в республике являются нефтедобывающая и нефтехимическая промышленность. Рациональное использование воды на предприятии характеризуется процентом водооборота и удельными расходами воды на 1 т перерабатываемого сырья, для переработки 1 т сырья требуется 1 м3 свежей воды. Применение оборотных систем водоснабжения требует постоянного совершенствования с целью снижения потребления речной воды и улучшения качества сточных вод.
Основная доля загрязняющих веществ, сбрасываемых со сточными водами в поверхностные водные объекты, приходится на хлориды (более 60%) и сульфаты (более 18%). Источниками их поступления в окружающую среду являются ОАО «Сода», ОАО «Каустик», ОАО «Химпром», ОАО «Салаватнефтеоргсинтез», которые являются основными загрязнителями реки Белой.
Сервис онлайн-записи на собственном Telegram-боте
Попробуйте сервис онлайн-записи VisitTime на основе вашего собственного Telegram-бота:
— Разгрузит мастера, специалиста или компанию;
— Позволит гибко управлять расписанием и загрузкой;
— Разошлет оповещения о новых услугах или акциях;
— Позволит принять оплату на карту/кошелек/счет;
— Позволит записываться на групповые и персональные посещения;
— Поможет получить от клиента отзывы о визите к вам;
— Включает в себя сервис чаевых.
Для новых пользователей первый месяц бесплатно.
Зарегистрироваться в сервисе
Производственное водоснабжение ОАО «Салаватнефтеоргсинтез» осуществляется, в основном, оборотной водой. На предприятии имеются оборотные системы для всех технологических установок и объектов, потребляющих воду. Расход воды в системах оборотного водоснабжения за 2004 год составил 517669,0 т.м3. Показатель водооборота в целом по предприятию составил 98,4%, что свидетельствуют о техническом совершенстве систем оборотного водоснабжения в ОАО «Салаватнефтеоргсинтез».
Использование воды в качестве охлаждающего агента приводит к возникновению проблем коррозии, образованию накипи, загрязнения, развития и роста микроорганизмов в водооборотных циклах, образованию сточных вод.
Данные проблемы оказывают серьезное влияние на процесс производства, снижая эффективность теплопередачи, увеличивая расход энергии и повышая эксплуатационные затраты, объем и качество сточных вод.
Все эти проблемы тесно связаны между собой и программы обработки оборотной воды учитывают их комплексное решение. Задача реагентной обработки «На1со» - предотвратить выпадение солей жесткости и отложение микробиологических загрязнений в теплообменном оборудовании, а также обеспечить коррозионную защиту оборудования водооборотных циклов.
Исходя из вышеизложенного, целью дипломной работы является исследование возможности использования в качестве реагентной обработки оборотной воды цеха 46 завода «Мономер» ОАО«Салаватнефтеоргсинтез» реагентами фирмы «Nalco» для улучшения качества сточных вод и снижения потребления речной воды.
1. ЛИТЕРАТУРНЫЙ ОБЗОР
1.1. Источники водоснабжения
Источниками водоснабжения НПЗ и НХК могут быть реки, подземные воды, моря, океаны, озера.
Моря являются более щедрыми источниками водоснабжения, чем пресные источники, но использование морской воды имеет специфические особенности и выдвигает дополнительные требования к проектированию и эксплуатации системы.
На нефтеперерабатывающих заводах для технических целей проектируется оборотная система водоснабжения и лишь для небольшого числа объектов и аппаратов – прямоточная.
Каждая из этих систем имеет свои преимущества и недостатки[3].
1.2.Система прямоточного водоснабжения
Из естественных водоемов вода забирается насосами и подается в общезаводскую водопроводную сеть для распределения по потребителям.
Отработанную воду после конденсаторов и холодильников, промывных аппаратов и другого оборудования направляют в нефтеотделители, нефтеловушки и очистные сооружения. Очищенную от нефтепродуктов отработанную воду сбрасывают в водоем, не охлаждая при температуре 45-650С.
Преимущества прямоточного водоснабжения: простота схемы; меньшая протяженность трубопровода; отсутствие градирен.
Недостатки прямоточной системы: большая потребность в свежей воде; значительное загрязнение водоемов; значительные расходы на осветление.
Каждая из оборотных систем водоснабжения НПЗ включает водопроводные сети, приемные камеры отработанной теплой и охлажденной воды, насосные, градирни, нефтеотделитители, установки для очистки воды и осветления [3].
1.3. Системы оборотного водоснабжения
На большинстве современных нефтехимических заводах используют три системы оборотного водоснабжения, различающиеся требованиями к качеству воды:
I система — для аппаратов, в которых охлаждаются или конденсируются продукты, содержащие углеводороды С5 и выше. вода, используемая для охлаждения нефтепродуктов в холодильниках и конденсаторах; содержание нефтепродуктов в водах этой системы относительно невелико.
II система — для аппаратов, в которых охлаждаются или конденсируются продукты, содержащие углеводороды не выше С4. оборотная вода, предназначенная для аппаратов в которых охлаждаются газы и легкие дистилляты холодильных установок и компрессорных станций, сальников и подшипников насосов и др.; в этих водах нефтепродукты практически отсутствуют. Система пополняется свежей водой из специального водопровода, питающего также отдельные технологические установки с повышенными требованиями к качеству воды.
III система — для аппаратов установок, воды которых загрязнены сероводородом и нефтепродуктами (на проектируемых НПЗ в связи с заменой барометрических конденсаторов смешения на поверхностные эта система не предусматривается).
IV система — для аппаратов, в которых возможно загрязнение охлаждающей воды парафинами и жирными кислотами.
Для очистки и кондиционирования оборотной воды I и II систем предусматривают нефтеотделители, в которых с помощью специальных устройств улавливаются и собираются нефтепродукты и осадки [3].
1.4. Процессы охлаждения оборотной воды в охладителях
В системах производственного оборотного водоснабжения большое место занимают различные типы охладителей. Наиболее широко используются градирни, брызгальные бассейны, водохранилища-охладители. Охлаждение воды в них протекает в результате совместного действия процессов тепло - массообмена при непосредственном соприкосновении свободной поверхности жидкости с атмосферным воздухом, при этом жидкость и газ обмениваются теплотой благодаря соприкосновению и излучению. Кроме этого, происходит поверхностное испарение жидкости.
Большую часть года (весна, лето, осень) преобладающую роль играет поверхностное испарение. При низких зимних температурах роль поверхностного испарения снижается, и доля отдаваемого водой тепла, приходящаяся на теплоотдачу соприкосновением, увеличивается.
Теплообмен излучением является существенным только при большой открытой поверхности охлаждаемой воды. В этом случае солнечная радиация значительно снижает охладительный эффект, несмотря на некоторую компенсацию за счет передачи теплоты водой поверхности за счет излучения.
Процесс испарения (тепло - массообмен) является комплексным процессом, в котором перенос теплоты взаимно связан с переносом вещества. При испарительном охлаждении воды приближенно принимается, что парциальное давление паров воды в слое воздуха, непосредственно расположенном у поверхности воды, равно давлению насыщенного пара Р"пt при средней температуре воды.
Основная масса воздуха над поверхностью жидкости не насыщена водяными парами. Если принять, что водяной пар подчиняется законам идеального газа, то парциальное давление пара в основной массе воздушного потока Рпq при температуре 0°С, будет равно:
 где j — относительная влажность воздуха в долях единицы;
Р”пq — давление насыщенного пара при температуре основной массы потока воздуха q, С.
Разность парциальных давлений
 является «движущей силой» или «разностью потенциалов», благодаря которой осуществляется перенос пара, образующегося при испарении жидкости, от поверхности воды в основную массу воздушного потока.
В условиях работы испарительных охладителей парциальное давление воздуха Р"пi всегда выше парциального давления пара Рпq, поэтому независимо от того, больше или меньше температура воды температуры окружающего воздуха, величина положительна. Следовательно, испарение происходит всегда. Ввиду того, что испарение требует затрат теплоты на изменение агрегатного состояния пара, оно вызывает поток теплоты qb только от воды к воздуху, а следовательно, охлаждение воды. Поток теплоты вследствие теплоотдачи соприкосновением qa может, иметь направление как от воды к воздуху, так и от воздуха к воде в зависимости от того, какая из этих сред имеет более высокую температуру.
При температуре воды больше температуры воздуха теплоотдача за счет испарения и соприкосновения (теплопроводность и конвекция) направлена от воды к воздуху. Количество теплоты, отдаваемое водой, в этом случае равно:
 Если же температура воздуха выше температуры воды, то поток тепла qa направлен от воздуха к воде. В этом случае результирующее количество теплоты, отдаваемое жидкостью, равно:
 Температура воды будет понижаться, пока количество теплоты qb, теряемое жидкостью благодаря ее поверхностному испарению, больше притока теплоты к воде qa. Понижение температуры прекратится, когда направленный от воздуха к воде поток теплоты qa станет равным потерям теплоты водой от испарения qb. Равновесие между qa и qb носит динамический характер, так как ни испарение жидкости, ни подвод теплоты от воздуха не прекращаются. Однако, чтобы процессы тепло - массообмена могли протекать беспрепятственно, к поверхности воды должно быть подведено количество теплоты q, равное количеству теплоты, отдаваемой ею в результате совместного действия обоих процессов. Для этого температура поверхностного слоя жидкости tf должна быть ниже температуры основной ее массы t, т.е. должна существовать положительная разность температур . Величина Dt зависит от условий переноса теплоты в жидкости за счет теплопроводности и конвекции.
Количественное соотношение между теплоотдачей соприкосновением и теплоотдачей испарением зависит от конкретных условий. С увеличением температуры воды общие теплопотери возрастают, причем теплоотдача испарением увеличивается быстрее, чем теплоотдача соприкосновением. При снижении температуры воды до температуры воздуха по сухому термометру потери теплоты соприкосновением становятся равными нулю, а при дальнейшем снижении температуры воды поток теплоты qa будет направлен от воздуха к воде. Когда температура воды, снижаясь, приближается к температуре воздуха по влажному термометру t, тогда потери теплоты водой в результате испарения qb остаются положительными; в то же время отрицательные потери теплоты соприкосновением возрастают по абсолютной величине. При снижении температуры воды до температуры воздуха по влажному термометру отрицательные теплопотери соприкосновением qa становятся равными положительным потерям теплоты при испарении qb. Наступает равновесное динамическое состояние, при котором результирующая составляющая теплоотдачи равна нулю, и вода не снижает свою температуру.
Следовательно, вода может быть охлаждена до температуры более низкой, чем начальная температура охлаждающего ее воздуха (по сухому термометру); это свойственно только испарительному охлаждению. Теоретическим пределом охлаждения воды является температура воздуха по влажному термометру.
В общем виде уравнение теплового баланса в испарительных охладителях имеет вид
 где с — удельная плотность воды, кг/м3;
W = pW’ — массовый расход воды, кг/с;
r — удельная плотность воды, кг/м3;
W’— объемный расход воды, м3/с;
Dt — разница температур горячей и охлажденной воды, °С;
Т — рассматриваемый период, сут;
R — приток теплоты от солнечной радиации, Дж.
Процессы, происходящие при испарительном охлаждении, более сложные, чем теплообмен через твердую стенку. Последний имеет место в охладителях, охлаждение в которых происходит без контакта охлаждаемой воды с атмосферным воздухом — через стены теплообменников (радиаторов). Такой теплообмен называется конвективным. Он происходит при одновременном действии конвекции и теплопроводности. Конвективный теплообмен зависит от разнообразных факторов, в том числе: режима движения жидкости и воздуха, свободного или принудительного их движения, плотности, вязкости, коэффициента теплопроводности и температуропроводности жидкости и воздуха, формы и размера участвующей в конвективном теплообмене поверхности.
Удельное количество теплоты, переданной через стенку радиатора, определяется формулой Ньютона
 где qр — удельное количество теплоты, кДж/(м2/ч);
aр — общий коэффициент теплопередачи от воды к воздуху через стенку радиатора, кДж/(м2×ч×°С)
t — температура воды, проходящей через радиатор, °С;
q— температура воздуха, обтекающего радиатор, °С.
Коэффициент aр определяют по экспериментальным данным [4].
1.5. Требования к качеству охлаждающей воды оборотных систем водоснабжения
Требования к качеству охлаждающей воды определяются условиями ее использования в конкретных технологических схемах с учетом специфики производства. Тем не менее, все они сводятся к обеспечению высокоэффективной работы теплообменного оборудования, инженерных сооружений и коммуникаций, входящих в состав оборотного комплекса. Для успешной реализации этой задачи необходимо осуществлять проведение таких водных режимов, при которых на поверхности охлаждающих элементов и в самой системе практически не должно возникать активных коррозионных процессов и образования каких-либо солевых, механических и биологических отложений. В противном случае нарушаются нормальные условия теплопередачи, вызывающие снижение производительности основных технологических потоков и оборудования, а также качества вырабатываемой продукции; увеличиваются энергетические затраты циркуляционных насосных станций на преодоление дополнительных гидравлических сопротивлений в охлаждающих контурах; резко ухудшаются эксплуатационные характеристики оборотных систем; происходит разрушение конструкционных материалов.
Водный режим оборотных систем существенно отличается от режима прямоточных систем. Многократный нагрев оборотной воды и ее последующее охлаждение в градирнях и брызгальных бассейнах приводит к потерям равновесной углекислоты и отложению на поверхности теплообменников и холодильников главным образом кальциевых карбонатных отложений в соответствии с реакцией

Растворимость карбоната магния значительно больше, чем карбоната кальция, и поэтому MgCO3 входит в состав накипи в незначительном количестве в результате соосаждения с СаСО3. Однако при обработке добавочной воды известью с целью ее умягчения при значениях рН > 10 в результате гидролиза образуется малорастворимое соединение — гидроокись магния:

Природные воды, используемые в схемах технического водоснабжения, в которых не происходит выпадения солей карбонатной жесткости при температуре 40-60°С принято называть термостабильными. Для оценки термостабильности оборотной воды применяют шестибальную шкалу.
Практически карбонатная жесткость термостабильных вод не превосходит 2—3 мг×экв/л для оборотного водоснабжения и 4 мг×экв/л — для прямоточного.
Ограниченно термостабильные — природные воды, вызывающие карбонатные отложения только по мере накопления солей кальция в результате упаривания, имеют карбонатную жесткость не более 4 мг×экв/л.
Нетермостабильные — воды с карбонатной жесткостью свыше 4 мг×экв/л, у которых при относительно небольшом нагревании сразу же наблюдается выпадение СаСО3.
При работе оборотных систем с ограниченными добавками подпиточной воды, а, следовательно, при больших коэффициентах концентрирования солей содержание сульфата кальция достигает предела растворимости в циркуляционной воде, и он в зависимости от температуры воды и наличия в ней определенных примесей может выпадать из раствора в виде дигидрата CaSO4×2H2O и ангидрита CaSO4.
Скорость отложения карбоната кальция и других солей не должна превышать соответствующих пределов, поэтому требуется ограничить карбонатную жесткость и содержание сульфатов в виде расходуемой на подпитку охлаждающих оборотных систем. Кроме того, в оборотной и добавочной воде лимитируется концентрация взвешенных веществ, так как взвешенные вещества могут формировать в теплообменниках слой отложений, снижая, таким образом, коэффициент теплопередачи. При скорости движения жидкости 1 м/с и концентрациях грубодиспергированных примесей в оборотной воде 150мг/л и 1000 мг/л коэффициент теплопередачи снижается соответственно на 20 и 35 %. В свою очередь, увеличение скорости движения воды в трубках теплообменных аппаратов приводит к уменьшению интенсивности образования механических отложений. По некоторым данным, минимальная самоочищающая скорость движения жидкости, обеспечивающая вынос и транспортирование механических примесей (песка, накипи и других взвесей) крупностью 0,1-4мм из охлаждаемых элементов, составляет 0,01-0,5м/с. При наличии в оборотной воде окалины скорость циркуляционного потока должна быть не менее 0,8-1 м/с.
Источником загрязнений оборотной воды взвешенными веществами являются неосветленные воды поверхностных водоемов, вторичные продукты деструкции коррозионных и карбонатных отложений, биообрастаний, а также пыль минерального и органического происхождения, проникающая в охладители из атмосферного воздуха. Концентрация пыли в воздухе зависит от регионального фактора, степени загрязненности воздуха выбросами промышленных предприятий, почвенно-климатических условий, скорости ветра и т д. Концентрацию взвешенных веществ, вносимых в оборотную воду из воздуха, возможно, прогнозировать исходя из формулы
 где DС — прирост концентрации взвешенных веществ в оборотной воде при прохождении ее через градирню, г/м3,
Своз — запыленность атмосферного воздуха, мг/м3;
К — эмпирический коэффициент, изменяющийся в пределах 0,93—1,45 при плотности орошения от 10 до 6 м3/(м2×ч).
Взвешенные вещества, например, такие, как песок, осаждаются в пазухах холодильников, забивают трубную систему теплообменников, отлагаются на отдельных участках коммуникаций, а мелкодисперсные включения, входящие в состав карбонатных и сульфатных отложений, вызывают повышение их прочностных характеристик.
Итак, допустимая концентрация взвешенных веществ в циркуляционной воде зависит от гидравлической крупности частиц и от скорости движения воды в теплообменных аппаратах. Исходя из требований по содержанию взвешенных веществ, предъявляемых к качеству оборотной воды, можно определить их максимально допустимую концентрацию в подпиточной воде и таким образом установить оптимальное количество механических примесей, подлежащих выводу из системы.
Накопление взвешенных веществ в холодильниках и коммуникациях наблюдается также при развитии биологических обрастаний, которые аккумулируют механические примеси, находящиеся в оборотной воде.
В состав биологических обрастаний входят разнообразные бактерии, водоросли, грибы, простейшие и более сложные организмы животного происхождения, принадлежащие к различным систематическим группам. На развитие биоценоза существенное влияние оказывают физико-химические и бактериологические показатели качества воды источников водоснабжения, погодно-климатические условия, сезонность, характер производства, технологическая схема охлаждения и обработки оборотной воды и т. д. С увеличением содержания в оборотной воде органических соединений, растворенного кислорода, а также биогенных элементов интенсивность биообрастаний резко возрастает.
В закрытых теплообменных аппаратах и коммуникациях в биоценоз обрастаний входят слизеобразующие и нитчатые формы, а также серо- и железобактерии.
К серобактериям относятся бесцветные нитчатые, крупные овальные и круглые бактерии, спириллы, для развития которых необходимы сероводород и кислород. Серобактерии в процессе жизнедеятельности окисляют H2S до S и при недостатке сероводорода выделяют серную кислоту, которая вызывает сульфатную коррозию, приводящую к разрушению деревянных и железобетонных конструкций.
Железобактерии извлекают из воды растворенное закисное железо и окисляют его до образования малорастворимого гидрата железа, забивающего трубопроводы. Вид железобактерий, преобладающих в системах оборотного водоснабжения, в большей степени зависит от содержания в воде органических веществ. При перманганатной окисляемости до 5—7 мг/л и значениях рН, близких к нейтральному в железистых водах, в основном развиваются одноклеточные железобактерии — галлионелла. При окисляемости порядка 17 мг/л в обрастаниях доминирующее место принадлежит нитчатым бактериям — лептотрикс. При наличии в воде безазотистых органических веществ основную массу биообрастаний составляет кладотрикс.
Роль железобактерий в биокоррозии металлов окончательно не изучена, тем не менее под обрастаниями железобактерий на поверхности металла встречаются каверны диаметром до 15 мм и глубиной до 7 мм.
В анаэробных условиях, имеющих место в плотных густых обрастаниях, развиваются сульфатредуцирующие бактерии. Сульфатвосстанавливающие бактерии окисляют органические вещества кислородом сульфатов и восстанавливаемая при этом сера (до H2S) превращается в малорастворимые сульфиды железа. Отлагающиеся на внутренней поверхности трубопроводов характерные черные хлопья разносятся потоком циркуляционной воды по всему тракту.
Аналогичная ситуация складывается при изменении условий существования либо направленном воздействии приводящих к гибели и отмиранию биообрастаний, вследствие чего также происходит образование сероводорода и усиление электрохимической коррозии металла.
При развитии обрастаний из моллюсков, ракообразных и других организмов, строящих известковые раковины, возможно отложение карбонатов на стенках труб и внутри холодильников.
В теплообменных аппаратах открытого типа и охладителях в формировании биоценоза принимают участие бактерии, зеленые и сине-зеленые водоросли, простейшие одноклеточные организмы, черви, коловратки и грибы. Последние вместе с илообразующими бактериями разрушают деревянные конструкции градирен.
Серьезные помехи при эксплуатации открытых систем оборотного водоснабжения создают водоросли. Они оказывают значительное влияние на химический состав оборотной воды, так как в процессе фотосинтеза способны поглощать растворенную в воде углекислоту и выделять кислород. В связи с этим в охлаждающих системах в течение суток наблюдаются циклические колебания рН, стабильности и коррозионной активности оборотной воды. Кроме того, водоросли могут являться питательной средой для других представителей биоценоза, стимулируя, таким образом, их дальнейшее развитие и рост. При обрастании водорослями оросителей и водоуловителей охлаждающая способность градирен снижается более чем на 15 %.
Зарастание охлаждающих водоемов растительностью приводит к сокращению поверхности испарения и повышению температуры оборотной воды, поступающей в теплообменники.
Таким образом, развивающиеся на теплообменных поверхностях аппаратов, в коммуникациях и охладителях биологические обрастания снижают эффективность работы оборотных систем технического водоснабжения, вызывают биологическую коррозию металлов, оказывают разрушающее воздействие на деревянные и железобетонные конструкции, сокращая срок их эксплуатации. Поэтому величина скорости роста биологических обрастаний теплообменных аппаратов так же, как и других сооружений оборотных систем, должна быть ограничена допустимой величиной. Для удовлетворения этих требований необходимо лимитировать содержание органических веществ и биогенных соединений, как в оборотной, так и в подпитывающей воде.
Охлаждающая вода не должна вызывать коррозию конструкционных материалов трубопроводов, теплообменников и отдельных сооружений, элементов градирен, выполненных из углеродистых сталей других материалов.
По внешним признакам различают общую и местную формы коррозионных повреждений. Общая коррозия носит равномерный характер и распространяется по всей поверхности металла. Местная коррозия вызывает разрушение лишь на отдельных участках металла и может быть язвенной (питтинговой), точечной и в виде пятен.
Одной из причин коррозии металлов является их термодинамическая неустойчивость в различных средах, в том числе и водных. В процессе коррозии металлы переходят в оксиды, которые термодинамически более устойчивы по сравнению с чистыми металлами. Коррозионные процессы не могут быть полностью предотвращены, поэтому для обеспечения надежной работы оборотных систем необходимо, чтобы она протекала равномерно с невысокой интенсивностью. Такие условия можно создать, совместно решая задачи рационального аппаратурного оформления охлаждающих систем и выбора соответствующих конструкционных материалов.
В процессе эксплуатации охлаждающих систем разрушение металла происходит в основном под действием электрохимической коррозии, что приводит к переходу значительных количеств продуктов коррозии в циркуляционную воду. На интенсивность коррозии существенное влияние оказывают величина рН оборотной воды и содержание в ней растворенного кислорода. В щелочной среде при значениях рН > 8 коррозия углеродистой стали уменьшается вследствие образования на поверхности металла плотной нерастворимой пленки гидроокиси. При пониженных значениях рН в присутствии свободной агрессивной углекислоты происходит растворение защитных карбонатных и окисных пленок. Экспериментально установлено, что скорость коррозии малоуглеродистой стали, являющейся основным конструкционным материалом теплообменного оборудования, усиливается с ростом концентрации сульфатов и хлоридов в оборотной воде. При увеличении содержания сульфатов с 50 до 2500 мг/л скорость коррозии стали увеличивается в два раза. Повышение концентрации хлоридов в присутствии небольших количеств сероводорода, аммиака, нитритов приводит к разрушению латунных конденсаторных трубок в результате их обесцинкования.
С увеличением скорости движения воды интенсивность коррозии возрастает, однако в дальнейшем более равномерное распределение кислорода по поверхности металла способствует его пассивации. При более высоких скоростях потока и наличии в воде взвешенных веществ и абразивных примесей происходит механическое разрушение защитных пленок.
Повышение концентрации растворимых солей в оборотной воде приводит к увеличению электропроводности воды и активизации коррозионных процессов; причем в мягкой воде, содержащей растворенный кислород, коррозия конструкционных материалов значительно выше, чем в жесткой воде аналогичной минерализации, что вызвано меньшей буферной емкостью мягких вод. В отсутствии ингибиторов предельное солесодержание оборотной воды не рекомендуют допускать выше 2 кг/м3, хотя иногда минерализация оборотной воды превышает эту величину и достигает 3 кг/м3.
Из сопоставления требований к качеству воды в охлаждающих системах оборотного водоснабжения следует, что, несмотря на значительное расхождение по отдельным позициям, в целом показатели близки[4].
1.6. Оборудование, применяемое для охлаждения воды
1.6.1. Градирни
Градирни используются в системах оборотного водоснабжения, требующих устойчивого и глубокого охлаждения воды, и, как правило, проектируются по типовым и индивидуальным проектам, разработанным специализированными организациями.
Охладительный эффект градирен возрастает с увеличением контакта воды с воздухом, который достигается различными способами.
По принципу охлаждения воды градирни могут быть испарительными и поверхностными.
По способу подвода воздуха к охлаждаемой воде испарительные градирни подразделяют на три основные группы:
- открытые или атмосферные, поступление воздуха в которые происходит продувкой их ветром и естественной конвекцией;
- башенные имеющие естественную тягу воздуха за счет разности плотностей наружного воздуха и нагретого влажного воздуха внутри градирни;
- вентиляторные, движение воздуха в которых происходит за счет тяги, создаваемой вентиляторами.
К поверхностным относятся радиаторные (так называемые «сухие» градирни), охлаждение воды в которых происходит через стенку радиаторов. Движение воздуха в этих градирнях обеспечивается либо вентиляторами, либо за счет тяги, создаваемой башней.
Большинство испарительных градирен, несмотря на разнообразие конструкций, имеют ряд общих элементов. К ним относятся: водораспределительные системы, оросительные устройства, водоуловители, сборные резервуары [4].
1.6.2. Водораспределительные системы
Водораспределительная система предназначена для равномерного распределения охлаждаемой воды по поверхности орошения градирни, в результате которого создается необходимая поверхность водного потока, определяющая его охлаждающую способность. Распределение воды может осуществляться как по напорной, так и безнапорной схемам.
Первая представляет собой систему трубопроводов, выполненную из металлических или асбестоцементных труб, которые оборудованы разбрызгивающими соплами. Подвод воды в систему напорного водораспределения (рис. 1) осуществляется подводящим водоводом 6 к стояку 1, По коллекторам 2 и 3 вода поступает в периферийную и центральную зоны орошения, а затем по распределительным трубопроводам 5 подводится к соплам 4. На концах распределительных линий устанавливают «промывные» сопла 7.

Рис. 1. Схема напорного водораспределителя
Установка разбрызгивающих сопел осуществляется двумя способами: направленными вниз факелами и направленными вверх факелами. В первом случае расстояние от сопла до оросителя принимается равным 0,8—1 м, о втором 0,3—0,5 м. Для уменьшения опасности засорения, как правило, применяют эвольвентные сопла и ударные отражатели.

Рис. 2. Насадок (а) и тарелочка (б) для безнапорных систем водораспределения градирен
Напор перед соплом поддерживают в пределах 1—3,5 м. Водораспределение осуществляют таким образом, чтобы была возможность отключать отдельные части системы, что необходимо для перераспределения плотностей орошения в зимнее время. С этой целью подводящие трубопроводы с установленными на них задвижками прокладывают в две-три нитки (см. рис. 1).
При безнапорной системе водораспределения вода к разбрызгивающим устройствам поступает по лоткам. Разбрызгивание воды в безнапорных системах осуществляется обычно с помощью гидравлических насадок и тарелочек (рис. 2). Тарелочки устанавливаются под соплами.
Гидравлический расчет напорных систем заключается в определении диаметров труб и напора воды в начале системы. Расчету предшествуют определение типа и размеров разбрызгивающих сопел, их числа, разработка схемы расположения трубопроводов. Скорость движения воды в трубопроводах принимают в пределах 1,5—2,0 м/с. Гидравлический расчет лотков обычно не производят.
Поперечное сечение их устанавливают по расходу сливных трубок или по конструктивным соображениям. Скорость движения воды принимают в магистральных лотках 0,8 м/с и распределительных до 0,4 м/с.
Для обеспечения равномерного распределения воды при гидравлическом расчете систем водораспределения должно выдерживаться условие ,
где qmax, qmin, qср — соответственно максимальная, минимальная и средняя производительность разбрызгивающих устройств.
С целью интенсификации процесса охлаждения иногда применяют дифференцированное распределение воды с уменьшением плотности дождя к центру, что достигается применением гидравлических насадков или сопел различных диаметров либо изменением расстояния между ними.
Расстояние между тарелочками или соплами определяется из условия равномерного дождя. Для проведения трудоемких гидравлических расчетов совместного действия разбрызгивающих устройств существуют программы расчета на ЭВМ.
В отечественной и зарубежной практике уделяется большое внимание распределительным системам без разбрызгивания воды. Распределение воды без разбрызгивания осуществляется благодаря пуску ее через треугольные лотки с боковыми отверстиями, фильтрации через слой пористого материала, пропуску воды через щели с регулируемой шириной и др. Эти системы эффективно работают в условиях дефицита свежей воды [4].
1.6.3. Оросительные устройства
Направление движения воздуха по отношению к охлаждаемой воде в оросительных устройствах градирен может быть противоточным и поперечным. Оросительные устройства служат для создания необходимой поверхности охлаждения. Они могут быть:
- пленочного типа, теплоотдача в которых происходит главным образом с поверхности капель воды;
- пленочного типа, теплоотдача в которых происходит с поверхности водяной пленки, образующейся на щитах оросительного устройства;
- капельно-пленочного типа, теплоотдача в которых происходит как с поверхности капель, так и с поверхности пленки.

Рис. 3. Конструкции капельных оросителей из прямоугольных (а-е) и треугольных (ж, з) брусков
Капельный ороситель (рис. 3, размеры даны в мм) выполняется из деревянных реек прямоугольного или треугольного сечения, которые располагаются в определенном порядке, обеспечивающем их смачивание охлаждаемой водой и возможно меньшее аэродинамическое сопротивление воздуху. При падении капель с реек верхнего яруса оросителя на нижний образуются факелы мелких брызг, создающие большую поверхность соприкосновения с воздухом, часть воды стекает. Вода при плотности орошения до 1,4 кг/(м2×с) стекает с одной рейки на другую в виде капель.
Оросители из трехгранных реек имеют хорошие гидравлические и аэродинамические показатели, но сложны в изготовлении. Наиболее широко применяются оросители из прямоугольных брусков.
Пленочный ороситель выполняют из щитов (доски толщиной 10 мм), установленных вертикально или под углом 85° на расстоянии 30-40 мм друг от друга в несколько ярусов (рис. 4). Вода, стекая по щитам, образует пленку толщиной 0,3—0,5 мм.

Рис. 4. Пленочные оросители из деревянных брусков
Пленочные оросители могут выполняться из асбестоцементных листов (рис.5) и полимерных материалов (рис.6). Существуют ячеистые оросители, которые могут выполняться из взаимно перекрещивающихся досок, поставленных на ребро и образующих в плане ячейки. Эти оросители могут быть изготовлены также из пластмассы.
На величину поверхности охлаждения пленочных оросителей сильно влияет смачиваемость щитов. Хорошее смачивание имеют оросители из нестроганых досок и асбестоцемента. Щиты из пластмасс, обладающие гидрофобными свойствами, смачиваются неполностью до момента образования карбонатной пленки.
Капельно-пленочный ороситель выполняют как в виде комбинации из решетника и щитов пленочного типа, так и в виде щитов пленочного типа с увеличенными разрывами между досками (рис. 7).

Рис. 5. Пленочные оросители из асбестоцементных листов
а — асбестоцементные двухъярусные с наклонными листами; б — асбестоцементные двухъярусные с вертикальными листами; в — плоские асбестоцементные листы в один ярус
При протекании воды с доски на доску образуются факелы разбрызгивания, повышающие теплоотдачу. Оросители этого типа обладают лучшим эффектом охлаждения, чем капельный, но имеют более высокую стоимость, однако эта стоимость ниже стоимости пленочного оросителя. Применение капельно-пленочного оросителя в совокупности с противоточным движением воздуха позволяет увеличить гидравлическую нагрузку в 1,5—2 раза по сравнению с капельным оросителем, что приводит к повышению производительности градирни.

Рис. 6. Пленочные оросители из пластмасс
а — сотоблочный; б — из перфорированного листа; в — из гофрированного листа; г — из волнистого листа

Рис. 7. Капельно-пленочный ороситель из деревянных брусков
Пленочный ороситель применяют для устойчивого и глубокого охлаждения воды, а также в условиях жаркого климата с расчетной температурой воздуха по влажному термометру выше 21°С. Его использование позволяет уменьшить площадь градирни на 30-40 % по сравнению с капельным оросителем той же производительности что является важным преимуществом при строительстве градирен на застроенной территории.
Выбор типа оросителя зависит также от химико-физического состава охлаждаемой воды. Наличие в воде жиров, смол нефтепродуктов, а также взвешенных веществ препятствует применению пленочных оросителей, так как может происходить засорение пространства между стоящими рядом щитами. В этом случае наблюдается плохая смачиваемость щитов и происходит ухудшение охлаждения воды. В таких условиях применяются капельные оросители или они не применяются вообще.
Плотность орошения для капельных оросителей башенных градирен обычно принимается равной не менее 0,8 кг/(м2×с), для пленочных— 1,4 кг/(м2×с). Для вентиляторных градирен плотность орошения ориентировочно может быть принята: при пленочном оросителе 2,2— 3,3 кг/(м2×с), капельном оросителе 1,7—2,2 кг/( м2×с) и брызгальном 1,4—1,7 кг/( м2×с) [4].
1.6.4. Водоуловительные установки
Вынос капель из градирен вызывает потери воды в системах водоснабжения промышленных предприятий, На некоторых предприятиях вынос недопустим по санитарным соображениям и для охраны окружающей среды.
Учитывая, что размеры, мощность и число градирен на промышленных площадках непрерывно возрастают, количество уносимой из них воды весьма велико. С целью уменьшения ее выноса над водораспределителями градирен устанавливают водоуловители, что позволяет снизить вынос воды из градирни до 0,05—0,2 % расхода оборотной воды.
Из применяемых водоуловителей наиболее распространены водоуловители, выполняемые из двух рядов наклонных досок (рис. 8, а) и из волнистых асбоцементных листов (рис. 8, б).
Установка водоуловителя в некоторой степени увеличивает аэродинамическое сопротивление градирен, которое зависит от ряда факторов: степени заполнения живого сечения водоуловителя лопатками, наклона, формы, их взаимного расположения, материала.

Рис. 8. Типы водоуловителей для градирен

Рис. 9 Схемы расположения водоуловителей в градирнях (стрелками указано направление наклона лопаток)
Наличие водоуловителя в градирне приводит к неравномерности распределения потока воздуха перед вентилятором, что может привести к снижению КПД вентиляторной установки. На рис. 9 приведены рекомендуемые схемы расположения водоуловителей, позволяющие выравнивать поток воздуха.
Применение водоуловителей из волнистого полиэтилена позволяет исключить недостатки рассмотренных конструкций. Их аэродинамическое сопротивление ниже сопротивления деревянных и асбестоцементных водоуловителей [4].
1.6.5. Вентиляторные градирни
Вентиляторные градирни применяют в системах оборотного водоснабжения, требующих устойчивого и глубокого охлаждения воды, при необходимости маневренного регулирования температуры охлажденной воды, автоматизации для поддержания заданной температуры охлажденной воды или охлаждаемого продукта, а также при необходимости сокращения объемов строительных работ.
Сооружение вентиляторных градирен дешевле башенных на 50—80% и брызгальных бассейнов на 30—50%. В сравнении с башенными градирнями они работают при более низких напорах воды, однако для привода вентиляторов необходим значительный расход электроэнергии, а сами вентиляторы и их приводы нуждаются в постоянном уходе и ремонте.
По способу подачи воздуха в ороситель вентиляторные градирни бывают двух типов: нагнетательные и отсасывающие. При верхнем расположении вентиляторы отсасывают воздух из градирни, при нижнем - нагнетают. Для градирен используются специальные осевые отсасывающие или нагнетательные вентиляторы. Преимущественное распространение получили градирни с отсасывающими вентиляторами.
При отсасывающих вентиляторах обеспечивается более равномерное распределение воздуха по поперечному сечению в основании градирни, чем при нагнетательных, происходит меньший подсос влажного теплого воздуха! попадающего в градирню через входные окна.
При нагнетательных вентиляторах воздух из градирни выходит со скоростью в 5—6 раз меньшей, чем при отсасывающих вентиляторах; даже слабый ветер способствует задуванию уходящего влажного теплого воздуха вниз, а также к засасыванию его вентилятором, что приводит к резкому ухудшению охлаждающей способности и требуется увеличение размеров градирен. Исходя из этого нагнетательные вентиляторы применяют для градирен с малой площадью орошения. В холодную погоду лопасти нагнетательного вентилятора могут обмерзать в отсасывающих градирнях возможность обмерзания меньше, так как лопасти постоянно омываются теплым воздухом.
Монтаж нагнетательных вентиляторов более прост. Улучшается доступ к ним, проще соединение с электродвигателем, чем у всасывающих вентиляторов. С несущего каркаса градирни снимается нагрузка, исключается вибрация.
При использовании отсасывающих вентиляторов возможно значительное увеличение диаметра рабочего колеса, что позволяет снизить число вентиляторных установок для больших градирен, повысить их экономичность и снизить шум.
В случае установки осевого нагнетательного вентилятора увеличение диаметра рабочего колеса связано с увеличением высоты подачи воды, а следовательно, и расхода электроэнергии на циркуляционные насосы.
Лопасти вентиляторов изготовляют из алюминиевых сплавов, пластмасс, нержавеющей стали и обыкновенной стали с антикоррозионным покрытием.
Регулировку вентиляторов осуществляют изменением числа оборотов с помощью гидромуфт, электромагнитных муфт или двухскоростных многополюсных электродвигателей, поворотом лопастей.
Для охлаждения оборотной воды в количестве 100-10000 м3/ч применяют многосекционные отсасывающие градирни с секциями площадью до 200 м2 каждая квадратной или прямоугольной формы в плане (рис.10). При охлаждении оборотной воды в количествах более 10000 м3/ч применяются отсасывающие градирни площадью орошения 400 м2 и более, круглые, квадратные, многоугольные в плане одновентиляторные и секционные.
Схема одновентиляторной градирни площадью 400 м2 с вентилятором IВГ-104 приведена на рис. 11. Каркас градирен может быть стальным или железобетонным. Для обшивки градирен применяют дерево, ас-бестоцементные листы, стеклопластик.
В градирнях применяют пленочные, капельно-пленочный, капельный и брызгальный оросители с противоточным движением воздуха в них. В южных районах, где нет опасности обмерзания градирен, возможно применение отсасывающих градирен с поперечным движением воздуха в оросителе.

Рис. 10. Схема вентиляторной градирни с отсасывающим вентилятором
1 — выхлопной патрубок; 2 — вентилятор; 3 — водоуловитель; 4 — водораспределительное устройство (система); 5—оросительное устройство; 6 — воздухонаправляющий козырек; 7 — воздухораспределительное пространство; 8 — воздуховходные окна; 9 — ветровая перегородка; 10 — подводящий водопровод; 11 — отводящий водовод; 12 — водосборный бассейн; 13 — грязевой водовод; 14 — переливной водовод
Суммарное аэродинамическое сопротивление поперечно-точных градирен ниже, чем у противоточных. Капитальные затраты при их строительстве сокращаются.

Рис. 11. Одновентиляторная градирня площадью 400 м2
Область применения вентиляторных отсасывающих градирен определяется следующими параметрами: удельная тепловая нагрузка 90—120 кВт/м2; перепад температуры воды до 25 °С и выше; разность температур охлажденной воды и температуры атмосферного воздуха по смоченному термометру 4—5°С.
Приведенные данные указывают на то, что вентиляторные градирни могут охлаждать воду до более низких температур, чем башенные градирни, и тем более чем брызгальные бассейны и водохранилища-охладители (при равных условиях). Таким образом, для достижения одинакового эффекта охлаждения вентиляторные градирни требуют меньшей площади застройки по сравнению с другими охладителями воды.
Однако вентиляторные градирни имеют один существенный недостаток, который иногда ограничивает их применение (например, в теплоэнергетике); для привода вентиляторов требуется электроэнергия, что приводит к увеличению эксплуатационных расходов.
Для охлаждения воды в количестве от 10 до 800 м3/ч для потребителей, находящихся внутри зданий, применяют нагнетательные вентиляторные градирни с противоточным и поперечным движением воздуха, которые размещают на плоской кровле. Оросители в этих градирнях капельного и пленочного типа выполнены из дерева или пластмассы; каркас градирен — из стали или алюминиевомагниевых сплавов с асбестоцементной облицовкой. Градирня имеет поддон для сбора охлажденной воды слоем 100—150 мм. Необходимый аварийный запас воды хранится в резервуаре, установленном в здании или вне его. Градирни допускают плотность орошения от 1,1 до 3,3 кг/(м2×с) в зависимости от требований к температуре охлажденной воды.
При выборе типовых решений градирен пользуются графиками охлаждения, составленными на основе результатов обследований действующих градирен [4].
2. ИССЛЕДОВАТЕЛЬСКАЯ ЧАСТЬ
2.1. Объект исследования
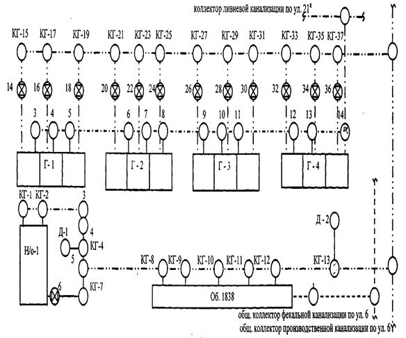
Объектом исследования является водооборотный узел 1838 цеха 46 завода «Мономер» ОАО «Салаватнефтеоргсинтез».
Блок оборотного водоснабжения предназначен для обеспечения оборотной водой производства этилбензол - стирола цеха 46 завода «Мономер».
2.2. Методы исследований
2.2.1. Определение взвешенных веществ в оборотной воде гравиметрическим методом
Сухой остаток характеризует общее содержание растворенных в воде минеральных и частично органических веществ, температура кипения которых превышает 110 оС, нелетучих с водяным паром и не разлагающихся при указанной температуре [12].
Гравиметрический метод определения взвешенных веществ основан на выделении из пробы фильтрованием воды через мембранный фильтр с диаметром пор 0,45 мкм или бумажный фильтр «синяя лента» и взвешивании осадка на фильтре после высушивания его до постоянной массы.
Определение общего содержания примесей (суммы растворенных и взвешенных веществ) осуществляют выпариванием известного объема нефильтрованной анализируемой воды на водяной бане, высушиванием остатка при 105 оС до постоянной массы и взвешиванием.
Ход определения.
Взвешенный бумажный фильтр помещают в воронку, смачивают небольшим количеством дистиллированной воды для хорошего прилипания и фильтруют отмеренный объем тщательно перемешанной анализируемой воды.
По окончании фильтровании дают воде полностью стечь, затем фильтр с осадком трижды промывают дистиллированной водой порциями по 10 см3, осторожно вынимают пинцетом и помещают в тот же бюкс, в котором его взвешивали до фильтрования. Фильтр высушивают 2 часа при 105 оС, охлаждают в эксикаторе и закрыв бюкс крышкой взвешивают. Повторяют процедуру сушки, пока разница между взвешиваниями будет не более 0,5 мг при массе осадка 50 мг и менее 1 мг при массе более 50 мг.
Содержание взвешенных веществ в анализируемой пробе воды
(мг/дм3 ) рассчитывают по формуле:
С = М1 – М2 100%V
где М1 и М2 – масса тигля с фильтром с высушиванием осадком после фильтрования и с чистым фильтром, мг;
V – объем пробы, взятой для анализа, мл[12].
2.2.2. Определение общей жесткости в оборотной воде комплексонометрическим методом
Общая жесткость воды обусловлена главным образом присутствием растворенных соединений кальция и магния и варьирует в широких пределах в зависимости от типа пород и почв, слагающих бассейн водосбора, а также от сезона года.
При жесткости до 4 мг-экв/л вода считается не жесткой; 4-8 мг-экв/л- средней жесткости; 8-12 мг-экв/л- жесткой; более 12 мг-экв/л- очень жесткой[8].
Метод основан на образовании прочного комплексного соединения при рН 10 ионов кальция и магния с этилендиаминтетраацетатом натрия (трилон Б). Определение проводят титрованием пробы в присутствии индикатора. Минимально определяемая концентрация 05 мг-экв/л (при титровании 100 мл пробы)
Ход определения.
Объем исследуемой воды берут с таким расчетом, чтобы содержание в нем ионов кальция и магния не превышало 0,5 мг-экв/л в 100 мл профильтрованной пробы. В коническую колбу вносят 100 мл или меньший объем, разведенный до 100 мл дистиллированной водой, прибавляют 5 мл буферного раствора, 5-7 капель индикатора (или 0,1 г сухого индикатора) и сразу же титруют при сильном перемешивании 0,05 н. трилоном Б до изменения окраски в эквивалентной точке.
Нечеткое изменение окраски в эквивалентной точке указывает на присутствие меди и цинка. Для устранения влияния этих веществ к пробе воды до внесения буферного раствора добавляют 1-2 мл 5% сульфида натрия, после чего проводят анализ, как указано выше.
Общую жесткость воды (мг-экв/л) вычисляют по формуле: С = А н К 1000,
V
где А- объем раствора трилона Б, израсходованного на титрование пробы, мл - ;
н – нормальность ратвора трилона Б;
К – поправочный коэффициент к титру раствора трилона Б;
V – объем пробы воды, взятой для титрования, мл[8].
2.2.3. Фотометрический метод определения растворенных ортофосфатов в оборотной воде
При взаимодействии ортофосфат-ионов с молибдатом в кислой среде образуется желтая гетерополикислота, которая под действием восстановителей превращается в интенсивно окрашенное синее соединение. Были предложены различные восстановители, но из них наиболее устойчивые, постоянные по составу продукты реакции дает лишь аскорбиновая кислота. Однако восстановление аскорбиновой кислотой, сравнительно слабым восстановителем, происходит только при повышенной температуре, т.е. в условиях, когда полифосфаты и органические эфиры фосфорной кислоты гидролизуются с образованием ортофосфорной кислоты, поэтому результаты получаются повышенными. Введение в раствор соли сурьмы приводит к образованию более сложного соединения, в состав которого входит сурьма в соотношении Sb : Р = 1 : 1. Реакция происходит быстро и при комнатной температуре, повышается интенсивность окраски, а полифосфаты и сложные эфиры фосфорной кислоты в этих условиях в реакцию не вступают, результаты показывают лишь содержание ортофосфат-ионов в пробе.
Оптическую плотность измеряют при =880 нм или, если это невозможно, при наибольшей длине волны, которую допускает использовать применяемый фотометр.
Ход определения.
К 50 мл пробы, профильтрованной в день отбора (на месте отбора или в лаборатории) через мембранный фильтр №1 или через плотный бумажный фильтр, приливают 2 мл смешанного раствора и через короткое время – 0,5 мл раствора аскорбиновой кислоты. Смесь перемешивают. Одновременно проводят холостое определение с 50 мл дистиллированной воды. Если анализируемая проба содержит полифосфаты или органические соединения фосфора, измеряют оптическую плотность раствора в промежутке времени от 5 до 15 мин. Если легко гидролизирующихся соединений нет, этот промежуток времени может быть увеличен до 60 мин.
Оптическую плотность измеряют по отношению к холостому раствору. Если сама проба была окрашенной или мутной, надо вычесть оптическую плотность раствора, получаемого после добавления молибдена, но перед введением аскорбиновой кислоты. Измерение проводят при или при максимально возможным для данного прибора значения . Результат определения находят по калибровочному графику, для построения которого отбирают 0; 1,0; 2,5; 5,0,…,50,0 мл рабочего стандартного раствора 2 фосфата калия, разбавляют каждый раствор до 50 мл дистиллированной водой и далее продолжают, как в ходе определения[13].
2.2.4. Определение нефтепродуктов в оборотной воде методом ИКС
Нефтепродукты относятся к числу наиболее распространенных загрязняющих веществ. В воде находятся в различных миграционных формах растворенный, эмульгированный, сорбированный на взвешенных частицах, в виде пленки. Нефтепродукты при анализе воды условно принято считать только неполярные и малополярные углеводороды, растворимые в гексане, т.е сумму алифатических, нафтеновых, ароматических углеводородв, составляющих основную часть нефти./42,43/
Метод определения нефтепродуктов заключается в экстракции эмульгированных и растворенных нефтепродуктов из воды четыреххлористым углеродом: отделение нефтепродуктов от сопутствующих органических соединений других классов на колонке, заполненной оксидом алюминия и измерением массовой концентрации нефтепродуктов методом ИК-спектрометрии.
Ход определения.
В сосуд с пробой воды приливают серную кислоту из расчета 2 см3 кислоты на 100 см3 пробы и переносят пробу в экстрактор. Сосуд, в котором была проба ополаскивают 10 см3 четыреххлористого углерода и добавляют этот растворитель в экстрактор. Прибавляют еще 20 см3 СCL4 и включают экстрактор на 4 мин, отстаивают эмульсию в течение 10 мин. После расслоения эмульсии нижний слой сливают в цилиндр вместимостью 100 см3. Экстракт сушат безводным сульфатом натрия в течение 30 мин. После чего экстракт осторожно сливают в цилиндр вместимостью 50 мл.
В подготовленную хроматографическую колонку наливают 8 см3 СCL4 для смачивания, а затем промывают 5 мл этого растворителя. Как только раствор достигнет верхнего уровня оксида алюминия, в колонку вливают небольшими порциями подготовленный экстракт, собирают элюат в мерную колбу вместимостью 50 см3, пропуская в конце хроматографирования чистый растворитель. Измеряют объем элюата. Элюат заливают в кювету и устанавливают в прибор АН-1 или КН-1. Фиксируют показания прибора, соответствующие количеству нефтепродуктов в 1 см3 элюата. Концентрацию нефтепродуктов (мг/дм3) воде вычисляют по формуле:
С = С изм. В К V
где С изм – содержание нефтепродуктов в элюате, измеренное на приборе;
В – объем экстракта, пошедшего на анализ, см3;
V – объем пробы воды, взятой для определения, см3;
К – коэффициент разбавления элюанта[10].
2.2.5. Определение хлоридов в оборотной воде меркуриметрическим методом
Метод основан на титровании хлоридов раствором нитрата ртути со смешанным индикатором (дифенилкарбазоном и бромфеноловый синий). При этом ионы ртути связываются с ионами хлора в молодиссоциирующее соединение хлорида ртути, а избыток их образует с индикатором комплекс фиолетового цвета[13].
Определению не мешают цветность воды. Мешают иодиды и бромиды в концентрациях эквивалентных хлоридам, сульфиды и железо в концентрациях выше 10 мг/л.
Ход определения.
Отбирают 100 мл исследуемой воды, прибавляют 10 капель смешанного индикатора, затем по каплям 0,2 н. азотной кислоты до появления желтой окраски (рН 3,6), после чего еще 5 капель той же кислоты. Титруют раствором нитрата ртути, к концу титрования окраска приобретает оранжевый оттенок. Для более четкого определения конца титрования используют контрольную пробу, к 10 мл которой прибавляют индикатор, 2 мл 0,2 н. азотной кислоты и одну каплю нитрата ртути.
Концентрацию хлоридов (мг/л) рассчитывают по формуле:С = А К н 1000
V
где А - объем раствора нитрата серебра, израсходованного на титрование, мл;
К - поправочный коэффициент к титру раствора нитрата серебра, мг;
V – объем пробы, взятой для определения, мл[13].
2.2.6 Определение меди в оборотной воде фотометрическим методом с диэтилдитиокарбаматом свинца
При взбалтывании раствора, содержащего ионы меди, с бесцветным раствором диэтилдитиокарбамата свинца в тетрахлориде углерода (или хлолроформе) происходит замещение свинца медью и образовавшееся диэтилдитиокарбамат меди в слое органического растворителя окрашивает этот слой в желто-коричневый цвет.
Реакцию можно проводить в довольно кислой среде (рН = 1-1,5). В этих условиях в слой органического растворителя перехрдит только висмут, ртуть и серебро, но последние два элемента образуют с применяемым реагентом бесцветные соединения, окраска же соединения висмута становится заметной лишь при концентрации висмута превышающей 30 мкг/л, что встречается редко. Если, содержание висмута выше указанного рекомендуется взболтать полученный раствор диэтилдитиокарбаматов в органическом растворителе в течении 0,5 минут с25 мл 5-6 Н раствора HCl. Соединение висмута тогда разрушается, висмут (его может быть до 3 мг) переходит в водный раствор, а соединение меди останется в органическом слое.
Ход определения. В делительную воронку вместимостью 200 мл помещают такой объем раствора, полученного после предварительной обработки пробы, чтобы в нем содержалось от 0,2 до 6 мкг меди. (Если анализируемая проба сточной воды не содержит ни цианидов, ни каких-либо иных веществ, образующих с медью комплексные соединения, то предварительную обработку можно не проводить и взять для анализа пробу непосредственно в объеме, содержащем указанные количества меди.) Раствор разбавляют примерно до 100 мл. приливают 5 капель разбавленной HCl и вводят из бюретки точно 1 или 2 мл раствора диэтилдитиокарбамата свинца в тетрахлориде углерода. Смесь энергично взбалтывают 2 минуты.
После разделения слоев сливают органический слой в кювету фотометра, снабженную крышкой и как можно быстрее определяют оптическую плотность при . Толщина слоя в кювете от 1 до 5 см в зависимости от интенсивности окраски. Содержание меди находят по калибровочному графику, для построения которого отбирают 0; 2,0; 3,0; 10,0;….20,0 стандартного рабочего раствора II, доводят каждый раствор до 100 мл дистиллированной водой и обрабатывают как при анализе пробы[5].
2.2.7 Определение сульфатов в оборотной воде титриметрическим методом в присутствии дитизона в качестве индикатора
Сущность метода. Титрование проводят в слабокислой среде (рН = 3,5-4,5) в присутствии двукратного по объему количества ацетона или этилового спирта, прибавляемого для снижения растворимости образующегося при титровании сульфата свинца. Индикатором конца титрования служит дитизон, который образует с избытком ионов свинца окрашенное в красно-фиолетовый цвет комплексное соединение. Дитизон прибавляют в твердом виде. Определению мешают катионы, реагирующие с дитизоном в условиях определения; их удаляют, пропуская пробу воды через катионит а Н-форме. Мешают фосфат-ионы в концентрациях превышающих 5 мг/л, а также другие анионы, осаждаемые ионами свинца в слабокислом растворе: хромат-, арсенат- , фторид-, иодид-, оксалат-ионы.
Ход определения. Пробу воды пропускают через колонку с катионитом в Н-форме для устранения мешающих определению катионов. Отбросив первые порции фильтрата, отбирают такой его объем (10-20 мл), что бы в нем содержалось не менее 1 мг . Такую же по объему пробу, если она сильно кислая, отдельно титруют щелочью по метиловому оранжевому и израсходованный на титрование объем щелочи вносят в первую порцию пробы. Если сульфат-ионов в пробе мало, например 10-20 мг/л, то отбирают пипеткой 50 мл или более пробы, переносят в колбу для титрования и упаривают до 10-20 мл.
Прибавляют двойное по объему количество ацетона или этилового спирта 20-40 мл и порошок дитизона так, чтобы раствор стал зеленым. Затем подогревают до 50°С и титруют раствором нитрата свинца, прибавляя его из микробюретки до перехода зеленой окраски в красно-фиолетовую[7].
2.2.8. Определение содержания железа в оборотной воде фотометрическим методом с сульфосалицилатом натрия
Сущность метода. Метод основан на том что сульфосалициловая кислота или ее натриевая соль образуют с солями железа окрашенные комплексные соединения, причем в слабокислой среде сульфосалициловая кислота реагирует только с солями железа (Ш)- красное окрашивание, а в слобащелочной среде – с солями железа (Ш)и (П) – желтое окрашивание.
Ход анализа. Определение общего содержания железа. Как и при определении фенантролинатным методом. В тех случаях, когда анализируемая проба содержит относительно большие количества органических веществ, связывающих железо в комплексные соединения, проводят предварительную обработку для разрушения комплексов.
В коническую колбу вместимостью 50 мл наливают 10 мл анализируемой воды. В этом объеме должно содержаться от 1 до 10 мкг железа, что соответствует концентрациям от 0,1 до 1 мг/л. Более концентрированные по содержанию железа сточные соды предварительно разбавляют в мерной колбе так. Чтобы содержание железа в 10 мл полученного раствора было в указанных пределах. Затем в пробирку приливают 5 мл раствора сульфосалицилата натрия или сульфосалициловой кислоты, 5 мл раствора аммиака и перемешивают.
Измеряют оптическую плотность полученного раствора при нм по отношению к холостому раствору. Молярный коэффициент поглощения равен 5,5·103 .
Содержание железа находят по калибровочной кривой, для построения которой наливают из микробюретки 0,1; 0,2;…1,0 мл стандартного раствора железа, разбавляют до 10 мл дистиллированной водой и продолжают, как при анализе пробы.
Определение железа(Ш). Это определение можно проводить только в тех случаях, когда пробу специально не обрабатывали с целью разрушения органических комплексных соединений, потому что при такой обработке железо (П) переходит в железо (Ш).
Определение проводят так же, как и определение общего содержания железа, за исключением того. Что анализируемый раствор предварительно нейтрализуют, определив необходимое количество щелочи титрованием отдельной порции пробы, и вместо раствора аммиака вводят в анализируемый раствор 0,1 мл соляной кислоты. Измеряют оптическую плотность полученного раствора при нм. Калибровочную кривую строят в таких же условиях[11].
2.2.9. Контроль за коррозией металла при помощи купонов
Купоны (пластинки) из различных материалов (углеродистая сталь, медь, латунь и т.п.), помещенные в оборотную воду, дают хорошее представление об условиях, имеющих место в данной системе и о виде коррозионных процессов. Скорость коррозии рассчитывается на основании потери веса купона за определенный промежуток времени.
Коррозионные купоны фирмы «Налко» взвешены, не требуют обработки перед применением и готовы к использованию. Для получения точного результата купоны должны устанавливаться в условиях, исключающих их загрязнение маслами и жирами. Даже прикосновение рукой влияет на точность результата.
Купоны устанавливаются в специальных змеевиках показанных на рис.12.

рис.12. Змеевики
Змеевик присоединяется к системе при помощи шланга или трубы. Существуют два варианта обеспечения протока воды через змеевик - со свободным сливом или в систему под давлением. В любом случае, подача воды в змеевик должна быть снизу, а выход сверху. Свободный конец купона должен быть ориентирован по направлению потока воды. Проток воды через змеевик должен составлять около 1 м/с (около 30 л/мин). При установке в одном змеевике купонов из различных материалов (например, меди и углеродистой стали) необходимо располагать углеродистые купоны перед медными, во избежание гальванической коррозии, которая может повлиять на точность результата.
Купоны вынимают через время, предусмотренное программой испытаний (обычно это 30, 60, 90 суток). После снятия купоны визуально проверяют на наличие отложений, местной (локальной) коррозии и т.п.
Процедура измерения потерь веса.
1. Очистить купон от отложений, не используя для этого металлические предметы, чтобы не повредить поверхность купона.
2. Погрузить купон на 30 минут в толуол (или любой другой растворитель) для удаления возможных следов масла.
3. Высушить купон на воздухе.
4. Погрузить купон на 30 секунд в ингибированную соляную кислоту.
5. Промыть купон под струей проточной воды.
6. Немедленно погрузить купон на 10 секунд в насыщенный содовый раствор для нейтрализации остатков кислоты.
7. Промыть купон в дистиллированной воде, обработать ацетоном и сушить в сушильном шкафу при 40-50 °С в течение 2 часов.
8. Охладить купон до комнатной температуры и взвесить его.
Скорость коррозии определяется по следующей формуле:
 
где m - потери веса (г);
- плотность металла (г/см3);
S - площадь поверхности купона (см2);
t- время выдержки (сут.).
Плотность металла: Углеродистая сталь - 7.85 кг/м3; Медь - 8.9 кг/м3; Адмиралтейская латунь - 8.17 кг/м3.
В случае, если отложения с поверхности купона не удается удалить в течение 30 секунд в ингибированной соляной кислоте, то необходимо повторить процедуру очистки купона применяя поправочный коэффициент - на каждое дополнительное погружение в кислоту (30 секунд) необходимо вычитать из полученных потерь веса 1 мг.
Состав ингибированной кислоты: 300 г. 30%-й формальдегид; 700 г. 10-20%-й раствор соляной кислоты.
Возможно использовать для изготовления простейшего змеевика водопроводные фитинги: колена, тройники, заглушки. В заглушке сверлится отверстие и нарезается резьба для вворачивания купонодержателя. Купонодержатель должен быть изготовлен из полипропилена, тефлона или фторопласта. Купон крепится к держателю при помощи пластиковых винтов и гаек. Для крепления нержавеющих купонов возможно использование нержавеющего крепежа[3].
 рис.13. Образцы заглушек с резьбовым углублением под купонодержатель.
 рис.14. Купонодержатель.
2.3 Требования к качеству сточных вод производства этилбензол - стирола цеха 46 завода «Мономер»
Нормы на качество и количество сточных вод, сбрасываемых с цехов и установок на очистные сооружения ОАО «Салаватнефтеогрсинтез» разрабатываются заместителем главного инженера по охране природы и утверждаются главным инженером объединения. Данные качества сточных вод сведены в таблицу 1.
Таблица 1[43]
Нормы на качество и количество сточных вод, сбрасываемых с водооборотного узла 1838 на очистные сооружения
| №№ |
Нормируемые показатели |
Допустимое количество |
| 1 |
Нефтепродукты, мг/дм3 |
25,0 |
| 2 |
Медь, мг/дм3 |
1,0 |
| 3 |
Взвешенные вещества, мг/дм3 |
50,0 |
| 4 |
Сульфаты,мг/дм3 |
50,0 |
| 5 |
Объем стоков, м3/ч |
90,0 |
2.4. Требования к качеству оборотной воды для обеспечения производства этилбензол - стирола цеха 46 завода «Мономер»
Нормы на качество и количество оборотной воды цеха 46 и установки 1838 цеха 46 завода «Мономер» ОАО «Салаватнефтеогрсинтез» разрабатываются главным технологом и утверждаются главным инженером объединения. Данные качества оборотной воды сведены в таблицу 2.
Таблица 2[2]
Требования предъявляемые к качеству оборотной воды
| №№ |
Наименование показателей |
Нормативное содержание |
| 1 |
Нефтепродукты, мг/дм3 не более |
25 |
| 2 |
Общая жесткость, мг/дм3 не более |
1000 |
| 3 |
Жесткость (кальций), мг/дм3 СаСО3 в пределах |
80-900 |
| 4 |
Массовая концентрация механических примесей, мг/дм3 не более |
25 |
| 5 |
Массовая концентрация «активного хлора», мг/дм3 не менее |
1,0 |
| 6 |
Массовая концентрация меди, мг/дм3 ,не более |
4,0 |
| 7 |
Водородный показатель, рН в пределах |
6,5-9,3 |
| 8 |
Щелочность, мг/дм3 СаСО3 не более |
500 |
| 9 |
Фосфаты органические, мг/дм3 не более |
6,9 |
| 10 |
Фосфаты (орто), мг/дм3 не более |
2 |
| 11 |
Железо, мг/дм3 не более |
1 |
| 12 |
Взвешенные вещества, мг/дм3 ,не более |
25 |
| 13 |
Сульфаты, мг/дм3 не более |
150 |
| 14 |
Микробиологический тест, кол./мл не более |
105 |
| 15 |
Скорость коррозии, мм/год не более |
0,1 |
| 16 |
Хлор свободный, мг/дм3 Сl2 не менее |
0,1 |
2.5. Данные о результатах анализов речной воды
Речная вода имеет щелочную среду рН=8,58 и имеет общую жесткость 349 мг/дм3. При этом кальциевая жесткость 233 мг/дм3 (66,87% от общей жесткости). Такой уровень жесткости является допустимым для использования речной воды для подпитки водооборотных систем. Незначительное содержание взвешенных веществ. По другим загрязняющим веществам не зарегистрировано превышение. Качество речной воды соответствует требованиям, которые предъявляются к воде, направляемой в качестве подпитки на водооборотный узел производства этилбензол - стирола цеха 46 завода «Мономер».
Данные о результатах анализов речной воды приведены в табл.3
Таблица 3
Качество речной воды
№
№
|
Наимнование показате-
лей качества
|
Номер пробы |
| 1 |
2 |
3 |
4 |
5 |
6 |
∑ср |
| 1 |
рН |
8,58 |
8,60 |
8,49 |
8,55 |
8,50 |
8,65 |
8,56 |
| 2 |
Взвешенные вещества,
мг/дм3
|
10,0 |
13,0 |
12,0 |
16,2 |
17,6 |
15,0 |
13,97 |
| 3 |
Жесткость общая,
мг/дм3
|
330 |
350 |
345 |
385 |
340 |
341 |
349 |
| 4 |
Жесткость кальцивая,
мг/дм3
|
232 |
228 |
222 |
238 |
220 |
258 |
233 |
| 5 |
Щелочность, мг/дм3 |
140 |
120 |
120 |
90 |
110 |
140 |
120 |
| 6 |
Сульфаты, мг/дм3 |
25,0 |
33,0 |
36,0 |
35,6 |
32,5 |
24,0 |
31,03 |
| 7 |
Нефтепродукты, мг/дм3 |
0,04 |
0,03 |
0,01 |
0 |
0 |
0,02 |
0,016 |
| 8 |
Хлориды, мг/дм3 |
39,5 |
48,2 |
40,0 |
36,8 |
45,9 |
52,4 |
43,8 |
| 9 |
Солесодержание,
мг/дм3
|
576.4 |
610,1 |
610,7 |
593,3 |
567,9 |
603,6 |
606,0 |
2.6. Описание технологической схемы водооборотного узла 1838 цеха 46 завода «Мономер»
С основного производства этилбензол - стирола на блок оборотного водоснабжения (объект 1838) поступает оборотная вода по двум трубопроводам диаметром – 800 мм с параметрами: температура не более 40°С, давление 2,5 - 3,5 кгс/см2. Оборотная вода поступает в нефтеотделитель. Нефтеотделитель представляет собой горизонтальный проточный отстойник, разделенный продольными стенками на две параллельно работающие секции. Оборотная вода по самостоятельным трубопроводам подается в каждую секцию нефтеотделителя, далее через распределительную трубу с патрубками и щелевую перегородку поступает в отстойную часть секции. В конце отстойной части вода пропускается под затопленной нефтеудерживающей стенкой и через водослив поступает в резервуар теплой воды. С резервуара теплой воды оборотная вода перекачивается насосами для охлаждения на градирни Г–1, Г-2, Г-3, Г-4. После охлаждения оборотная вода самотеком поступает в резервуар охлажденной воды.
Из резервуара охлажденной воды насосами оборотная вода двумя потоками по трубопроводу диаметром - 1200 мм подается на основное производство с параметрами: температура не более 28°С, давление не менее 5 кгс/см2 и расход не более 9728 м3/ч. При необходимости производится пополнение системы речной водой.
2.7. Обработка оборотной воды на блоке оборотного водоснабжения 1838 медным купоросом и ингибитором коррозии ИКБ – 4 «В»
Ингибирование
Ингибитор коррозии ИКБ-4 «В» предназначен для защиты металлов от коррозии в нейтральных водных и водно-нефтяных средах, в циркулирующей охлажденной воде. Защитное действие ингибитора основано на способности образовывать адсорбционную пленку на поверхности металлов, служащую барьером между агрессивной средой и металлом.
Товарный продукт ингибитора ИКБ-4 марки «В» представляет собой 50% пасту.
Физические свойства 50% пасты ИКБ-4 «В»:
внешний вид - мазеобразная паста
цвет - от желтого до темно-коричневого
запах - слабый специфический
содержание основного вещества, % 50
плотность, г/см 0,98 - 1,0
вязкость, сСт 160
температура застывания не выше, °С 70
температура вспышки, °С 205
температура воспламенения, °С 288
Ингибитор подается 10% раствором по трубопроводу диаметром 80мм в емкости. В емкостях осуществляется разбавление раствора до 5%, речной водой. При этом необходимо нагреть ингибитор до температуры плавления и смешать с водой при 80 - 90 0С емкости подается технический воздух для способствования смешивания путем барботажа. Первоначально, в пусковой период, с целью быстрого создания защитной пленки, 10% раствор ингибитора вводится в сеть горячей оборотной воды ударной дозой 200 г/м3, в течение 2,5-3 часов. После обработки всей оборотной воды ударной дозой, ингибитор подается в расчете на подпиточную воду дозой 100 мг/л. После стабилизации системы - по результатам анализа, концентрация ингибитора в оборотной воде должна поддерживаться на уровне 50 мг/л, которая определяется лабораторным анализом по разработанному графику. Пробы оборотной воды на анализ отбираются из резервуаров.
Хлорирование
Гипохлорит натрия применяется для дезинфекции оборотной воды с целью уничтожения бактерий, вызывающих биообрастание оборудования (теплообменных аппаратов, трубопроводов) на технологических установках цеха 46.
Гипохлорит натрия - жидкость зеленовато-желтого цвета (в день отгрузки) до красновато-коричневого цвета (по истечении 10 суток со дня отгрузки), малотоксичная.
При дезинфекции оборотной воды происходит следующая реакция:
3NaOCl + 3H2O=3NaOH + НС1О3
Образовавшаяся хлорноватистая кислота НС1О3 неустойчива и разлагается НС1Оз=НС1+ЗО, освободившийся кислород окисляет вещества, входящие в состав платоплазмы клеток, вследствие чего микроорганизм погибает.
Гипохлорит натрия на блок оборотного водоснабжения поступает в автоцистернах и закачивается в емкости. Из емкостей дозировочными насосами подается в резервуары охлажденной воды и в сети теплой воды, подающие воду на градирни.
Хлорирование осуществляется гипохлоритом натрия 2-6 раз в сутки. Для предупреждения биологического обрастания микроорганизмами, водорослями градирен (водораспределительные трубопроводы, ороситель, каркас, обшивка и резервуар) применяется дополнительное хлорирование 3-4 раза в месяц в течение 1 часа.
Доза хлора должна обеспечивать содержание остаточного активного хлора в оборотной воде в пределах I мг/л.
Купоросирование
Медный купорос представляет собой порошкообразное вещество синего цвета, является малотоксичным веществом. Обработка воды медным купоросом направлена главным образом на борьбу с водорослями, развивающимися на градирнях (водораспределительные трубопроводы, ороситель, каркас, обшивка и резервуар). Действие меди на водоросли в воде можно представить следующим образом:
Введенная в воду серно - кислая медь диссоциирует на ионы:
CuS04= Cu2+ +SO42-
Ионы меди (Cu2+) быстро проходят через оболочку клетки водоросли и действуют на внутриклеточное вещество или осуществляют коагуляцию на ней белка, вследствие чего нарушается обмен веществ между внешней средой и организмом, и организм погибает.
Концентрация рабочего раствора 4%. Емкость медного купороса рассчитана на одну обработку. Для способствования растворения медного купороса в воде в емкость подается технический воздух для перемешивания путем барботажа.
Концентрация ионов меди в оборотной воде в первые часы после введения должна быть 1- 4 мг/л.
Введенный в воду реагент вступает в реакцию или сорбируется биологическими обрастаниями, в результате концентрация его в воде уменьшается, при этом снижение концентрации ионов меди в оборотной воде в первые часы проходит быстрее, чем в последующие[2].
2.8. Данные о результатах анализов качества сточных вод при обработке оборотной воды медным купоросом и ингибитором ИКБ-4 «В»
На блоке оборотного водоснабжения имеются системы производственной, ливневой, фекальной канализации.
Стоки производственной канализации формируются за счет опорожнения градирен, нефтеотделителя при подготовке к капитальному ремонту, перелива с нефтеотделителя и организованных сборов при продувке и отводов утечек воды через сальниковые уплотнения насосов.
Стоки ливневой канализации формируются за счет талых и дождевых вод, перелива из чаш градирен.
Таблица 4
Качество сточных вод при обработке оборотной воды медным купоросом и ингибитором ИКБ-4 «В»
| №№ |
Нормируемые показатели |
Количество |
| 1 |
Нефтепродукты, мг/дм3 |
30,0 |
| 2 |
Медь, мг/дм3 |
3,0 |
| 3 |
Взвешенные вещества, мг/дм3 |
16,0 |
| 4 |
Сульфаты,мг/дм3 |
57,0 |
| 5 |
Объем стоков, м3/ч |
85,0 |
Таблица № 5
Сточные воды водооборотного узла 1838 цеха 46.
| № п/п |
Наименование стока |
Количественные образования сточных вод, м3/ч. |
Периодичность сброса. |
Место сброса. |
Установленная норма содержания загрязнителей стоков, мг/дм3 не более |
| 1 |
Вода после охлаждения сальниковых уплотнений насосов |
0,6 |
Постоянно |
В производственную канализацию колодец КГ -13. |
Нефтепродукты - 25; Медь – 1; Взвешенные вещества — 50; Сульфаты-50. |
| 2 |
Вода при освобождении нефтеотделителя |
70,0 |
Периодически при подготовке к капитальному ремонту. |
В производственную канализацию колодец КГ -13. |
Нефтепродукты - 25; Медь – 1; Взвешенные вещества — 50; Сульфаты-50. |
| 3 |
Вода из нефтеотделителя при переливе |
25,0 |
Периодически |
В производственную канализацию колодец КГ- 13. |
Нефтепродукты - 25; Медь – 1; Взвешенные вещества — 50; Сульфаты-50. |
| 4 |
Вода при освобождении градирен и резервуаров при продувках |
85,0 |
Постоянно |
Производственная канализация КГ - 37 |
Нефтепродукты - 25; Медь – 1; Взвешенные вещества — 50; Сульфаты-50. |
| 5 |
Вода из чаш градирен при переливе |
25,0 |
Периодически |
В ливневую канализацию колодец № 14 |
Нефтепродукты - 25; Медь – 1; Взвешенные вещества — 50; Сульфаты-50. |

рис. 15. Схема образования сточных вод на водооборотном узле 1838 цеха 46.
2.9. Данные о результатах анализов качества оборотной воды при обработке медным купоросом и ингибитором ИКБ – 4 «В»
Данные о результатах анализов оборотной воды приведены в табл. 6. Оборотная вода характеризуются высоким водородным показателем рН=8,6 и значительными органическими загрязнениями, при чем необходимо отметить, что большое количество органических загрязнений находится в растворенном виде. Содержание взвешенных веществ составляет 5,01 мг/л. Зарегистрировано превышение показателей качества оборотной воды по нефтепродуктам, скорости коррозии.
Таблица 6
Качество оборотной воды при обработке медным купоросом и ингибитором ИКБ-4 «В»
№
№
|
Наимнование показате-
лей качества
|
Номер пробы |
| 1 |
2 |
3 |
4 |
5 |
∑ср |
| 1 |
Нефтепродукты, мг/дм3 |
37,0 |
25,0 |
35,8 |
14,0 |
23,0 |
30,0 |
| 2 |
Общая жесткость, мг/дм3 |
220 |
230 |
210 |
300 |
280 |
248 |
| 3 |
Жесткость (кальций), мг/дм3 СаСО3 |
200 |
160 |
130 |
200 |
190 |
176 |
| 4 |
Массовая концентрация механических примесей, мг/дм3 |
17,0 |
10,4 |
8,3 |
25,0 |
15,0 |
15,1 |
| 5 |
Массовая концентрация свободного хлора, мг/дм3 |
0,78 |
0,92 |
1,17 |
0,36 |
1,10 |
0,87 |
| 6 |
Массовая концентрация меди, мг/дм3 |
3,36 |
2,91 |
2,56 |
2,30 |
3,02 |
3,0 |
| 7 |
Водородный показатель, рН |
8,6 |
8,9 |
8,7 |
8,5 |
8,6 |
8,6 |
| 8 |
Щелочность, мг/дм3 СаСО3 |
244 |
340 |
268 |
280 |
404 |
307 |
| 9 |
Железо, мг/дм3 |
0,81 |
0,65 |
0,72 |
0,59 |
0,75 |
0,70 |
| 10 |
Взвешенные вещества, мг/дм3 |
11,,3 |
15,9 |
18,7 |
19,05 |
14,2 |
16,0 |
| 11 |
Сульфаты, мг/дм3 |
56 |
49 |
61 |
48 |
60 |
57 |
| 12 |
Микробиологический тест, кол./мл |
- |
- |
- |
- |
- |
- |
| 13 |
Скорость коррозии, мм/год |
0,10 |
0,16 |
0,17 |
0,09 |
0,12 |
0,15 |
3. ЭКСПЕРИМЕНТАЛЬНАЯ ЧАСТЬ
3.1. Усовершенствование метода водоподготовки производства этилбензол-стирола реагентами фирмы «
Nalco
»
Вода является основным охлаждающим агентом, используемым во всех отраслях промышленности. Использование воды в качестве охлаждающего агента приводит к возникновению проблем коррозии, образованию накипи, загрязнения, развития и роста микроорганизмов в водооборотных циклах, образованию сточных вод.
Данные проблемы оказывают серьезное влияние на процесс производства, снижая эффективность теплопередачи, увеличивая расход энергии и повышая эксплуатационные затраты, приводя к сокращению или полным остановкам производства.
Все эти проблемы тесно связаны между собой и программы обработки оборотной воды учитывают их комплексное решение. Задача реагентной обработки «На1со» - предотвратить выпадение солей жесткости и отложение микробиологических загрязнений в теплообменном оборудовании, а также обеспечить коррозионную защиту оборудования водооборотных циклов.
В охлаждающих системах оборотного водоснабжения циркуляционная вода выполняет роль охлаждающего агента, отводя избыточную теплоту с поверхности нагрева теплообменных аппаратов, машин, агрегатов и другого оборудования установленного в цехе №46 завода «Мономер».
В целях возможности использования в качестве реагентной обработки оборотной воды цеха 46 реагентами фирмы «Nalco» и гипохлоритом натрия взамен купоросирования и ингибирования были смоделированы процессы перевода обработки воды вышеуказанными реагентами.
3.2. Характеристика реагентов фирмы «
Nalco
»
[44]
NALCO 73424 - «полностью органический» ингибитор коррозии и отложений для открытых рециркуляционных охлаждающих систем. Разработан для применения в условиях высокой щелочности, позволяя минимизировать или исключить подачу кислоты. Благодаря своей формуле реагент эффективен для широкого спектра рабочих параметров. Более всего подходит для обработки воды, когда щелочность в рециркуляционных системах концентрируется естественным образом или где ее можно отрегулировать в пределах от 300 - 500 мг/л. NALCO 73424 является смесью специальных органических пленкообразователей, органических фосфорных соединений и органических полимеров. Коррозионную защиту оборудования реагент обеспечивает за счет использования присутствующих в оборотной воде щелочности и жесткости, т.е. за счет образования на поверхности металла защитной пленки, состоящей из фосфатов железа и кальция, а также карбонатов кальция. Поэтому работа применяемой программы обработки в диапазоне щелочности выше 300 мг/л СаСО3 является необходимым условием эффективности работы реагента, т.к. низкие щелочность и кальциевая жесткость оборотной воды снижают образование защитной пленки на поверхности металла.
Назначение:
- предотвращает образование отложений в сильнощелочной среде;
- обеспечивает эффективную защиту от коррозии углеродистой стали и цветных металлов;
- отличная способность диспергировать частицы;
- нормализует показатели качества воды: регулирует повышенный уровень железа в воде подпитки, способствует быстрому восстановлению необходимого уровня рН;
- снижает или исключает подачу кислоты.
Цвет – коричневый; рН-3,2; плотность - 1,25кг/л; точка замерзания минус 12°С.
NALCO 8506 - является дисперсантом нефтепродуктов и микробиологических шламовых отложений. В качестве дисперсанта NALCO 8506 блокирует формирование отложений взвешенных частиц, нефтепродуктов и микроорганизмов, поддерживая их во взвешенном состоянии. NALCO 8506 повышает эффективность использования биоцидов (хлора или брома), обеспечивая лучшее проникновение биоцида в массу отложений.
Назначение:
- диспергирует и предотвращает отложения слизи;
- увеличивает эффективность теплопередачи;
- повышает эффективность процесса хлорирования и биоцидной обработки;
- помогает уменьшить затраты на ремонт и продлевает срок службы оборудования.
Цвет темно-коричневый; рН-7,5; плотность 1,07кг/л; точка замерзания - минус 7°С.
3.3. Расчет расхода реагентов фирмы «
NALCO
» необходимого для достижения оптимальных показателей качества оборотной воды
Важно отметить, что качественный и количественный состав циркуляционный воды, находящейся в обороте, с течением времени претерпевает существенные изменения в результате физико-химических и биологических процессов, протекающих в системе. Оборотная вода многократно и последовательно нагревается, охлаждается, упаривается, частично теряется при испарении, капельном уносе в атмосферу и становится более минерализованной и обогащенной взвешенными веществами; при этом происходит нарушение ее стабильности, вследствие чего вода приобретает коррозионные или способность к отложению солей.
Для достижения требований по качеству к оборотной воде, направляемой на производство, в целях замены реагентов (медного купороса и ингибитора коррозии ИКБ – 4 «В») были проведены опыты по обработке оборотной воды реагентами фирмы «NALCO» 8506, 73424.
Принимаем расход реагентов из расчета показателей работы водооборотного узла:
- объем системы – 10000м3;
- циркуляция в системе – 12600 м3/час;
- разность температур оборотной воды Т – 12 0С;
- коэффициент упаривания в системе – 4;
- испарение в системе – 135 м3/час;
- продувка в канализацию – 85 м3/час;
- подпитка системы речной водой – 180 м3/час.
Процесс исследовали при различных концентрациях реагентов фирмы «NALCO» 8506, 73424 Контролировали параметры: фосфаты органические, фосфаты (орто), нефтепродукты, медь, рН, сульфаты, жесткость общая, жесткость кальциевая, щелочность, взвешенные вещества, железо.
Динамика процесса изучалась непосредственно на водооборотном узле.
Программа испытаний:
1. Первоначально, в пусковой период, с целью быстрого создания защитной пленки производили шоковую подачу реагента NALCO 8506 в приемную камеру циркуляционных насосов с дозировкой 30 мг/л (300 кг).
2. Через 2 часа после подачи реагента отбирали пробы оборотной воды и делали анализы на содержание железа. В случае, если уровень железа превышал 2 мг/л увеличивали продувку и доводили содержание железа в оборотной воде до уровня менее 2 мг/л.
3. После обработки всей оборотной воды ударной дозой, ингибитор NALCO 8506 подавали в расчете на подпиточную воду дозой 5, 10, 15 мг/дм3 (это соответствует расходу 0,225; 0,45; 0,675 кг/час). Отбор проб на анализ оборотной воды производился из трубопровода обратной воды.
4. Первоначально, в пусковой период, с целью быстрого создания защитной пленки производили шоковую подачу реагента NALCO 73424 из расчета содержания реагента 100 мг/л в объеме оборотной воды (около 1000 кг).
5. После обработки всей оборотной воды ударной дозой, ингибитор NALCO 73424 подавали в расчете на подпиточную воду дозой 50,00; 60,00; 70,00 мг/дм3 (это соответствует расходу 2,30; 2,70; 3,20 кг/час). Отбор проб на анализ оборотной воды производился из трубопровода обратной воды.
6. Гипохлорит натрия дозировали в приемную камеру циркуляционных насосов дважды в день подавали 500 кг гипохлорита натрия.
3.4.
Результаты эксперимента с применением реагентов фирмы
NALCO
Проанализировали полученные результаты экспериментов. По результатам исследований (табл.8 ) при изменении дозы реагентов фирмы NALCO меняются показатели качества оборотной воды. Согласно требований предъявляемых к качеству оборотной воды (табл.№2) оптимальной дозой для реагента NALCO 73424 является 60,00 мг/м3; для реагента реагента NALCO 8506 является 10 мг/м3.
Таблица №7
Расход реагентов на поддержание требуемой концентрации
| Реагент |
Дозировка |
Расход |
Расход |
| мг/дм3 |
кг/час |
кг/год |
| NALCO 73424 |
60,0 |
2,7 |
21600 |
| NALCO 8506 |
10,0 |
0,5 |
3600 |
В исследовательской части были представлены результаты анализов качества сточной, оборотной и речной воды водооборотной системы производства цеха 46.
Для эффективной работы реагентов фирмы «NALKO» являются следующие параметры оборотной воды:
- рН – 8,6 - 9,3;
- жесткость Са - 80-900 мг/дм3;
- щелочность - 300-550 мг/дм3.
Предлагаемая программа обработки обеспечивает коррозионную защиту оборудования за счет образования на поверхности металла защитной пленки, состоящей из фосфонатов железа и кальция, а также карбонатов кальция. Именно поэтому работа предлагаемой программы в правильном диапазоне щелочности и жесткости является необходимым условием эффективности работы реагента, так как низкие щелочность и кальциевая жесткость оборотной воды снижают образование защитной пленки на поверхности металла.
В связи с этим для обеспечения эффективности работы предлагаемой программы реагентной обработки и защиты оборудования от коррозии необходимо поддерживать щелочность в оборотной системе на уровне не ниже 300 мг/дм3 СаСО3 за счет продувки.
Таблица №8
Результаты эксперимента с применением реагентов фирмы NALCO 8506, 73424
| Доза реагента NALCO 73424, кг/час |
Концентрация реагента NALCO 73424 мг/дм3 |
Доза реагента NALCO 8506, кг/час |
Концентрация реагента NALCO 8506 мг/дм3 |
Наименование показателей качества оборотной воды |
| Фосфаты органические мг/дм3 |
Фосфаты (орто) мг/дм3 |
Нефтепродукты
мг/дм3
|
Медь
мг/дм3
|
Водородный показатель, рН |
Сульфаты мг/дм3 |
Общая жесткость мг/дм3 |
Жесткость (кальций) мг/дм3 СаСО3 |
Щелочность, мг/дм3 СаСО3 |
Микробиологический тест, кол./мл |
Скорость коррозии, мм/год |
Хлор свободный, мг/дм3 Сl2 не менее |
Железо, мг/дм3 |
| 2,30 |
50,00 |
0,23 |
5,00 |
4,00 |
1,00 |
2,00 |
- |
9,30 |
25,00 |
600 |
360 |
388 |
106 |
0,06 |
0,13 |
1,50 |
| 2,70 |
60,00 |
0,45 |
10,00 |
5,89 |
1,79 |
1,60 |
- |
8,76 |
27,00 |
370 |
200 |
320 |
104 |
0,03 |
0,17 |
0,89 |
| 3,20 |
70,00 |
0,68 |
15,00 |
7,89 |
4,40 |
1,45 |
- |
8,47 |
26,00 |
110 |
60 |
90 |
103 |
0,03 |
0,18 |
0,67 |
3.5.
Обобщение результатов исследований
Обобщенные результаты изменения качества сточных вод при обработке оборотной воды медным купоросом с ингибитором коррозии ИКБ – 4 «В» и реагентами фирмы «NALCO» приведены в таблице 9.
Таблица №9
Показатели качества сточных вод водооборотного узла №1838 цеха 46 завода «Мономер» ОАО «Салаватнефтеоргсинтез» до применения реагентов фирмы «NALCO» и после их применения
| № п/п |
Наименование показателей качества |
Ед.измер. |
Нормативное
содержание
|
Фактическое содержание после обработки оборотной воды |
| Медным купоросом и ингибитором коррозии ИКБ – 4 «В» |
реагентами фирмы «NALCO» |
| 1. |
Нефтепродукты |
мг/дм3 |
25,0 |
30 |
1,6 |
| 2. |
Медь |
-/- |
1,0 |
3,0 |
- |
| 3. |
Сульфаты |
-/- |
50 |
57 |
27 |
| 4. |
Взвешенные
вещества
|
-/- |
50 |
16 |
14 |
| 5. |
Объем |
м3/ч |
90 |
85 |
80 |
Примечание: Сокращение сточных вод происходит за счет того что отпадает необходимость использование речной воды на приготовления растворов медного купороса и ингибитора коррозии ИКБ – 4 «В».
Обобщенные результаты изменения качества оборотной воды при обработке медным купоросом с ингибитором коррозии ИКБ – 4 «В» и реагентами фирмы «NALCO» приведены в таблице 10.
Таблица №10
Показатели качества оборотной воды водооборотного узла №1838 цеха 46 завода «Мономер» ОАО «Салаватнефтеоргсинтез» до применения реагентов фирмы «NALCO» и после их применения
| № п/п |
Наименование показателей качества |
Нормативное
содержание
|
Фактическое содержание после обработки оборотной воды |
| Медным купоросом и ингибитором коррозии ИКБ – 4 «В» |
реагентами фирмы «NALCO» |
| 1 |
Нефтепродукты, мг/дм3 не более |
25,0 |
30,0 |
1,60 |
| 2 |
Общая жесткость, мг/дм3 не более |
1000 |
248 |
370 |
| 3 |
Жесткость (кальций), мг/дм3 СаСО3 в пределах |
80-900 |
176 |
200 |
| 4 |
Массовая концентрация меди, мг/дм3 не более |
4,0 |
3,0 |
- |
| 5 |
Водородный показатель, рН |
6,5-9,3 |
8,60 |
8,76 |
| 6 |
Щелочность, мг/дм3 СаСО3 не более |
500 |
307 |
320 |
| 7 |
Железо, мг/дм3 не более |
1,0 |
0,70 |
0,89 |
| 8 |
Сульфаты, мг/дм3 не более |
150 |
57 |
27 |
| 9 |
Микробиологический тест, кол./мл не более |
105 |
- |
104 |
| 10 |
Фосфаты органические мг/дм3 не более |
6,9 |
- |
5,8 |
| 11 |
Фосфаты (орто) мг/дм3 не более |
2,0 |
- |
1,79 |
| 12 |
Скорость коррозии, мм/год не более |
0,1 |
0,15 |
0,03 |
| 13 |
Хлор свободный, мг/дм3 Сl2 не менее |
0,1 |
0,87 |
0,17 |
Предлагаемая программа обработки обеспечивает коррозионную защиту оборудования за счет образования на поверхности металла защитной пленки, состоящей из фосфонатов железа и кальция, а также карбонатов кальция. Именно поэтому работа предлагаемой программы в правильном диапазоне щелочности и жесткости является необходимым условием эффективности работы реагента, так как низкие щелочность и кальциевая жесткость оборотной воды снижают образование защитной пленки на поверхности металла.
В связи с этим для обеспечения эффективности работы предлагаемой программы реагентной обработки и защиты оборудования от коррозии необходимо поддерживать щелочность в оборотной системе на уровне не ниже 300 мг/дм3 СаСО3 за счет продувки.
4. ЭКОЛОГО - ЭКОНОМИЧЕСКАЯ ЧАСТЬ
4.1. Платежи за использование водными объектами
В России действует весьма разветвленная система платежей за пользование природными ресурсами. Для субъектов хозяйственной деятельности платным является пользование всеми основными природными ресурсами: земельными, лесными, объектами животного мира и водными биологическими ресурсами, месторождениями полезных ископаемых[34].
В настоящее время в Российской федерации, согласно Федерального закона «О плате за пользование водными объектами» плата взимается за:
- забор воды из водных объектов;
- удовлетворение потребностей в воде гидроэнергетики;
- использование акватории водных объектов для лесосплава, добычи полезных ископаемых, организованной рекреации, размещения плавательных средств, коммуникаций, зданий, сооружений, установок и оборудования для проведения буровых, строительных и иных работ;
- осуществление сброса сточных вод в водные объекты.
При этом минимальные и максимальные ставки платы за пользование водными объектами по бассейнам рек, озер, морям, экономическим районам России устанавливаются централизованно Правительством РФ. Так, в настоящее время за забор из поверхностных водных источников 1 тыс.м3 воды минимальная и максимальная ставки соответственно равны 30,0-176,0 руб. На этой основе законодательными (представительными) органами субъектов Российской Федерации определяются конкретные ставки платы по категориям плательщиков в зависимости от вида пользования водными объектами, их состояния и т.п. Суммы платы включается в себестоимость продукции (работ, услуг) [44].
Платежи за сбор воды из водных объектов, а также за сброс сточных вод доводятся до плательщиков в совокупности с лимитами водопользования (месячными и годовыми). При превышении этих лимитов ставки платы в соответствии с Законом «О плате за пользование водными объектами» увеличиваются в 5 раз в сравнении с базовым уровнем. Одновременное применение платежей и экологических нормативов является примером совместного использования экономических и административных подходов к управлению природопользованием. И такой порядок призван стимулировать охрану и рациональное использование водных ресурсов. Пользование водными объектами, как и недрами, осуществляется на основе лицензионного договора. При его отсутствии ставки платежей также увеличиваются в 5 раз.
Платежи за пользование водными объектами зачисляются федеральный и бюджет субъекта РФ в пропорции 40 и 60% соответственно. Централизуемые в результате этого средства не менее чем на половину должны направляться на мероприятия по восстановлению и охране водных объектов.
4.2. Определение величины предотвращенного экологического ущерба
Предотвращенный экологический ущерб от загрязнения водных ресурсов представляет собой оценку в денежной форме возможных отрицательных последствий водным ресурсам (материальные и финансовые потери и убытки в результате снижения биопродуктивности водных экосистем, ухудшения потребительских свойств воды как природного ресурса, дополнительных затрат на ликвидацию последствия загрязнения вод и восстановления качества, а также выраженный в стоимостной форме вред здоровью населения), которые в рассматриваемый период времени удалось избежать (предотвратить, не допустить) в результате проведения комплекса организационно-экономических, контрольно-аналитических и технико-технологических мероприятий по охране водных ресурсов.
Формула расчета предотвращенного экологического ущерба водным ресурсам в рассматриваемом r-ом регионе в результате осуществления n-го направления природоохранной деятельности по k-ому объекту (предприятию) в течение периода времени имеет следующий вид:
, тыс.руб (15)
где - показатель удельного ущерба (цены загрязнения) водным ресурсам, наносимого единицей (усл.т) приведенной массы загрязняющих веществ на конец отчетного периода для i-го водного объекта в рассматриваемом r-ом регионе, руб./усл.т (для Республики Башкортостан – 9712 руб/усл.т.);
- принимаем = 9712 руб/усл.т.;
- коэффициент экологической ситуации и экологической значимости состояния водных объектов по бассейнам основных рек (для бассейна р.Белой Республики Башкортостан равен 1,09…1,14);
- принимаем = 1,1;
- приведенная масса загрязняющих веществ, не поступивших (не допущенных к сбросу) в i-ый водный источник с k-го объекта в результате осуществления n-го направления природоохранной деятельности в течение отчетного периода времени, тыс.усл.т:
(16)
где - фактическая масса снимаемого (не допущенного к попаданию в водный источник) i-го загрязняющего вещества или группы веществ с одинаковым коэффициентом относительной эколого-экономической опасности на k-ом объекте (или в результате осуществления k-ого водоохранного мероприятия) за 2004 год, т;
рассчитывается с учетом снижения концентрации (таблица 9), = 0,25 кг/час = 1,9 т/год;
рассчитывается с учетом снижения концентрации (таблица 9), = 0,026 кг/час = 0,2 т/г;
рассчитывается с учетом снижения концентрации (таблица 9), = 0, 25 кг/час = 2,0 т/г;
- коэффициент относительной эколого-экономической опасности для i-го загрязняющего вещества или группы веществ (таблица 3.1 );
= 20,00
= 550,00
= 0,05
i - вид загрязняющего вещества или группы веществ;
n – число учитываемых загрязняющих веществ.
Mвnk= (1,90·20,00)+(0,20·550,00)+(2,00·0,05)= 148,10 руб/год
Yипrn= (9712,00·148,10) ·1,10 = 158662,27 руб
4.3. Экономическая оценка ущерба от загрязнения сточными водами
Экономическая оценка ущерба водоемам производится по формуле:
, руб (17)
где: ρ -денежная оценка единицы сбросов в усл.т.руб./усл.т.
ρ = 6000 руб./усл.т.;
β - коэффициент позволяющий учесть особенности водоема,
подверженного вредному воздействию (приложение 1, таблица 3) ;
Di - коэффициент приведения примеси вида i к монозагрязнителю,
усл.т/т;
νi – масса сброса i-го вида примеси, т.
zводн = 6000·1,2·[(15·1,9)+(25·0,2)+(0,05·2,0)] = 579544 руб.
5. Безопасность жизнедеятельности
Техника безопасности труда изучает вопросы безопасности и безвредности труда на производстве и является системой организационных и технических мероприятий и средств, с помощью которых предотвращается воздействие на работающих опасных производственных факторов. Она непрерывно связана с техникой производства и организацией труда и занимается изучением не только производственного оборудования и производственных условий, но и трудовых процессов, поведения людей на работе [36].
5.1. Производственная безопасность
Производственный шум
Шум – это беспорядочное сочетание звуков различной частоты и интенсивности (силы), возникающих при механических колебаниях в твердых, жидких или газообразных средах, воспринимаемых органами слуха человека и вызывающих неприятное субъективное ощущение.
Характер производственного шума зависит от вида его источников: механический – в результате работы различных механизмов; ударный – ковка, клепка; аэродинамический – при движении воздуха по трубопроводам, вентиляционным системам; взрывной – при работе двигателей внутреннего сгорания, дизелей.
Неблагоприятное действие шума на организм зависит от нескольких факторов: длительности, интенсивности, спектрального состава, сопутствующих вредных производственных факторов.
Различают 4 степени шума:
1 степень – шум с интенсивностью до 40-50 дБ, при котором возникают психические реакции;
2 степень – шум с интенсивностью до 60-80 дБ, при котором наблюдаются расстройства вегетативной нервной системы;
3 степень – 90-100 дБ – отмечается понижение слуха;
4 степень – уровень шума выше 120 дБ – повреждение органов слуха.
Человеческое ухо воспринимает звуковые колебания с частотой f = 16…20000 Гц. Колебания с частотой ниже 16 Гц (инфразвук) и выше 20000 Гц (ультразвук) не воспринимаются органами слуха, хотя они в определенной степени оказывают вредное влияние на организм человека.
Воздействие интенсивного шума приводит к головной боли, несистематическому головокружению, снижению памяти, понижению слуховых функций и глухоте, нарушениям сна, снижению производительности труда, значительному нарушению умственной работоспособности.
Нормирование допустимых уровней шума производится в соответствии с ГОСТ 12.1.003 – 88 “Шум. Общие требования безопасности” и СН 3223- 85 “Санитарные нормы допустимых уровней шума на рабочих местах”.
В результате измерений шума получены следующие значения звука:
L1 = 54 дБ, L2 = 52 дБ, L3 = 50 дБ.
Нам необходимо определить средний уровень звука, средние октавные уровни звукового давления постоянного шума, эквивалентные уровни звука. Среднее значение уровней звукового давления определяется по формуле:
Lср = Lсумм - 10 lgn
Суммирование измеренных уровней L1, L2, L3 … Ln производится попарно и последовательно.
1) по разности двух уровней L1 и L2 по табл. 12 определяем величину добавки DL;
2) величину добавки DL прибавляем к большему уровню, в результате чего получаем уровень L1,2 = L + DL;
3) уровень L1,2 таким же образом суммируют с уровнем L3 и получают уровень L1,2,3 и т.д.
4) результат Lсумм. Округляют до целого числа;
5) по табл. 13 находим величину 10 lgn для трех уровней и вычисляем окончательный результат.
Таблица 11
Величина добавки
| Разность слагаемых уровней L1 и L2, дБ |
0 |
1 |
2 |
3 |
4 |
5 |
6 |
7 |
8 |
10 |
| Добавка прибавляе-мая к большему из уровней. ДБ |
3 |
2,5 |
2,2 |
1,8 |
1,5 |
1,2 |
1 |
0,8 |
0,6 |
0,4 |
Таблица 12
Значение 10 lgn в зависимости от n
| Число уровней или источников, n |
1 |
2 |
3 |
4 |
5 |
6 |
8 |
10 |
20 |
30 |
50 |
100 |
| 10 lgn, АЕ |
0 |
3 |
5 |
6 |
7 |
8 |
9 |
10 |
13 |
15 |
17 |
20 |
Результаты расчетов: 54 – 52 = 2 дБ, т.е. DL = 2,2;
L1,2 = 54 + 2,2 = 56,2 дБ;
56,2 – 50 = 6,2 дБ, т.е. DL = 1
Lсумм. = 56,2 + 1 = 57 дБ;
Значение 10 lgn для трех уровней равно 5.
Окончательный результат 57– 5 = 52 дБ.
Вывод: уровень звука в пределах нормы.
Производственное освещение.
Освещение - использование световой энергии солнца и искусственных источников света для обеспечения зрительного восприятия окружающего мира. В производственных помещениях используется три вида освещения: естественное (источником является солнце), искусственное (когда используются только искусственные источники света), совмещенное или смешанное (одновременное сочетание естественного и искусственного освещения).
Совместное освещение применяется в том случае, когда только естественное освещение не может обеспечить необходимые условия для выполнения производственных операций.
Основным количественным показателем освещения являются: световой поток, сила света, освещенность и яркость.
Для того, чтобы обеспечить требования, предъявляемые действующими нормами (СниП 23-05-95) к освещению производственных помещений (как естественного, так и искусственного), требуется проводить расчет выбранной системы освещения. Целью таких расчетов является обеспечение на рабочих местах достаточного уровня освещения соответствующего нормативному значению качественных показателей систем освещения.
Естественное освещение
Расчет естественного освещения сводится к определению необходимой площади световых проемов (окон, световых фонарей), обеспечивающих нормированные значения К.Е.О (коэффициент естественного освещения), т.е. достаточный уровень освещения.
К.Е.О. – это отношение освещенности в данной точке помещения к одновременной наружной освещенности в условиях рассеянного света, выраженное в процентах.
Необоснованное увеличение остекленных поверхностей, например, сплошное остекление наружных стен может привести к дискомфорту, ухудшению видимости.
“Строительными нормами и правилами” (СниП 23-05-95) рекомендуется определять требуемую площадь светопроемов следующим образом:
Sο = Sn Ен η Кзд / 100 το r1, где
Sο - площадь световых проемов окон, м2;
Sn - площадь пола, м2;
Ен - нормированное значение К.Е.О., лк;
η - световая характеристика окна, равная площади светового проема в % от площади пола при К.Е.О. = 1% (определяемая в зависимости от соотношения длины помещения к его глубине, а также расстояния от уровня рабочей поверхности до верхнего края окна);
το - общий коэффициент светопропускания, определяемый как произведе-ние частных коэффициентов светопропускания;
το = τ1 · τ2 · τ3, где
τ1, τ2, τ3 - соответственно коэффициенты, учитывающие потери света в светопропускающем материале вследствие затенения переплетами, от слоя загрязнения стекла, вследствие затенения несущими конструкциями;
r1 - коэффициент, учитывающий повышение К.Е.О. при боковом освеще-нии за счет света, отраженного от внутренних поверхностей помещения (стен, потолка, рабочих поверхностей).
Кзд – коэффициент, учитывающий затенение окон противостоящими зда-ниями;
Произведем расчёт:
το = 0,8 · 0,6 · 0,7 = 0,336
Sο = 40 ·1,5 ·11 ·1 / 100 · 0,336 · 1,73 = 11,55 м2.
Это и есть необходимая площадь световых проемов.
Искусственное освещение
Источниками света при искусственном освещении являются газоразрядные лампы и лампы накаливания.
Газоразрядные лампы предпочтительнее для применения в системах искусственного освещения. Световой поток от газоразрядных ламп по спектральному составу близок к естественному освещению и потому более благоприятен для зрения. Однако эти дампы имеют существенные недостатки к числу которых относится пульсация светового потока, благодаря которой возникает стробоскопический эффект, который проявляется в искажении зрительного восприятия объектов. Это явление ведет к увеличению опасности производственного травматизма и делает невозможным выполнение некоторых производственных операций.
Лампы накаливания, в которых свечение возникает путем нагревания нити накала до высоких температур. Недостатком этих ламп является низкая световая отдача и преобладание излучения в желто-красной части спектра, что искажает цветовое восприятие. Все большее распространение получают лампы накаливания с йодным циклом – галоидные лампы, которые имеют лучший спектральный состав света.
5.2 Защита населения и территорий от чрезвычайных ситуаций
21.12.1994 г. Был принят закон “О защите населения и территорий от чрезвычайных ситуаций природного и техногенного характера”.
В соответствии с ним Министром РФ по делам гражданской обороны, чрезвычайным ситуациям и ликвидации последствий стихийных бедствий была утверждена “Программа подготовки рабочих, служащих, работников сельского хозяйства и неработающего населения к действиям в чрезвычайных ситуациях”[40].
27.07.1995 г. Постановлением Правительства РФ № 738 определен порядок подготовки населения в области защиты от чрезвычайных ситуаций, который устанавливает, что подготовка населения от чрезвычайных ситуаций природного и техногенного характера должна осуществляться на предприятиях, в учреждениях, организациях, независимо от их организацион- но-правовой формы, а также по месту жительства, по соответствующим возрастным или социальным группам.
В результате крупных аварий, катастроф на химических и радиационно опасных объектах, при перевозке сильнодействующих ядовитых веществ люди, окружающая среда, здания, сооружения, транспортные средства и техника, вода, продовольствие и пищевое сырье могут быть поражены СДЯВ и РВ. Необходимость обеззараживания возникает также при массовых инфекционных заболеваниях людей и животных.
Для того чтобы исключить вредное воздействие на человека и животных радиоактивных, отравляющих, сильнодействующих веществ и болезнетвор-ных микробов, обеспечить нормальную жизнедеятельность, необходимо выполнить комплекс работ по обеззараживанию территорий, помещений, техники, приборов, оборудования, мебели, одежды, обуви, открытых частей тела. Причем делать это надо только в средствах индивидуальной защиты (противогазах, респираторах, перчатках, переднике, сапогах), при строгом соблюдении мер безопасности[44].
Обеззараживание предусматривает прежде всего механическое удаление, а также нейтрализацию химическим, физическим способами вредного вещества и уничтожение болезнетворных микробов, угрожающих здоровью и жизни людей. Оно включает выполнение таких работ как: дезактивация, дегазация, дезинфекция зараженных поверхностей, а также проведение санитарной обработки людей.
Дегазация
Дегазация – это уничтожение (нейтрализация) сильнодействующих ядовитых и отравляющих веществ или их удаление с поверхности таким образом, чтобы зараженность снизилась до допустимой нормы или полностью исчезла.
Известно немало способов дегазации, но чаще всего прибегают к механическому, физическому или химическому.
Механический – удаление отравляющего или сильнодействующего вещества с какой-либо поверхности, территории, техники, транспорта и других отдельных предметов. Обычно зараженный слой грунта срезают и вывозят в специально отведенные места для захоронения или засыпают песком, гравием, щебнем.
При физическом способе верхний слой прожигают паяльной лампой или специальными огнеобразующими приспособлениями. Из растворителей используют дихлорэтан, бензин, спирт, керосин, четыреххлористый углерод.
Наибольшее распространение нашел химический способ дегазации, основанный на применении веществ окисляющего и хлорирующего действия-хлорной извести, двухосновной соли гипохлорита кальция (ДС-ГК), дветретиосновной соли гипохлорита кальция (ДТС-ГК), хлористого сульфурила (ХС), монохлорамина Б (ДТ-1), дихлорамина Б (ДТ-2), а из веществ основного характера – едкого натра, аммиака, гашенной извести, сернистого натрия, углекислого натрия, двууглекислого аммония [40].
5.3 Требования безопасности при работе с реагентами применяемыми для обработки оборотной воды
Требования безопасности при применении ингибиторов.
Воздействие на человека, общие характеристики:
- малотоксичное вещество, трансформируется в окружающей среде;
- раздражает глаза и кожу (при продолжительном контакте), вызывает раздражение слизистых оболочек при попадании в желудочно-кишечный тракт.
Пути воздействия на организм: при попадании на кожу и слизистые оболочки глаз или проглатывании. Поражаемые органы, ткани и системы: глаза, кожные покровы, желудочно-кишечный тракт.
Наблюдаемые признаки и симптомы:
- слезотечение, покраснение и отечность, сопровождающиеся повышением болевой чувствительности и ощущением рези в глазах;
- при продолжительном контакте с кожей - сухость, растрескивание и шелушение кожи;
- при проглатывании: жжение и болезненность по ходу пищевода, рези в животе.
Меры первой помощи:
- при попадании на кожу, промыть кожу водой с мылом, при наличии симптомов раздражения - обратиться за медицинской помощью.
- при попадании в глаза, немедленно промывать глаза в течение 15 минут большим количеством воды, если раздражающее действие продолжает сохраняться, обратиться за медицинской помощью.
- при попадании во внутрь в органы пищеварения, дать пострадавшему выпить стакан воды с активированным углем, обратиться за медицинской помощью.
Средства первой помощи: промышленная аптечка.
Помещения, где проводятся работы с продуктом, оборудованы непрерывно действующей приточно-вытяжной вентиляцией.
Меры безопасности при работе с гипохлоритом натрия:
- технический гипохлорит натрия является сильным окислителем, вызывает раздражение кожных покровов и слизистой оболочки, гипохлорит натрия при попадании на кожу может вызвать ожоги, а при попадании в глаза – слепоту;
- при нагревании выше 350°С гипохлорит натрия разлагается с образованием хлоратов и выделением кислорода;
- гипохлорит натрия негорюч и не взрывоопасен, однако в контакте с горючими органическими веществами может вызвать самовозгорание.
Средством индивидуальной защиты являются спецодежда, резиновые перчатки, очки защитные и противопылевые респираторы.
Индивидуальная защита персонала должна осуществляться с применением специальной одежды и индивидуальных средств защиты органов дыхания и зрения - фильтрующий противогаз с коробкой марки «БКФ».
Разлитый продукт необходимо смыть большим количеством воды.
Гипохлорит натрия не допускается хранить с органическими продуктами, горючими материалами и кислотами.
Меры безопасности при обращении с медным купоросом.
Медный купорос относится к веществам третьего класса опасности. Попадая в организм человека, медный купорос вызывает желудочно-кишечные расстройства, при попадании в слизистые оболочки вызывает ожоги. Предельно - допустимая концентрация пыли медного купороса в воздухе рабочей зоны - 0,5 мг/м3.
Медный купорос негорюч, пожаро-взрывобезоопасен.
Работы с медным купоросом должны проводиться в спец. одежде и спец. обуви. Для защиты органов дыхания должны применятся респиратор типа «Лепесток» или противогаз с коробкой марки «БКФ», для защиты глаз - очки.
ВЫВОДЫ
1. Произведено обследование водооборотного узла №1838 цеха 46 завода «Мономер» ОАО «Салаватнефтеоргсинтез», системы обработки оборотной воды методом купоросирования и ингибирования ингибитором коррозии ИКБ – 4 «В». Существенным недостатком этой системы является: высокое содержание меди, сульфатов и нефтепродуктов в сточных водах, высокое солеотложение в теплообменном оборудовании, коррозионная способность оборотной воды.
2. Предложено заменить обработку оборотной воды реагентами фирмы «Nalkо».
3. Экперементальным путем была подобрана доза реагентов фирмы «Nalkо» для обработки системы оборотной воды. Оптимальной дозой для реагента NALCO 73424 является 60,00 мг/м3; для реагента реагента NALCO 8506 является 10 мг/м3.
4. Использование реагентов фирмы «Nalkо» приводит к значительному снижению концентрации меди, сульфатов, нефтепродуктов в сточных водах.
5. Применение реагентов фирмы «Nalkо» позволяет сократить потребление речной воды на 5 м3/час, снижает образование солеотложения, увелечение теплоотдачи, уменьшение расхода электроэнергии, приводит к снижению коррозии оборудования, приводит к угнетению развития роста микроорганизмов.
6. Произведен расчет предотвращенного экологического ущерба, который составит 158662,27 рублей.
Список литературы
1. Галлиев М.А., Шаретдинов Э.Ф. Экология Башкортостана: Учебник для студентов вузов. – Уфа: Издательство «Республиканский учебно-научный методический центр Госкомитета РБ по науке, высшему и среднему профессиональному образованию», 2001. 174 с.
2. Анализ природоохранной деятельности ОАО «Салаватнефтеоргсинтез» за 2004 год.
3. Ольков П.Л. Водоснабжение нефтеперерабатывающих заводов. – Уфа.: Уфимский нефтяной институт, 1998. 68с.
4. Сомов М.А. Водопроводные системы и сооружения. Учебник для вузов. – М.: Стройиздат, 1988. 399с.
5. Количественный химический анализ вод. Методика выполнения измерений массовой концентрации ионов меди в природных и сточных водах фотометрическим методом с диэтилдитиокарбаматом свинца. ПНД Ф 14.1:2.48-96. – М.: ГУАК Минприроды РФ, 1996.
6. Количественный химический анализ вод. Методика выполнения измерений рН в водах потенциометрическим методом. ПНД Ф 14.1:2:3:4.121-97. – М.: ГУАК Минприроды РФ, 1997.
7. Количественный химический анализ вод. Методика выполнения измерений содержаний сульфатов в пробах природных и очищенных сточных вод титрованием солью свинца в присутствии дитизона – М.: Госкомэкология РФ, 1996.
8. Количественный химический анализ вод. Методика выполнения измерений жесткости в пробах природных и очищенных сточных вод титриметрическим методом. – М.: Госкомэкология РФ, 1996.
9. Инструкция № 107-02. Методика выполнения измерений массовой концентрации хлор-ионов в водах. – Салават: «Салаватнефтеоргсинтез», 2004.
10. Методичесая инструкция № 864-84. Методика определения содержания нефтепродуктов в оборотной воде методом ИКС. – Салават: «Салаватнефтеоргсинтез», 2004.
11. Инструкция № 1142. Методика определения содержания железа в оборотной воде фотометрическим методом с сульфосалицилатом натрия. – Салават: «Салаватнефтеоргсинтез», 2004.
12. Инструкция № 109-01.Методика определение взвешенных веществ в оборотной воде гравиметрическим методом. – Салават: «Салаватнефтеоргсинтез», 2004.
13. Лурье Ю.Ю. Аналитическая химия промышленных сточных вод. – М.: Химия, 1984. 448с.
14. Государственный доклад о состоянии окружающей природной среды РБ в 2003 году. – Уфа.: Государственный комитет РБ по охране окружающей среды, 2004.
15. Карелин Я.А. Очистка производственных вод. – М.: Стройиздат, 1980. 153с.
16. Шицкова А.П., Новиков Ю.В., Гурвич Л.С., Климкина Н.В. Охрана окружающей среды в нефтеперерабатывающей промышленности. – М.: Химия, 1980г. 176с.
17. Временные методические рекомендации к использованию доочи-щенных сточных вод в техническом водоснабжении. – М., Химия, 1988. 7 с.
18. Черкинский С. Н. и др. Гигиена и санитария. -1995. с. 11-14.
19. Шабалин А. Ф. Оборотное водоснабжение промышленных предприятий. - М., Стройиздат, 1996. 296 с.
20. СНиП 2.04.02-84. Водоснабжение. Наружные сети и сооружения. – М.: Стройиздат. 1986. 120с.
21. Алфёрова А.А., Нечаев А.П. Замкнутые системы водного хозяйства промышленных предприятий, комплексов и районов. М.: Стройиздат, 1997.
22. Беспамятнов Г.П., Кротов Ю.А. Предельно допустимые концентрации химических веществ в окружающей среде. Л.: Химия, 1990 .
23. Ласкорин Б.Н., Громов Б.В., Цыганков А.П., Сенин В.Н. Проблемы развития безотходных производств. М.: Стройиздат, 1995 .
24. Родионов А.И., Клушин В.Н., Торошечников Н.С. Техника защиты окружающей среды. М.: Химия, 1989 .
25. Гвоздяк П.И., Дмитриенко Т.М., Куликов Н.И. Очистка промышленных сточных вод. // Химия и технология воды 1995 г. т.9. № 1.
26. Майстренко В.Н., Хамитов Р.З., Будников Г.К. Эколого-аналитический мониторинг супертоксикантов. М.: Химия, 1996.
27. Драгинский В.Л., Алексеева Л.П. Образование токсичных продуктов при использовании различных окислителей для очистки воды.// Водоснабжение и санитарная техника 2002 г. № 2.
28. Смирнов А.Д., Миркин В.И., Кантор Л.И. Углевание воды при экстраординарных загрязнениях водоисточника – р.Уфа. // Водоснабжение и санитарная техника 2001 г. № .
29. Петошина Н.П. Поэтапное предотвращение загрязнений водоемов сточными водами. // Водоснабжение и санитарная техника 1999 г. № 6.
30. Беляева С.Д., Гюнтер Л.И., Аграноник Р.Я. Комплексные подходы к решению проблемы обработки и размещения осадков сточных вод. // Водоснабжение и санитарная техника 2002 г. № 2.
31. Чертес К.Л., Стрелков А.К., Быков Д.Е. и др. Утилизация осадков сточных вод в качестве материала для изоляции ТБО. // Водоснабжение и санитарная техника 2001 г. № 6.
32. Новиков Ю.В., Ласточкин К.Щ. Методы исследования качества воды водоемов.-М.:Медицина,1998.
33. Брызгалов В.А. Методы определения загрязняющих веществ в поверхностных водоемах.-Л.:Гидрометиздат,1987.
34. Макар С.В. Основы экономики природопользования. М.: Институт международного права и экономики им. А.С. Грибоедова, 1998.
35. Инструктивно-методические указания по взиманию платы за загрязнения окружающей среды (в ред. Приказа Госкомэкологии РФ от 15.02.2000 г. № 77).
36. Кукин П.П., Лапин В.Л., Пономарев Н.Л., Сердюк Н.И. Безопасность жизнедеятельности. Безопасность технологических процессов и производств (охрана труда). М.: Высшая школа, 2001.
37. Трудовой кодекс РФ 2003.
38. Бобков А.С., Блинов А.А., Роздин И.А., Хабарова Е.И. Охрана труда и экологическая безопасность в химической промышленности. М.: Химия, 1998
39. Михеев Г.М., Исмагилов Ф.Р., Абдюкова Г.М. Безопасность жизнедеятельности. Защита населения в чрезвычайных ситуациях. Уфа: Юниграф, 2002.
40. Стихийные бедствия, аварии, катастрофы. Правила поведения и действия населения. / Сборник методических разработок для проведения занятий с населением по тематике ГО и ЧС/ М., 1998.
41. Коробкин В.А., Передельский Л.В. Экология.- Ростов на Дону: издательство «Феникс», 2000.-576.
42. Маликова Т.Ш., Туктарова Р.Р., Хабибуллин Р.Р. Экономика и прогнозирование промышленного природопользования: Учебно-методическое пособие для студентов специальности «Охрана окружающей среды и рациональное использование природных ресурсов» – Уфа: Уфимский государственный институт сервиса, 2005. – 52 с.
43. Нормы на качество и количество сточных вод, сбрасываемых с цехов и установок на очистные сооружения ОАО «Салаватнефтеоргсинтез».
44. Завод «Мономер», сервисный отчет представителей фирмы «ОНДЕО НАЛКО» ОАО «САЛАВАТНЕФТЕОРГСИНТЕЗ», 19 марта 2004г.
45.Федеральный закон РФ Об охране окружающей среды. М.: 2002. 63 с.
46.Журнал. Нефтепереработка и нефтехимия № 3. М.:НИИТЭнефтехим, 2004. 67 с.
47. Гринин А.С., Новиков В.Н. Промышленные и бытовые отходы. М.:ФАИР - ПРЕСС, 2002. 336 с.
48. Журнал. Экология № 3. М.: Наука, 2004. 240 с.
49. Коробкин В.И., Передельский Л.В. Экология. Ростоа-на-дону.: ФЕНИКС, 2003. 576 с.
50. Всеросийский экономический журнал № 1. М.: ЭКО, 2005. 192 с.
51. Журнал. Нефтепереработка и нефтехимия № 3. М.: ЦНИИТЭнефтехим, 2004. 62 с.
52. Государственный доклад по состоянию загрязнения окружающей среды в Республике Башкортостан за 2004.
|