Введение
В нашем языке существует немало слов, имеющих несколько значений. "Строительство" - одно из таких слов.
Мы говорим: "Значительную долю продукции, производимой в нашей стране, дает сегодня строительство" - и видим за этим словом гигантскую отрасль народного хозяйства, превратившую нашу страну в строительную площадку небывалых размеров.
Словом "строительство" мы называем и самостроящееся здание или сооружение, и то место, где оно строится, и род занятий строителей... Очень емкое слово.
А главное - очень важное. Потому что без строительства невозможно представить себе нашу сегодняшнюю жизнь.
На снежной северной зимовке людей спасает от мороза и пурги теплый домик экспедиции. У экватора здания прячут людей от палящего солнца или ливней. По автострадам, мостам, тоннелям вереницы автомашин везут людей на работу - в цехи и лаборатории, на учебу - в школы и институты. По железнодорожным путям грохочут поезда, мчат людей и грузы в новый город в Заполярье или к курорту у теплого моря. Всюду окружают человека, кроме лесов и полей, рек и гор, дома, города, дороги. Окружает его как бы вторая природа, созданная его собственными руками, удобная для жизни искусственная среда.
Созданием этой искусственной среды и занимается та огромная отрасль человеческой деятельности, которая называется "строительство". Машины и масштабы
Более 1000 новых городов выросло за годы Советской власти, возведены десятки тысяч промышленных предприятий, сооружены сотни тысяч школ, кинотеатров, десятки миллионов квартир.
Таких огромных масштабов и высоких темпов строительства не знала ни одна предшествующая эпоха. Каждый год мы выполняем строительных работ на 5-7% больше, чем в предыдущем, и строители продолжают наращивать темпы. Это стало возможным благодаря тем изменениям, которые произошли в строительстве за годы Советской власти.
Главные среди них - индустриализация строительного производства, механизация строительства, максимальная замена всех видов ручного труда машинным.
Сегодня с помощью машин выполняют почти все тяжелые строительные работы: роют и перемещают грунт, приготавливают и укладывают бетонную смесь, транспортируют и монтируют многотонные конструкции. Машины облегчают труд людей и на других работах - помогают штукатурить и красить, сваривать металл, завинчивать гайки и забивать гвозди.
Забиваем Сайты В ТОП КУВАЛДОЙ - Уникальные возможности от SeoHammer
Каждая ссылка анализируется по трем пакетам оценки: SEO, Трафик и SMM.
SeoHammer делает продвижение сайта прозрачным и простым занятием.
Ссылки, вечные ссылки, статьи, упоминания, пресс-релизы - используйте по максимуму потенциал SeoHammer для продвижения вашего сайта.
Что умеет делать SeoHammer
— Продвижение в один клик, интеллектуальный подбор запросов, покупка самых лучших ссылок с высокой степенью качества у лучших бирж ссылок.
— Регулярная проверка качества ссылок по более чем 100 показателям и ежедневный пересчет показателей качества проекта.
— Все известные форматы ссылок: арендные ссылки, вечные ссылки, публикации (упоминания, мнения, отзывы, статьи, пресс-релизы).
— SeoHammer покажет, где рост или падение, а также запросы, на которые нужно обратить внимание.
SeoHammer еще предоставляет технологию Буст, она ускоряет продвижение в десятки раз,
а первые результаты появляются уже в течение первых 7 дней.
Зарегистрироваться и Начать продвижение
Широкое применение машин позволило по-новому организовать строительное производство. Самое сложное и трудоемкое в строительстве - изготовление конструкций, элементов будущих построек,- как правило, выполняется сегодня в заводских условиях, на конвейере. Тысячи специальных заводов, сотни домостроительных комбинатов снабжают сегодня стройки конструкциями, деталями и материалами. А на строительной площадке стремятся оставить только процессы сборки и монтажа готовых элементов.
Изменилось и многое другое: разработаны новые, высокопрочные, легкие и долговечные строительные материалы и конструкции, усовершенствованы способы выполнения многих строительных работ, возникли новые методы строительства, более быстрые, более дешевые, требующие меньших затрат труда и времени.
Все это позволило почти в 40 раз увеличить, по сравнению с дореволюционным временем, объем строительства в стране и резко повысить производительность труда строителей.
Современное строительство - это высокоиндустриальная, гигантская по своему размаху, по масштабам и по своему значению отрасль человеческой деятельности.
Первые постройки человека: примитивные заслоны от ветра, землянки, шалаши и хижины - такие, как в этой затерявшейся в тропических джунглях деревушке,- мало отличались от окружавшей их природы и друг от друга.
Характеристика здания
Проектируемое здание жилое, которое имеет размеры в плане 36 м × 12.9 м.
Здание трёхэтажное. Высота - 2.8 м.
Здание бесподвальное, бескаркасное.
Пространственная жесткость и устойчивость здания обеспечивается за счёт стен и плит перекрытия .
По долговечности здание относится к 1 степени, так как его конструктивные элементы рассчитаны на срок службы 100 лет.
По огнестойкости в соответствии с CY< 2/02/01 – 85 здание относится к 1 степени.
Класс ответственности здания по СНиП 2.01.07 – 85 -2 класс ответственности.
Здание размещается на участке со спокойным рельефом.
Ширина дорог – 12м., проездов – 8м, тротуаров – 12м.
Выполнена координатная привязка здания к осям строительной геодезической сетки. Абсолютная отметка, соответствующая условной нулевой,137,47 м.
здание имеет благоприятную ориентацию по сторонам горизонта: окна фасада 1 – 11 сориентированы на северо - восточную сторону горизонта, окна фасада А – Д на юго – восточную сторону горизонта.
Сервис онлайн-записи на собственном Telegram-боте
Попробуйте сервис онлайн-записи VisitTime на основе вашего собственного Telegram-бота:
— Разгрузит мастера, специалиста или компанию;
— Позволит гибко управлять расписанием и загрузкой;
— Разошлет оповещения о новых услугах или акциях;
— Позволит принять оплату на карту/кошелек/счет;
— Позволит записываться на групповые и персональные посещения;
— Поможет получить от клиента отзывы о визите к вам;
— Включает в себя сервис чаевых.
Для новых пользователей первый месяц бесплатно.
Зарегистрироваться в сервисе
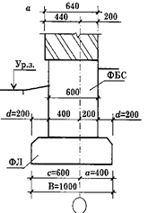
Фундаменты
В данной курсовой работе запроектированы сборные железобетонные ленточные фундаменты, состоящие из фундаментных блоков плит и стеновых фундаментных блоков. Глубина заложения фундаментов-2,6м. Отметка подошвы-2,3м.
Так как толщина стены 640мм, то привязка к координационной оси двусторонняя 200мм и 440мм.

Под внутренние несущие, как наиболее загруженные, принимаем фундаментные плиты шириной 1200 мм.
Под наружные несущие стены - на порядок ниже:1000мм. Под наружные самонесущие стены также принимаем фундаментные плиты шириной 1000 мм.
Плиты ленточных фундаментов укладывать на тщательно спланированную и утрамбованную поверхность основания. Монолитные участки выполнять из бетона класса В12,5.

В зависимости от толщины стены принимаем фундаментные блоки, толщиной:
А) Для наружных стен – 600мм.
Б) Для внутренних стен – 400мм.
Их следует укладывать на цементном растворе М50 с обязательной перевязкой швов. Число вертикальных рядов фундаментных блоков-4.
Фундамент под наружные стены
Внутреннюю грань стены совмещаем с внутренней гранью фундаментного блока. Привязка фундаментного блока к координационной оси:200мм и 400мм. Фундаментную плиту располагаем симметрично толщине фундаментного блока. Размеры уступов:
d = (1000-600):2=200мм.
Привязка фундаментной плиты: 
а=200+200=400мм
с=200+400=600мм
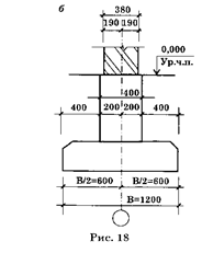
Фундамент под внутренние стены
Привязка фундаментного блока к оси центральная 200мм и 200мм.
Размеры уступов:
d = (1200-400):2=400мм

Привязка фундаментной плиты центральная:
В/2=200+400=600мм.
Монолитные участки выполняются из бетона класса В12,5.
Для защиты фундаментов от поверхностных вод по периметру здания выполняем асфальтобетонную отмостку, шириной 800мм по щебёночному основанию, толщиной 150мм, с уклоном от здания 3%.
Ведомость расчёта фундаментных плит
Таблица 1
Пози-
ция
|
Марка
|
Документа-
ция
|
Размеры,мм
|
Масса,т
|
Кол-во,
шт
|
| L |
B |
H |
3
|
ФЛ10.24-1 |
ГОСТ 13580-85 |
2380 |
1000 |
300 |
1,38 |
4 |
| 4 |
ФЛ12.24-1 |
ГОСТ 13580-85 |
2380 |
1200 |
300 |
1,63 |
8 |
| 2 |
ФЛ10.12-1 |
ГОСТ 13580-85 |
1180 |
1000 |
300 |
0,65 |
34 |
| 1 |
ФЛ12.12-1 |
ГОСТ 13580-85
|
1180 |
1200
|
300
|
0,78
|
81
|
| 5 |
ФЛ10.8-1 |
ГОСТ 13580-85 |
780 |
1000 |
300 |
0,42 |
18 |
| 6 |
ФЛ12.8-1 |
ГОСТ 13580-85 |
780 |
1200 |
300 |
0,5 |
1 |
В здании устроена горизонтальная и вертикальная гидроизоляция. Первый слой горизонтальной гидроизоляции укладывают по верху фундаментных подушек из цементного раствора толщиной 30 мм.
Второй слой горизонтальной гидроизоляции (рулонной) устраивают в цоколе наружных стен на 200мм выше отмостки.Во внутреннх стенах этот слой распологается на 200мм ниже уровня пола.
Вертикальная гидроизоляция подвальных стен осуществляется обмазкой их поверхностей, соприкасающихся с грунтом, горячей битумной мастикой за два раза.
Стены
В проектируемом здании внутренние стены выполнены из пустотного керамического кирпича плотностью 1400 кг/м3 с размерами 250×120×65мм сплошной кладки. Толщина внутренних стен 380мм.
Во внутренних стенах, разделяющих санузлы и кухни, предусмотрены вентиляционные каналы размерами 270×140мм.Участки стен в местах прохода вентиляционных каналов армированы двумя продольными стержнями Ø 5 Вр І с приваркой поперечных стержней с шагом 100мм, минуя отверстия вентиляционных каналов.
Теплотехнический расчёт наружных стен:
1.Находим требуемое сопротивление теплоотдачи:
tв - расчётная тем
пература внутреннего воздуха(табл.12)
tн- расчётная температура наружного воздуха
αв-коэф.теплоотдачи(табл.8)
n- коэфециент, принимаемый в зависимости от положения наружной поверхности ограждающей конструкции , для наружных стен он равен 1.
2.Требуемая толщина стены:
=(0.93-0.115-0.002-0.043)
Принимаем стену толщиной 640мм.
Наружные стены выполнены из пустотного керамического кирпича плотностью 1400 кг/м3 с размерами 250×120×65мм сплошной кладки на цементно-известковом растворе. Толщина наружных стен 640мм( наружная верста-120мм,воздушная прослойка-50мм,пенополистерол-90мм,внутренняя верста-380мм).
Утеплитель устанавливаем, плотно прижимая его к внутренней версте, предварительно раскроив его на высоту 5-ти рядов. Для установки гибких связей в пенополистероле вырезают борозды 3 3см с шагом 500мм, куда укладывают гибкие связи и заполняют раствором.
                   
              Характер привязки стен к координационным осям
Над проёмами в стенах уложены сборные железобетонные перемычки. Перемычки укладывают на кирпичные стены по слою цементного раствора М50.
Спецификация элементов перемычек
Позиция
|
Обозначение
|
Наименование
|
Количество на этаж |
Всего
|
Масса ед., кг
|
Примечание
|
| 1 |
2 |
3 |
| 1 |
Серия 1.038.1-1
выпуск 1
|
5ПБ25-27 |
28 |
24 |
24 |
78 |
338 |
| 2 |
3ПБ21-8 |
12 |
12 |
12 |
36 |
137 |
| 3 |
5ПБ18-27 |
12 |
14 |
14 |
40 |
250 |
| 4 |
3ПБ18-8 |
6 |
7 |
7 |
20 |
119 |
| 5 |
3ПБ25-8 |
2 |
- |
- |
2 |
162 |
| 6 |
3ПБ13-37 |
66 |
66 |
66 |
198 |
85 |
| 7 |
Серия 1.038.1-1
выпуск 1
|
1ПБ10-1 |
12 |
12 |
12 |
36 |
20 |
| 8 |
1ПБ13-1 |
8 |
8 |
8 |
24 |
25 |

Ведомость перемычек
Марка
|
Схема сечения |
Проёмы №:
1;5;6;10;11;12;13;
15;16;18;19;20
|
Проёмы №:
2;3;4;7;8;9;
14;17
|
Позиция 1
|
Позиция 2
|
Перекрытия
В здании запроектированы сборные железобетонные перекрытия из многопустотных плит (что повышает их звукоизоляцию и улучшает термоизоляционные свойства) толщиной 220мм. В местах пропуска комуникаций и вентблоков запроектированы ребристые плиты перекрытий.

Плиты перекрытия опираются на несущие стены короткими сторонами по слою свежего цементно-песчаного раствора на 200мм.
Пустоты в торцах плит перекрытия на глубину 200мм заделываются бетоном. Это предохраняет концы плит от продавливания вышележащей стеной, а также улучшает тепло- и звукоизоляцию перекрытий.
Анкерные связи устанавливают цепочкой через всё здание в каждой третьей- четвёртой плите ряда. После установки анкеров подъёмные петли загибают, анкеры и петли накрывают для защиты от коррозии слоем цементно- песчаного раствора толщиной 30 мм.


Спецификация элементов плит покрытий
Пози-
ция
|
Обозна-
чение
|
Наимено-
вание
|
Количество
на этаж
|
Всего
|
Масса
еденицы,
кг
|
Приме-
чание
|
| 1 |
2 |
3 |
| 1 |
Серия 1.141-1
выпуск 60
|
ПК36.12-3Т |
18 |
18 |
18 |
54 |
1280 |
| 2 |
ПК36.15-3Т |
58 |
58 |
58 |
168 |
1700 |
Лестницы
В здании запроектированы лестницы основного назначения из сборных железобетонных лестничных маршей и площадок, расположенных в лестничных клетках, ограждённых капитальными стенами. Лестничный марш и площадки подобраны по каталогу на основании расчёта.
Расчёт лестничной площадки:
Высота этажа- 2,8м
Уклон лестницы- 1:2
Размеры ступеней-150 300мм
Ширина марша-1,75м
1.Определяем ширину лестничной клетки:
В=2В+100+2 1,75+100=3,6м
2. Высота одного марша:
Hэт / 2=2800 2=1400мм
3.Число подступёнков в одном марше:
N=1400 150=9
4.Длина горизонтальной проекции:
α=300×(N-1)=300×8=2400мм
5.Число проступей:
9-1=8
Принимаем ширину лестничной промежуточной лощадки- 1650мм.
Ширина этажной площадки- 1650мм.
Тогда полная ширина лестничной клетки:
2400+1650+1650=5700мм.
Перегородки
Перегородки в здании из керамического кирпича. Толщина перегородок: межкомнотных-120мм, межквартирных-380мм.
Перегородки санитарных узлов выкладывают по металлическому шаблону. После укладки двух рядов его убирают.Кладку ведут с перевязкой швов на растворах М100.
Зазоры между перегородками и стенами тщательно конопатят.
Устойчивость перегородок обеспечивается укладкой арматуры в горизонтальные швы и вертикальные штрабами, оставленные в местах примыкания к капитальным стенам.
Кровля
В здании запроектирована чердачная стропильная крыша.Кровля выполнена из металлочерепицы, с холодным чердаком.
Кровлю поддерживает стропильная система, состоящая из мауэрлатов- опорных брусьев, укладываемых на наружные стены, стоек и прогонов устанавливаемых в середине здания; стропил- балок, уложеных по скату, и опалубки из досок, скомбинированой с обрешёткой из брусков, на которые непосредственно укладывается кровельный материал. Шаг стропил-1 м.
Металлочерепица представляет собой профилированые листы с продольными волнами и поперечными гофрами, конфигурация которых воспроизводит вид традиционной черепицы.Толщина-0,5мм ; полезная ширина- 1100мм; максимальная длина- 7м.Шаг поперечного рисунка – 350мм.
Обрешётка крепится к стропилам при помощи гвоздей. Между стропилами и обрешёткой укладывается слой пароизоляции. Листы металлочерепицы крепятся к обрешётке при помощи шурупов, с учётом 6 штук на 1 м2.
Наружный организованный водосток равен:
Общая площадь кровли:
Sобщ=573 м2
Из расчёта одна воронка обслужит 33 м2 кровли
Количество водосточных труб:
Nтруб= штук.
Наружная и внутренняя отделка
Наружная отделка:
Цокольная часть здания облицовывается плитками декоративного камня.
Наружная стена облицована керамическим кирпичом.
Внутренняя отделка:
В коридорах стены отштукатурены и покрыты специальными красками.
В комнатах стены оклеены обоями. В кухнях на высоту рабочей зоны(1 метр от уровня пола) стена облицована плиткой. Остальная часть стены оштукатурена и покрыта специальной краской.
Санузел облицован керамической плиткой.
Полы
Дощатые полы
Для покрытия деревянных полов применяются древесина хвойных и лиственных пород. Это строганные шпунтованные доски первого и второго сорта. Толщина досок составляет 29мм. Ширина досок после острожки, выборки гребней и пазов, составляет 115мм.
Для лаг применяются доски 2-го и 3-го сорта влажностью не более 18%.Толщина лаг-50мм, а подкладок-30мм; ширина лаг-100мм.
В качестве звукоизоляции служат звукоизоляционные ленточные подкладки .
Устройство досчатого пола заканчивается установкой плинтусов между полом и стеной по всему периметру помещения. Для крепления плинтусов в стенах через каждые 70см электродрелью просверливается отверстие и забиваются деревянные пробки.
Для обеспечения звукоизоляции между плинтусом и стеной устраиваются прокладки из мягкой древесноволокнистой плиты или другого материала.
Плиточные полы
Плиточные полы устраиваются в санузлах. Эти полы представляют собой конструкцию, в которую входят следующие элементы:
Покрытие из керамических плиток.
Прослойка, связывающая покрытие с перекрытием.
Стяжка из цементно-песчаного раствора.
Гидроизоляционный слой.
Звукоизоляционный слой.
Плита перекрытия.
В коридорах предусмотрены линолиумные полы.
Основанием под линолиумный пол служит лёгкий бетон. При устройстве пола покрытие из синтетических материалов укладывается на древесноволокнистые плиты. Раскладка плит по огрунтованному основанию выполняется в разбежку с зазорами между листами 3-5 мм. Наклеиваются плиты на горячей битумной мастике.
При примыкании полов к стенам особое внимание уделяется звукоизоляции. Полы отделяются от стен упругими прокладками. Зазоры около 10 мм в примыканиях полов к стенам перекрываются деревянными плинтусами.
В санузлах гидроизоляционный ковёр подстилающего слоя заводится на стену на высоту 0,3 м.Поверх него устраивается плинтус из керамических плиток на армированном стальной сеткой цементно-песчаном растворе
Номер
помеще-ния
|
Тип
пола
|
Схема пола
|
Элементы пола и их
толщина, мм
|
Площадь,
м2
|
2.8. Окна и двери.
Окна запроектированы с тройным остеклением (со стеклопакетами и стеклом изнутри) со спаренными переплётами, двухстворчатые.
Всего запроектировано 2 типа окон:
Эскизы окон

Запроектировано 3 типа дверей:
Эскизы дверей

Ведомость проёмов
| Марка поз |
Размер проёма в кладке bxh, мм. |
| ОК1 |
1790×1500 |
| ОК2 |
1330×1500 |
| ОК3 |
1200×1500 |
| ДБ1 |
900×2000 |
| ДБ2 |
600×2000 |
| ДБ3 |
1930×2100 |
Спецификация элементов заполнения
| Позиция |
Обозначение |
Марка |
Кол-во |
| ОКНА |
ОК1
ОК2
ОК3
|
О3С15 – 17,9СПС
О3С15 – 13,3СПС
ОС12 – 13,3СП
|
15 – 17,9
15 – 13,3
12 – 13,3
|
36
18
2
|
| ДВЕРИ |
Д1
Д2
Д3
|
ДВДГ 20-9Ф
ДВДГ 20-6Ф
ДВДГ 21-19,3Ф
|
20 – 9
20 – 6
21 – 19,3
|
66
36
2
|
Спецификация основных сборных железобетонных конструкций
| Поз |
Обозначение |
Наименование |
Количество |
Масса ед., кг |
Примечание |
| Плиты перекрытий |
| 1 |
Серия 1.141-1
выпуск 60
|
ПК36.12-3Т |
54 |
1280 |
| 2 |
ПК36.15-3Т |
168 |
1700 |
| Фундаменты |
| 1 |
ГОСТ 13580-85
|
ФЛ12.12-1 |
81 |
780 |
| 2 |
ГОСТ 13580-85 |
ФЛ10.12-1 |
34 |
650 |
| 3 |
ГОСТ 13580-85 |
ФЛ10.24-1 |
4 |
1380 |
| 4 |
ГОСТ 13580-85 |
ФЛ12.24-1 |
8 |
1630 |
| 5 |
ГОСТ 13580-85 |
ФЛ10.8-1 |
18 |
420 |
| 6 |
ГОСТ 13580-85 |
ФЛ12.8-1 |
1 |
500 |
| Лестничные марши и площадки |
| ЛП1 |
Серия 1.152.1-8
выпуск 1
|
2ЛП22.15-4-К |
6 |
1200 |
| ЛП2 |
ЛПФ28.11-5 |
6 |
900 |
| ЛМ1 |
Серия 1.151.1-6
выпуск 1
|
1ЛМ27.12.14-4 |
8 |
1520 |
| ЛМ2 |
Серия 1.251.1-4
выпуск 1
|
2ЛМФ42.15.18-5 |
2 |
1160 |
| Перемычки |
| 1 |
Серия 1.038.1-1
выпуск 1
|
5ПБ25-27 |
78 |
338 |
| 2 |
3ПБ21-8 |
36 |
137 |
| 3 |
5ПБ18-27 |
40 |
250 |
| 4 |
3ПБ18-8 |
20 |
119 |
| 5 |
3ПБ25-8 |
2 |
162 |
| 6 |
3ПБ13-37 |
198 |
85 |
| 7 |
Серия 1.038.1-1
выпуск 1
|
1ПБ10-1 |
36 |
20 |
| 8 |
1ПБ13-1 |
24 |
25 |
Список литературы
Л.М.Ржецкая,Т.П.Макогон «Гражданские и промышленные здания» – Мн.Дизайн «Про».2002.
А.С.Козловский «Кровельные работы» - М. «Высшая школа» .1973
В.Н.Дамье-Вульсон, Н.Н.Завражин «Устройство полов» - М. «Высшая школа». 1986.
В.М.прасол «Проектирование жилых и общественных зданий» - Гомель 2005.
А.З.Буханов, Е.Н. Белоконев, Т.М.Белоконева, А.А.Чистяков «Основы архитектуры зданий и сооружений» - Феникс 2008.
Б.А.Миткин, А.И.Титов «Справочное пособие по отделочным работам»- Мн. «Вышейшая школа» 1977.
В.И.Рыженков «Кровли, крыши, мансарды» - М. «Оникс» 2005.
А.С.Стаценко, А.И.Тамкович «Технология и организация строительного производства» - Мн. «Вышэйшая школа» 2000.
|